mobile_sound +7 (930) 655-55-90

Железобетонные опоры линий электропередачи. Рабочие чертежи (Серия 1.420-13)

Поделиться:
Поделиться:

Документ Серия 1.420-13 описывает область применения, номенклатуру и ключевые требования, опираясь на действующие нормы и практику проектирования. Серия 1.420-13 была разработана институтом ЦНИИПРОМЗДАНИЙ совместно с организацией НИИЖБ и введён в действие в действие после утверждения с 7 июня 1979 года. Нормативный документ состоит из нескольких выпусков (в общей сложности из четырнадцати) с подробным описанием конструкций, используемых для возведения производственных сооружений, строящихся с сеткой колонн 6х6, а также 9х6 метров. допускается возможность эксплуатация изделия и конструкции в зданиях с большим количеством этажей.

Файлы для скачивания:
picture_as_pdf

6139.pdf

4,335.5 KB

скачать
picture_as_pdf

6140.pdf

13,532.8 KB

скачать
picture_as_pdf

6141.pdf

7,702.6 KB

скачать
picture_as_pdf

6142.pdf

11,071.3 KB

скачать
picture_as_pdf

6143.pdf

2,562.5 KB

скачать
picture_as_pdf

6144.pdf

12,704.8 KB

скачать
picture_as_pdf

6145.pdf

10,973.6 KB

скачать
picture_as_pdf

6146.pdf

4,226.3 KB

скачать
picture_as_pdf

6147.pdf

2,144.3 KB

скачать
picture_as_pdf

6148.pdf

8,345.5 KB

скачать
picture_as_pdf

6149.pdf

2,528.8 KB

скачать
picture_as_pdf

6150.pdf

1,637.1 KB

скачать
picture_as_pdf

6151.pdf

4,832.2 KB

скачать
picture_as_pdf

6152.pdf

1,534.6 KB

скачать
Товары Серия 1.420-13 (60)
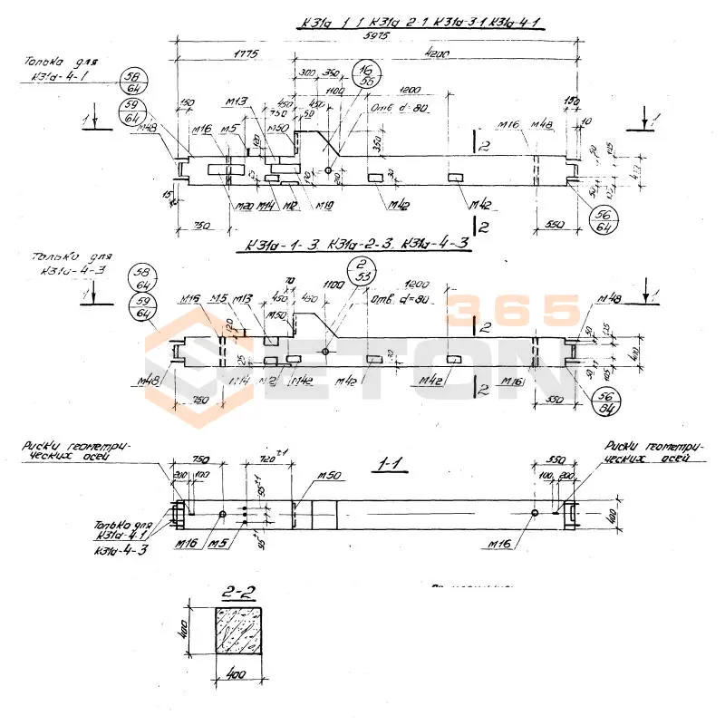
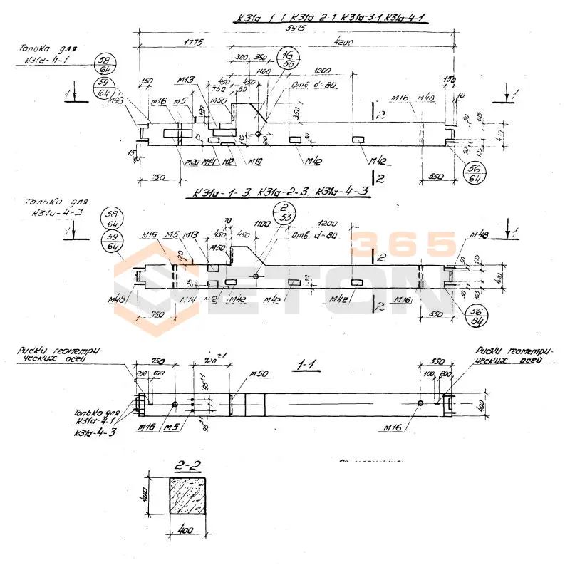
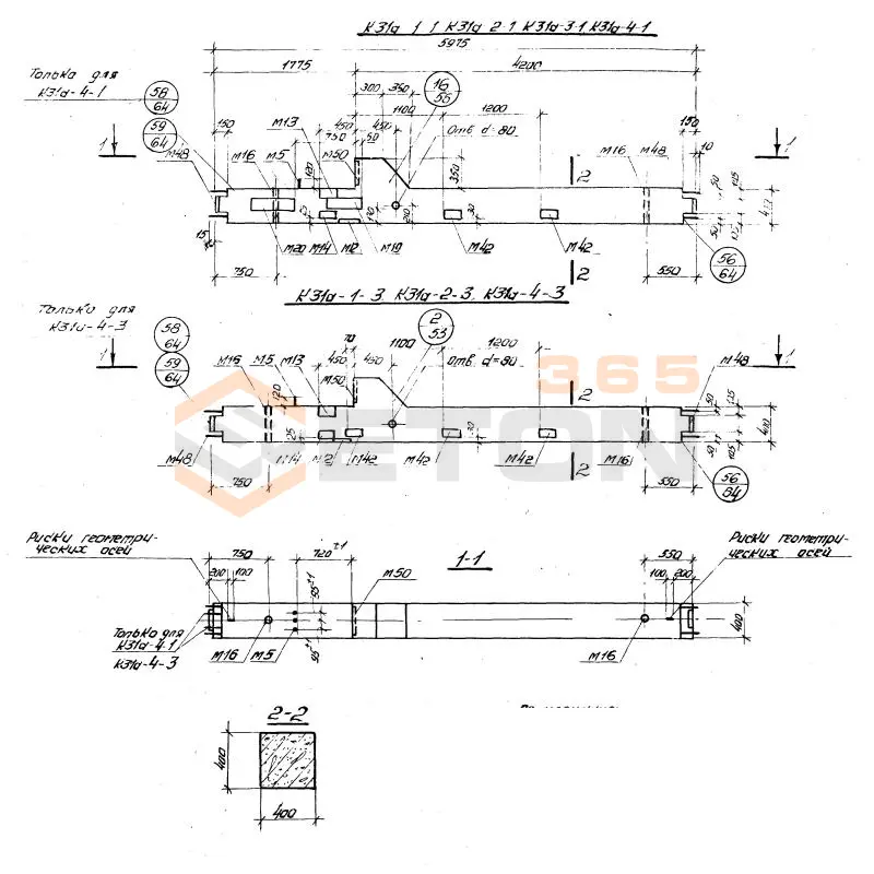
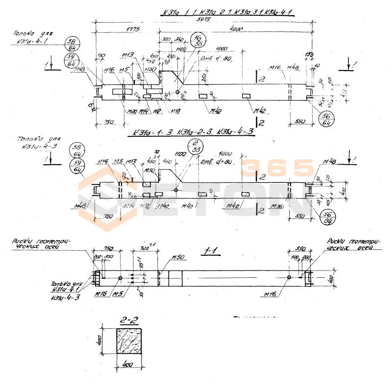
К 31а-9 т-42 (1.420-13)
Колонны Серия 1.420-13
  • Длина 5975 мм.
  • Ширина 400 мм.
  • Высота 400 мм.
  • Вес 2500 кг.
  • Объем бетона 1,02 м3
  • Геометрический объем 0,956 м3
Цена: 22756 руб.
Подробнее
К 31а-9 т-61 (1.420-13)
Колонны Серия 1.420-13
  • Длина 5975 мм.
  • Ширина 400 мм.
  • Высота 400 мм.
  • Вес 2500 кг.
  • Объем бетона 1,02 м3
  • Геометрический объем 0,956 м3
Цена: 22756 руб.
Подробнее
К 31а-9 т-51 (1.420-13)
Колонны Серия 1.420-13
  • Длина 5975 мм.
  • Ширина 400 мм.
  • Высота 400 мм.
  • Вес 2500 кг.
  • Объем бетона 1,02 м3
  • Геометрический объем 0,956 м3
Цена: 22756 руб.
Подробнее
К 31а-9 т-62 (1.420-13)
Колонны Серия 1.420-13
  • Длина 5975 мм.
  • Ширина 400 мм.
  • Высота 400 мм.
  • Вес 2500 кг.
  • Объем бетона 1,02 м3
  • Геометрический объем 0,956 м3
Цена: 22756 руб.
Подробнее
К 32а-10 т-02 (1.420-13)
Колонны Серия 1.420-13
  • Длина 5975 мм.
  • Ширина 400 мм.
  • Высота 400 мм.
  • Вес 2700 кг.
  • Объем бетона 1,08 м3
  • Геометрический объем 0,956 м3
Цена: 24095 руб.
Подробнее
К 32а-10 т-01 (1.420-13)
Колонны Серия 1.420-13
  • Длина 5975 мм.
  • Ширина 400 мм.
  • Высота 400 мм.
  • Вес 2700 кг.
  • Объем бетона 1,08 м3
  • Геометрический объем 0,956 м3
Цена: 24095 руб.
Подробнее
К 32а-10 т-11 (1.420-13)
Колонны Серия 1.420-13
  • Длина 5975 мм.
  • Ширина 400 мм.
  • Высота 400 мм.
  • Вес 2700 кг.
  • Объем бетона 1,08 м3
  • Геометрический объем 0,956 м3
Цена: 24095 руб.
Подробнее
К 32а-10 т-12 (1.420-13)
Колонны Серия 1.420-13
  • Длина 5975 мм.
  • Ширина 400 мм.
  • Высота 400 мм.
  • Вес 2700 кг.
  • Объем бетона 1,08 м3
  • Геометрический объем 0,956 м3
Цена: 24095 руб.
Подробнее
К 32а-10 т-21 (1.420-13)
Колонны Серия 1.420-13
  • Длина 5975 мм.
  • Ширина 400 мм.
  • Высота 400 мм.
  • Вес 2700 кг.
  • Объем бетона 1,08 м3
  • Геометрический объем 0,956 м3
Цена: 24095 руб.
Подробнее
К 32а-10 т-51 (1.420-13)
Колонны Серия 1.420-13
  • Длина 5975 мм.
  • Ширина 400 мм.
  • Высота 400 мм.
  • Вес 2700 кг.
  • Объем бетона 1,08 м3
  • Геометрический объем 0,956 м3
Цена: 24095 руб.
Подробнее
К 32а-10 т-32 (1.420-13)
Колонны Серия 1.420-13
  • Длина 5975 мм.
  • Ширина 400 мм.
  • Высота 400 мм.
  • Вес 2700 кг.
  • Объем бетона 1,08 м3
  • Геометрический объем 0,956 м3
Цена: 24095 руб.
Подробнее
К 32а-10 т-22 (1.420-13)
Колонны Серия 1.420-13
  • Длина 5975 мм.
  • Ширина 400 мм.
  • Высота 400 мм.
  • Вес 2700 кг.
  • Объем бетона 1,08 м3
  • Геометрический объем 0,956 м3
Цена: 24095 руб.
Подробнее
К 32а-10 т-61 (1.420-13)
Колонны Серия 1.420-13
  • Длина 5975 мм.
  • Ширина 400 мм.
  • Высота 400 мм.
  • Вес 2700 кг.
  • Объем бетона 1,08 м3
  • Геометрический объем 0,956 м3
Цена: 24095 руб.
Подробнее
К 32а-10 т-52 (1.420-13)
Колонны Серия 1.420-13
  • Длина 5975 мм.
  • Ширина 400 мм.
  • Высота 400 мм.
  • Вес 2700 кг.
  • Объем бетона 1,08 м3
  • Геометрический объем 0,956 м3
Цена: 24095 руб.
Подробнее
К 32а-10 т-31 (1.420-13)
Колонны Серия 1.420-13
  • Длина 5975 мм.
  • Ширина 400 мм.
  • Высота 400 мм.
  • Вес 2700 кг.
  • Объем бетона 1,08 м3
  • Геометрический объем 0,956 м3
Цена: 24095 руб.
Подробнее
К 32а-10 т-62 (1.420-13)
Колонны Серия 1.420-13
  • Длина 5975 мм.
  • Ширина 400 мм.
  • Высота 400 мм.
  • Вес 2700 кг.
  • Объем бетона 1,08 м3
  • Геометрический объем 0,956 м3
Цена: 24095 руб.
Подробнее
К 32а-11 т-01 (1.420-13)
Колонны Серия 1.420-13
  • Длина 5975 мм.
  • Ширина 400 мм.
  • Высота 400 мм.
  • Вес 2700 кг.
  • Объем бетона 1,08 м3
  • Геометрический объем 0,956 м3
Цена: 24095 руб.
Подробнее
К 32а-11 т-02 (1.420-13)
Колонны Серия 1.420-13
  • Длина 5975 мм.
  • Ширина 400 мм.
  • Высота 400 мм.
  • Вес 2700 кг.
  • Объем бетона 1,08 м3
  • Геометрический объем 0,956 м3
Цена: 24095 руб.
Подробнее
К 32а-12 т-01 (1.420-13)
Колонны Серия 1.420-13
  • Длина 5975 мм.
  • Ширина 400 мм.
  • Высота 400 мм.
  • Вес 2700 кг.
  • Объем бетона 1,08 м3
  • Геометрический объем 0,956 м3
Цена: 24095 руб.
Подробнее
К 32а-11 т-52 (1.420-13)
Колонны Серия 1.420-13
  • Длина 5975 мм.
  • Ширина 400 мм.
  • Высота 400 мм.
  • Вес 2700 кг.
  • Объем бетона 1,08 м3
  • Геометрический объем 0,956 м3
Цена: 24095 руб.
Подробнее
К 32а-11 т-51 (1.420-13)
Колонны Серия 1.420-13
  • Длина 5975 мм.
  • Ширина 400 мм.
  • Высота 400 мм.
  • Вес 2700 кг.
  • Объем бетона 1,08 м3
  • Геометрический объем 0,956 м3
Цена: 24095 руб.
Подробнее
К 32а-12 т-02 (1.420-13)
Колонны Серия 1.420-13
  • Длина 5975 мм.
  • Ширина 400 мм.
  • Высота 400 мм.
  • Вес 2700 кг.
  • Объем бетона 1,08 м3
  • Геометрический объем 0,956 м3
Цена: 24095 руб.
Подробнее
К 32а-12 т-11 (1.420-13)
Колонны Серия 1.420-13
  • Длина 5975 мм.
  • Ширина 400 мм.
  • Высота 400 мм.
  • Вес 2700 кг.
  • Объем бетона 1,08 м3
  • Геометрический объем 0,956 м3
Цена: 24095 руб.
Подробнее
К 32а-12 т-12 (1.420-13)
Колонны Серия 1.420-13
  • Длина 5975 мм.
  • Ширина 400 мм.
  • Высота 400 мм.
  • Вес 2700 кг.
  • Объем бетона 1,08 м3
  • Геометрический объем 0,956 м3
Цена: 24095 руб.
Подробнее
К 32а-12 т-21 (1.420-13)
Колонны Серия 1.420-13
  • Длина 5975 мм.
  • Ширина 400 мм.
  • Высота 400 мм.
  • Вес 2700 кг.
  • Объем бетона 1,08 м3
  • Геометрический объем 0,956 м3
Цена: 24095 руб.
Подробнее
К 32а-12 т-31 (1.420-13)
Колонны Серия 1.420-13
  • Длина 5975 мм.
  • Ширина 400 мм.
  • Высота 400 мм.
  • Вес 2700 кг.
  • Объем бетона 1,08 м3
  • Геометрический объем 0,956 м3
Цена: 24095 руб.
Подробнее
К 32а-12 т-32 (1.420-13)
Колонны Серия 1.420-13
  • Длина 5975 мм.
  • Ширина 400 мм.
  • Высота 400 мм.
  • Вес 2700 кг.
  • Объем бетона 1,08 м3
  • Геометрический объем 0,956 м3
Цена: 24095 руб.
Подробнее
К 32а-13 т-12 (1.420-13)
Колонны Серия 1.420-13
  • Длина 5975 мм.
  • Ширина 400 мм.
  • Высота 400 мм.
  • Вес 2700 кг.
  • Объем бетона 1,08 м3
  • Геометрический объем 0,956 м3
Цена: 24095 руб.
Подробнее
К 32а-13 т-11 (1.420-13)
Колонны Серия 1.420-13
  • Длина 5975 мм.
  • Ширина 400 мм.
  • Высота 400 мм.
  • Вес 2700 кг.
  • Объем бетона 1,08 м3
  • Геометрический объем 0,956 м3
Цена: 24095 руб.
Подробнее
К 32а-13 т-01 (1.420-13)
Колонны Серия 1.420-13
  • Длина 5975 мм.
  • Ширина 400 мм.
  • Высота 400 мм.
  • Вес 2700 кг.
  • Объем бетона 1,08 м3
  • Геометрический объем 0,956 м3
Цена: 24095 руб.
Подробнее
К 32а-13 т-51 (1.420-13)
Колонны Серия 1.420-13
  • Длина 5975 мм.
  • Ширина 400 мм.
  • Высота 400 мм.
  • Вес 2700 кг.
  • Объем бетона 1,08 м3
  • Геометрический объем 0,956 м3
Цена: 24095 руб.
Подробнее
К 32а-14 т-01 (1.420-13)
Колонны Серия 1.420-13
  • Длина 5975 мм.
  • Ширина 400 мм.
  • Высота 400 мм.
  • Вес 2700 кг.
  • Объем бетона 1,08 м3
  • Геометрический объем 0,956 м3
Цена: 24095 руб.
Подробнее
К 32а-13 т-31 (1.420-13)
Колонны Серия 1.420-13
  • Длина 5975 мм.
  • Ширина 400 мм.
  • Высота 400 мм.
  • Вес 2700 кг.
  • Объем бетона 1,08 м3
  • Геометрический объем 0,956 м3
Цена: 24095 руб.
Подробнее
К 32а-14 т-02 (1.420-13)
Колонны Серия 1.420-13
  • Длина 5975 мм.
  • Ширина 400 мм.
  • Высота 400 мм.
  • Вес 2700 кг.
  • Объем бетона 1,08 м3
  • Геометрический объем 0,956 м3
Цена: 24095 руб.
Подробнее
К 32а-14 т-31 (1.420-13)
Колонны Серия 1.420-13
  • Длина 5975 мм.
  • Ширина 400 мм.
  • Высота 400 мм.
  • Вес 2700 кг.
  • Объем бетона 1,08 м3
  • Геометрический объем 0,956 м3
Цена: 24095 руб.
Подробнее
К 32а-14 т-12 (1.420-13)
Колонны Серия 1.420-13
  • Длина 5975 мм.
  • Ширина 400 мм.
  • Высота 400 мм.
  • Вес 2700 кг.
  • Объем бетона 1,08 м3
  • Геометрический объем 0,956 м3
Цена: 24095 руб.
Подробнее
К 32а-15 т-01 (1.420-13)
Колонны Серия 1.420-13
  • Длина 5975 мм.
  • Ширина 400 мм.
  • Высота 400 мм.
  • Вес 2700 кг.
  • Объем бетона 1,08 м3
  • Геометрический объем 0,956 м3
Цена: 24095 руб.
Подробнее
К 32а-15 т-02 (1.420-13)
Колонны Серия 1.420-13
  • Длина 5975 мм.
  • Ширина 400 мм.
  • Высота 400 мм.
  • Вес 2700 кг.
  • Объем бетона 1,08 м3
  • Геометрический объем 0,956 м3
Цена: 24095 руб.
Подробнее
К 32а-14 т-11 (1.420-13)
Колонны Серия 1.420-13
  • Длина 5975 мм.
  • Ширина 400 мм.
  • Высота 400 мм.
  • Вес 2700 кг.
  • Объем бетона 1,08 м3
  • Геометрический объем 0,956 м3
Цена: 24095 руб.
Подробнее
К 32а-15 т-12 (1.420-13)
Колонны Серия 1.420-13
  • Длина 5975 мм.
  • Ширина 400 мм.
  • Высота 400 мм.
  • Вес 2700 кг.
  • Объем бетона 1,08 м3
  • Геометрический объем 0,956 м3
Цена: 24095 руб.
Подробнее
К 32а-15 т-11 (1.420-13)
Колонны Серия 1.420-13
  • Длина 5975 мм.
  • Ширина 400 мм.
  • Высота 400 мм.
  • Вес 2700 кг.
  • Объем бетона 1,08 м3
  • Геометрический объем 0,956 м3
Цена: 24095 руб.
Подробнее
К 32а-15 т-32 (1.420-13)
Колонны Серия 1.420-13
  • Длина 5975 мм.
  • Ширина 400 мм.
  • Высота 400 мм.
  • Вес 2700 кг.
  • Объем бетона 1,08 м3
  • Геометрический объем 0,956 м3
Цена: 24095 руб.
Подробнее
К 32а-15 т-22 (1.420-13)
Колонны Серия 1.420-13
  • Длина 5975 мм.
  • Ширина 400 мм.
  • Высота 400 мм.
  • Вес 2700 кг.
  • Объем бетона 1,08 м3
  • Геометрический объем 0,956 м3
Цена: 24095 руб.
Подробнее
К 32а-16 т-21 (1.420-13)
Колонны Серия 1.420-13
  • Длина 5975 мм.
  • Ширина 400 мм.
  • Высота 400 мм.
  • Вес 2700 кг.
  • Объем бетона 1,08 м3
  • Геометрический объем 0,956 м3
Цена: 24095 руб.
Подробнее
К 32а-8 т-01 (1.420-13)
Колонны Серия 1.420-13
  • Длина 5975 мм.
  • Ширина 400 мм.
  • Высота 400 мм.
  • Вес 2700 кг.
  • Объем бетона 1,08 м3
  • Геометрический объем 0,956 м3
Цена: 24095 руб.
Подробнее
К 32а-8 т-11 (1.420-13)
Колонны Серия 1.420-13
  • Длина 5975 мм.
  • Ширина 400 мм.
  • Высота 400 мм.
  • Вес 2700 кг.
  • Объем бетона 1,08 м3
  • Геометрический объем 0,956 м3
Цена: 24095 руб.
Подробнее
К 32а-8 т-21 (1.420-13)
Колонны Серия 1.420-13
  • Длина 5975 мм.
  • Ширина 400 мм.
  • Высота 400 мм.
  • Вес 2700 кг.
  • Объем бетона 1,08 м3
  • Геометрический объем 0,956 м3
Цена: 24095 руб.
Подробнее
К 32а-8 т-02 (1.420-13)
Колонны Серия 1.420-13
  • Длина 5975 мм.
  • Ширина 400 мм.
  • Высота 400 мм.
  • Вес 2700 кг.
  • Объем бетона 1,08 м3
  • Геометрический объем 0,956 м3
Цена: 24095 руб.
Подробнее
К 32а-8 т-12 (1.420-13)
Колонны Серия 1.420-13
  • Длина 5975 мм.
  • Ширина 400 мм.
  • Высота 400 мм.
  • Вес 2700 кг.
  • Объем бетона 1,08 м3
  • Геометрический объем 0,956 м3
Цена: 24095 руб.
Подробнее
К 32а-8 т-51 (1.420-13)
Колонны Серия 1.420-13
  • Длина 5975 мм.
  • Ширина 400 мм.
  • Высота 400 мм.
  • Вес 2700 кг.
  • Объем бетона 1,08 м3
  • Геометрический объем 0,956 м3
Цена: 24095 руб.
Подробнее
К 32а-8 т-31 (1.420-13)
Колонны Серия 1.420-13
  • Длина 5975 мм.
  • Ширина 400 мм.
  • Высота 400 мм.
  • Вес 2700 кг.
  • Объем бетона 1,08 м3
  • Геометрический объем 0,956 м3
Цена: 24095 руб.
Подробнее
К 32а-8 т-52 (1.420-13)
Колонны Серия 1.420-13
  • Длина 5975 мм.
  • Ширина 400 мм.
  • Высота 400 мм.
  • Вес 2700 кг.
  • Объем бетона 1,08 м3
  • Геометрический объем 0,956 м3
Цена: 24095 руб.
Подробнее
К 32а-8 т-61 (1.420-13)
Колонны Серия 1.420-13
  • Длина 5975 мм.
  • Ширина 400 мм.
  • Высота 400 мм.
  • Вес 2700 кг.
  • Объем бетона 1,08 м3
  • Геометрический объем 0,956 м3
Цена: 24095 руб.
Подробнее
К 32а-8 т-62 (1.420-13)
Колонны Серия 1.420-13
  • Длина 5975 мм.
  • Ширина 400 мм.
  • Высота 400 мм.
  • Вес 2700 кг.
  • Объем бетона 1,08 м3
  • Геометрический объем 0,956 м3
Цена: 24095 руб.
Подробнее
К 32а-9 т-01 (1.420-13)
Колонны Серия 1.420-13
  • Длина 5975 мм.
  • Ширина 400 мм.
  • Высота 400 мм.
  • Вес 2700 кг.
  • Объем бетона 1,08 м3
  • Геометрический объем 0,956 м3
Цена: 24095 руб.
Подробнее
К 32а-9 т-11 (1.420-13)
Колонны Серия 1.420-13
  • Длина 5975 мм.
  • Ширина 400 мм.
  • Высота 400 мм.
  • Вес 2700 кг.
  • Объем бетона 1,08 м3
  • Геометрический объем 0,956 м3
Цена: 24095 руб.
Подробнее
К 32а-9 т-02 (1.420-13)
Колонны Серия 1.420-13
  • Длина 5975 мм.
  • Ширина 400 мм.
  • Высота 400 мм.
  • Вес 2700 кг.
  • Объем бетона 1,08 м3
  • Геометрический объем 0,956 м3
Цена: 24095 руб.
Подробнее
К 32а-9 т-12 (1.420-13)
Колонны Серия 1.420-13
  • Длина 5975 мм.
  • Ширина 400 мм.
  • Высота 400 мм.
  • Вес 2700 кг.
  • Объем бетона 1,08 м3
  • Геометрический объем 0,956 м3
Цена: 24095 руб.
Подробнее
К 32а-9 т-21 (1.420-13)
Колонны Серия 1.420-13
  • Длина 5975 мм.
  • Ширина 400 мм.
  • Высота 400 мм.
  • Вес 2700 кг.
  • Объем бетона 1,08 м3
  • Геометрический объем 0,956 м3
Цена: 24095 руб.
Подробнее
К 32а-9 т-31 (1.420-13)
Колонны Серия 1.420-13
  • Длина 5975 мм.
  • Ширина 400 мм.
  • Высота 400 мм.
  • Вес 2700 кг.
  • Объем бетона 1,08 м3
  • Геометрический объем 0,956 м3
Цена: 24095 руб.
Подробнее

Уведомление о файлах cookie

Мы используем файлы cookie для улучшения вашего опыта просмотра и анализа трафика. Нажимая "Принять все", вы соглашаетесь с нашей политикой конфиденциальности и политикой обработки файлов cookie.

MAX Дзен Телеграм Вконтакте vk