mobile_sound +7 (930) 655-55-90

Типовые конструкции и железобетонные изделия. Рабочие чертежи (Серия 1.189.1-11)

Поделиться:
Поделиться:

Документ Серия 1.189.1-11 описывает область применения, номенклатуру и ключевые требования, опираясь на действующие нормы и практику проектирования. Серия 1.189.1-11 состоит из двух выпусков, и разрабатывалась институтом ЛенЗНИИЭП специально для освящения подробного процесса производства железобетонных элементов, используемых для обустройства шахт пассажирских лифтов. Нормативный документ был введён в действие в действие с 1990 года и применяется при строительстве многоэтажных жилых домов, в которых высота этажа составляет три метра, возводимых в нормальных условиях и на территориях вечномерзлых грунтов. изделия и конструкции рассчитаны на шахты под лифтовые коммуникации, чья грузоподъемность равна 400 кг, оборудованные противовесом, размещенным позади кабины и рассчитанных на передвижение лифта со скоростью 71 см и 1 м в секунду.

Файлы для скачивания:
picture_as_pdf

4491.pdf

13,062.6 KB

скачать
picture_as_pdf

4490.pdf

12,389.0 KB

скачать
Товары Серия 1.189.1-11 (14)
ШЛВ 7-40 (1.189.1-11)
Блоки шахт лифтов Серия 1.189.1-11
  • Длина 1930 мм.
  • Ширина 1780 мм.
  • Высота 730 мм.
  • Вес 1400 кг.
  • Объем бетона 0,55 м3
  • Геометрический объем 2,5078 м3
Цена: 21340 руб.
Подробнее
ШЛВ 7-40,1 (1.189.1-11)
Блоки шахт лифтов Серия 1.189.1-11
  • Длина 1930 мм.
  • Ширина 1780 мм.
  • Высота 730 мм.
  • Вес 1400 кг.
  • Объем бетона 0,55 м3
  • Геометрический объем 2,5078 м3
Цена: 21340 руб.
Подробнее
ШЛН 12-40 (1.189.1-11)
Блоки шахт лифтов Серия 1.189.1-11
  • Длина 1930 мм.
  • Ширина 1780 мм.
  • Высота 1210 мм.
  • Вес 2300 кг.
  • Объем бетона 0,9 м3
  • Геометрический объем 4,1568 м3
Цена: 34920 руб.
Подробнее
ШЛН 12-40,1 (1.189.1-11)
Блоки шахт лифтов Серия 1.189.1-11
  • Длина 1930 мм.
  • Ширина 1780 мм.
  • Высота 1210 мм.
  • Вес 2300 кг.
  • Объем бетона 0,9 м3
  • Геометрический объем 4,1568 м3
Цена: 34920 руб.
Подробнее
ШЛС 30-40 (1.189.1-11)
Блоки шахт лифтов Серия 1.189.1-11
  • Длина 1930 мм.
  • Ширина 1780 мм.
  • Высота 2980 мм.
  • Вес 5000 кг.
  • Объем бетона 1,99 м3
  • Геометрический объем 10,2375 м3
Цена: 77212 руб.
Подробнее
ШЛС 30-40,1 (1.189.1-11)
Блоки шахт лифтов Серия 1.189.1-11
  • Длина 1930 мм.
  • Ширина 1780 мм.
  • Высота 2980 мм.
  • Вес 5000 кг.
  • Объем бетона 1,99 м3
  • Геометрический объем 10,2375 м3
Цена: 77212 руб.
Подробнее
ПЛ 18-20-40 (1.189.1-11)
Плиты перекрытия шахт Серия 1.189.1-11
  • Длина 1930 мм.
  • Ширина 1780 мм.
  • Высота 200 мм.
  • Вес 1700 кг.
  • Объем бетона 0,69 м3
  • Геометрический объем 0,6871 м3
Цена: 26772 руб.
Подробнее
ПЛ 18-20-40,1 (1.189.1-11)
Плиты перекрытия шахт Серия 1.189.1-11
  • Длина 1930 мм.
  • Ширина 1780 мм.
  • Высота 200 мм.
  • Вес 1700 кг.
  • Объем бетона 0,69 м3
  • Геометрический объем 0,6871 м3
Цена: 26772 руб.
Подробнее
ПП 15-17-40,1 (1.189.1-11)
Плиты приямка Серия 1.189.1-11
  • Длина 1530 мм.
  • Ширина 1690 мм.
  • Высота 200 мм.
  • Вес 1300 кг.
  • Объем бетона 0,52 м3
  • Геометрический объем 0,5171 м3
Цена: 17654 руб.
Подробнее
ПП 15-17-40 (1.189.1-11)
Плиты приямка Серия 1.189.1-11
  • Длина 1530 мм.
  • Ширина 1690 мм.
  • Высота 200 мм.
  • Вес 1300 кг.
  • Объем бетона 0,52 м3
  • Геометрический объем 0,5171 м3
Цена: 17654 руб.
Подробнее
ПФ 18-20-40,1 (1.189.1-11)
Плиты фундамента Серия 1.189.1-11
  • Длина 1820 мм.
  • Ширина 1970 мм.
  • Высота 500 мм.
  • Вес 4500 кг.
  • Объем бетона 1,8 м3
  • Геометрический объем 1,7927 м3
Цена: 61110 руб.
Подробнее
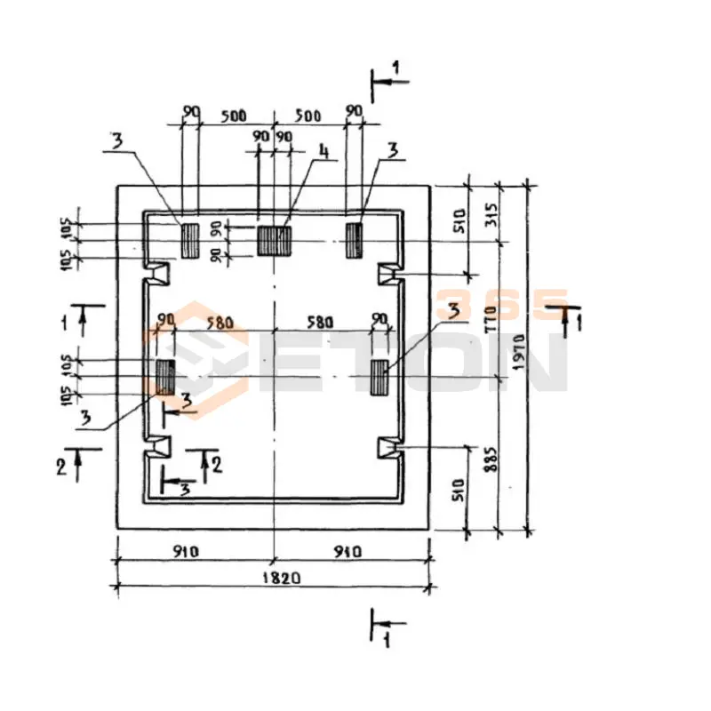
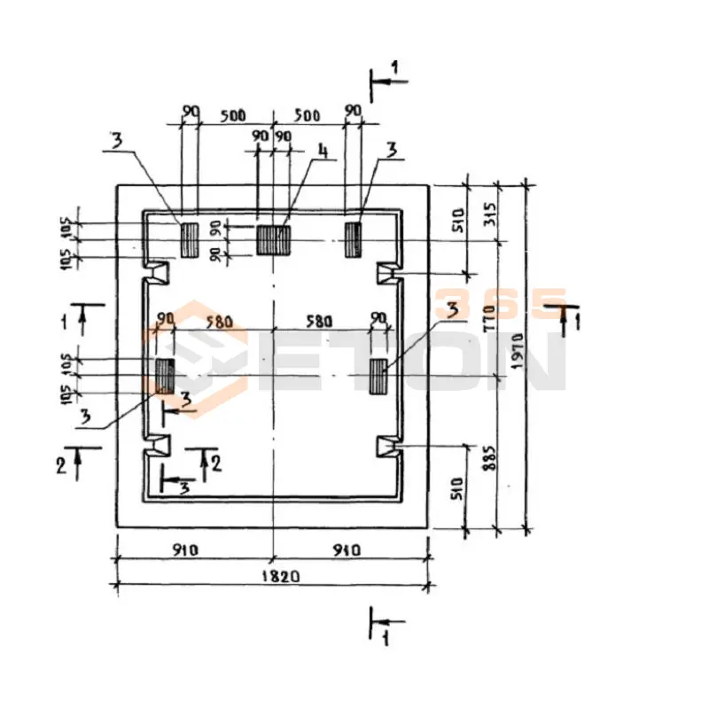
ПФ 18-20-40 (1.189.1-11)
Плиты фундамента Серия 1.189.1-11
  • Длина 1820 мм.
  • Ширина 1970 мм.
  • Высота 500 мм.
  • Вес 4500 кг.
  • Объем бетона 1,8 м3
  • Геометрический объем 1,7927 м3
Цена: 61110 руб.
Подробнее
ПФС 18-20-40 (1.189.1-11)
Плиты фундамента Серия 1.189.1-11
  • Длина 1820 мм.
  • Ширина 1970 мм.
  • Высота 500 мм.
  • Вес 2800 кг.
  • Объем бетона 1,07 м3
  • Геометрический объем 1,7927 м3
Цена: 36327 руб.
Подробнее
ПФС 18-20-40,1 (1.189.1-11)
Плиты фундамента Серия 1.189.1-11
  • Длина 1820 мм.
  • Ширина 1970 мм.
  • Высота 500 мм.
  • Вес 2800 кг.
  • Объем бетона 1,07 м3
  • Геометрический объем 1,7927 м3
Цена: 36327 руб.
Подробнее

Уведомление о файлах cookie

Мы используем файлы cookie для улучшения вашего опыта просмотра и анализа трафика. Нажимая "Принять все", вы соглашаетесь с нашей политикой конфиденциальности и политикой обработки файлов cookie.

MAX Дзен Телеграм Вконтакте vk