mobile_sound +7 (930) 655-55-90

Типовые конструкции и железобетонные изделия. Рабочие чертежи (Серия 1.132.1-12с)

Поделиться:
Поделиться:

Документ Серия 1.132.1-12с описывает область применения, номенклатуру и ключевые требования, опираясь на действующие нормы и практику проектирования. Нормативный документ Серия 1.132.1-12с был разработан институтом ЦНИИЭП жилища совместно с ЦНИИСК и введён в действие после утверждения в 1983 году. В составе регламента несколько выпусков, подразделяемых на части и описывающих максимально детально производство легкобетонных панелей для обустройства наружных стен, отличающихся однорядной разрезкой. изделия и конструкции разрабатывались для применения при строительстве жилых домов из крупных панелей с узким шагом (от 2,4 до 3,6 метров) при высоте этажа 2,8 метра.

Файлы для скачивания:
picture_as_pdf

4872.pdf

6,085.5 KB

скачать
picture_as_pdf

4873.pdf

5,916.5 KB

скачать
picture_as_pdf

4874.pdf

3,471.3 KB

скачать
picture_as_pdf

4875.pdf

6,950.3 KB

скачать
picture_as_pdf

4876.pdf

4,000.2 KB

скачать
picture_as_pdf

4877.pdf

12,506.2 KB

скачать
picture_as_pdf

4878.pdf

2,711.7 KB

скачать
picture_as_pdf

4879.pdf

7,363.6 KB

скачать
picture_as_pdf

4880.pdf

3,238.5 KB

скачать
picture_as_pdf

4881.pdf

3,322.9 KB

скачать
picture_as_pdf

4882.pdf

5,219.6 KB

скачать
picture_as_pdf

4883.pdf

6,225.8 KB

скачать
Товары Серия 1.132.1-12с (60)
СНР 5-28-29-3-2
Панели наружных стен Серия 1.132.1-12с
  • Длина 2800 мм.
  • Ширина 300 мм.
  • Высота 2870 мм.
  • Вес 3050 кг.
  • Объем бетона 1,482 м3
  • Геометрический объем 2,4108 м3
Цена: 50314 руб.
Подробнее
СНР 5-28-29-3-3
Панели наружных стен Серия 1.132.1-12с
  • Длина 2800 мм.
  • Ширина 300 мм.
  • Высота 2870 мм.
  • Вес 3000 кг.
  • Объем бетона 1,382 м3
  • Геометрический объем 2,4108 м3
Цена: 46919 руб.
Подробнее
СНР 5-28-29-3-7
Панели наружных стен Серия 1.132.1-12с
  • Длина 2800 мм.
  • Ширина 300 мм.
  • Высота 2870 мм.
  • Вес 3300 кг.
  • Объем бетона 1,637 м3
  • Геометрический объем 2,4108 м3
Цена: 55576 руб.
Подробнее
СНР 5-28-29-35-2
Панели наружных стен Серия 1.132.1-12с
  • Длина 2800 мм.
  • Ширина 350 мм.
  • Высота 2870 мм.
  • Вес 3550 кг.
  • Объем бетона 1,775 м3
  • Геометрический объем 2,8126 м3
Цена: 60261 руб.
Подробнее
СНР 5-28-29-35-3
Панели наружных стен Серия 1.132.1-12с
  • Длина 2800 мм.
  • Ширина 350 мм.
  • Высота 2870 мм.
  • Вес 3400 кг.
  • Объем бетона 1,685 м3
  • Геометрический объем 2,8126 м3
Цена: 57206 руб.
Подробнее
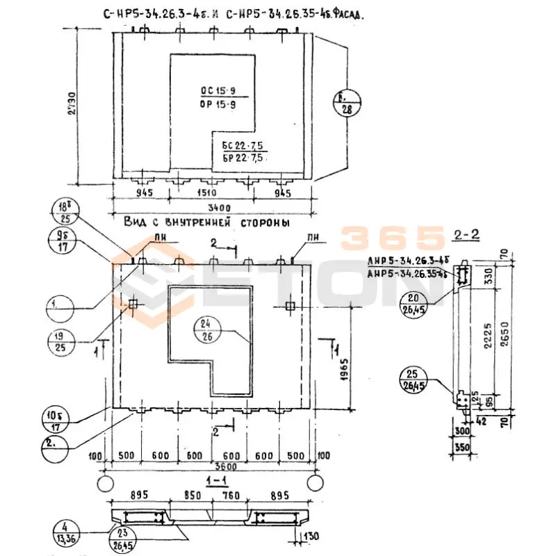
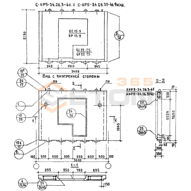
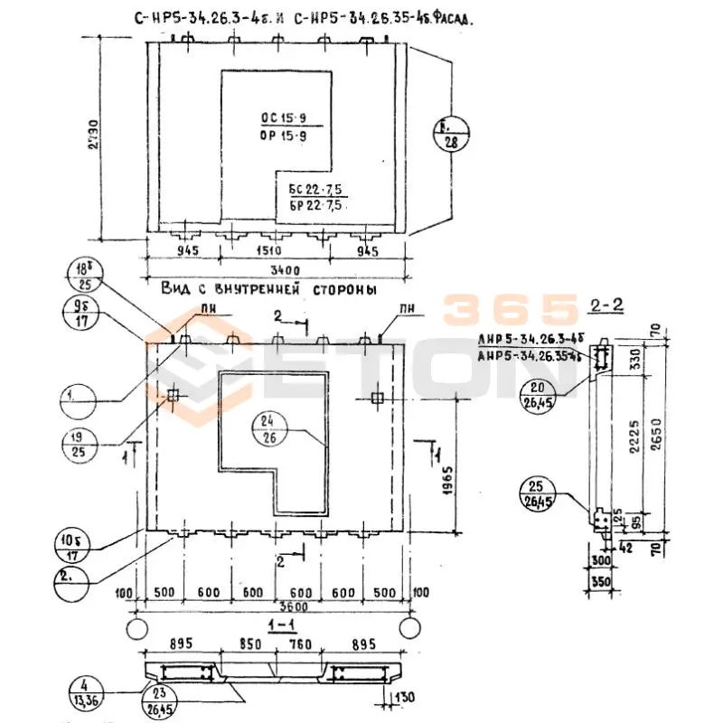
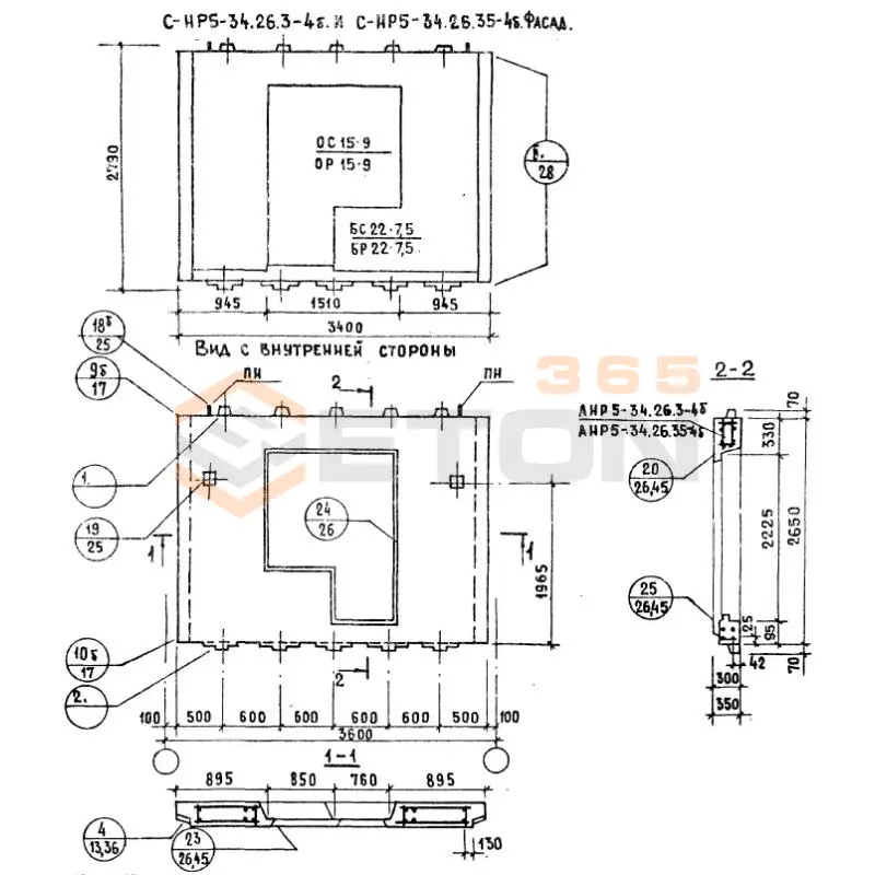
СНР 5-34-26-3-4б
Панели наружных стен Серия 1.132.1-12с
  • Длина 3400 мм.
  • Ширина 300 мм.
  • Высота 2790 мм.
  • Вес 3250 кг.
  • Объем бетона 1,614 м3
  • Геометрический объем 2,8458 м3
Цена: 54795 руб.
Подробнее
СНР 5-28-29-35-7
Панели наружных стен Серия 1.132.1-12с
  • Длина 2800 мм.
  • Ширина 350 мм.
  • Высота 2870 мм.
  • Вес 3850 кг.
  • Объем бетона 1,959 м3
  • Геометрический объем 2,8126 м3
Цена: 66508 руб.
Подробнее
СНР 5-34-26-3-6бл
Панели наружных стен Серия 1.132.1-12с
  • Длина 3400 мм.
  • Ширина 300 мм.
  • Высота 2790 мм.
  • Вес 2900 кг.
  • Объем бетона 1,37 м3
  • Геометрический объем 2,8458 м3
Цена: 46512 руб.
Подробнее
СНР 5-34-26-3-6б
Панели наружных стен Серия 1.132.1-12с
  • Длина 3400 мм.
  • Ширина 300 мм.
  • Высота 2790 мм.
  • Вес 2900 кг.
  • Объем бетона 1,37 м3
  • Геометрический объем 2,8458 м3
Цена: 46512 руб.
Подробнее
СНР 5-34-26-3-4бл
Панели наружных стен Серия 1.132.1-12с
  • Длина 3400 мм.
  • Ширина 300 мм.
  • Высота 2790 мм.
  • Вес 3250 кг.
  • Объем бетона 1,614 м3
  • Геометрический объем 2,8458 м3
Цена: 54795 руб.
Подробнее
СНР 5-34-26-35-4б
Панели наружных стен Серия 1.132.1-12с
  • Длина 3400 мм.
  • Ширина 350 мм.
  • Высота 2790 мм.
  • Вес 3800 кг.
  • Объем бетона 1,877 м3
  • Геометрический объем 3,3201 м3
Цена: 63724 руб.
Подробнее
СНР 5-34-26-35-6бл
Панели наружных стен Серия 1.132.1-12с
  • Длина 3400 мм.
  • Ширина 350 мм.
  • Высота 2790 мм.
  • Вес 3550 кг.
  • Объем бетона 1,696 м3
  • Геометрический объем 3,3201 м3
Цена: 57579 руб.
Подробнее
СНР 5-34-26-35-4бл
Панели наружных стен Серия 1.132.1-12с
  • Длина 3400 мм.
  • Ширина 350 мм.
  • Высота 2790 мм.
  • Вес 3800 кг.
  • Объем бетона 1,877 м3
  • Геометрический объем 3,3201 м3
Цена: 63724 руб.
Подробнее
СНР 5-34-26-35-6б
Панели наружных стен Серия 1.132.1-12с
  • Длина 3400 мм.
  • Ширина 350 мм.
  • Высота 2790 мм.
  • Вес 3550 кг.
  • Объем бетона 1,696 м3
  • Геометрический объем 3,3201 м3
Цена: 57579 руб.
Подробнее
СНР 5-34-29-3-3
Панели наружных стен Серия 1.132.1-12с
  • Длина 3400 мм.
  • Ширина 300 мм.
  • Высота 2870 мм.
  • Вес 3750 кг.
  • Объем бетона 1,876 м3
  • Геометрический объем 2,9274 м3
Цена: 63690 руб.
Подробнее
СНР 5-34-29-3-6
Панели наружных стен Серия 1.132.1-12с
  • Длина 3400 мм.
  • Ширина 300 мм.
  • Высота 2870 мм.
  • Вес 3150 кг.
  • Объем бетона 1,543 м3
  • Геометрический объем 2,9274 м3
Цена: 52385 руб.
Подробнее
СНР 5-34-29-35-3
Панели наружных стен Серия 1.132.1-12с
  • Длина 3400 мм.
  • Ширина 350 мм.
  • Высота 2870 мм.
  • Вес 4350 кг.
  • Объем бетона 2,186 м3
  • Геометрический объем 3,4153 м3
Цена: 74215 руб.
Подробнее
СНР 5-34-29-35-6
Панели наружных стен Серия 1.132.1-12с
  • Длина 3400 мм.
  • Ширина 350 мм.
  • Высота 2870 мм.
  • Вес 3650 кг.
  • Объем бетона 1,79 м3
  • Геометрический объем 3,4153 м3
Цена: 60771 руб.
Подробнее
СНР 5-58-26-3-3+4б-2
Панели наружных стен Серия 1.132.1-12с
  • Длина 5800 мм.
  • Ширина 300 мм.
  • Высота 2790 мм.
  • Вес 5500 кг.
  • Объем бетона 2,665 м3
  • Геометрический объем 4,8546 м3
Цена: 90477 руб.
Подробнее
СНР 5-58-26-3-4бл+3-2
Панели наружных стен Серия 1.132.1-12с
  • Длина 5800 мм.
  • Ширина 300 мм.
  • Высота 2790 мм.
  • Вес 5500 кг.
  • Объем бетона 2,665 м3
  • Геометрический объем 4,8546 м3
Цена: 90477 руб.
Подробнее
СНР 5-58-26-35-3+4б-2
Панели наружных стен Серия 1.132.1-12с
  • Длина 5800 мм.
  • Ширина 350 мм.
  • Высота 2790 мм.
  • Вес 6550 кг.
  • Объем бетона 3,242 м3
  • Геометрический объем 5,6637 м3
Цена: 110066 руб.
Подробнее
СНР 5-58-26-3-4бл+4б-2
Панели наружных стен Серия 1.132.1-12с
  • Длина 5800 мм.
  • Ширина 300 мм.
  • Высота 2790 мм.
  • Вес 5150 кг.
  • Объем бетона 2,423 м3
  • Геометрический объем 4,8546 м3
Цена: 82261 руб.
Подробнее
СНР 5-58-26-35-4бл+3-2
Панели наружных стен Серия 1.132.1-12с
  • Длина 5800 мм.
  • Ширина 350 мм.
  • Высота 2790 мм.
  • Вес 6550 кг.
  • Объем бетона 3,242 м3
  • Геометрический объем 5,6637 м3
Цена: 110066 руб.
Подробнее
СНР 5-58-26-35-4бл+4б-2
Панели наружных стен Серия 1.132.1-12с
  • Длина 5800 мм.
  • Ширина 350 мм.
  • Высота 2790 мм.
  • Вес 5900 кг.
  • Объем бетона 2,955 м3
  • Геометрический объем 5,6637 м3
Цена: 100322 руб.
Подробнее
СНР 5-58-29-3-3+4б-2
Панели наружных стен Серия 1.132.1-12с
  • Длина 5800 мм.
  • Ширина 300 мм.
  • Высота 2870 мм.
  • Вес 5600 кг.
  • Объем бетона 2,719 м3
  • Геометрический объем 4,9938 м3
Цена: 92310 руб.
Подробнее
СНР 5-58-29-3-4бл+3-2
Панели наружных стен Серия 1.132.1-12с
  • Длина 5800 мм.
  • Ширина 300 мм.
  • Высота 2870 мм.
  • Вес 5600 кг.
  • Объем бетона 2,719 м3
  • Геометрический объем 4,9938 м3
Цена: 92310 руб.
Подробнее
СНР 5-58-29-3+3-2
Панели наружных стен Серия 1.132.1-12с
  • Длина 5800 мм.
  • Ширина 300 мм.
  • Высота 2870 мм.
  • Вес 6100 кг.
  • Объем бетона 3,007 м3
  • Геометрический объем 4,9938 м3
Цена: 102088 руб.
Подробнее
СНР 5-58-29-35-3+3-2
Панели наружных стен Серия 1.132.1-12с
  • Длина 5800 мм.
  • Ширина 350 мм.
  • Высота 2870 мм.
  • Вес 6900 кг.
  • Объем бетона 3,518 м3
  • Геометрический объем 5,8261 м3
Цена: 119436 руб.
Подробнее
СНР 5-58-29-35-3+4б-2
Панели наружных стен Серия 1.132.1-12с
  • Длина 5800 мм.
  • Ширина 350 мм.
  • Высота 2870 мм.
  • Вес 6550 кг.
  • Объем бетона 3,24 м3
  • Геометрический объем 5,8261 м3
Цена: 109998 руб.
Подробнее
СНР 5-58-29-35-4бл+3-2
Панели наружных стен Серия 1.132.1-12с
  • Длина 5800 мм.
  • Ширина 350 мм.
  • Высота 2870 мм.
  • Вес 6550 кг.
  • Объем бетона 3,24 м3
  • Геометрический объем 5,8261 м3
Цена: 109998 руб.
Подробнее
СНР 5-58-29-3-7+7-2
Панели наружных стен Серия 1.132.1-12с
  • Длина 5800 мм.
  • Ширина 300 мм.
  • Высота 2870 мм.
  • Вес 6900 кг.
  • Объем бетона 3,458 м3
  • Геометрический объем 4,9938 м3
Цена: 117399 руб.
Подробнее
СНР 5-58-29-35-7+7-2
Панели наружных стен Серия 1.132.1-12с
  • Длина 5800 мм.
  • Ширина 350 мм.
  • Высота 2870 мм.
  • Вес 7300 кг.
  • Объем бетона 3,999 м3
  • Геометрический объем 5,8261 м3
Цена: 135766 руб.
Подробнее
СНР 5-64-26-3-3+4б-2
Панели наружных стен Серия 1.132.1-12с
  • Длина 6400 мм.
  • Ширина 300 мм.
  • Высота 2790 мм.
  • Вес 6350 кг.
  • Объем бетона 3,139 м3
  • Геометрический объем 5,3568 м3
Цена: 106569 руб.
Подробнее
СНР 5-64-26-3-3+4б-3
Панели наружных стен Серия 1.132.1-12с
  • Длина 6400 мм.
  • Ширина 300 мм.
  • Высота 2790 мм.
  • Вес 6350 кг.
  • Объем бетона 3,139 м3
  • Геометрический объем 5,3568 м3
Цена: 106569 руб.
Подробнее
СНР 5-64-26-3-3+6б-2
Панели наружных стен Серия 1.132.1-12с
  • Длина 6400 мм.
  • Ширина 300 мм.
  • Высота 2790 мм.
  • Вес 6050 кг.
  • Объем бетона 2,946 м3
  • Геометрический объем 5,3568 м3
Цена: 100017 руб.
Подробнее
СНР 5-64-26-3-4бл+4б-2
Панели наружных стен Серия 1.132.1-12с
  • Длина 6400 мм.
  • Ширина 300 мм.
  • Высота 2790 мм.
  • Вес 6450 кг.
  • Объем бетона 2,864 м3
  • Геометрический объем 5,3568 м3
Цена: 97233 руб.
Подробнее
СНР 5-64-26-3-4бл+3-2
Панели наружных стен Серия 1.132.1-12с
  • Длина 6400 мм.
  • Ширина 300 мм.
  • Высота 2790 мм.
  • Вес 6350 кг.
  • Объем бетона 3,139 м3
  • Геометрический объем 5,3568 м3
Цена: 106569 руб.
Подробнее
СНР 5-64-26-3-4бл+3-3
Панели наружных стен Серия 1.132.1-12с
  • Длина 6400 мм.
  • Ширина 300 мм.
  • Высота 2790 мм.
  • Вес 6350 кг.
  • Объем бетона 3,139 м3
  • Геометрический объем 5,3568 м3
Цена: 106569 руб.
Подробнее
СНР 5-64-26-3-4бл+4б-3
Панели наружных стен Серия 1.132.1-12с
  • Длина 6400 мм.
  • Ширина 300 мм.
  • Высота 2790 мм.
  • Вес 6450 кг.
  • Объем бетона 2,864 м3
  • Геометрический объем 5,3568 м3
Цена: 97233 руб.
Подробнее
СНР 5-64-26-3-4бл+6б-2
Панели наружных стен Серия 1.132.1-12с
  • Длина 6400 мм.
  • Ширина 300 мм.
  • Высота 2790 мм.
  • Вес 5550 кг.
  • Объем бетона 2,656 м3
  • Геометрический объем 5,3568 м3
Цена: 90171 руб.
Подробнее
СНР 5-64-26-3-6бл+3-3
Панели наружных стен Серия 1.132.1-12с
  • Длина 6400 мм.
  • Ширина 300 мм.
  • Высота 2790 мм.
  • Вес 6050 кг.
  • Объем бетона 2,946 м3
  • Геометрический объем 5,3568 м3
Цена: 100017 руб.
Подробнее
СНР 5-64-26-35-3+4б-2
Панели наружных стен Серия 1.132.1-12с
  • Длина 6400 мм.
  • Ширина 350 мм.
  • Высота 2790 мм.
  • Вес 7400 кг.
  • Объем бетона 3,844 м3
  • Геометрический объем 6,2496 м3
Цена: 130504 руб.
Подробнее
СНР 5-64-26-3-6бл+4б-3
Панели наружных стен Серия 1.132.1-12с
  • Длина 6400 мм.
  • Ширина 300 мм.
  • Высота 2790 мм.
  • Вес 5550 кг.
  • Объем бетона 2,656 м3
  • Геометрический объем 5,3568 м3
Цена: 90171 руб.
Подробнее
СНР 5-64-26-35-3+4б-3
Панели наружных стен Серия 1.132.1-12с
  • Длина 6400 мм.
  • Ширина 350 мм.
  • Высота 2790 мм.
  • Вес 7400 кг.
  • Объем бетона 3,844 м3
  • Геометрический объем 6,2496 м3
Цена: 130504 руб.
Подробнее
СНР 5-64-26-35-3+6б-2
Панели наружных стен Серия 1.132.1-12с
  • Длина 6400 мм.
  • Ширина 350 мм.
  • Высота 2790 мм.
  • Вес 7050 кг.
  • Объем бетона 3,512 м3
  • Геометрический объем 6,2496 м3
Цена: 119232 руб.
Подробнее
СНР 5-64-26-35-4бл+3-2
Панели наружных стен Серия 1.132.1-12с
  • Длина 6400 мм.
  • Ширина 350 мм.
  • Высота 2790 мм.
  • Вес 7400 кг.
  • Объем бетона 3,844 м3
  • Геометрический объем 6,2496 м3
Цена: 130504 руб.
Подробнее
СНР 5-64-26-35-4бл+3-3
Панели наружных стен Серия 1.132.1-12с
  • Длина 6400 мм.
  • Ширина 350 мм.
  • Высота 2790 мм.
  • Вес 7400 кг.
  • Объем бетона 3,844 м3
  • Геометрический объем 6,2496 м3
Цена: 130504 руб.
Подробнее
СНР 5-64-26-35-4бл+4б-3
Панели наружных стен Серия 1.132.1-12с
  • Длина 6400 мм.
  • Ширина 350 мм.
  • Высота 2790 мм.
  • Вес 6950 кг.
  • Объем бетона 3,472 м3
  • Геометрический объем 6,2496 м3
Цена: 117874 руб.
Подробнее
СНР 5-64-26-35-4бл+6б-2
Панели наружных стен Серия 1.132.1-12с
  • Длина 6400 мм.
  • Ширина 350 мм.
  • Высота 2790 мм.
  • Вес 7350 кг.
  • Объем бетона 3,224 м3
  • Геометрический объем 6,2496 м3
Цена: 109455 руб.
Подробнее
СНР 5-64-26-35-6бл+4б-3
Панели наружных стен Серия 1.132.1-12с
  • Длина 6400 мм.
  • Ширина 350 мм.
  • Высота 2790 мм.
  • Вес 7350 кг.
  • Объем бетона 3,224 м3
  • Геометрический объем 6,2496 м3
Цена: 109455 руб.
Подробнее
СНР 5-64-26-35-6бл+3-3
Панели наружных стен Серия 1.132.1-12с
  • Длина 6400 мм.
  • Ширина 350 мм.
  • Высота 2790 мм.
  • Вес 7050 кг.
  • Объем бетона 1,512 м3
  • Геометрический объем 6,2496 м3
Цена: 51332 руб.
Подробнее
СНР 5-64-26-35-4бл+4б-2
Панели наружных стен Серия 1.132.1-12с
  • Длина 6400 мм.
  • Ширина 350 мм.
  • Высота 2790 мм.
  • Вес 6950 кг.
  • Объем бетона 3,472 м3
  • Геометрический объем 6,2496 м3
Цена: 117874 руб.
Подробнее
СНР 5-64-29-3-3+3-2
Панели наружных стен Серия 1.132.1-12с
  • Длина 6400 мм.
  • Ширина 300 мм.
  • Высота 2870 мм.
  • Вес 6900 кг.
  • Объем бетона 3,456 м3
  • Геометрический объем 5,5104 м3
Цена: 117331 руб.
Подробнее
СНР 5-64-29-3-3+3-3
Панели наружных стен Серия 1.132.1-12с
  • Длина 6400 мм.
  • Ширина 300 мм.
  • Высота 2870 мм.
  • Вес 6900 кг.
  • Объем бетона 3,456 м3
  • Геометрический объем 5,5104 м3
Цена: 117331 руб.
Подробнее
СНР 5-64-29-3-3+4б-2
Панели наружных стен Серия 1.132.1-12с
  • Длина 6400 мм.
  • Ширина 300 мм.
  • Высота 2870 мм.
  • Вес 6450 кг.
  • Объем бетона 3,159 м3
  • Геометрический объем 5,5104 м3
Цена: 107248 руб.
Подробнее
СНР 5-64-29-3-3+6б-2
Панели наружных стен Серия 1.132.1-12с
  • Длина 6400 мм.
  • Ширина 300 мм.
  • Высота 2870 мм.
  • Вес 6000 кг.
  • Объем бетона 2,952 м3
  • Геометрический объем 5,5104 м3
Цена: 100220 руб.
Подробнее
СНР 5-64-29-3-3+4б-3
Панели наружных стен Серия 1.132.1-12с
  • Длина 6400 мм.
  • Ширина 300 мм.
  • Высота 2870 мм.
  • Вес 6450 кг.
  • Объем бетона 3,168 м3
  • Геометрический объем 5,5104 м3
Цена: 107554 руб.
Подробнее
СНР 5-64-29-3-3+6-2
Панели наружных стен Серия 1.132.1-12с
  • Длина 6400 мм.
  • Ширина 300 мм.
  • Высота 2870 мм.
  • Вес 6400 кг.
  • Объем бетона 3,153 м3
  • Геометрический объем 5,5104 м3
Цена: 107044 руб.
Подробнее
СНР 5-64-29-3-4бл+3-2
Панели наружных стен Серия 1.132.1-12с
  • Длина 6400 мм.
  • Ширина 300 мм.
  • Высота 2870 мм.
  • Вес 6450 кг.
  • Объем бетона 3,168 м3
  • Геометрический объем 5,5104 м3
Цена: 107554 руб.
Подробнее
СНР 5-64-29-3-6+3-3
Панели наружных стен Серия 1.132.1-12с
  • Длина 6400 мм.
  • Ширина 300 мм.
  • Высота 2870 мм.
  • Вес 6400 кг.
  • Объем бетона 3,153 м3
  • Геометрический объем 5,5104 м3
Цена: 107044 руб.
Подробнее

Уведомление о файлах cookie

Мы используем файлы cookie для улучшения вашего опыта просмотра и анализа трафика. Нажимая "Принять все", вы соглашаетесь с нашей политикой конфиденциальности и политикой обработки файлов cookie.

Дзен Телеграм Вконтакте vk