mobile_sound +7 (930) 655-55-90

Типовые конструкции и железобетонные изделия. Рабочие чертежи (Серия 1.132.1-12с)

Поделиться:
Поделиться:

Документ Серия 1.132.1-12с описывает область применения, номенклатуру и ключевые требования, опираясь на действующие нормы и практику проектирования. Нормативный документ Серия 1.132.1-12с был разработан институтом ЦНИИЭП жилища совместно с ЦНИИСК и введён в действие после утверждения в 1983 году. В составе регламента несколько выпусков, подразделяемых на части и описывающих максимально детально производство легкобетонных панелей для обустройства наружных стен, отличающихся однорядной разрезкой. изделия и конструкции разрабатывались для применения при строительстве жилых домов из крупных панелей с узким шагом (от 2,4 до 3,6 метров) при высоте этажа 2,8 метра.

Файлы для скачивания:
picture_as_pdf

4872.pdf

6,085.5 KB

скачать
picture_as_pdf

4873.pdf

5,916.5 KB

скачать
picture_as_pdf

4874.pdf

3,471.3 KB

скачать
picture_as_pdf

4875.pdf

6,950.3 KB

скачать
picture_as_pdf

4876.pdf

4,000.2 KB

скачать
picture_as_pdf

4877.pdf

12,506.2 KB

скачать
picture_as_pdf

4878.pdf

2,711.7 KB

скачать
picture_as_pdf

4879.pdf

7,363.6 KB

скачать
picture_as_pdf

4880.pdf

3,238.5 KB

скачать
picture_as_pdf

4881.pdf

3,322.9 KB

скачать
picture_as_pdf

4882.pdf

5,219.6 KB

скачать
picture_as_pdf

4883.pdf

6,225.8 KB

скачать
Товары Серия 1.132.1-12с (60)
СНР 4л-35-29-3-3
Панели наружных стен Серия 1.132.1-12с
  • Длина 3495 мм.
  • Ширина 300 мм.
  • Высота 2870 мм.
  • Вес 3950 кг.
  • Объем бетона 1,995 м3
  • Геометрический объем 3,0092 м3
Цена: 67730 руб.
Подробнее
СНР 4л-35-29-35-6
Панели наружных стен Серия 1.132.1-12с
  • Длина 3495 мм.
  • Ширина 350 мм.
  • Высота 2870 мм.
  • Вес 3850 кг.
  • Объем бетона 1,889 м3
  • Геометрический объем 3,5107 м3
Цена: 64132 руб.
Подробнее
СНР 4л-59-26-3-3+4б-2
Панели наружных стен Серия 1.132.1-12с
  • Длина 5895 мм.
  • Ширина 300 мм.
  • Высота 2790 мм.
  • Вес 5550 кг.
  • Объем бетона 2,739 м3
  • Геометрический объем 4,9341 м3
Цена: 92989 руб.
Подробнее
СНР 4л-35-29-35-3
Панели наружных стен Серия 1.132.1-12с
  • Длина 3495 мм.
  • Ширина 350 мм.
  • Высота 2870 мм.
  • Вес 4500 кг.
  • Объем бетона 2,285 м3
  • Геометрический объем 3,5107 м3
Цена: 77576 руб.
Подробнее
СНР 4л-35-29-3-6
Панели наружных стен Серия 1.132.1-12с
  • Длина 3495 мм.
  • Ширина 300 мм.
  • Высота 2870 мм.
  • Вес 3450 кг.
  • Объем бетона 1,662 м3
  • Геометрический объем 3,0092 м3
Цена: 56425 руб.
Подробнее
СНР 4л-59-26-3-4бл+4б-2
Панели наружных стен Серия 1.132.1-12с
  • Длина 5895 мм.
  • Ширина 300 мм.
  • Высота 2790 мм.
  • Вес 5200 кг.
  • Объем бетона 2,497 м3
  • Геометрический объем 4,9341 м3
Цена: 84773 руб.
Подробнее
СНР 4л-59-26-3-4бл+3-2
Панели наружных стен Серия 1.132.1-12с
  • Длина 5895 мм.
  • Ширина 300 мм.
  • Высота 2790 мм.
  • Вес 5550 кг.
  • Объем бетона 2,739 м3
  • Геометрический объем 4,9341 м3
Цена: 92989 руб.
Подробнее
СНР 4л-59-26-35-3+4б-2
Панели наружных стен Серия 1.132.1-12с
  • Длина 5895 мм.
  • Ширина 350 мм.
  • Высота 2790 мм.
  • Вес 6800 кг.
  • Объем бетона 3,322 м3
  • Геометрический объем 5,7565 м3
Цена: 112782 руб.
Подробнее
СНР 4л-59-26-35-4бл+4б-2
Панели наружных стен Серия 1.132.1-12с
  • Длина 5895 мм.
  • Ширина 350 мм.
  • Высота 2790 мм.
  • Вес 6150 кг.
  • Объем бетона 3,035 м3
  • Геометрический объем 5,7565 м3
Цена: 103038 руб.
Подробнее
СНР 4л-59-26-35-4бл+3-2
Панели наружных стен Серия 1.132.1-12с
  • Длина 5895 мм.
  • Ширина 350 мм.
  • Высота 2790 мм.
  • Вес 6650 кг.
  • Объем бетона 3,322 м3
  • Геометрический объем 5,7565 м3
Цена: 112782 руб.
Подробнее
СНР 4л-59-29-3-3+3-2
Панели наружных стен Серия 1.132.1-12с
  • Длина 5895 мм.
  • Ширина 300 мм.
  • Высота 2870 мм.
  • Вес 6250 кг.
  • Объем бетона 3,091 м3
  • Геометрический объем 5,0756 м3
Цена: 104939 руб.
Подробнее
СНР 4л-59-29-3-4бл+3-2
Панели наружных стен Серия 1.132.1-12с
  • Длина 5895 мм.
  • Ширина 300 мм.
  • Высота 2870 мм.
  • Вес 5650 кг.
  • Объем бетона 2,791 м3
  • Геометрический объем 5,0756 м3
Цена: 94754 руб.
Подробнее
СНР 4л-59-29-3+3+4б-2
Панели наружных стен Серия 1.132.1-12с
  • Длина 5895 мм.
  • Ширина 300 мм.
  • Высота 2870 мм.
  • Вес 5650 кг.
  • Объем бетона 2,791 м3
  • Геометрический объем 5,0756 м3
Цена: 94754 руб.
Подробнее
СНР 4л-59-29-3-7+7-2
Панели наружных стен Серия 1.132.1-12с
  • Длина 5895 мм.
  • Ширина 300 мм.
  • Высота 2870 мм.
  • Вес 7000 кг.
  • Объем бетона 3,542 м3
  • Геометрический объем 5,0756 м3
Цена: 120251 руб.
Подробнее
СНР 4л-59-29-35-3+3-2
Панели наружных стен Серия 1.132.1-12с
  • Длина 5895 мм.
  • Ширина 350 мм.
  • Высота 2870 мм.
  • Вес 7150 кг.
  • Объем бетона 3,609 м3
  • Геометрический объем 5,9215 м3
Цена: 122526 руб.
Подробнее
СНР 4л-59-29-35-4бл+3-2
Панели наружных стен Серия 1.132.1-12с
  • Длина 5895 мм.
  • Ширина 350 мм.
  • Высота 2870 мм.
  • Вес 6700 кг.
  • Объем бетона 3,32 м3
  • Геометрический объем 5,9215 м3
Цена: 112714 руб.
Подробнее
СНР 4л-65-26-3-3+4б-2
Панели наружных стен Серия 1.132.1-12с
  • Длина 6495 мм.
  • Ширина 300 мм.
  • Высота 2790 мм.
  • Вес 6450 кг.
  • Объем бетона 3,178 м3
  • Геометрический объем 5,4363 м3
Цена: 107893 руб.
Подробнее
СНР 4л-59-29-35-3+4б-2
Панели наружных стен Серия 1.132.1-12с
  • Длина 5895 мм.
  • Ширина 350 мм.
  • Высота 2870 мм.
  • Вес 6700 кг.
  • Объем бетона 3,32 м3
  • Геометрический объем 5,9215 м3
Цена: 112714 руб.
Подробнее
СНР 4л-65-26-3-3+4б-3
Панели наружных стен Серия 1.132.1-12с
  • Длина 6495 мм.
  • Ширина 300 мм.
  • Высота 2790 мм.
  • Вес 6450 кг.
  • Объем бетона 3,178 м3
  • Геометрический объем 5,4363 м3
Цена: 107893 руб.
Подробнее
СНР 4л-65-26-3-4бл+3-2
Панели наружных стен Серия 1.132.1-12с
  • Длина 6495 мм.
  • Ширина 300 мм.
  • Высота 2790 мм.
  • Вес 6450 кг.
  • Объем бетона 3,178 м3
  • Геометрический объем 5,4363 м3
Цена: 107893 руб.
Подробнее
СНР 4л-59-29-35-7+7-2
Панели наружных стен Серия 1.132.1-12с
  • Длина 5895 мм.
  • Ширина 350 мм.
  • Высота 2870 мм.
  • Вес 7100 кг.
  • Объем бетона 4,138 м3
  • Геометрический объем 5,9215 м3
Цена: 140485 руб.
Подробнее
СНР 4л-65-26-3-4бл+3-3
Панели наружных стен Серия 1.132.1-12с
  • Длина 6495 мм.
  • Ширина 300 мм.
  • Высота 2790 мм.
  • Вес 6450 кг.
  • Объем бетона 3,178 м3
  • Геометрический объем 5,4363 м3
Цена: 107893 руб.
Подробнее
СНР 4л-65-26-3-4бл+4б-2
Панели наружных стен Серия 1.132.1-12с
  • Длина 6495 мм.
  • Ширина 300 мм.
  • Высота 2790 мм.
  • Вес 6050 кг.
  • Объем бетона 2,937 м3
  • Геометрический объем 5,4363 м3
Цена: 99711 руб.
Подробнее
СНР 4л-65-26-3-4бл+4б-3
Панели наружных стен Серия 1.132.1-12с
  • Длина 6495 мм.
  • Ширина 300 мм.
  • Высота 2790 мм.
  • Вес 6050 кг.
  • Объем бетона 2,937 м3
  • Геометрический объем 5,4363 м3
Цена: 99711 руб.
Подробнее
СНР 4л-65-26-3-6бл+3-3
Панели наружных стен Серия 1.132.1-12с
  • Длина 6495 мм.
  • Ширина 300 мм.
  • Высота 2790 мм.
  • Вес 6150 кг.
  • Объем бетона 3,019 м3
  • Геометрический объем 5,4363 м3
Цена: 102495 руб.
Подробнее
СНР 4л-65-26-3-6бл+4б-3
Панели наружных стен Серия 1.132.1-12с
  • Длина 6495 мм.
  • Ширина 300 мм.
  • Высота 2790 мм.
  • Вес 5700 кг.
  • Объем бетона 2,729 м3
  • Геометрический объем 5,4363 м3
Цена: 92650 руб.
Подробнее
СНР 4л-65-26-3-4бл+6б-2
Панели наружных стен Серия 1.132.1-12с
  • Длина 6495 мм.
  • Ширина 300 мм.
  • Высота 2790 мм.
  • Вес 5700 кг.
  • Объем бетона 2,729 м3
  • Геометрический объем 5,4363 м3
Цена: 92650 руб.
Подробнее
СНР 4л-65-26-3+6б-2
Панели наружных стен Серия 1.132.1-12с
  • Длина 6495 мм.
  • Ширина 300 мм.
  • Высота 2790 мм.
  • Вес 6150 кг.
  • Объем бетона 3,019 м3
  • Геометрический объем 5,4363 м3
Цена: 102495 руб.
Подробнее
СНР 4л-65-26-35-3+4б-2
Панели наружных стен Серия 1.132.1-12с
  • Длина 6495 мм.
  • Ширина 350 мм.
  • Высота 2790 мм.
  • Вес 7400 кг.
  • Объем бетона 3,841 м3
  • Геометрический объем 6,3424 м3
Цена: 130402 руб.
Подробнее
СНР 4л-65-26-35-3+4б-3
Панели наружных стен Серия 1.132.1-12с
  • Длина 6495 мм.
  • Ширина 350 мм.
  • Высота 2790 мм.
  • Вес 7400 кг.
  • Объем бетона 3,841 м3
  • Геометрический объем 6,3424 м3
Цена: 130402 руб.
Подробнее
СНР 4л-65-26-35-4бл+4б-3
Панели наружных стен Серия 1.132.1-12с
  • Длина 6495 мм.
  • Ширина 350 мм.
  • Высота 2790 мм.
  • Вес 7250 кг.
  • Объем бетона 3,641 м3
  • Геометрический объем 6,3424 м3
Цена: 123612 руб.
Подробнее
СНР 4л-65-26-35-3+6б-2
Панели наружных стен Серия 1.132.1-12с
  • Длина 6495 мм.
  • Ширина 350 мм.
  • Высота 2790 мм.
  • Вес 7100 кг.
  • Объем бетона 3,6 м3
  • Геометрический объем 6,3424 м3
Цена: 122220 руб.
Подробнее
СНР 4л-65-26-35-4бл+3-2
Панели наружных стен Серия 1.132.1-12с
  • Длина 6495 мм.
  • Ширина 350 мм.
  • Высота 2790 мм.
  • Вес 7400 кг.
  • Объем бетона 3,841 м3
  • Геометрический объем 6,3424 м3
Цена: 130402 руб.
Подробнее
СНР 4л-65-26-35-4бл+6б-2
Панели наружных стен Серия 1.132.1-12с
  • Длина 6495 мм.
  • Ширина 350 мм.
  • Высота 2790 мм.
  • Вес 6750 кг.
  • Объем бетона 3,312 м3
  • Геометрический объем 6,3424 м3
Цена: 112442 руб.
Подробнее
СНР 4л-65-26-35-4бл+4б-2
Панели наружных стен Серия 1.132.1-12с
  • Длина 6495 мм.
  • Ширина 350 мм.
  • Высота 2790 мм.
  • Вес 7250 кг.
  • Объем бетона 3,641 м3
  • Геометрический объем 6,3424 м3
Цена: 123612 руб.
Подробнее
СНР 4л-65-26-35-6бл+4б-3
Панели наружных стен Серия 1.132.1-12с
  • Длина 6495 мм.
  • Ширина 350 мм.
  • Высота 2790 мм.
  • Вес 6750 кг.
  • Объем бетона 3,312 м3
  • Геометрический объем 6,3424 м3
Цена: 112442 руб.
Подробнее
СНР 4л-65-29-3-3+3-2
Панели наружных стен Серия 1.132.1-12с
  • Длина 6495 мм.
  • Ширина 300 мм.
  • Высота 2870 мм.
  • Вес 7150 кг.
  • Объем бетона 3,539 м3
  • Геометрический объем 5,5922 м3
Цена: 120149 руб.
Подробнее
СНР 4л-65-29-3-3+4б-2
Панели наружных стен Серия 1.132.1-12с
  • Длина 6495 мм.
  • Ширина 300 мм.
  • Высота 2870 мм.
  • Вес 6550 кг.
  • Объем бетона 3,232 м3
  • Геометрический объем 5,5922 м3
Цена: 109726 руб.
Подробнее
СНР 4л-65-29-3-3+6-2
Панели наружных стен Серия 1.132.1-12с
  • Длина 6495 мм.
  • Ширина 300 мм.
  • Высота 2870 мм.
  • Вес 6600 кг.
  • Объем бетона 3,236 м3
  • Геометрический объем 5,5922 м3
Цена: 109862 руб.
Подробнее
СНР 4л-65-29-3-3+6б-2
Панели наружных стен Серия 1.132.1-12с
  • Длина 6495 мм.
  • Ширина 300 мм.
  • Высота 2870 мм.
  • Вес 6150 кг.
  • Объем бетона 3,025 м3
  • Геометрический объем 5,5922 м3
Цена: 102699 руб.
Подробнее
СНР 4л-65-29-3-3+4б-3
Панели наружных стен Серия 1.132.1-12с
  • Длина 6495 мм.
  • Ширина 300 мм.
  • Высота 2870 мм.
  • Вес 6550 кг.
  • Объем бетона 3,241 м3
  • Геометрический объем 5,5922 м3
Цена: 110032 руб.
Подробнее
СНР 4л-65-29-3-4бл+3-2
Панели наружных стен Серия 1.132.1-12с
  • Длина 6495 мм.
  • Ширина 300 мм.
  • Высота 2870 мм.
  • Вес 6550 кг.
  • Объем бетона 3,241 м3
  • Геометрический объем 5,5922 м3
Цена: 110032 руб.
Подробнее
СНР 4л-65-29-3-4бл+3-3
Панели наружных стен Серия 1.132.1-12с
  • Длина 6495 мм.
  • Ширина 300 мм.
  • Высота 2870 мм.
  • Вес 6550 кг.
  • Объем бетона 3,232 м3
  • Геометрический объем 5,5922 м3
Цена: 109726 руб.
Подробнее
СНР 4л-65-29-3+3-3
Панели наружных стен Серия 1.132.1-12с
  • Длина 6495 мм.
  • Ширина 300 мм.
  • Высота 2870 мм.
  • Вес 7100 кг.
  • Объем бетона 3,539 м3
  • Геометрический объем 5,5922 м3
Цена: 120149 руб.
Подробнее
СНР 4л-65-29-3-6+3-3
Панели наружных стен Серия 1.132.1-12с
  • Длина 6495 мм.
  • Ширина 300 мм.
  • Высота 2870 мм.
  • Вес 6600 кг.
  • Объем бетона 3,236 м3
  • Геометрический объем 5,5922 м3
Цена: 109862 руб.
Подробнее
СНР 4л-65-29-35-3+3-3
Панели наружных стен Серия 1.132.1-12с
  • Длина 6495 мм.
  • Ширина 350 мм.
  • Высота 2870 мм.
  • Вес 7500 кг.
  • Объем бетона 4,136 м3
  • Геометрический объем 6,5242 м3
Цена: 140417 руб.
Подробнее
СНР 4л-65-29-3-6бл+3-3
Панели наружных стен Серия 1.132.1-12с
  • Длина 6495 мм.
  • Ширина 300 мм.
  • Высота 2870 мм.
  • Вес 6150 кг.
  • Объем бетона 3,025 м3
  • Геометрический объем 5,5922 м3
Цена: 102699 руб.
Подробнее
СНР 4л-65-29-35-3+3-2
Панели наружных стен Серия 1.132.1-12с
  • Длина 6495 мм.
  • Ширина 350 мм.
  • Высота 2870 мм.
  • Вес 7500 кг.
  • Объем бетона 4,136 м3
  • Геометрический объем 6,5242 м3
Цена: 140417 руб.
Подробнее
СНР 4л-65-29-35-3+4б-2
Панели наружных стен Серия 1.132.1-12с
  • Длина 6495 мм.
  • Ширина 350 мм.
  • Высота 2870 мм.
  • Вес 7450 кг.
  • Объем бетона 3,839 м3
  • Геометрический объем 6,5242 м3
Цена: 130334 руб.
Подробнее
СНР 4л-65-29-35-3+4б-3
Панели наружных стен Серия 1.132.1-12с
  • Длина 6495 мм.
  • Ширина 350 мм.
  • Высота 2870 мм.
  • Вес 7450 кг.
  • Объем бетона 3,847 м3
  • Геометрический объем 6,5242 м3
Цена: 130606 руб.
Подробнее
СНР 4л-65-29-35-3+6-2
Панели наружных стен Серия 1.132.1-12с
  • Длина 6495 мм.
  • Ширина 350 мм.
  • Высота 2870 мм.
  • Вес 7500 кг.
  • Объем бетона 3,772 м3
  • Геометрический объем 6,5242 м3
Цена: 128059 руб.
Подробнее
СНР 4л-65-29-35-3+6б-2
Панели наружных стен Серия 1.132.1-12с
  • Длина 6495 мм.
  • Ширина 350 мм.
  • Высота 2870 мм.
  • Вес 7200 кг.
  • Объем бетона 3,59 м3
  • Геометрический объем 6,5242 м3
Цена: 121881 руб.
Подробнее
СНР 4л-65-29-35-6+3-3
Панели наружных стен Серия 1.132.1-12с
  • Длина 6495 мм.
  • Ширина 350 мм.
  • Высота 2870 мм.
  • Вес 7500 кг.
  • Объем бетона 3,772 м3
  • Геометрический объем 6,5242 м3
Цена: 128059 руб.
Подробнее
СНР 4л-65-29-35-4бл+3-2
Панели наружных стен Серия 1.132.1-12с
  • Длина 6495 мм.
  • Ширина 350 мм.
  • Высота 2870 мм.
  • Вес 7450 кг.
  • Объем бетона 3,847 м3
  • Геометрический объем 6,5242 м3
Цена: 130606 руб.
Подробнее
СНР 4л-65-29-35-4бл+3-3
Панели наружных стен Серия 1.132.1-12с
  • Длина 6495 мм.
  • Ширина 350 мм.
  • Высота 2870 мм.
  • Вес 7450 кг.
  • Объем бетона 3,839 м3
  • Геометрический объем 6,5242 м3
Цена: 130334 руб.
Подробнее
СНР 4л-65-29-35-6бл+3-3
Панели наружных стен Серия 1.132.1-12с
  • Длина 6495 мм.
  • Ширина 350 мм.
  • Высота 2870 мм.
  • Вес 7200 кг.
  • Объем бетона 3,59 м3
  • Геометрический объем 6,5242 м3
Цена: 121881 руб.
Подробнее
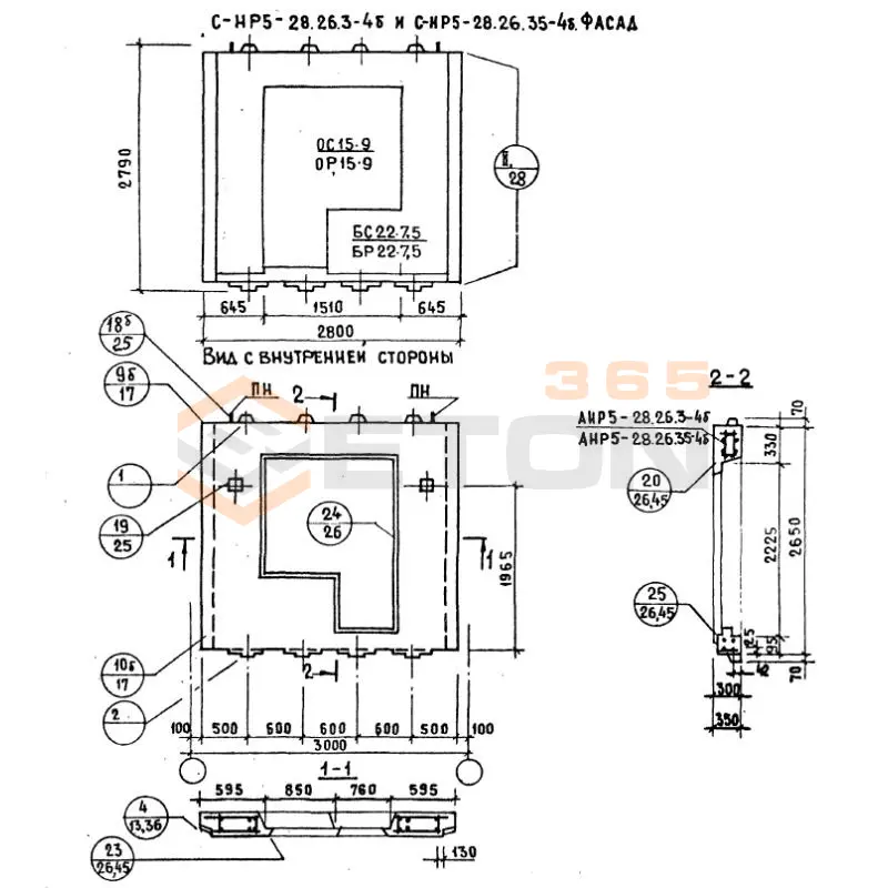
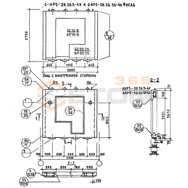
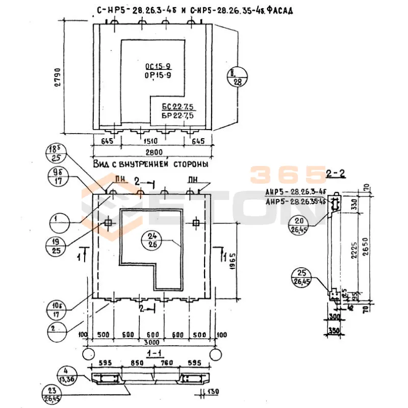
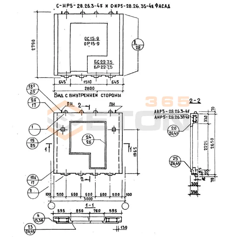
СНР 5-28-26-3-4бл
Панели наружных стен Серия 1.132.1-12с
  • Длина 2800 мм.
  • Ширина 300 мм.
  • Высота 2790 мм.
  • Вес 2500 кг.
  • Объем бетона 1,193 м3
  • Геометрический объем 2,3436 м3
Цена: 40502 руб.
Подробнее
СНР 5-28-26-35-4бл
Панели наружных стен Серия 1.132.1-12с
  • Длина 2800 мм.
  • Ширина 350 мм.
  • Высота 2790 мм.
  • Вес 2800 кг.
  • Объем бетона 1,326 м3
  • Геометрический объем 2,7342 м3
Цена: 45018 руб.
Подробнее
СНР 5-28-26-3-4б
Панели наружных стен Серия 1.132.1-12с
  • Длина 2800 мм.
  • Ширина 300 мм.
  • Высота 2790 мм.
  • Вес 2500 кг.
  • Объем бетона 1,193 м3
  • Геометрический объем 2,3436 м3
Цена: 40502 руб.
Подробнее
СНР 5-28-26-35-4б
Панели наружных стен Серия 1.132.1-12с
  • Длина 2800 мм.
  • Ширина 350 мм.
  • Высота 2790 мм.
  • Вес 2800 кг.
  • Объем бетона 1,326 м3
  • Геометрический объем 2,7342 м3
Цена: 45018 руб.
Подробнее

Уведомление о файлах cookie

Мы используем файлы cookie для улучшения вашего опыта просмотра и анализа трафика. Нажимая "Принять все", вы соглашаетесь с нашей политикой конфиденциальности и политикой обработки файлов cookie.

Дзен Телеграм Вконтакте vk