mobile_sound +7 (930) 655-55-90

Железобетонные опоры линий электропередачи. Рабочие чертежи (Серия 1.020.1-2с/89)

Поделиться:
Поделиться:

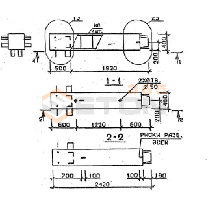
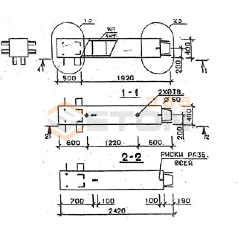
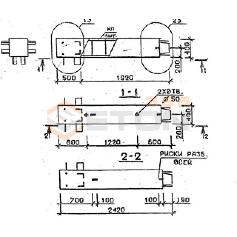
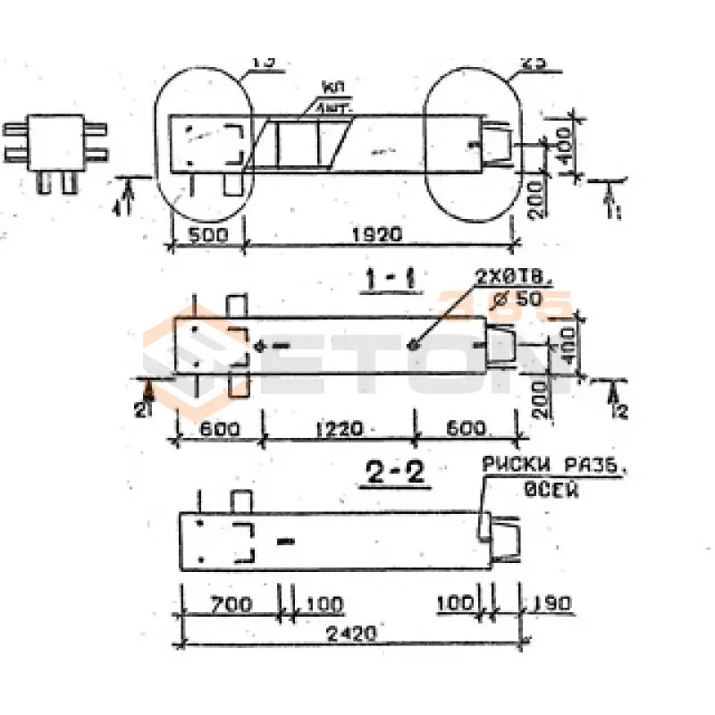
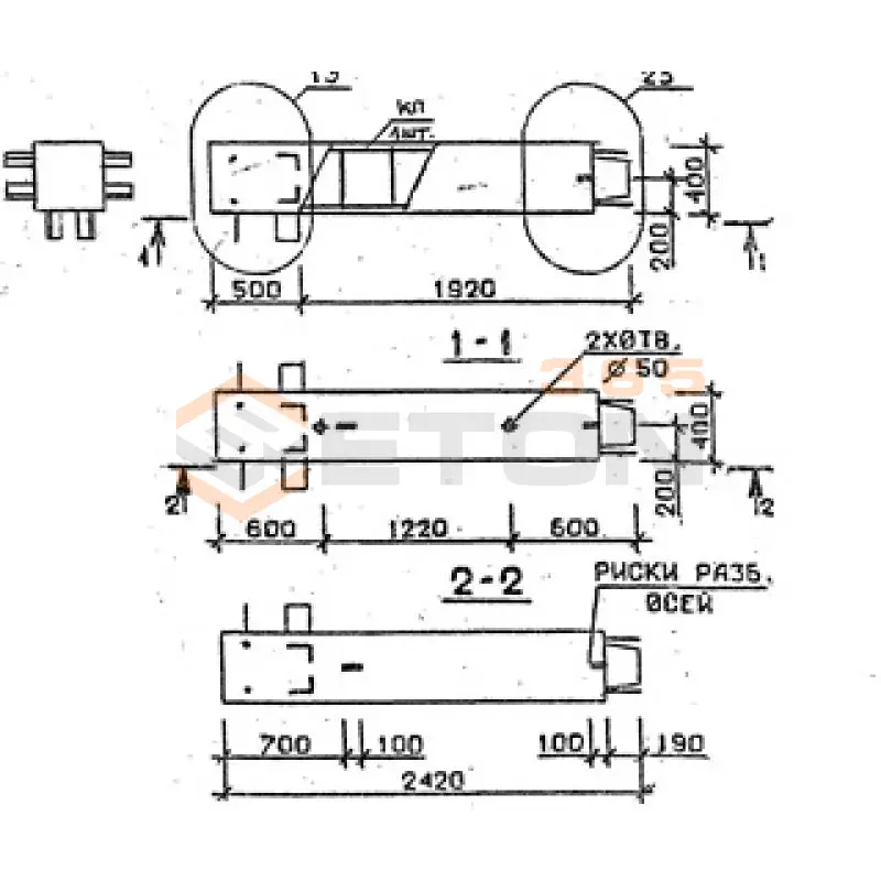
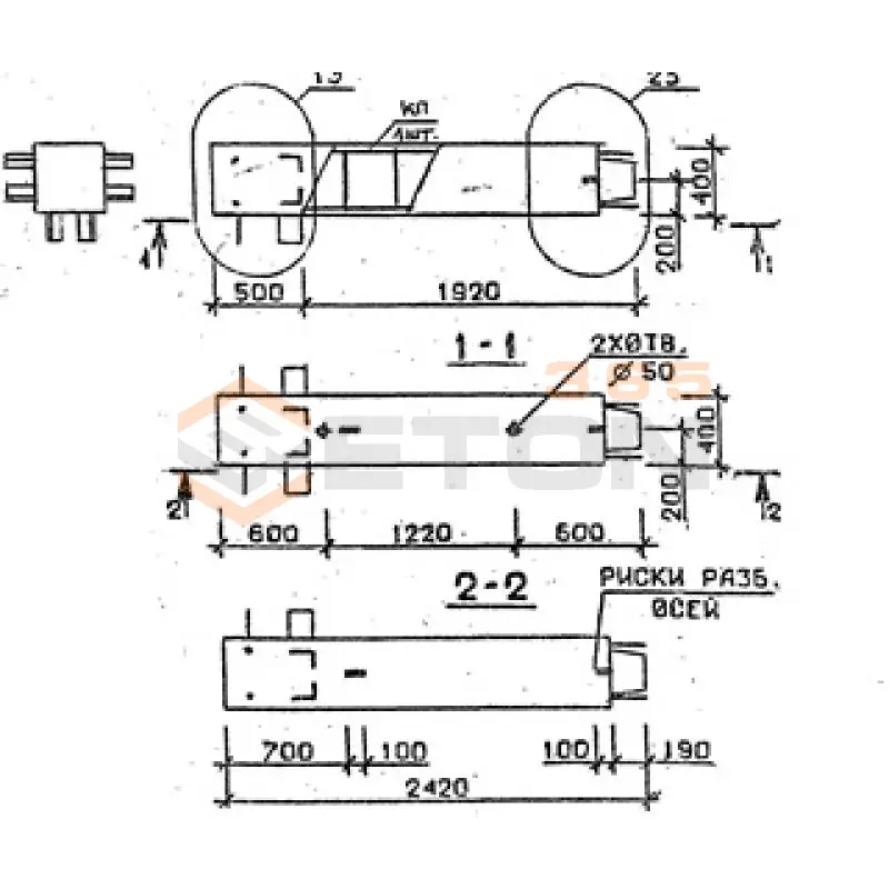
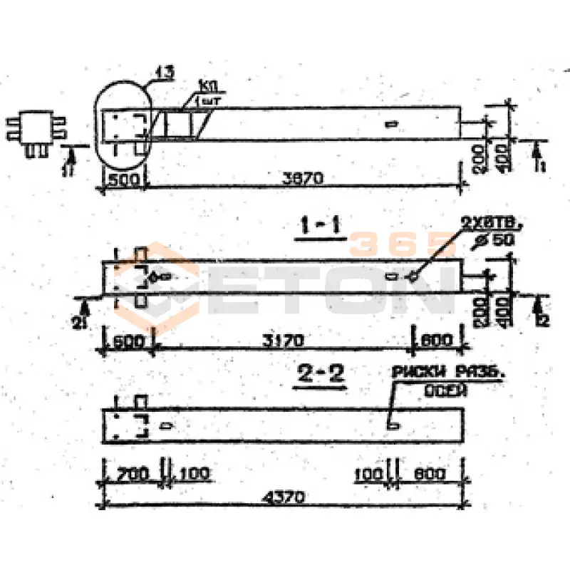
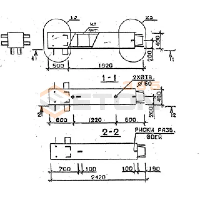
Документ Серия 1.020.1-2с/89 описывает область применения, номенклатуру и ключевые требования, опираясь на действующие нормы и практику проектирования. Регламент Серия 1.020.1-2с/89 был введён в действие в действие с 1990 года. В составе документа множество выпусков, детально описывающих производственный процесс железобетонных каркасных элементов межвидового применения, используемых при строительстве многоэтажных общественных и производственных сооружений, а также предприятий промышленности, возводимых на территориях с сейсмичностью 7, 8 и 9 баллов. В номенклатурный перечень входят: колонны, имеющие сечение 400х400 под высоту этажа 3,3; 3,6; 4,2; 4,8; 5,4; 6,0; 7,0 и 8,0 метров; фундаменты под колонны; ригели опоры для плит; диафрагмы жесткости.

Файлы для скачивания:
picture_as_pdf

596.pdf

26,708.7 KB

скачать
picture_as_pdf

598.pdf

7,074.7 KB

скачать
picture_as_pdf

597.pdf

26,079.5 KB

скачать
picture_as_pdf

599.pdf

10,310.4 KB

скачать
picture_as_pdf

600.pdf

8,426.9 KB

скачать
picture_as_pdf

601.pdf

30,185.5 KB

скачать
picture_as_pdf

602.pdf

33,212.1 KB

скачать
picture_as_pdf

603.pdf

6,869.8 KB

скачать
picture_as_pdf

604.pdf

50,224.7 KB

скачать
picture_as_pdf

605.pdf

23,450.5 KB

скачать
picture_as_pdf

618.pdf

43,754.6 KB

скачать
picture_as_pdf

619.pdf

45,862.5 KB

скачать
picture_as_pdf

620.pdf

24,362.4 KB

скачать
picture_as_pdf

621.pdf

36,302.0 KB

скачать
picture_as_pdf

622.pdf

10,596.4 KB

скачать
picture_as_pdf

623.pdf

3,764.0 KB

скачать
picture_as_pdf

606.pdf

68,303.0 KB

скачать
picture_as_pdf

607.pdf

77,738.3 KB

скачать
picture_as_pdf

608.pdf

84,766.4 KB

скачать
picture_as_pdf

609.pdf

81,235.7 KB

скачать
picture_as_pdf

610.pdf

64,840.7 KB

скачать
picture_as_pdf

611.pdf

33,334.0 KB

скачать
picture_as_pdf

612.pdf

31,868.7 KB

скачать
picture_as_pdf

613.pdf

30,317.9 KB

скачать
picture_as_pdf

614.pdf

41,962.2 KB

скачать
picture_as_pdf

615.pdf

36,478.9 KB

скачать
picture_as_pdf

616.pdf

36,416.4 KB

скачать
picture_as_pdf

617.pdf

57,501.8 KB

скачать
picture_as_pdf

624.pdf

50,820.4 KB

скачать
picture_as_pdf

625.pdf

11,566.4 KB

скачать
picture_as_pdf

626.pdf

26,257.7 KB

скачать
picture_as_pdf

627.pdf

16,986.3 KB

скачать
picture_as_pdf

628.pdf

9,521.0 KB

скачать
picture_as_pdf

629.pdf

5,628.9 KB

скачать
picture_as_pdf

630.pdf

14,456.6 KB

скачать
picture_as_pdf

631.pdf

18,292.4 KB

скачать
picture_as_pdf

632.pdf

4,475.8 KB

скачать
Товары Серия 1.020.1-2с/89 (60)
4КБ 33-110-3 с
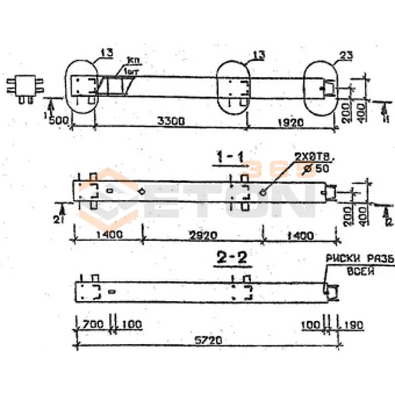
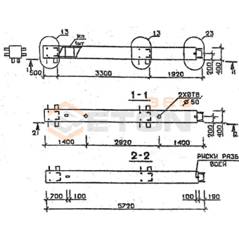
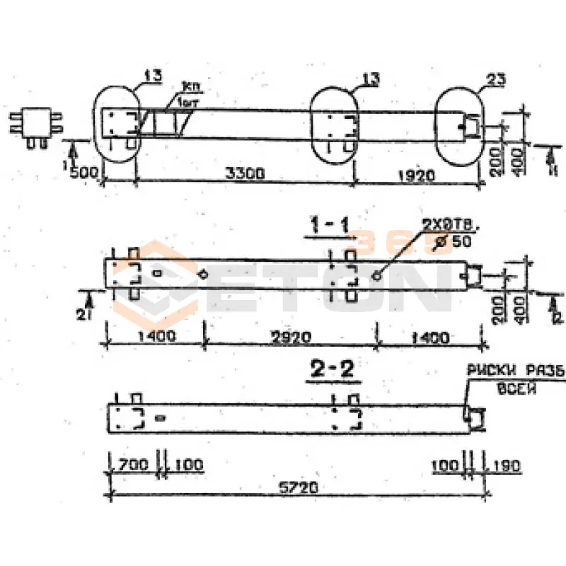
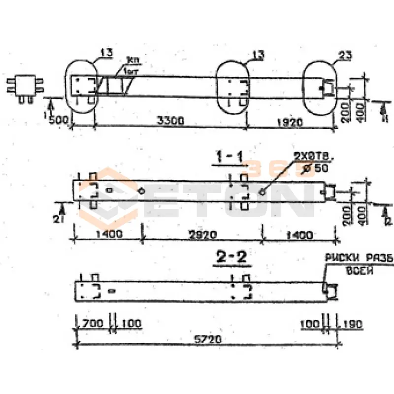
Колонны сечением 400х400 мм для зданий с высотами этажей 3,3 м Серия 1.020.1-2с/89
  • Длина 10970 мм.
  • Ширина 400 мм.
  • Высота 400 мм.
  • Вес 4387 кг.
  • Объем бетона 1,76 м3
  • Геометрический объем 1,7552 м3
Цена: 37558 руб.
Подробнее
4КБ 33-110-5
Колонны сечением 400х400 мм для зданий с высотами этажей 3,3 м Серия 1.020.1-2с/89
  • Длина 10970 мм.
  • Ширина 400 мм.
  • Высота 400 мм.
  • Вес 4387 кг.
  • Объем бетона 1,76 м3
  • Геометрический объем 1,7552 м3
Цена: 37558 руб.
Подробнее
4КБ 33-110-5 с
Колонны сечением 400х400 мм для зданий с высотами этажей 3,3 м Серия 1.020.1-2с/89
  • Длина 10970 мм.
  • Ширина 400 мм.
  • Высота 400 мм.
  • Вес 4387 кг.
  • Объем бетона 1,76 м3
  • Геометрический объем 1,7552 м3
Цена: 37558 руб.
Подробнее
4КБ 33-110-7
Колонны сечением 400х400 мм для зданий с высотами этажей 3,3 м Серия 1.020.1-2с/89
  • Длина 10970 мм.
  • Ширина 400 мм.
  • Высота 400 мм.
  • Вес 4387 кг.
  • Объем бетона 1,76 м3
  • Геометрический объем 1,7552 м3
Цена: 37558 руб.
Подробнее
4КБ 33-110-4 с
Колонны сечением 400х400 мм для зданий с высотами этажей 3,3 м Серия 1.020.1-2с/89
  • Длина 10970 мм.
  • Ширина 400 мм.
  • Высота 400 мм.
  • Вес 4387 кг.
  • Объем бетона 1,76 м3
  • Геометрический объем 1,7552 м3
Цена: 37558 руб.
Подробнее
4КБ 33-110-7 с
Колонны сечением 400х400 мм для зданий с высотами этажей 3,3 м Серия 1.020.1-2с/89
  • Длина 10970 мм.
  • Ширина 400 мм.
  • Высота 400 мм.
  • Вес 4387 кг.
  • Объем бетона 1,76 м3
  • Геометрический объем 1,7552 м3
Цена: 37558 руб.
Подробнее
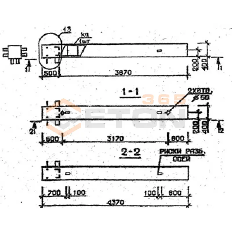
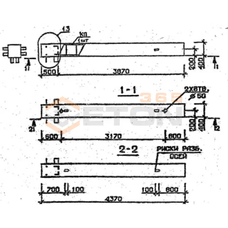
4КБ 33-44-1
Колонны сечением 400х400 мм для зданий с высотами этажей 3,3 м Серия 1.020.1-2с/89
  • Длина 4370 мм.
  • Ширина 400 мм.
  • Высота 400 мм.
  • Вес 1747 кг.
  • Объем бетона 0,69 м3
  • Геометрический объем 0,6992 м3
Цена: 14725 руб.
Подробнее
4КБ 33-44-1 с
Колонны сечением 400х400 мм для зданий с высотами этажей 3,3 м Серия 1.020.1-2с/89
  • Длина 4370 мм.
  • Ширина 400 мм.
  • Высота 400 мм.
  • Вес 1747 кг.
  • Объем бетона 0,69 м3
  • Геометрический объем 0,6992 м3
Цена: 14725 руб.
Подробнее
4КБ 33-44-2
Колонны сечением 400х400 мм для зданий с высотами этажей 3,3 м Серия 1.020.1-2с/89
  • Длина 4370 мм.
  • Ширина 400 мм.
  • Высота 400 мм.
  • Вес 1747 кг.
  • Объем бетона 0,69 м3
  • Геометрический объем 0,6992 м3
Цена: 14725 руб.
Подробнее
4КБ 33-44-2 с
Колонны сечением 400х400 мм для зданий с высотами этажей 3,3 м Серия 1.020.1-2с/89
  • Длина 4370 мм.
  • Ширина 400 мм.
  • Высота 400 мм.
  • Вес 1747 кг.
  • Объем бетона 0,69 м3
  • Геометрический объем 0,6992 м3
Цена: 14725 руб.
Подробнее
4КБ 33-44-4
Колонны сечением 400х400 мм для зданий с высотами этажей 3,3 м Серия 1.020.1-2с/89
  • Длина 4370 мм.
  • Ширина 400 мм.
  • Высота 400 мм.
  • Вес 1747 кг.
  • Объем бетона 0,69 м3
  • Геометрический объем 0,6992 м3
Цена: 14725 руб.
Подробнее
4КБ 33-44-4 с
Колонны сечением 400х400 мм для зданий с высотами этажей 3,3 м Серия 1.020.1-2с/89
  • Длина 4370 мм.
  • Ширина 400 мм.
  • Высота 400 мм.
  • Вес 1747 кг.
  • Объем бетона 0,69 м3
  • Геометрический объем 0,6992 м3
Цена: 14725 руб.
Подробнее
4КБ 33-44-5
Колонны сечением 400х400 мм для зданий с высотами этажей 3,3 м Серия 1.020.1-2с/89
  • Длина 4370 мм.
  • Ширина 400 мм.
  • Высота 400 мм.
  • Вес 1747 кг.
  • Объем бетона 0,69 м3
  • Геометрический объем 0,6992 м3
Цена: 14725 руб.
Подробнее
4КБ 33-77-1 с
Колонны сечением 400х400 мм для зданий с высотами этажей 3,3 м Серия 1.020.1-2с/89
  • Длина 7670 мм.
  • Ширина 400 мм.
  • Высота 400 мм.
  • Вес 3067 кг.
  • Объем бетона 1,23 м3
  • Геометрический объем 1,2272 м3
Цена: 26248 руб.
Подробнее
4КБ 33-77-2
Колонны сечением 400х400 мм для зданий с высотами этажей 3,3 м Серия 1.020.1-2с/89
  • Длина 7670 мм.
  • Ширина 400 мм.
  • Высота 400 мм.
  • Вес 3067 кг.
  • Объем бетона 1,23 м3
  • Геометрический объем 1,2272 м3
Цена: 26248 руб.
Подробнее
4КБ 33-77-1
Колонны сечением 400х400 мм для зданий с высотами этажей 3,3 м Серия 1.020.1-2с/89
  • Длина 7670 мм.
  • Ширина 400 мм.
  • Высота 400 мм.
  • Вес 3067 кг.
  • Объем бетона 1,23 м3
  • Геометрический объем 1,2272 м3
Цена: 26248 руб.
Подробнее
4КБ 33-44-5 с
Колонны сечением 400х400 мм для зданий с высотами этажей 3,3 м Серия 1.020.1-2с/89
  • Длина 4370 мм.
  • Ширина 400 мм.
  • Высота 400 мм.
  • Вес 1747 кг.
  • Объем бетона 0,69 м3
  • Геометрический объем 0,6992 м3
Цена: 14725 руб.
Подробнее
4КБ 33-77-2 с
Колонны сечением 400х400 мм для зданий с высотами этажей 3,3 м Серия 1.020.1-2с/89
  • Длина 7670 мм.
  • Ширина 400 мм.
  • Высота 400 мм.
  • Вес 3067 кг.
  • Объем бетона 1,23 м3
  • Геометрический объем 1,2272 м3
Цена: 26248 руб.
Подробнее
4КБ 33-77-3
Колонны сечением 400х400 мм для зданий с высотами этажей 3,3 м Серия 1.020.1-2с/89
  • Длина 7670 мм.
  • Ширина 400 мм.
  • Высота 400 мм.
  • Вес 3067 кг.
  • Объем бетона 1,23 м3
  • Геометрический объем 1,2272 м3
Цена: 26248 руб.
Подробнее
4КБ 33-77-4
Колонны сечением 400х400 мм для зданий с высотами этажей 3,3 м Серия 1.020.1-2с/89
  • Длина 7670 мм.
  • Ширина 400 мм.
  • Высота 400 мм.
  • Вес 3067 кг.
  • Объем бетона 1,23 м3
  • Геометрический объем 1,2272 м3
Цена: 26248 руб.
Подробнее
4КБ 33-77-3 с
Колонны сечением 400х400 мм для зданий с высотами этажей 3,3 м Серия 1.020.1-2с/89
  • Длина 7670 мм.
  • Ширина 400 мм.
  • Высота 400 мм.
  • Вес 3067 кг.
  • Объем бетона 1,23 м3
  • Геометрический объем 1,2272 м3
Цена: 26248 руб.
Подробнее
4КБ 33-77-5 с
Колонны сечением 400х400 мм для зданий с высотами этажей 3,3 м Серия 1.020.1-2с/89
  • Длина 7670 мм.
  • Ширина 400 мм.
  • Высота 400 мм.
  • Вес 3067 кг.
  • Объем бетона 1,23 м3
  • Геометрический объем 1,2272 м3
Цена: 26248 руб.
Подробнее
4КБ 33-77-5
Колонны сечением 400х400 мм для зданий с высотами этажей 3,3 м Серия 1.020.1-2с/89
  • Длина 7670 мм.
  • Ширина 400 мм.
  • Высота 400 мм.
  • Вес 3067 кг.
  • Объем бетона 1,23 м3
  • Геометрический объем 1,2272 м3
Цена: 26248 руб.
Подробнее
4КБ 33-77-7
Колонны сечением 400х400 мм для зданий с высотами этажей 3,3 м Серия 1.020.1-2с/89
  • Длина 7670 мм.
  • Ширина 400 мм.
  • Высота 400 мм.
  • Вес 3067 кг.
  • Объем бетона 1,23 м3
  • Геометрический объем 1,2272 м3
Цена: 26248 руб.
Подробнее
4КБ 33-77-4 с
Колонны сечением 400х400 мм для зданий с высотами этажей 3,3 м Серия 1.020.1-2с/89
  • Длина 7670 мм.
  • Ширина 400 мм.
  • Высота 400 мм.
  • Вес 3067 кг.
  • Объем бетона 1,23 м3
  • Геометрический объем 1,2272 м3
Цена: 26248 руб.
Подробнее
4КБ 33-77-7 с
Колонны сечением 400х400 мм для зданий с высотами этажей 3,3 м Серия 1.020.1-2с/89
  • Длина 7670 мм.
  • Ширина 400 мм.
  • Высота 400 мм.
  • Вес 3067 кг.
  • Объем бетона 1,23 м3
  • Геометрический объем 1,2272 м3
Цена: 26248 руб.
Подробнее
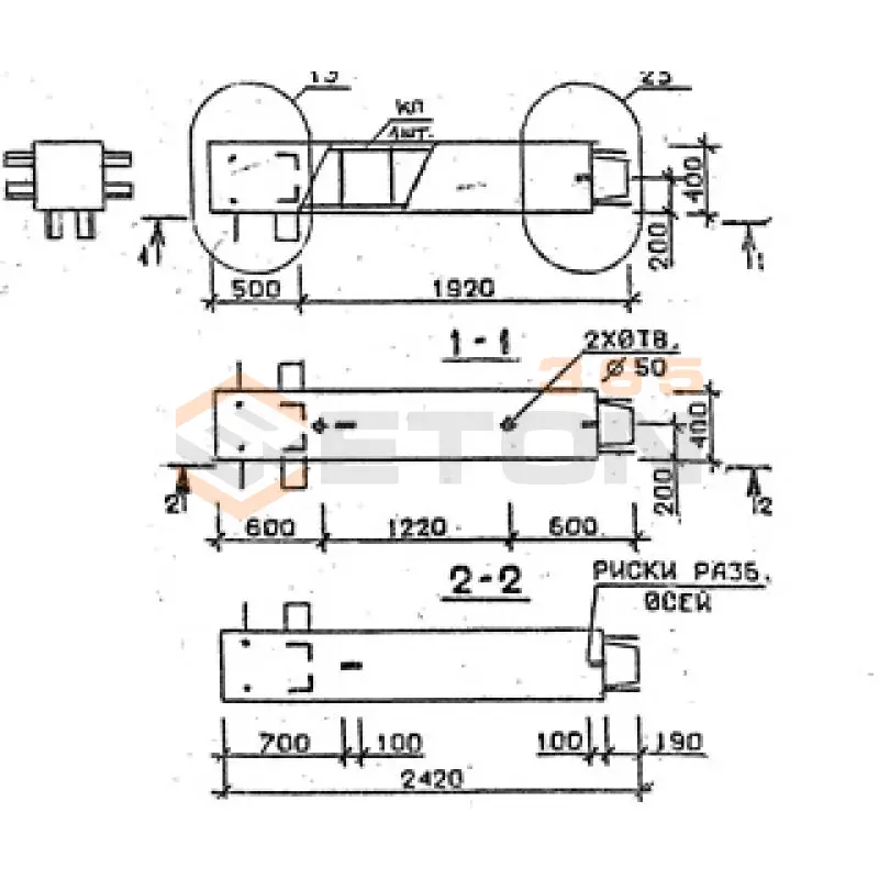
4КВ 33-24-1
Колонны сечением 400х400 мм для зданий с высотами этажей 3,3 м Серия 1.020.1-2с/89
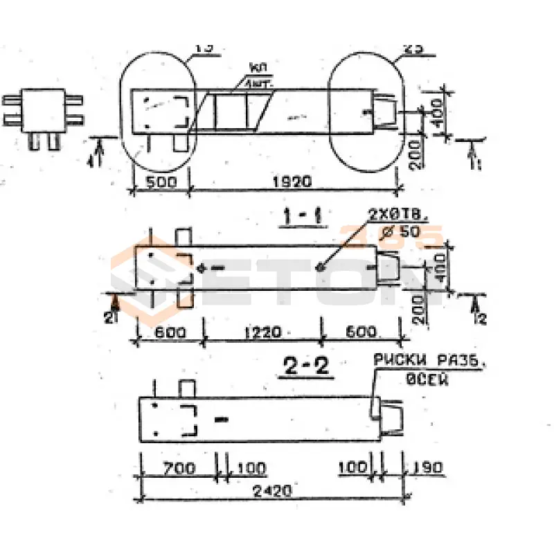
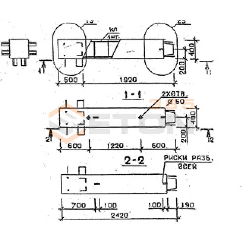
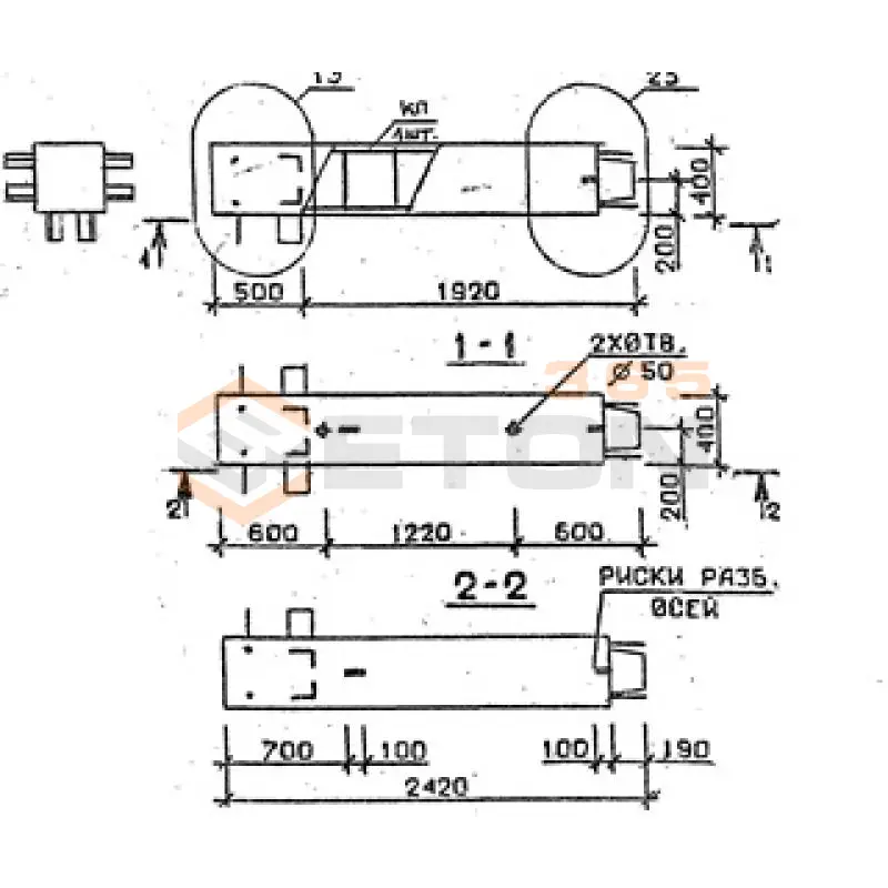
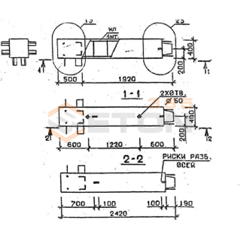
  • Длина 2420 мм.
  • Ширина 400 мм.
  • Высота 400 мм.
  • Вес 9670 кг.
  • Объем бетона 0,38 м3
  • Геометрический объем 0,3872 м3
Цена: 8109 руб.
Подробнее
4КВ 33-24-1 с
Колонны сечением 400х400 мм для зданий с высотами этажей 3,3 м Серия 1.020.1-2с/89
  • Длина 2420 мм.
  • Ширина 400 мм.
  • Высота 400 мм.
  • Вес 9670 кг.
  • Объем бетона 0,38 м3
  • Геометрический объем 0,3872 м3
Цена: 8109 руб.
Подробнее
4КВ 33-24-11 с
Колонны сечением 400х400 мм для зданий с высотами этажей 3,3 м Серия 1.020.1-2с/89
  • Длина 2420 мм.
  • Ширина 400 мм.
  • Высота 400 мм.
  • Вес 9670 кг.
  • Объем бетона 0,38 м3
  • Геометрический объем 0,3872 м3
Цена: 8109 руб.
Подробнее
4КВ 33-24-11
Колонны сечением 400х400 мм для зданий с высотами этажей 3,3 м Серия 1.020.1-2с/89
  • Длина 2420 мм.
  • Ширина 400 мм.
  • Высота 400 мм.
  • Вес 9670 кг.
  • Объем бетона 0,38 м3
  • Геометрический объем 0,3872 м3
Цена: 8109 руб.
Подробнее
4КВ 33-24-13
Колонны сечением 400х400 мм для зданий с высотами этажей 3,3 м Серия 1.020.1-2с/89
  • Длина 2420 мм.
  • Ширина 400 мм.
  • Высота 400 мм.
  • Вес 9670 кг.
  • Объем бетона 0,38 м3
  • Геометрический объем 0,3872 м3
Цена: 8109 руб.
Подробнее
4КВ 33-24-13 с
Колонны сечением 400х400 мм для зданий с высотами этажей 3,3 м Серия 1.020.1-2с/89
  • Длина 2420 мм.
  • Ширина 400 мм.
  • Высота 400 мм.
  • Вес 9670 кг.
  • Объем бетона 0,38 м3
  • Геометрический объем 0,3872 м3
Цена: 8109 руб.
Подробнее
4КВ 33-24-2
Колонны сечением 400х400 мм для зданий с высотами этажей 3,3 м Серия 1.020.1-2с/89
  • Длина 2420 мм.
  • Ширина 400 мм.
  • Высота 400 мм.
  • Вес 9670 кг.
  • Объем бетона 0,38 м3
  • Геометрический объем 0,3872 м3
Цена: 8109 руб.
Подробнее
4КВ 33-24-2 с
Колонны сечением 400х400 мм для зданий с высотами этажей 3,3 м Серия 1.020.1-2с/89
  • Длина 2420 мм.
  • Ширина 400 мм.
  • Высота 400 мм.
  • Вес 9670 кг.
  • Объем бетона 0,38 м3
  • Геометрический объем 0,3872 м3
Цена: 8109 руб.
Подробнее
4КВ 33-24-3
Колонны сечением 400х400 мм для зданий с высотами этажей 3,3 м Серия 1.020.1-2с/89
  • Длина 2420 мм.
  • Ширина 400 мм.
  • Высота 400 мм.
  • Вес 9670 кг.
  • Объем бетона 0,38 м3
  • Геометрический объем 0,3872 м3
Цена: 8109 руб.
Подробнее
4КВ 33-24-3 с
Колонны сечением 400х400 мм для зданий с высотами этажей 3,3 м Серия 1.020.1-2с/89
  • Длина 2420 мм.
  • Ширина 400 мм.
  • Высота 400 мм.
  • Вес 9670 кг.
  • Объем бетона 0,38 м3
  • Геометрический объем 0,3872 м3
Цена: 8109 руб.
Подробнее
4КВ 33-24-4
Колонны сечением 400х400 мм для зданий с высотами этажей 3,3 м Серия 1.020.1-2с/89
  • Длина 2420 мм.
  • Ширина 400 мм.
  • Высота 400 мм.
  • Вес 9670 кг.
  • Объем бетона 0,38 м3
  • Геометрический объем 0,3872 м3
Цена: 8109 руб.
Подробнее
4КВ 33-24-5
Колонны сечением 400х400 мм для зданий с высотами этажей 3,3 м Серия 1.020.1-2с/89
  • Длина 2420 мм.
  • Ширина 400 мм.
  • Высота 400 мм.
  • Вес 9670 кг.
  • Объем бетона 0,38 м3
  • Геометрический объем 0,3872 м3
Цена: 8109 руб.
Подробнее
4КВ 33-24-4 с
Колонны сечением 400х400 мм для зданий с высотами этажей 3,3 м Серия 1.020.1-2с/89
  • Длина 2420 мм.
  • Ширина 400 мм.
  • Высота 400 мм.
  • Вес 9670 кг.
  • Объем бетона 0,38 м3
  • Геометрический объем 0,3872 м3
Цена: 8109 руб.
Подробнее
4КВ 33-24-5 с
Колонны сечением 400х400 мм для зданий с высотами этажей 3,3 м Серия 1.020.1-2с/89
  • Длина 2420 мм.
  • Ширина 400 мм.
  • Высота 400 мм.
  • Вес 9670 кг.
  • Объем бетона 0,38 м3
  • Геометрический объем 0,3872 м3
Цена: 8109 руб.
Подробнее
4КВ 33-24-7
Колонны сечением 400х400 мм для зданий с высотами этажей 3,3 м Серия 1.020.1-2с/89
  • Длина 2420 мм.
  • Ширина 400 мм.
  • Высота 400 мм.
  • Вес 9670 кг.
  • Объем бетона 0,38 м3
  • Геометрический объем 0,3872 м3
Цена: 8109 руб.
Подробнее
4КВ 33-24-7 с
Колонны сечением 400х400 мм для зданий с высотами этажей 3,3 м Серия 1.020.1-2с/89
  • Длина 2420 мм.
  • Ширина 400 мм.
  • Высота 400 мм.
  • Вес 9670 кг.
  • Объем бетона 0,38 м3
  • Геометрический объем 0,3872 м3
Цена: 8109 руб.
Подробнее
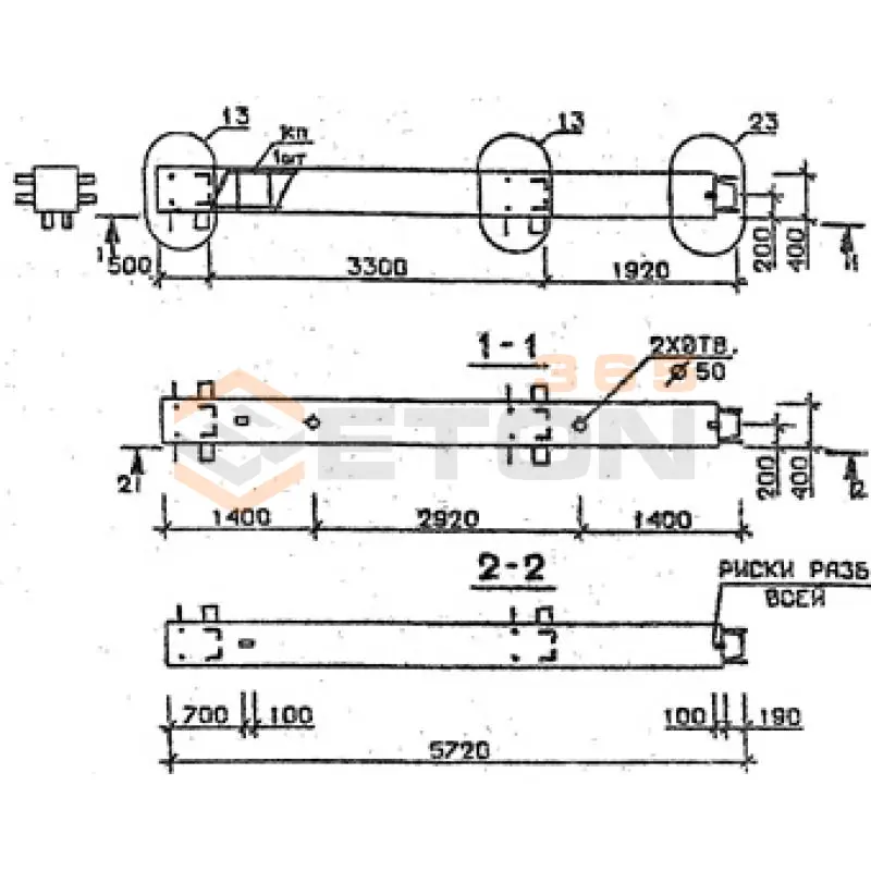
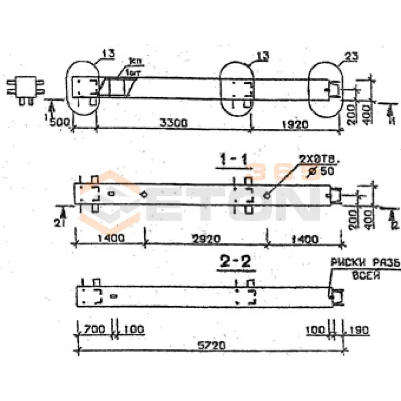
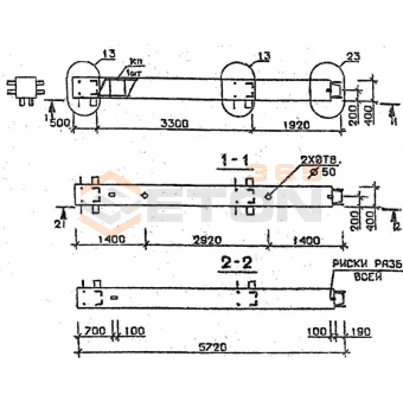
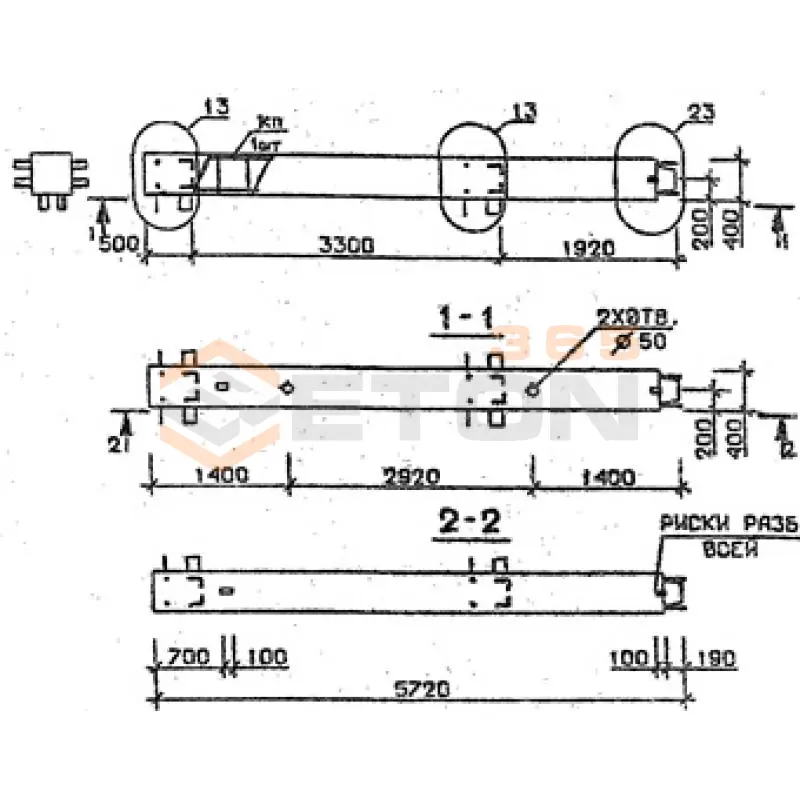
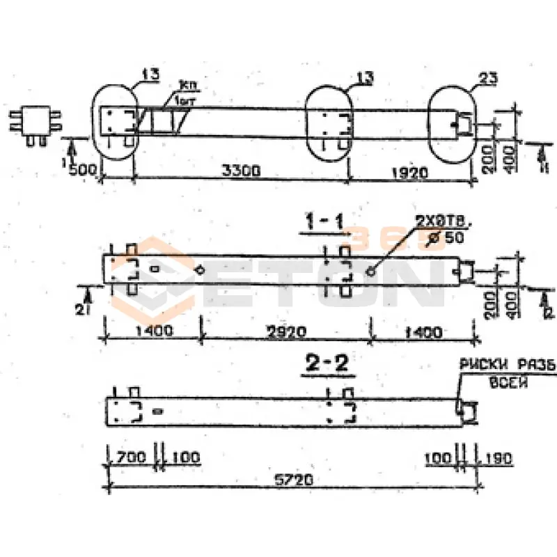
4КВ 33-57-1
Колонны сечением 400х400 мм для зданий с высотами этажей 3,3 м Серия 1.020.1-2с/89
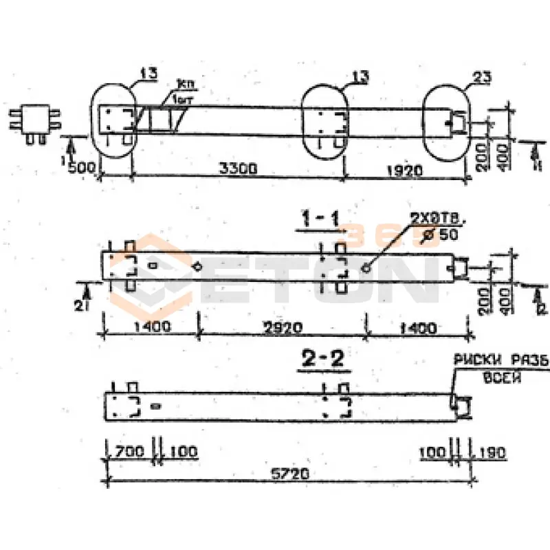
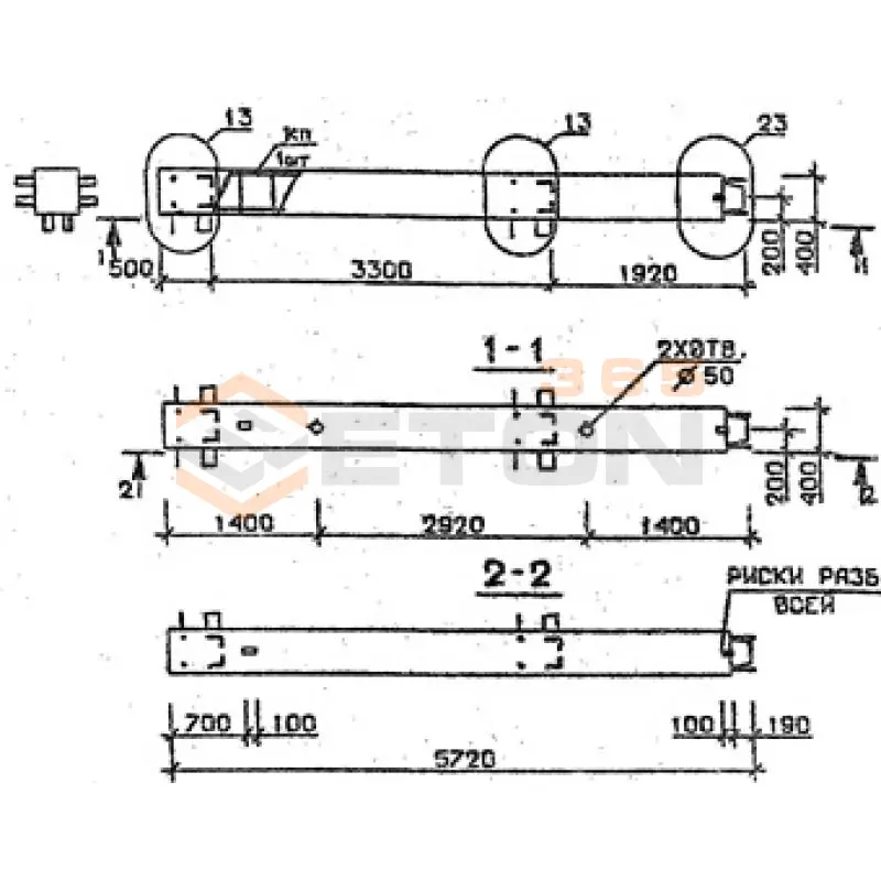
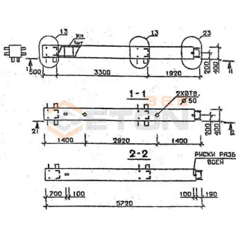
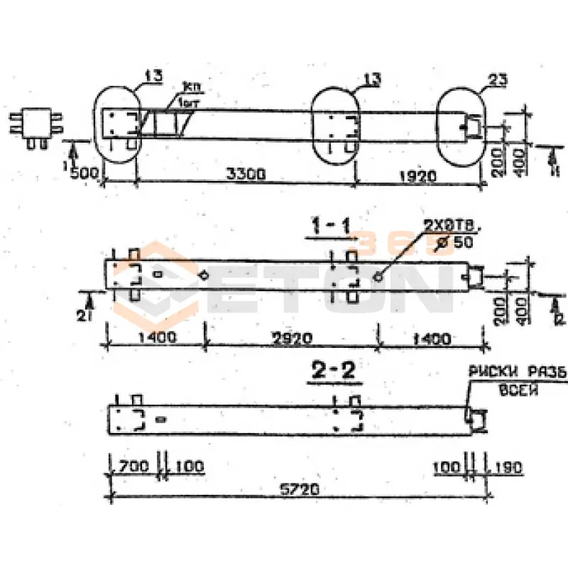
  • Длина 5720 мм.
  • Ширина 400 мм.
  • Высота 400 мм.
  • Вес 2287 кг.
  • Объем бетона 0,92 м3
  • Геометрический объем 0,9152 м3
Цена: 19633 руб.
Подробнее
4КВ 33-57-1 с
Колонны сечением 400х400 мм для зданий с высотами этажей 3,3 м Серия 1.020.1-2с/89
  • Длина 5720 мм.
  • Ширина 400 мм.
  • Высота 400 мм.
  • Вес 2287 кг.
  • Объем бетона 0,92 м3
  • Геометрический объем 0,9152 м3
Цена: 19633 руб.
Подробнее
4КВ 33-57-11
Колонны сечением 400х400 мм для зданий с высотами этажей 3,3 м Серия 1.020.1-2с/89
  • Длина 5720 мм.
  • Ширина 400 мм.
  • Высота 400 мм.
  • Вес 2287 кг.
  • Объем бетона 0,92 м3
  • Геометрический объем 0,9152 м3
Цена: 19633 руб.
Подробнее
4КВ 33-57-13
Колонны сечением 400х400 мм для зданий с высотами этажей 3,3 м Серия 1.020.1-2с/89
  • Длина 5720 мм.
  • Ширина 400 мм.
  • Высота 400 мм.
  • Вес 2287 кг.
  • Объем бетона 0,92 м3
  • Геометрический объем 0,9152 м3
Цена: 19633 руб.
Подробнее
4КВ 33-57-11 с
Колонны сечением 400х400 мм для зданий с высотами этажей 3,3 м Серия 1.020.1-2с/89
  • Длина 5720 мм.
  • Ширина 400 мм.
  • Высота 400 мм.
  • Вес 2287 кг.
  • Объем бетона 0,92 м3
  • Геометрический объем 0,9152 м3
Цена: 19633 руб.
Подробнее
4КВ 33-57-13 с
Колонны сечением 400х400 мм для зданий с высотами этажей 3,3 м Серия 1.020.1-2с/89
  • Длина 5720 мм.
  • Ширина 400 мм.
  • Высота 400 мм.
  • Вес 2287 кг.
  • Объем бетона 0,92 м3
  • Геометрический объем 0,9152 м3
Цена: 19633 руб.
Подробнее
4КВ 33-57-2
Колонны сечением 400х400 мм для зданий с высотами этажей 3,3 м Серия 1.020.1-2с/89
  • Длина 5720 мм.
  • Ширина 400 мм.
  • Высота 400 мм.
  • Вес 2287 кг.
  • Объем бетона 0,92 м3
  • Геометрический объем 0,9152 м3
Цена: 19633 руб.
Подробнее
4КВ 33-57-4 с
Колонны сечением 400х400 мм для зданий с высотами этажей 3,3 м Серия 1.020.1-2с/89
  • Длина 5720 мм.
  • Ширина 400 мм.
  • Высота 400 мм.
  • Вес 2287 кг.
  • Объем бетона 0,92 м3
  • Геометрический объем 0,9152 м3
Цена: 19633 руб.
Подробнее
4КВ 33-57-4
Колонны сечением 400х400 мм для зданий с высотами этажей 3,3 м Серия 1.020.1-2с/89
  • Длина 5720 мм.
  • Ширина 400 мм.
  • Высота 400 мм.
  • Вес 2287 кг.
  • Объем бетона 0,92 м3
  • Геометрический объем 0,9152 м3
Цена: 19633 руб.
Подробнее
4КВ 33-57-2 с
Колонны сечением 400х400 мм для зданий с высотами этажей 3,3 м Серия 1.020.1-2с/89
  • Длина 5720 мм.
  • Ширина 400 мм.
  • Высота 400 мм.
  • Вес 2287 кг.
  • Объем бетона 0,92 м3
  • Геометрический объем 0,9152 м3
Цена: 19633 руб.
Подробнее
4КВ 33-57-3 с
Колонны сечением 400х400 мм для зданий с высотами этажей 3,3 м Серия 1.020.1-2с/89
  • Длина 5720 мм.
  • Ширина 400 мм.
  • Высота 400 мм.
  • Вес 2287 кг.
  • Объем бетона 0,92 м3
  • Геометрический объем 0,9152 м3
Цена: 19633 руб.
Подробнее
4КВ 33-57-5
Колонны сечением 400х400 мм для зданий с высотами этажей 3,3 м Серия 1.020.1-2с/89
  • Длина 5720 мм.
  • Ширина 400 мм.
  • Высота 400 мм.
  • Вес 2287 кг.
  • Объем бетона 0,92 м3
  • Геометрический объем 0,9152 м3
Цена: 19633 руб.
Подробнее
4КВ 33-57-3
Колонны сечением 400х400 мм для зданий с высотами этажей 3,3 м Серия 1.020.1-2с/89
  • Длина 5720 мм.
  • Ширина 400 мм.
  • Высота 400 мм.
  • Вес 2287 кг.
  • Объем бетона 0,92 м3
  • Геометрический объем 0,9152 м3
Цена: 19633 руб.
Подробнее
4КВ 33-90-11
Колонны сечением 400х400 мм для зданий с высотами этажей 3,3 м Серия 1.020.1-2с/89
  • Длина 9020 мм.
  • Ширина 400 мм.
  • Высота 400 мм.
  • Вес 3607 кг.
  • Объем бетона 1,44 м3
  • Геометрический объем 1,4432 м3
Цена: 30730 руб.
Подробнее
4КВ 33-57-5 с
Колонны сечением 400х400 мм для зданий с высотами этажей 3,3 м Серия 1.020.1-2с/89
  • Длина 5720 мм.
  • Ширина 400 мм.
  • Высота 400 мм.
  • Вес 2287 кг.
  • Объем бетона 0,92 м3
  • Геометрический объем 0,9152 м3
Цена: 19633 руб.
Подробнее
4КВ 33-57-7 с
Колонны сечением 400х400 мм для зданий с высотами этажей 3,3 м Серия 1.020.1-2с/89
  • Длина 5720 мм.
  • Ширина 400 мм.
  • Высота 400 мм.
  • Вес 2287 кг.
  • Объем бетона 0,92 м3
  • Геометрический объем 0,9152 м3
Цена: 19633 руб.
Подробнее
4КВ 33-90-1
Колонны сечением 400х400 мм для зданий с высотами этажей 3,3 м Серия 1.020.1-2с/89
  • Длина 9020 мм.
  • Ширина 400 мм.
  • Высота 400 мм.
  • Вес 3607 кг.
  • Объем бетона 1,44 м3
  • Геометрический объем 1,4432 м3
Цена: 30730 руб.
Подробнее
4КВ 33-57-7
Колонны сечением 400х400 мм для зданий с высотами этажей 3,3 м Серия 1.020.1-2с/89
  • Длина 5720 мм.
  • Ширина 400 мм.
  • Высота 400 мм.
  • Вес 2287 кг.
  • Объем бетона 0,92 м3
  • Геометрический объем 0,9152 м3
Цена: 19633 руб.
Подробнее

Уведомление о файлах cookie

Мы используем файлы cookie для улучшения вашего опыта просмотра и анализа трафика. Нажимая "Принять все", вы соглашаетесь с нашей политикой конфиденциальности и политикой обработки файлов cookie.

MAX Дзен Телеграм Вконтакте vk