mobile_sound +7 (930) 655-55-90

Железобетонные опоры линий электропередачи. Рабочие чертежи (Серия 1.020.1-2с/89)

Поделиться:
Поделиться:

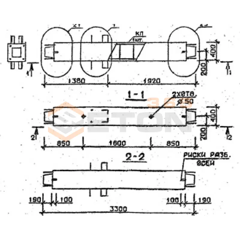
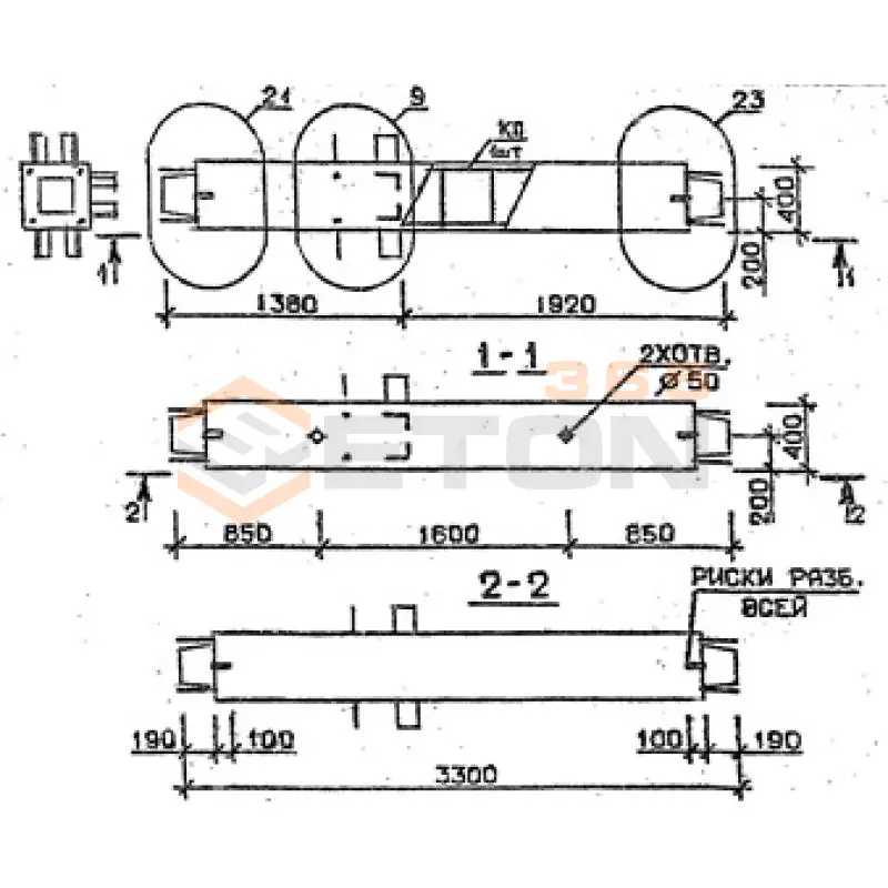
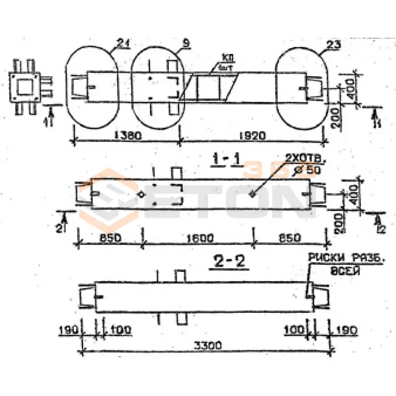
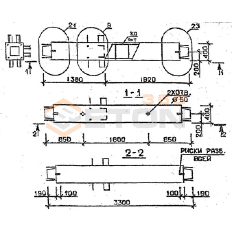
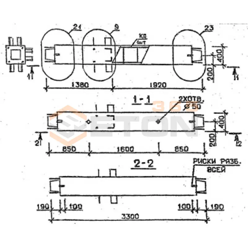
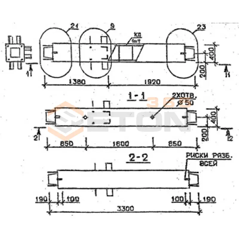
Документ Серия 1.020.1-2с/89 описывает область применения, номенклатуру и ключевые требования, опираясь на действующие нормы и практику проектирования. Регламент Серия 1.020.1-2с/89 был введён в действие в действие с 1990 года. В составе документа множество выпусков, детально описывающих производственный процесс железобетонных каркасных элементов межвидового применения, используемых при строительстве многоэтажных общественных и производственных сооружений, а также предприятий промышленности, возводимых на территориях с сейсмичностью 7, 8 и 9 баллов. В номенклатурный перечень входят: колонны, имеющие сечение 400х400 под высоту этажа 3,3; 3,6; 4,2; 4,8; 5,4; 6,0; 7,0 и 8,0 метров; фундаменты под колонны; ригели опоры для плит; диафрагмы жесткости.

Файлы для скачивания:
picture_as_pdf

596.pdf

26,708.7 KB

скачать
picture_as_pdf

598.pdf

7,074.7 KB

скачать
picture_as_pdf

597.pdf

26,079.5 KB

скачать
picture_as_pdf

599.pdf

10,310.4 KB

скачать
picture_as_pdf

600.pdf

8,426.9 KB

скачать
picture_as_pdf

601.pdf

30,185.5 KB

скачать
picture_as_pdf

602.pdf

33,212.1 KB

скачать
picture_as_pdf

603.pdf

6,869.8 KB

скачать
picture_as_pdf

604.pdf

50,224.7 KB

скачать
picture_as_pdf

605.pdf

23,450.5 KB

скачать
picture_as_pdf

618.pdf

43,754.6 KB

скачать
picture_as_pdf

619.pdf

45,862.5 KB

скачать
picture_as_pdf

620.pdf

24,362.4 KB

скачать
picture_as_pdf

621.pdf

36,302.0 KB

скачать
picture_as_pdf

622.pdf

10,596.4 KB

скачать
picture_as_pdf

623.pdf

3,764.0 KB

скачать
picture_as_pdf

606.pdf

68,303.0 KB

скачать
picture_as_pdf

607.pdf

77,738.3 KB

скачать
picture_as_pdf

608.pdf

84,766.4 KB

скачать
picture_as_pdf

609.pdf

81,235.7 KB

скачать
picture_as_pdf

610.pdf

64,840.7 KB

скачать
picture_as_pdf

611.pdf

33,334.0 KB

скачать
picture_as_pdf

612.pdf

31,868.7 KB

скачать
picture_as_pdf

613.pdf

30,317.9 KB

скачать
picture_as_pdf

614.pdf

41,962.2 KB

скачать
picture_as_pdf

615.pdf

36,478.9 KB

скачать
picture_as_pdf

616.pdf

36,416.4 KB

скачать
picture_as_pdf

617.pdf

57,501.8 KB

скачать
picture_as_pdf

624.pdf

50,820.4 KB

скачать
picture_as_pdf

625.pdf

11,566.4 KB

скачать
picture_as_pdf

626.pdf

26,257.7 KB

скачать
picture_as_pdf

627.pdf

16,986.3 KB

скачать
picture_as_pdf

628.pdf

9,521.0 KB

скачать
picture_as_pdf

629.pdf

5,628.9 KB

скачать
picture_as_pdf

630.pdf

14,456.6 KB

скачать
picture_as_pdf

631.pdf

18,292.4 KB

скачать
picture_as_pdf

632.pdf

4,475.8 KB

скачать
Товары Серия 1.020.1-2с/89 (60)
3КН 33-89-1
Колонны сечением 400х400 мм для зданий с высотами этажей 3,3 м Серия 1.020.1-2с/89
  • Длина 8950 мм.
  • Ширина 400 мм.
  • Высота 400 мм.
  • Вес 3579 кг.
  • Объем бетона 1,43 м3
  • Геометрический объем 1,432 м3
Цена: 30516 руб.
Подробнее
3КН 33-89-11
Колонны сечением 400х400 мм для зданий с высотами этажей 3,3 м Серия 1.020.1-2с/89
  • Длина 8950 мм.
  • Ширина 400 мм.
  • Высота 400 мм.
  • Вес 3579 кг.
  • Объем бетона 1,43 м3
  • Геометрический объем 1,432 м3
Цена: 30516 руб.
Подробнее
3КН 33-69-9 с
Колонны сечением 400х400 мм для зданий с высотами этажей 3,3 м Серия 1.020.1-2с/89
  • Длина 6850 мм.
  • Ширина 400 мм.
  • Высота 400 мм.
  • Вес 2739 кг.
  • Объем бетона 1,1 м3
  • Геометрический объем 1,096 м3
Цена: 23474 руб.
Подробнее
3КН 33-89-11 с
Колонны сечением 400х400 мм для зданий с высотами этажей 3,3 м Серия 1.020.1-2с/89
  • Длина 8950 мм.
  • Ширина 400 мм.
  • Высота 400 мм.
  • Вес 3579 кг.
  • Объем бетона 1,43 м3
  • Геометрический объем 1,432 м3
Цена: 30516 руб.
Подробнее
3КН 33-89-13
Колонны сечением 400х400 мм для зданий с высотами этажей 3,3 м Серия 1.020.1-2с/89
  • Длина 8950 мм.
  • Ширина 400 мм.
  • Высота 400 мм.
  • Вес 3579 кг.
  • Объем бетона 1,43 м3
  • Геометрический объем 1,432 м3
Цена: 30516 руб.
Подробнее
3КН 33-89-3
Колонны сечением 400х400 мм для зданий с высотами этажей 3,3 м Серия 1.020.1-2с/89
  • Длина 8950 мм.
  • Ширина 400 мм.
  • Высота 400 мм.
  • Вес 3579 кг.
  • Объем бетона 1,43 м3
  • Геометрический объем 1,432 м3
Цена: 30516 руб.
Подробнее
3КН 33-89-14
Колонны сечением 400х400 мм для зданий с высотами этажей 3,3 м Серия 1.020.1-2с/89
  • Длина 8950 мм.
  • Ширина 400 мм.
  • Высота 400 мм.
  • Вес 3579 кг.
  • Объем бетона 1,43 м3
  • Геометрический объем 1,432 м3
Цена: 30516 руб.
Подробнее
3КН 33-89-13 с
Колонны сечением 400х400 мм для зданий с высотами этажей 3,3 м Серия 1.020.1-2с/89
  • Длина 8950 мм.
  • Ширина 400 мм.
  • Высота 400 мм.
  • Вес 3579 кг.
  • Объем бетона 1,43 м3
  • Геометрический объем 1,432 м3
Цена: 30516 руб.
Подробнее
3КН 33-89-14 с
Колонны сечением 400х400 мм для зданий с высотами этажей 3,3 м Серия 1.020.1-2с/89
  • Длина 8950 мм.
  • Ширина 400 мм.
  • Высота 400 мм.
  • Вес 3579 кг.
  • Объем бетона 1,43 м3
  • Геометрический объем 1,432 м3
Цена: 30516 руб.
Подробнее
3КН 33-89-3 с
Колонны сечением 400х400 мм для зданий с высотами этажей 3,3 м Серия 1.020.1-2с/89
  • Длина 8950 мм.
  • Ширина 400 мм.
  • Высота 400 мм.
  • Вес 3579 кг.
  • Объем бетона 1,43 м3
  • Геометрический объем 1,432 м3
Цена: 30516 руб.
Подробнее
3КН 33-89-4
Колонны сечением 400х400 мм для зданий с высотами этажей 3,3 м Серия 1.020.1-2с/89
  • Длина 8950 мм.
  • Ширина 400 мм.
  • Высота 400 мм.
  • Вес 3579 кг.
  • Объем бетона 1,43 м3
  • Геометрический объем 1,432 м3
Цена: 30516 руб.
Подробнее
3КН 33-89-6
Колонны сечением 400х400 мм для зданий с высотами этажей 3,3 м Серия 1.020.1-2с/89
  • Длина 8950 мм.
  • Ширина 400 мм.
  • Высота 400 мм.
  • Вес 3579 кг.
  • Объем бетона 1,43 м3
  • Геометрический объем 1,432 м3
Цена: 30516 руб.
Подробнее
3КН 33-89-7
Колонны сечением 400х400 мм для зданий с высотами этажей 3,3 м Серия 1.020.1-2с/89
  • Длина 8950 мм.
  • Ширина 400 мм.
  • Высота 400 мм.
  • Вес 3579 кг.
  • Объем бетона 1,43 м3
  • Геометрический объем 1,432 м3
Цена: 30516 руб.
Подробнее
3КН 33-89-6 с
Колонны сечением 400х400 мм для зданий с высотами этажей 3,3 м Серия 1.020.1-2с/89
  • Длина 8950 мм.
  • Ширина 400 мм.
  • Высота 400 мм.
  • Вес 3579 кг.
  • Объем бетона 1,43 м3
  • Геометрический объем 1,432 м3
Цена: 30516 руб.
Подробнее
3КН 33-89-4 с
Колонны сечением 400х400 мм для зданий с высотами этажей 3,3 м Серия 1.020.1-2с/89
  • Длина 8950 мм.
  • Ширина 400 мм.
  • Высота 400 мм.
  • Вес 3579 кг.
  • Объем бетона 1,43 м3
  • Геометрический объем 1,432 м3
Цена: 30516 руб.
Подробнее
3КН 33-89-9
Колонны сечением 400х400 мм для зданий с высотами этажей 3,3 м Серия 1.020.1-2с/89
  • Длина 8950 мм.
  • Ширина 400 мм.
  • Высота 400 мм.
  • Вес 3579 кг.
  • Объем бетона 1,43 м3
  • Геометрический объем 1,432 м3
Цена: 30516 руб.
Подробнее
3КН 33-89-7 с
Колонны сечением 400х400 мм для зданий с высотами этажей 3,3 м Серия 1.020.1-2с/89
  • Длина 8950 мм.
  • Ширина 400 мм.
  • Высота 400 мм.
  • Вес 3579 кг.
  • Объем бетона 1,43 м3
  • Геометрический объем 1,432 м3
Цена: 30516 руб.
Подробнее
3КН 33-89-9 с
Колонны сечением 400х400 мм для зданий с высотами этажей 3,3 м Серия 1.020.1-2с/89
  • Длина 8950 мм.
  • Ширина 400 мм.
  • Высота 400 мм.
  • Вес 3579 кг.
  • Объем бетона 1,43 м3
  • Геометрический объем 1,432 м3
Цена: 30516 руб.
Подробнее
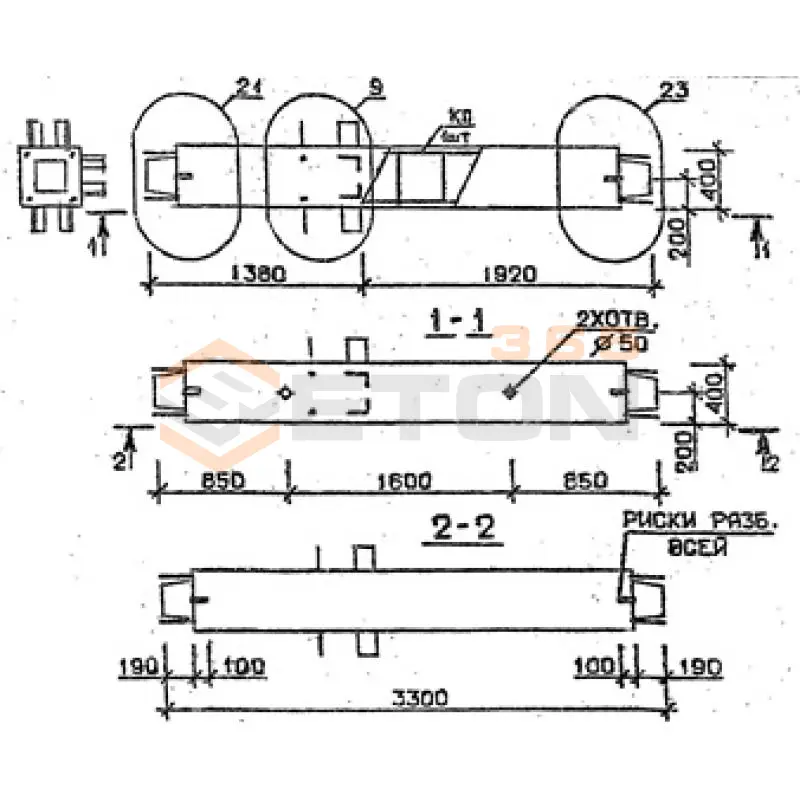
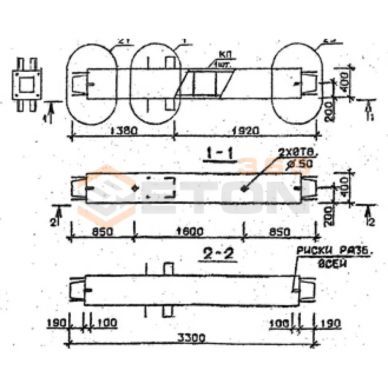
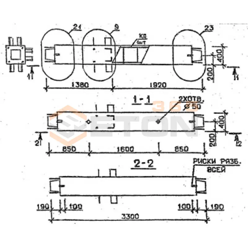
3КС 33-33-1
Колонны сечением 400х400 мм для зданий с высотами этажей 3,3 м Серия 1.020.1-2с/89
  • Длина 3300 мм.
  • Ширина 400 мм.
  • Высота 400 мм.
  • Вес 1319 кг.
  • Объем бетона 0,33 м3
  • Геометрический объем 0,528 м3
Цена: 7042 руб.
Подробнее
3КС 33-33-11
Колонны сечением 400х400 мм для зданий с высотами этажей 3,3 м Серия 1.020.1-2с/89
  • Длина 3300 мм.
  • Ширина 400 мм.
  • Высота 400 мм.
  • Вес 1319 кг.
  • Объем бетона 0,33 м3
  • Геометрический объем 0,528 м3
Цена: 7042 руб.
Подробнее
3КС 33-33-13
Колонны сечением 400х400 мм для зданий с высотами этажей 3,3 м Серия 1.020.1-2с/89
  • Длина 3300 мм.
  • Ширина 400 мм.
  • Высота 400 мм.
  • Вес 1319 кг.
  • Объем бетона 0,33 м3
  • Геометрический объем 0,528 м3
Цена: 7042 руб.
Подробнее
3КС 33-33-11 с
Колонны сечением 400х400 мм для зданий с высотами этажей 3,3 м Серия 1.020.1-2с/89
  • Длина 3300 мм.
  • Ширина 400 мм.
  • Высота 400 мм.
  • Вес 1319 кг.
  • Объем бетона 0,33 м3
  • Геометрический объем 0,528 м3
Цена: 7042 руб.
Подробнее
3КС 33-33-1 с
Колонны сечением 400х400 мм для зданий с высотами этажей 3,3 м Серия 1.020.1-2с/89
  • Длина 3300 мм.
  • Ширина 400 мм.
  • Высота 400 мм.
  • Вес 1319 кг.
  • Объем бетона 0,33 м3
  • Геометрический объем 0,528 м3
Цена: 7042 руб.
Подробнее
3КС 33-33-13 с
Колонны сечением 400х400 мм для зданий с высотами этажей 3,3 м Серия 1.020.1-2с/89
  • Длина 3300 мм.
  • Ширина 400 мм.
  • Высота 400 мм.
  • Вес 1319 кг.
  • Объем бетона 0,33 м3
  • Геометрический объем 0,528 м3
Цена: 7042 руб.
Подробнее
3КС 33-33-14
Колонны сечением 400х400 мм для зданий с высотами этажей 3,3 м Серия 1.020.1-2с/89
  • Длина 3300 мм.
  • Ширина 400 мм.
  • Высота 400 мм.
  • Вес 1319 кг.
  • Объем бетона 0,33 м3
  • Геометрический объем 0,528 м3
Цена: 7042 руб.
Подробнее
3КС 33-33-14 с
Колонны сечением 400х400 мм для зданий с высотами этажей 3,3 м Серия 1.020.1-2с/89
  • Длина 3300 мм.
  • Ширина 400 мм.
  • Высота 400 мм.
  • Вес 1319 кг.
  • Объем бетона 0,33 м3
  • Геометрический объем 0,528 м3
Цена: 7042 руб.
Подробнее
3КС 33-33-4
Колонны сечением 400х400 мм для зданий с высотами этажей 3,3 м Серия 1.020.1-2с/89
  • Длина 3300 мм.
  • Ширина 400 мм.
  • Высота 400 мм.
  • Вес 1319 кг.
  • Объем бетона 0,33 м3
  • Геометрический объем 0,528 м3
Цена: 7042 руб.
Подробнее
3КС 33-33-3
Колонны сечением 400х400 мм для зданий с высотами этажей 3,3 м Серия 1.020.1-2с/89
  • Длина 3300 мм.
  • Ширина 400 мм.
  • Высота 400 мм.
  • Вес 1319 кг.
  • Объем бетона 0,33 м3
  • Геометрический объем 0,528 м3
Цена: 7042 руб.
Подробнее
3КС 33-33-3 с
Колонны сечением 400х400 мм для зданий с высотами этажей 3,3 м Серия 1.020.1-2с/89
  • Длина 3300 мм.
  • Ширина 400 мм.
  • Высота 400 мм.
  • Вес 1320 кг.
  • Объем бетона 0,53 м3
  • Геометрический объем 0,528 м3
Цена: 11310 руб.
Подробнее
3КС 33-33-6
Колонны сечением 400х400 мм для зданий с высотами этажей 3,3 м Серия 1.020.1-2с/89
  • Длина 3300 мм.
  • Ширина 400 мм.
  • Высота 400 мм.
  • Вес 1319 кг.
  • Объем бетона 0,33 м3
  • Геометрический объем 0,528 м3
Цена: 7042 руб.
Подробнее
3КС 33-33-4 с
Колонны сечением 400х400 мм для зданий с высотами этажей 3,3 м Серия 1.020.1-2с/89
  • Длина 3300 мм.
  • Ширина 400 мм.
  • Высота 400 мм.
  • Вес 1319 кг.
  • Объем бетона 0,33 м3
  • Геометрический объем 0,528 м3
Цена: 7042 руб.
Подробнее
3КС 33-33-7 с
Колонны сечением 400х400 мм для зданий с высотами этажей 3,3 м Серия 1.020.1-2с/89
  • Длина 3300 мм.
  • Ширина 400 мм.
  • Высота 400 мм.
  • Вес 1319 кг.
  • Объем бетона 0,33 м3
  • Геометрический объем 0,528 м3
Цена: 7042 руб.
Подробнее
3КС 33-33-7
Колонны сечением 400х400 мм для зданий с высотами этажей 3,3 м Серия 1.020.1-2с/89
  • Длина 3300 мм.
  • Ширина 400 мм.
  • Высота 400 мм.
  • Вес 1319 кг.
  • Объем бетона 0,33 м3
  • Геометрический объем 0,528 м3
Цена: 7042 руб.
Подробнее
3КС 33-33-6 с
Колонны сечением 400х400 мм для зданий с высотами этажей 3,3 м Серия 1.020.1-2с/89
  • Длина 3300 мм.
  • Ширина 400 мм.
  • Высота 400 мм.
  • Вес 1319 кг.
  • Объем бетона 0,33 м3
  • Геометрический объем 0,528 м3
Цена: 7042 руб.
Подробнее
3КС 33-33-9
Колонны сечением 400х400 мм для зданий с высотами этажей 3,3 м Серия 1.020.1-2с/89
  • Длина 3300 мм.
  • Ширина 400 мм.
  • Высота 400 мм.
  • Вес 1319 кг.
  • Объем бетона 0,33 м3
  • Геометрический объем 0,528 м3
Цена: 7042 руб.
Подробнее
3КС 33-99-1
Колонны сечением 400х400 мм для зданий с высотами этажей 3,3 м Серия 1.020.1-2с/89
  • Длина 9900 мм.
  • Ширина 400 мм.
  • Высота 400 мм.
  • Вес 3959 кг.
  • Объем бетона 1,58 м3
  • Геометрический объем 1,584 м3
Цена: 33717 руб.
Подробнее
3КС 33-33-9 с
Колонны сечением 400х400 мм для зданий с высотами этажей 3,3 м Серия 1.020.1-2с/89
  • Длина 3300 мм.
  • Ширина 400 мм.
  • Высота 400 мм.
  • Вес 1319 кг.
  • Объем бетона 0,33 м3
  • Геометрический объем 0,528 м3
Цена: 7042 руб.
Подробнее
3КС 33-99-11
Колонны сечением 400х400 мм для зданий с высотами этажей 3,3 м Серия 1.020.1-2с/89
  • Длина 9900 мм.
  • Ширина 400 мм.
  • Высота 400 мм.
  • Вес 3959 кг.
  • Объем бетона 1,58 м3
  • Геометрический объем 1,584 м3
Цена: 33717 руб.
Подробнее
3КС 33-99-1 с
Колонны сечением 400х400 мм для зданий с высотами этажей 3,3 м Серия 1.020.1-2с/89
  • Длина 9900 мм.
  • Ширина 400 мм.
  • Высота 400 мм.
  • Вес 3960 кг.
  • Объем бетона 1,58 м3
  • Геометрический объем 1,584 м3
Цена: 33717 руб.
Подробнее
3КС 33-99-3
Колонны сечением 400х400 мм для зданий с высотами этажей 3,3 м Серия 1.020.1-2с/89
  • Длина 9900 мм.
  • Ширина 400 мм.
  • Высота 400 мм.
  • Вес 3959 кг.
  • Объем бетона 1,58 м3
  • Геометрический объем 1,584 м3
Цена: 33717 руб.
Подробнее
3КС 33-99-11 с
Колонны сечением 400х400 мм для зданий с высотами этажей 3,3 м Серия 1.020.1-2с/89
  • Длина 9900 мм.
  • Ширина 400 мм.
  • Высота 400 мм.
  • Вес 3959 кг.
  • Объем бетона 1,58 м3
  • Геометрический объем 1,584 м3
Цена: 33717 руб.
Подробнее
3КС 33-99-4
Колонны сечением 400х400 мм для зданий с высотами этажей 3,3 м Серия 1.020.1-2с/89
  • Длина 9900 мм.
  • Ширина 400 мм.
  • Высота 400 мм.
  • Вес 3959 кг.
  • Объем бетона 1,58 м3
  • Геометрический объем 1,584 м3
Цена: 33717 руб.
Подробнее
3КС 33-99-3 с
Колонны сечением 400х400 мм для зданий с высотами этажей 3,3 м Серия 1.020.1-2с/89
  • Длина 9900 мм.
  • Ширина 400 мм.
  • Высота 400 мм.
  • Вес 3959 кг.
  • Объем бетона 1,58 м3
  • Геометрический объем 1,584 м3
Цена: 33717 руб.
Подробнее
3КС 33-99-5
Колонны сечением 400х400 мм для зданий с высотами этажей 3,3 м Серия 1.020.1-2с/89
  • Длина 9900 мм.
  • Ширина 400 мм.
  • Высота 400 мм.
  • Вес 3959 кг.
  • Объем бетона 1,58 м3
  • Геометрический объем 1,584 м3
Цена: 33717 руб.
Подробнее
3КС 33-99-4 с
Колонны сечением 400х400 мм для зданий с высотами этажей 3,3 м Серия 1.020.1-2с/89
  • Длина 9900 мм.
  • Ширина 400 мм.
  • Высота 400 мм.
  • Вес 3959 кг.
  • Объем бетона 1,58 м3
  • Геометрический объем 1,584 м3
Цена: 33717 руб.
Подробнее
3КС 33-99-6
Колонны сечением 400х400 мм для зданий с высотами этажей 3,3 м Серия 1.020.1-2с/89
  • Длина 9900 мм.
  • Ширина 400 мм.
  • Высота 400 мм.
  • Вес 3959 кг.
  • Объем бетона 1,58 м3
  • Геометрический объем 1,584 м3
Цена: 33717 руб.
Подробнее
3КС 33-99-5 с
Колонны сечением 400х400 мм для зданий с высотами этажей 3,3 м Серия 1.020.1-2с/89
  • Длина 9900 мм.
  • Ширина 400 мм.
  • Высота 400 мм.
  • Вес 3959 кг.
  • Объем бетона 1,58 м3
  • Геометрический объем 1,584 м3
Цена: 33717 руб.
Подробнее
3КС 33-99-7
Колонны сечением 400х400 мм для зданий с высотами этажей 3,3 м Серия 1.020.1-2с/89
  • Длина 9900 мм.
  • Ширина 400 мм.
  • Высота 400 мм.
  • Вес 3959 кг.
  • Объем бетона 1,58 м3
  • Геометрический объем 1,584 м3
Цена: 33717 руб.
Подробнее
3КС 33-99-6 с
Колонны сечением 400х400 мм для зданий с высотами этажей 3,3 м Серия 1.020.1-2с/89
  • Длина 9900 мм.
  • Ширина 400 мм.
  • Высота 400 мм.
  • Вес 3959 кг.
  • Объем бетона 1,58 м3
  • Геометрический объем 1,584 м3
Цена: 33717 руб.
Подробнее
3КС 33-99-9 с
Колонны сечением 400х400 мм для зданий с высотами этажей 3,3 м Серия 1.020.1-2с/89
  • Длина 9900 мм.
  • Ширина 400 мм.
  • Высота 400 мм.
  • Вес 3959 кг.
  • Объем бетона 1,58 м3
  • Геометрический объем 1,584 м3
Цена: 33717 руб.
Подробнее
3КС 33-99-9
Колонны сечением 400х400 мм для зданий с высотами этажей 3,3 м Серия 1.020.1-2с/89
  • Длина 9900 мм.
  • Ширина 400 мм.
  • Высота 400 мм.
  • Вес 3959 кг.
  • Объем бетона 1,58 м3
  • Геометрический объем 1,584 м3
Цена: 33717 руб.
Подробнее
3КС 33-99-7 с
Колонны сечением 400х400 мм для зданий с высотами этажей 3,3 м Серия 1.020.1-2с/89
  • Длина 9900 мм.
  • Ширина 400 мм.
  • Высота 400 мм.
  • Вес 3959 кг.
  • Объем бетона 1,58 м3
  • Геометрический объем 1,584 м3
Цена: 33717 руб.
Подробнее
4КБ 33-110-1
Колонны сечением 400х400 мм для зданий с высотами этажей 3,3 м Серия 1.020.1-2с/89
  • Длина 10970 мм.
  • Ширина 400 мм.
  • Высота 400 мм.
  • Вес 4387 кг.
  • Объем бетона 1,76 м3
  • Геометрический объем 1,7552 м3
Цена: 37558 руб.
Подробнее
4КБ 33-110-1 с
Колонны сечением 400х400 мм для зданий с высотами этажей 3,3 м Серия 1.020.1-2с/89
  • Длина 10970 мм.
  • Ширина 400 мм.
  • Высота 400 мм.
  • Вес 4387 кг.
  • Объем бетона 1,76 м3
  • Геометрический объем 1,7552 м3
Цена: 37558 руб.
Подробнее
4КБ 33-110-11
Колонны сечением 400х400 мм для зданий с высотами этажей 3,3 м Серия 1.020.1-2с/89
  • Длина 10970 мм.
  • Ширина 400 мм.
  • Высота 400 мм.
  • Вес 4387 кг.
  • Объем бетона 1,76 м3
  • Геометрический объем 1,7552 м3
Цена: 37558 руб.
Подробнее
4КБ 33-110-2
Колонны сечением 400х400 мм для зданий с высотами этажей 3,3 м Серия 1.020.1-2с/89
  • Длина 10970 мм.
  • Ширина 400 мм.
  • Высота 400 мм.
  • Вес 4387 кг.
  • Объем бетона 1,76 м3
  • Геометрический объем 1,7552 м3
Цена: 37558 руб.
Подробнее
4КБ 33-110-3
Колонны сечением 400х400 мм для зданий с высотами этажей 3,3 м Серия 1.020.1-2с/89
  • Длина 10970 мм.
  • Ширина 400 мм.
  • Высота 400 мм.
  • Вес 4387 кг.
  • Объем бетона 1,76 м3
  • Геометрический объем 1,7552 м3
Цена: 37558 руб.
Подробнее
4КБ 33-110-2 с
Колонны сечением 400х400 мм для зданий с высотами этажей 3,3 м Серия 1.020.1-2с/89
  • Длина 10970 мм.
  • Ширина 400 мм.
  • Высота 400 мм.
  • Вес 4387 кг.
  • Объем бетона 1,76 м3
  • Геометрический объем 1,7552 м3
Цена: 37558 руб.
Подробнее
4КБ 33-110-11 с
Колонны сечением 400х400 мм для зданий с высотами этажей 3,3 м Серия 1.020.1-2с/89
  • Длина 10970 мм.
  • Ширина 400 мм.
  • Высота 400 мм.
  • Вес 4387 кг.
  • Объем бетона 1,76 м3
  • Геометрический объем 1,7552 м3
Цена: 37558 руб.
Подробнее
4КБ 33-110-4
Колонны сечением 400х400 мм для зданий с высотами этажей 3,3 м Серия 1.020.1-2с/89
  • Длина 10970 мм.
  • Ширина 400 мм.
  • Высота 400 мм.
  • Вес 4387 кг.
  • Объем бетона 1,76 м3
  • Геометрический объем 1,7552 м3
Цена: 37558 руб.
Подробнее

Уведомление о файлах cookie

Мы используем файлы cookie для улучшения вашего опыта просмотра и анализа трафика. Нажимая "Принять все", вы соглашаетесь с нашей политикой конфиденциальности и политикой обработки файлов cookie.

MAX Дзен Телеграм Вконтакте vk