mobile_sound +7 (930) 655-55-90

Типовые конструкции и железобетонные изделия. Рабочие чертежи (Серия 1.020-1/83)

Поделиться:
Поделиться:

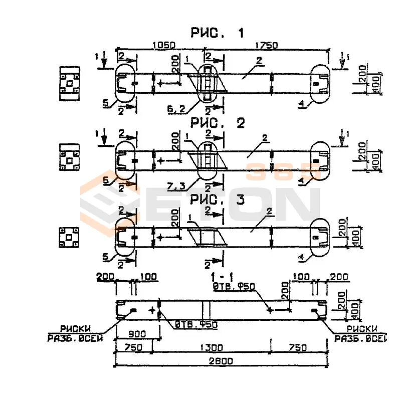
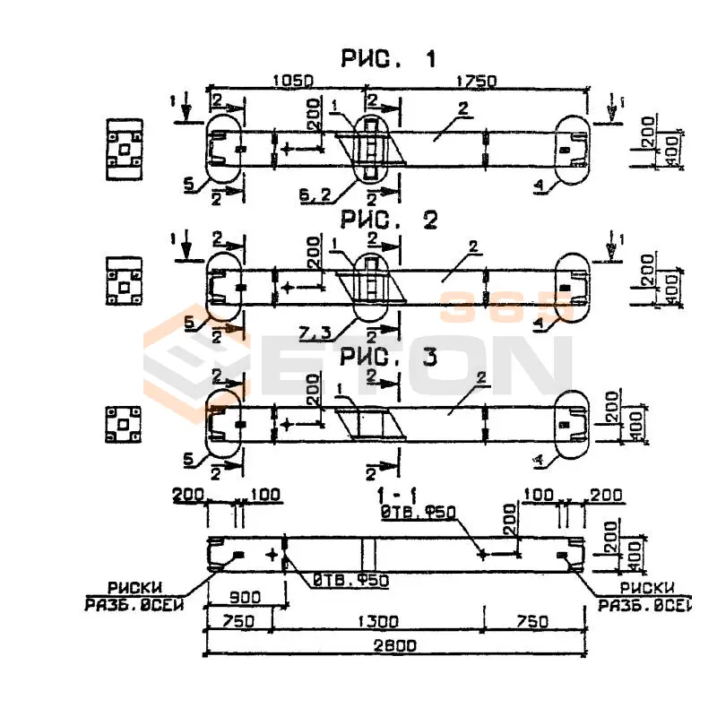
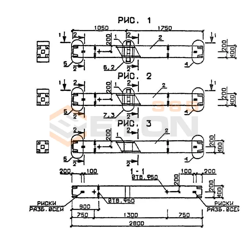
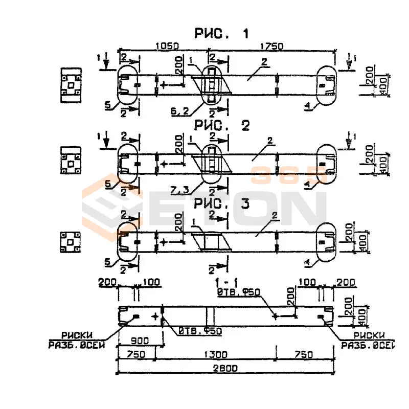
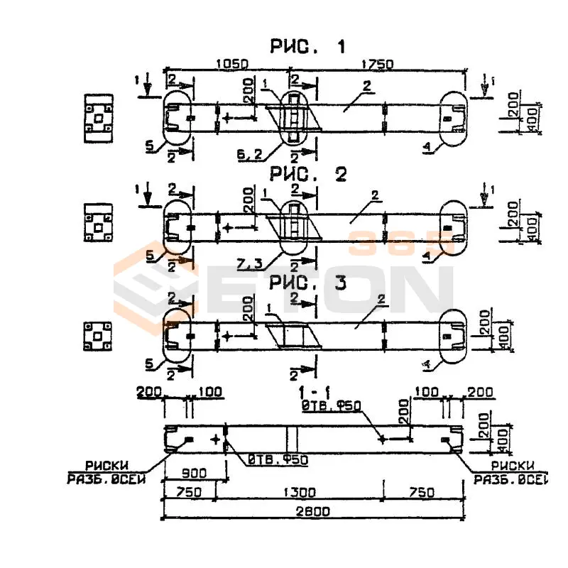
Документ Серия 1.020-1/83 описывает область применения, номенклатуру и ключевые требования, опираясь на действующие нормы и практику проектирования. Серия 1.020-1/83 была введён в действие в действие в 1984 году Госстроем СССР. Регламент был разработан для использования в строительстве каркасных сооружений различного назначения, используемых как в общественной сфере, так и в промышленности. В составе нормативного документа множество выпусков, описывающих широкий перечень железобетонных конструкций, их технологию производства, нормативные требования к сырью, правила транспортировки и условия контрольных испытаний.

Файлы для скачивания:
picture_as_pdf

2580.pdf

15,675.1 KB

скачать
picture_as_pdf

2581.pdf

23,945.7 KB

скачать
picture_as_pdf

2582.pdf

20,483.3 KB

скачать
picture_as_pdf

2583.pdf

6,860.2 KB

скачать
picture_as_pdf

2584.pdf

16,434.8 KB

скачать
picture_as_pdf

2585.pdf

20,841.3 KB

скачать
picture_as_pdf

2586.pdf

26,903.2 KB

скачать
picture_as_pdf

2587.pdf

20,029.6 KB

скачать
picture_as_pdf

2588.pdf

2,605.2 KB

скачать
picture_as_pdf

2589.pdf

2,889.2 KB

скачать
picture_as_pdf

2590.pdf

21,683.3 KB

скачать
picture_as_pdf

2599.pdf

13,119.2 KB

скачать
picture_as_pdf

2600.pdf

11,938.9 KB

скачать
picture_as_pdf

2601.pdf

13,283.4 KB

скачать
picture_as_pdf

2602.pdf

11,968.5 KB

скачать
picture_as_pdf

2603.pdf

6,639.4 KB

скачать
picture_as_pdf

2591.pdf

25,682.5 KB

скачать
picture_as_pdf

2592.pdf

3,875.3 KB

скачать
picture_as_pdf

2593.pdf

8,443.7 KB

скачать
picture_as_pdf

2594.pdf

12,230.0 KB

скачать
picture_as_pdf

2595.pdf

14,921.8 KB

скачать
picture_as_pdf

2596.pdf

22,323.0 KB

скачать
picture_as_pdf

2597.pdf

25,224.8 KB

скачать
picture_as_pdf

2598.pdf

18,444.8 KB

скачать
picture_as_pdf

2604.pdf

4,899.0 KB

скачать
picture_as_pdf

2613.pdf

21,312.8 KB

скачать
picture_as_pdf

2614.pdf

12,289.1 KB

скачать
picture_as_pdf

2615.pdf

10,848.2 KB

скачать
picture_as_pdf

2605.pdf

10,182.2 KB

скачать
picture_as_pdf

2606.pdf

4,644.9 KB

скачать
picture_as_pdf

2607.pdf

10,690.2 KB

скачать
picture_as_pdf

2608.pdf

3,802.3 KB

скачать
picture_as_pdf

2609.pdf

7,332.0 KB

скачать
picture_as_pdf

2610.pdf

4,495.1 KB

скачать
picture_as_pdf

2611.pdf

5,092.7 KB

скачать
picture_as_pdf

2612.pdf

6,512.1 KB

скачать
picture_as_pdf

2616.pdf

24,697.3 KB

скачать
picture_as_pdf

2617.pdf

13,484.4 KB

скачать
picture_as_pdf

2618.pdf

13,182.9 KB

скачать
picture_as_pdf

2619.pdf

11,903.0 KB

скачать
picture_as_pdf

2620.pdf

1,678.1 KB

скачать
Товары Серия 1.020-1/83 (60)
1КНО 4-33-1,4
Колонны для зданий с высотой этажа 2,8 и 3,3 м серия 1.020-1/87 ( 1.020.1-7, 1.020-1/83, ИИ 04-1, 1.020.1-3пв )
  • Длина 5050 мм.
  • Ширина 400 мм.
  • Высота 400 мм.
  • Вес 2020 кг.
  • Объем бетона 0,81 м3
  • Геометрический объем 0,808 м3
Цена: 20428 руб.
Подробнее
1КНО 4-33-1,5
Колонны для зданий с высотой этажа 2,8 и 3,3 м серия 1.020-1/87 ( 1.020.1-7, 1.020-1/83, ИИ 04-1, 1.020.1-3пв )
  • Длина 5050 мм.
  • Ширина 400 мм.
  • Высота 400 мм.
  • Вес 2020 кг.
  • Объем бетона 0,81 м3
  • Геометрический объем 0,808 м3
Цена: 20428 руб.
Подробнее
1КНО 4-33-2-2 пв
Колонны для зданий с высотой этажа 2,8 и 3,3 м серия 1.020-1/87 ( 1.020.1-7, 1.020-1/83, ИИ 04-1, 1.020.1-3пв )
  • Длина 4050 мм.
  • Ширина 400 мм.
  • Высота 400 мм.
  • Вес 1800 кг.
  • Объем бетона 0,72 м3
  • Геометрический объем 0,648 м3
Цена: 18158 руб.
Подробнее
1КНО 4-33-2-1 пв
Колонны для зданий с высотой этажа 2,8 и 3,3 м серия 1.020-1/87 ( 1.020.1-7, 1.020-1/83, ИИ 04-1, 1.020.1-3пв )
  • Длина 4050 мм.
  • Ширина 400 мм.
  • Высота 400 мм.
  • Вес 1800 кг.
  • Объем бетона 0,72 м3
  • Геометрический объем 0,648 м3
Цена: 18158 руб.
Подробнее
1КНО 4-33-2-3 пв
Колонны для зданий с высотой этажа 2,8 и 3,3 м серия 1.020-1/87 ( 1.020.1-7, 1.020-1/83, ИИ 04-1, 1.020.1-3пв )
  • Длина 4050 мм.
  • Ширина 400 мм.
  • Высота 400 мм.
  • Вес 1800 кг.
  • Объем бетона 0,72 м3
  • Геометрический объем 0,648 м3
Цена: 18158 руб.
Подробнее
1КНО 4-33-1,6
Колонны для зданий с высотой этажа 2,8 и 3,3 м серия 1.020-1/87 ( 1.020.1-7, 1.020-1/83, ИИ 04-1, 1.020.1-3пв )
  • Длина 5050 мм.
  • Ширина 400 мм.
  • Высота 400 мм.
  • Вес 2020 кг.
  • Объем бетона 0,81 м3
  • Геометрический объем 0,808 м3
Цена: 20428 руб.
Подробнее
1КНО 4-33-2-4 пв
Колонны для зданий с высотой этажа 2,8 и 3,3 м серия 1.020-1/87 ( 1.020.1-7, 1.020-1/83, ИИ 04-1, 1.020.1-3пв )
  • Длина 4050 мм.
  • Ширина 400 мм.
  • Высота 400 мм.
  • Вес 1800 кг.
  • Объем бетона 0,72 м3
  • Геометрический объем 0,648 м3
Цена: 18158 руб.
Подробнее
1КНО 4-33-2-5 пв
Колонны для зданий с высотой этажа 2,8 и 3,3 м серия 1.020-1/87 ( 1.020.1-7, 1.020-1/83, ИИ 04-1, 1.020.1-3пв )
  • Длина 4050 мм.
  • Ширина 400 мм.
  • Высота 400 мм.
  • Вес 1800 кг.
  • Объем бетона 0,72 м3
  • Геометрический объем 0,648 м3
Цена: 18158 руб.
Подробнее
1КНО 4-33-2-6 пв
Колонны для зданий с высотой этажа 2,8 и 3,3 м серия 1.020-1/87 ( 1.020.1-7, 1.020-1/83, ИИ 04-1, 1.020.1-3пв )
  • Длина 4050 мм.
  • Ширина 400 мм.
  • Высота 400 мм.
  • Вес 1800 кг.
  • Объем бетона 0,72 м3
  • Геометрический объем 0,648 м3
Цена: 18158 руб.
Подробнее
1КНО 4-33-2-7 пв
Колонны для зданий с высотой этажа 2,8 и 3,3 м серия 1.020-1/87 ( 1.020.1-7, 1.020-1/83, ИИ 04-1, 1.020.1-3пв )
  • Длина 4050 мм.
  • Ширина 400 мм.
  • Высота 400 мм.
  • Вес 1800 кг.
  • Объем бетона 0,72 м3
  • Геометрический объем 0,648 м3
Цена: 18158 руб.
Подробнее
1КНО 4-33-2,1
Колонны для зданий с высотой этажа 2,8 и 3,3 м серия 1.020-1/87 ( 1.020.1-7, 1.020-1/83, ИИ 04-1, 1.020.1-3пв )
  • Длина 5050 мм.
  • Ширина 400 мм.
  • Высота 400 мм.
  • Вес 2020 кг.
  • Объем бетона 0,81 м3
  • Геометрический объем 0,808 м3
Цена: 20428 руб.
Подробнее
1КНО 4-33-2,2
Колонны для зданий с высотой этажа 2,8 и 3,3 м серия 1.020-1/87 ( 1.020.1-7, 1.020-1/83, ИИ 04-1, 1.020.1-3пв )
  • Длина 5050 мм.
  • Ширина 400 мм.
  • Высота 400 мм.
  • Вес 2020 кг.
  • Объем бетона 0,81 м3
  • Геометрический объем 0,808 м3
Цена: 20428 руб.
Подробнее
1КНО 4-33-2,3
Колонны для зданий с высотой этажа 2,8 и 3,3 м серия 1.020-1/87 ( 1.020.1-7, 1.020-1/83, ИИ 04-1, 1.020.1-3пв )
  • Длина 5050 мм.
  • Ширина 400 мм.
  • Высота 400 мм.
  • Вес 2020 кг.
  • Объем бетона 0,81 м3
  • Геометрический объем 0,808 м3
Цена: 20428 руб.
Подробнее
1КНО 4-33-2,5
Колонны для зданий с высотой этажа 2,8 и 3,3 м серия 1.020-1/87 ( 1.020.1-7, 1.020-1/83, ИИ 04-1, 1.020.1-3пв )
  • Длина 5050 мм.
  • Ширина 400 мм.
  • Высота 400 мм.
  • Вес 2020 кг.
  • Объем бетона 0,81 м3
  • Геометрический объем 0,808 м3
Цена: 20428 руб.
Подробнее
1КНО 4-33-2,4
Колонны для зданий с высотой этажа 2,8 и 3,3 м серия 1.020-1/87 ( 1.020.1-7, 1.020-1/83, ИИ 04-1, 1.020.1-3пв )
  • Длина 5050 мм.
  • Ширина 400 мм.
  • Высота 400 мм.
  • Вес 2020 кг.
  • Объем бетона 0,81 м3
  • Геометрический объем 0,808 м3
Цена: 20428 руб.
Подробнее
1КНО 4-33-2,6
Колонны для зданий с высотой этажа 2,8 и 3,3 м серия 1.020-1/87 ( 1.020.1-7, 1.020-1/83, ИИ 04-1, 1.020.1-3пв )
  • Длина 5050 мм.
  • Ширина 400 мм.
  • Высота 400 мм.
  • Вес 2020 кг.
  • Объем бетона 0,81 м3
  • Геометрический объем 0,808 м3
Цена: 20428 руб.
Подробнее
1КНО 4-33-2,7
Колонны для зданий с высотой этажа 2,8 и 3,3 м серия 1.020-1/87 ( 1.020.1-7, 1.020-1/83, ИИ 04-1, 1.020.1-3пв )
  • Длина 5050 мм.
  • Ширина 400 мм.
  • Высота 400 мм.
  • Вес 2020 кг.
  • Объем бетона 0,81 м3
  • Геометрический объем 0,808 м3
Цена: 20428 руб.
Подробнее
1КО 3-33
Колонны для зданий с высотой этажа 2,8 и 3,3 м серия 1.020-1/87 ( 1.020.1-7, 1.020-1/83, ИИ 04-1, 1.020.1-3пв )
  • Длина 4150 мм.
  • Ширина 300 мм.
  • Высота 300 мм.
  • Вес 950 кг.
  • Объем бетона 0,38 м3
  • Геометрический объем 0,3735 м3
Цена: 9584 руб.
Подробнее
1КС 33-1
Колонны для зданий с высотой этажа 2,8 и 3,3 м серия 1.020-1/87 ( 1.020.1-7, 1.020-1/83, ИИ 04-1, 1.020.1-3пв )
  • Длина 3300 мм.
  • Ширина 400 мм.
  • Высота 400 мм.
  • Вес 1320 кг.
  • Объем бетона 0,53 м3
  • Геометрический объем 0,53 м3
Цена: 13367 руб.
Подробнее
1КС 33-38-4
Колонны для зданий с высотой этажа 2,8 и 3,3 м серия 1.020-1/87 ( 1.020.1-7, 1.020-1/83, ИИ 04-1, 1.020.1-3пв )
  • Длина 3300 мм.
  • Ширина 400 мм.
  • Высота 400 мм.
  • Вес 1320 кг.
  • Объем бетона 0,53 м3
  • Геометрический объем 0,528 м3
Цена: 13367 руб.
Подробнее
1КС 33-33
Колонны для зданий с высотой этажа 2,8 и 3,3 м серия 1.020-1/87 ( 1.020.1-7, 1.020-1/83, ИИ 04-1, 1.020.1-3пв )
  • Длина 3300 мм.
  • Ширина 400 мм.
  • Высота 400 мм.
  • Вес 1320 кг.
  • Объем бетона 0,53 м3
  • Геометрический объем 0,528 м3
Цена: 13367 руб.
Подробнее
1КС 33-32-4
Колонны для зданий с высотой этажа 2,8 и 3,3 м серия 1.020-1/87 ( 1.020.1-7, 1.020-1/83, ИИ 04-1, 1.020.1-3пв )
  • Длина 3300 мм.
  • Ширина 400 мм.
  • Высота 400 мм.
  • Вес 1320 кг.
  • Объем бетона 0,53 м3
  • Геометрический объем 0,528 м3
Цена: 13367 руб.
Подробнее
1КС 33-45
Колонны для зданий с высотой этажа 2,8 и 3,3 м серия 1.020-1/87 ( 1.020.1-7, 1.020-1/83, ИИ 04-1, 1.020.1-3пв )
  • Длина 3300 мм.
  • Ширина 400 мм.
  • Высота 400 мм.
  • Вес 1320 кг.
  • Объем бетона 0,53 м3
  • Геометрический объем 0,528 м3
Цена: 13367 руб.
Подробнее
1КС 33-40
Колонны для зданий с высотой этажа 2,8 и 3,3 м серия 1.020-1/87 ( 1.020.1-7, 1.020-1/83, ИИ 04-1, 1.020.1-3пв )
  • Длина 3300 мм.
  • Ширина 400 мм.
  • Высота 400 мм.
  • Вес 1320 кг.
  • Объем бетона 0,53 м3
  • Геометрический объем 0,528 м3
Цена: 13367 руб.
Подробнее
1КС 4-28-1
Колонны для зданий с высотой этажа 2,8 и 3,3 м серия 1.020-1/87 ( 1.020.1-7, 1.020-1/83, ИИ 04-1, 1.020.1-3пв )
  • Длина 2800 мм.
  • Ширина 400 мм.
  • Высота 400 мм.
  • Вес 1120 кг.
  • Объем бетона 0,44 м3
  • Геометрический объем 0,448 м3
Цена: 11097 руб.
Подробнее
1КС 4-28-2
Колонны для зданий с высотой этажа 2,8 и 3,3 м серия 1.020-1/87 ( 1.020.1-7, 1.020-1/83, ИИ 04-1, 1.020.1-3пв )
  • Длина 2800 мм.
  • Ширина 400 мм.
  • Высота 400 мм.
  • Вес 1120 кг.
  • Объем бетона 0,44 м3
  • Геометрический объем 0,448 м3
Цена: 11097 руб.
Подробнее
1КС 4-28-3
Колонны для зданий с высотой этажа 2,8 и 3,3 м серия 1.020-1/87 ( 1.020.1-7, 1.020-1/83, ИИ 04-1, 1.020.1-3пв )
  • Длина 2800 мм.
  • Ширина 400 мм.
  • Высота 400 мм.
  • Вес 1120 кг.
  • Объем бетона 0,44 м3
  • Геометрический объем 0,448 м3
Цена: 11097 руб.
Подробнее
1КС 4-28-4
Колонны для зданий с высотой этажа 2,8 и 3,3 м серия 1.020-1/87 ( 1.020.1-7, 1.020-1/83, ИИ 04-1, 1.020.1-3пв )
  • Длина 2800 мм.
  • Ширина 400 мм.
  • Высота 400 мм.
  • Вес 1120 кг.
  • Объем бетона 0,44 м3
  • Геометрический объем 0,448 м3
Цена: 11097 руб.
Подробнее
1КС 4-33-1
Колонны для зданий с высотой этажа 2,8 и 3,3 м серия 1.020-1/87 ( 1.020.1-7, 1.020-1/83, ИИ 04-1, 1.020.1-3пв )
  • Длина 3300 мм.
  • Ширина 400 мм.
  • Высота 400 мм.
  • Вес 1320 кг.
  • Объем бетона 0,53 м3
  • Геометрический объем 0,528 м3
Цена: 13367 руб.
Подробнее
1КС 4-33-2
Колонны для зданий с высотой этажа 2,8 и 3,3 м серия 1.020-1/87 ( 1.020.1-7, 1.020-1/83, ИИ 04-1, 1.020.1-3пв )
  • Длина 3300 мм.
  • Ширина 400 мм.
  • Высота 400 мм.
  • Вес 1320 кг.
  • Объем бетона 0,53 м3
  • Геометрический объем 0,528 м3
Цена: 13367 руб.
Подробнее
1КС 4-33-3
Колонны для зданий с высотой этажа 2,8 и 3,3 м серия 1.020-1/87 ( 1.020.1-7, 1.020-1/83, ИИ 04-1, 1.020.1-3пв )
  • Длина 3300 мм.
  • Ширина 400 мм.
  • Высота 400 мм.
  • Вес 1320 кг.
  • Объем бетона 0,53 м3
  • Геометрический объем 0,528 м3
Цена: 13367 руб.
Подробнее
1КС 4-33-5
Колонны для зданий с высотой этажа 2,8 и 3,3 м серия 1.020-1/87 ( 1.020.1-7, 1.020-1/83, ИИ 04-1, 1.020.1-3пв )
  • Длина 3300 мм.
  • Ширина 400 мм.
  • Высота 400 мм.
  • Вес 1320 кг.
  • Объем бетона 0,53 м3
  • Геометрический объем 0,528 м3
Цена: 13367 руб.
Подробнее
1КС 4-33-4
Колонны для зданий с высотой этажа 2,8 и 3,3 м серия 1.020-1/87 ( 1.020.1-7, 1.020-1/83, ИИ 04-1, 1.020.1-3пв )
  • Длина 3300 мм.
  • Ширина 400 мм.
  • Высота 400 мм.
  • Вес 1320 кг.
  • Объем бетона 0,53 м3
  • Геометрический объем 0,528 м3
Цена: 13367 руб.
Подробнее
1КСД 33-1
Колонны для зданий с высотой этажа 2,8 и 3,3 м серия 1.020-1/87 ( 1.020.1-7, 1.020-1/83, ИИ 04-1, 1.020.1-3пв )
  • Длина 3300 мм.
  • Ширина 400 мм.
  • Высота 400 мм.
  • Вес 1320 кг.
  • Объем бетона 0,53 м3
  • Геометрический объем 0,53 м3
Цена: 13367 руб.
Подробнее
1КСД 33-1-32-4
Колонны для зданий с высотой этажа 2,8 и 3,3 м серия 1.020-1/87 ( 1.020.1-7, 1.020-1/83, ИИ 04-1, 1.020.1-3пв )
  • Длина 3300 мм.
  • Ширина 400 мм.
  • Высота 400 мм.
  • Вес 1320 кг.
  • Объем бетона 0,53 м3
  • Геометрический объем 0,528 м3
Цена: 13367 руб.
Подробнее
1КСД 33-1-33
Колонны для зданий с высотой этажа 2,8 и 3,3 м серия 1.020-1/87 ( 1.020.1-7, 1.020-1/83, ИИ 04-1, 1.020.1-3пв )
  • Длина 3300 мм.
  • Ширина 400 мм.
  • Высота 400 мм.
  • Вес 1320 кг.
  • Объем бетона 0,53 м3
  • Геометрический объем 0,528 м3
Цена: 13367 руб.
Подробнее
1КСД 33-1-38-4
Колонны для зданий с высотой этажа 2,8 и 3,3 м серия 1.020-1/87 ( 1.020.1-7, 1.020-1/83, ИИ 04-1, 1.020.1-3пв )
  • Длина 3300 мм.
  • Ширина 400 мм.
  • Высота 400 мм.
  • Вес 1320 кг.
  • Объем бетона 0,53 м3
  • Геометрический объем 0,528 м3
Цена: 13367 руб.
Подробнее
1КСД 33-1-45
Колонны для зданий с высотой этажа 2,8 и 3,3 м серия 1.020-1/87 ( 1.020.1-7, 1.020-1/83, ИИ 04-1, 1.020.1-3пв )
  • Длина 3300 мм.
  • Ширина 400 мм.
  • Высота 400 мм.
  • Вес 1320 кг.
  • Объем бетона 0,53 м3
  • Геометрический объем 0,528 м3
Цена: 13367 руб.
Подробнее
1КСД 33-1-40
Колонны для зданий с высотой этажа 2,8 и 3,3 м серия 1.020-1/87 ( 1.020.1-7, 1.020-1/83, ИИ 04-1, 1.020.1-3пв )
  • Длина 3300 мм.
  • Ширина 400 мм.
  • Высота 400 мм.
  • Вес 1320 кг.
  • Объем бетона 0,53 м3
  • Геометрический объем 0,528 м3
Цена: 13367 руб.
Подробнее
1КСД 33-2-32-4
Колонны для зданий с высотой этажа 2,8 и 3,3 м серия 1.020-1/87 ( 1.020.1-7, 1.020-1/83, ИИ 04-1, 1.020.1-3пв )
  • Длина 3300 мм.
  • Ширина 400 мм.
  • Высота 400 мм.
  • Вес 1320 кг.
  • Объем бетона 0,53 м3
  • Геометрический объем 0,528 м3
Цена: 13367 руб.
Подробнее
1КСД 33-2-33
Колонны для зданий с высотой этажа 2,8 и 3,3 м серия 1.020-1/87 ( 1.020.1-7, 1.020-1/83, ИИ 04-1, 1.020.1-3пв )
  • Длина 3300 мм.
  • Ширина 400 мм.
  • Высота 400 мм.
  • Вес 1320 кг.
  • Объем бетона 0,53 м3
  • Геометрический объем 0,528 м3
Цена: 13367 руб.
Подробнее
1КСД 33-2-38-4
Колонны для зданий с высотой этажа 2,8 и 3,3 м серия 1.020-1/87 ( 1.020.1-7, 1.020-1/83, ИИ 04-1, 1.020.1-3пв )
  • Длина 3300 мм.
  • Ширина 400 мм.
  • Высота 400 мм.
  • Вес 1320 кг.
  • Объем бетона 0,53 м3
  • Геометрический объем 0,528 м3
Цена: 13367 руб.
Подробнее
1КСД 33-2-40
Колонны для зданий с высотой этажа 2,8 и 3,3 м серия 1.020-1/87 ( 1.020.1-7, 1.020-1/83, ИИ 04-1, 1.020.1-3пв )
  • Длина 3300 мм.
  • Ширина 400 мм.
  • Высота 400 мм.
  • Вес 1320 кг.
  • Объем бетона 0,53 м3
  • Геометрический объем 0,528 м3
Цена: 13367 руб.
Подробнее
1КСД 33-2,4
Колонны для зданий с высотой этажа 2,8 и 3,3 м серия 1.020-1/87 ( 1.020.1-7, 1.020-1/83, ИИ 04-1, 1.020.1-3пв )
  • Длина 3300 мм.
  • Ширина 400 мм.
  • Высота 400 мм.
  • Вес 1320 кг.
  • Объем бетона 0,53 м3
  • Геометрический объем 0,528 м3
Цена: 13367 руб.
Подробнее
1КСД 4-28-1,2
Колонны для зданий с высотой этажа 2,8 и 3,3 м серия 1.020-1/87 ( 1.020.1-7, 1.020-1/83, ИИ 04-1, 1.020.1-3пв )
  • Длина 2800 мм.
  • Ширина 400 мм.
  • Высота 400 мм.
  • Вес 1120 кг.
  • Объем бетона 0,44 м3
  • Геометрический объем 0,448 м3
Цена: 11097 руб.
Подробнее
1КСД 33-2-45
Колонны для зданий с высотой этажа 2,8 и 3,3 м серия 1.020-1/87 ( 1.020.1-7, 1.020-1/83, ИИ 04-1, 1.020.1-3пв )
  • Длина 3300 мм.
  • Ширина 400 мм.
  • Высота 400 мм.
  • Вес 1320 кг.
  • Объем бетона 0,53 м3
  • Геометрический объем 0,528 м3
Цена: 13367 руб.
Подробнее
1КСД 4-28-1,1
Колонны для зданий с высотой этажа 2,8 и 3,3 м серия 1.020-1/87 ( 1.020.1-7, 1.020-1/83, ИИ 04-1, 1.020.1-3пв )
  • Длина 2800 мм.
  • Ширина 400 мм.
  • Высота 400 мм.
  • Вес 1120 кг.
  • Объем бетона 0,44 м3
  • Геометрический объем 0,448 м3
Цена: 11097 руб.
Подробнее
1КСД 4-28-1,3
Колонны для зданий с высотой этажа 2,8 и 3,3 м серия 1.020-1/87 ( 1.020.1-7, 1.020-1/83, ИИ 04-1, 1.020.1-3пв )
  • Длина 2800 мм.
  • Ширина 400 мм.
  • Высота 400 мм.
  • Вес 1120 кг.
  • Объем бетона 0,44 м3
  • Геометрический объем 0,448 м3
Цена: 11097 руб.
Подробнее
1КСД 4-28-1,4
Колонны для зданий с высотой этажа 2,8 и 3,3 м серия 1.020-1/87 ( 1.020.1-7, 1.020-1/83, ИИ 04-1, 1.020.1-3пв )
  • Длина 2800 мм.
  • Ширина 400 мм.
  • Высота 400 мм.
  • Вес 1120 кг.
  • Объем бетона 0,44 м3
  • Геометрический объем 0,448 м3
Цена: 11097 руб.
Подробнее
1КСД 4-28-1,5
Колонны для зданий с высотой этажа 2,8 и 3,3 м серия 1.020-1/87 ( 1.020.1-7, 1.020-1/83, ИИ 04-1, 1.020.1-3пв )
  • Длина 2800 мм.
  • Ширина 400 мм.
  • Высота 400 мм.
  • Вес 1120 кг.
  • Объем бетона 0,44 м3
  • Геометрический объем 0,448 м3
Цена: 11097 руб.
Подробнее
1КСД 4-33-1,2
Колонны для зданий с высотой этажа 2,8 и 3,3 м серия 1.020-1/87 ( 1.020.1-7, 1.020-1/83, ИИ 04-1, 1.020.1-3пв )
  • Длина 3300 мм.
  • Ширина 400 мм.
  • Высота 400 мм.
  • Вес 1320 кг.
  • Объем бетона 0,53 м3
  • Геометрический объем 0,528 м3
Цена: 13367 руб.
Подробнее
1КСД 4-33-1,3
Колонны для зданий с высотой этажа 2,8 и 3,3 м серия 1.020-1/87 ( 1.020.1-7, 1.020-1/83, ИИ 04-1, 1.020.1-3пв )
  • Длина 3300 мм.
  • Ширина 400 мм.
  • Высота 400 мм.
  • Вес 1320 кг.
  • Объем бетона 0,53 м3
  • Геометрический объем 0,528 м3
Цена: 13367 руб.
Подробнее
1КСД 4-33-1,1
Колонны для зданий с высотой этажа 2,8 и 3,3 м серия 1.020-1/87 ( 1.020.1-7, 1.020-1/83, ИИ 04-1, 1.020.1-3пв )
  • Длина 3300 мм.
  • Ширина 400 мм.
  • Высота 400 мм.
  • Вес 1320 кг.
  • Объем бетона 0,53 м3
  • Геометрический объем 0,528 м3
Цена: 13367 руб.
Подробнее
1КСД 4-33-1,4
Колонны для зданий с высотой этажа 2,8 и 3,3 м серия 1.020-1/87 ( 1.020.1-7, 1.020-1/83, ИИ 04-1, 1.020.1-3пв )
  • Длина 3300 мм.
  • Ширина 400 мм.
  • Высота 400 мм.
  • Вес 1320 кг.
  • Объем бетона 0,53 м3
  • Геометрический объем 0,528 м3
Цена: 13367 руб.
Подробнее
1КСД 4-33-1,5
Колонны для зданий с высотой этажа 2,8 и 3,3 м серия 1.020-1/87 ( 1.020.1-7, 1.020-1/83, ИИ 04-1, 1.020.1-3пв )
  • Длина 3300 мм.
  • Ширина 400 мм.
  • Высота 400 мм.
  • Вес 1320 кг.
  • Объем бетона 0,53 м3
  • Геометрический объем 0,528 м3
Цена: 13367 руб.
Подробнее
1КСД 4-33-2,2
Колонны для зданий с высотой этажа 2,8 и 3,3 м серия 1.020-1/87 ( 1.020.1-7, 1.020-1/83, ИИ 04-1, 1.020.1-3пв )
  • Длина 3300 мм.
  • Ширина 400 мм.
  • Высота 400 мм.
  • Вес 1320 кг.
  • Объем бетона 0,53 м3
  • Геометрический объем 0,528 м3
Цена: 13367 руб.
Подробнее
1КСД 4-33-2,1
Колонны для зданий с высотой этажа 2,8 и 3,3 м серия 1.020-1/87 ( 1.020.1-7, 1.020-1/83, ИИ 04-1, 1.020.1-3пв )
  • Длина 3300 мм.
  • Ширина 400 мм.
  • Высота 400 мм.
  • Вес 1320 кг.
  • Объем бетона 0,53 м3
  • Геометрический объем 0,528 м3
Цена: 13367 руб.
Подробнее
1КСД 4-33-2,3
Колонны для зданий с высотой этажа 2,8 и 3,3 м серия 1.020-1/87 ( 1.020.1-7, 1.020-1/83, ИИ 04-1, 1.020.1-3пв )
  • Длина 3300 мм.
  • Ширина 400 мм.
  • Высота 400 мм.
  • Вес 1320 кг.
  • Объем бетона 0,53 м3
  • Геометрический объем 0,528 м3
Цена: 13367 руб.
Подробнее
1КСД 4-33-2,4
Колонны для зданий с высотой этажа 2,8 и 3,3 м серия 1.020-1/87 ( 1.020.1-7, 1.020-1/83, ИИ 04-1, 1.020.1-3пв )
  • Длина 3300 мм.
  • Ширина 400 мм.
  • Высота 400 мм.
  • Вес 1320 кг.
  • Объем бетона 0,53 м3
  • Геометрический объем 0,528 м3
Цена: 13367 руб.
Подробнее
1КСД 4-33-2,5
Колонны для зданий с высотой этажа 2,8 и 3,3 м серия 1.020-1/87 ( 1.020.1-7, 1.020-1/83, ИИ 04-1, 1.020.1-3пв )
  • Длина 3300 мм.
  • Ширина 400 мм.
  • Высота 400 мм.
  • Вес 1320 кг.
  • Объем бетона 0,53 м3
  • Геометрический объем 0,528 м3
Цена: 13367 руб.
Подробнее

Уведомление о файлах cookie

Мы используем файлы cookie для улучшения вашего опыта просмотра и анализа трафика. Нажимая "Принять все", вы соглашаетесь с нашей политикой конфиденциальности и политикой обработки файлов cookie.

Дзен Телеграм Вконтакте vk