mobile_sound +7 (930) 655-55-90

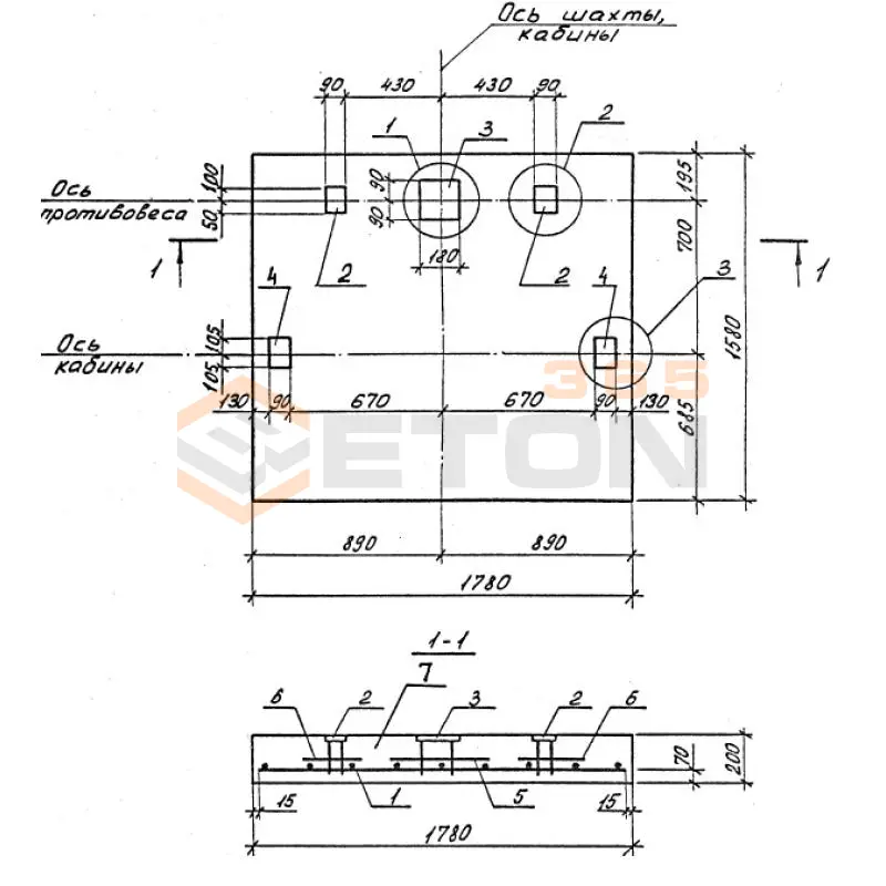
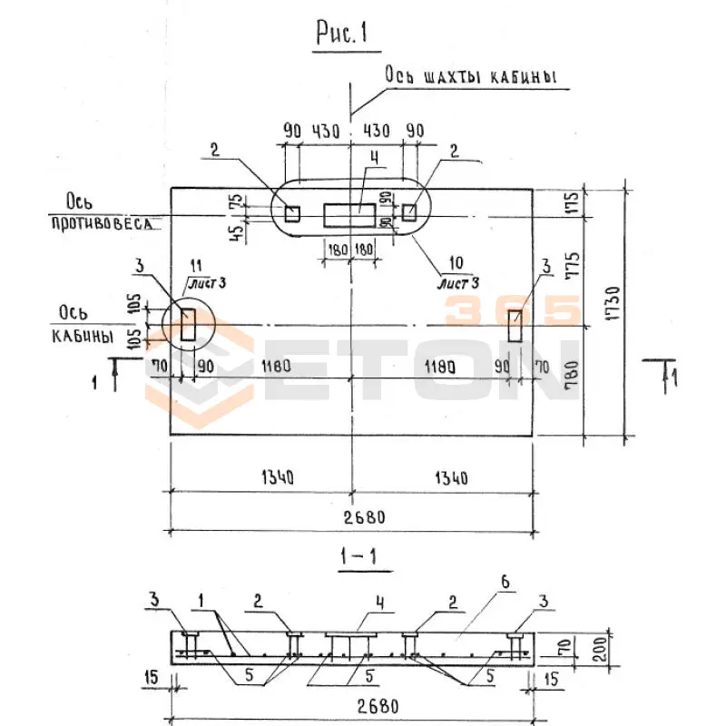
Плиты приямка монолитные Серия 1.189.1-9

Поделиться:
Фильтр по характеристикам
Длина (мм.)
keyboard_arrow_down
мм.
мм.
Ширина (мм.)
keyboard_arrow_down
мм.
мм.
Высота (мм.)
keyboard_arrow_down
мм.
мм.
Вес (кг.)
keyboard_arrow_down
кг.
кг.
Поделиться:

Завод "Бетон365" производит плиты приямка монолитные серии 1.189.1-9 — специализированные железобетонные изделия для обустройства приямков и технологических углублений в строительстве. Эти конструкции обеспечивают надежную защиту подвальных окон и цокольных этажей от затопления, равномерно распределяя нагрузку от грунта и предотвращая деформации. Изготовленные в строгом соответствии с ГОСТ, плиты отличаются повышенной водонепроницаемостью и долговечностью, что делает их оптимальным решением для объектов любой сложности в Москве и Московской области.

Мы реализуем плиты приямка монолитные серии 1.189.1-9 по конкурентной цене от производителя, с гарантией качества и оперативной доставкой на объект. Прямые поставки с завода позволяют предложить выгодные условия как для крупных строительных компаний, так и для частных заказчиков. Чтобы уточнить характеристики и купить железобетонные изделия в Мск, обратитесь к нашим специалистам для расчета стоимости и оформления заказа.

ПЛм 17-16-40 (1.189.1-9)
Плиты приямка монолитные Серия 1.189.1-9
  • Длина 1580 мм.
  • Ширина 1730 мм.
  • Высота 200 мм.
  • Вес 1375 кг.
  • Объем бетона 0,55 м3
  • Геометрический объем 0,5467 м3
Цена: 21340 руб.
Подробнее
ПЛм 17-16-32 (1.189.1-9)
Плиты приямка монолитные Серия 1.189.1-9
  • Длина 1580 мм.
  • Ширина 1730 мм.
  • Высота 200 мм.
  • Вес 1375 кг.
  • Объем бетона 0,55 м3
  • Геометрический объем 0,5467 м3
Цена: 21340 руб.
Подробнее
ПЛм 19-26-50 (1.189.1-9)
Плиты приямка монолитные Серия 1.189.1-9
  • Длина 1880 мм.
  • Ширина 2580 мм.
  • Высота 200 мм.
  • Вес 2430 кг.
  • Объем бетона 0,97 м3
  • Геометрический объем 0,9701 м3
Цена: 37636 руб.
Подробнее
ПЛм 18-16-40 (1.189.1-9)
Плиты приямка монолитные Серия 1.189.1-9
  • Длина 1580 мм.
  • Ширина 1780 мм.
  • Высота 200 мм.
  • Вес 1400 кг.
  • Объем бетона 0,56 м3
  • Геометрический объем 0,5625 м3
Цена: 21728 руб.
Подробнее
ПЛм 27-17-50 (1.189.1-9)
Плиты приямка монолитные Серия 1.189.1-9
  • Длина 1730 мм.
  • Ширина 2680 мм.
  • Высота 200 мм.
  • Вес 2330 кг.
  • Объем бетона 0,93 м3
  • Геометрический объем 0,9273 м3
Цена: 36084 руб.
Подробнее
ПЛм 19-26-63 (1.189.1-9)
Плиты приямка монолитные Серия 1.189.1-9
  • Длина 1880 мм.
  • Ширина 2580 мм.
  • Высота 200 мм.
  • Вес 2430 кг.
  • Объем бетона 0,97 м3
  • Геометрический объем 0,9701 м3
Цена: 37636 руб.
Подробнее
ПЛм 27-17-63 (1.189.1-9)
Плиты приямка монолитные Серия 1.189.1-9
  • Длина 1730 мм.
  • Ширина 2680 мм.
  • Высота 200 мм.
  • Вес 2330 кг.
  • Объем бетона 0,93 м3
  • Геометрический объем 0,9273 м3
Цена: 36084 руб.
Подробнее

Как правильно выбрать - Плиты приямка монолитные Серия 1.189.1-9

Плиты приямка монолитные Серия 1.189.1-9 предназначены для устройства приямков (световых и входных) в стенах подвалов и цокольных этажей зданий. Они обеспечивают доступ естественного света и организуют входы ниже уровня земли, одновременно защищая проемы от осадков и грунта. Ключевая функция этих конструктивных элементов – создание герметичного и прочного узла сопряжения. Долговечность всей подземной части здания во многом определяется соответствием выбранных плит приямка проектным нагрузкам и агрессивности грунтовых условий.

Критерии выбора

  • Класс бетона и марки: Изделия серии 1.189.1-9 изготавливаются из тяжелого бетона класса не ниже В25. Обязательно проверяйте паспорт на соответствие маркам по морозостойкости (F200 и выше) и водонепроницаемости (W6-W8), что критично для контакта с грунтом.
  • Армирование: Конструкция армируется пространственными каркасами из стальной арматуры классов А-III (А400) и Вр-I. Уточняйте диаметр и схему расположения стержней, особенно в зонах установки монтажных петель.
  • Типоразмер и конфигурация: Внимательно сверяйте габаритные размеры (длину, ширину, высоту) и форму плиты с рабочими чертежами. Серия включает несколько типоразмеров, и ошибка приведет к нестыковке со стеновыми блоками или фундаментом.
  • Наличие закладных и петель: Убедитесь в наличии и корректном расположении монтажных петель или иных закладных деталей, предусмотренных для безопасной строповки и анкеровки.
  • Соответствие нормам: Все плиты приямка должны строго соответствовать требованиям серии 1.189.1-9 и действующим ГОСТ на железобетонные конструкции.

Рекомендации по подбору и монтажу

При составлении спецификации на плиты приямка монолитные Серия 1.189.1-9 обязательно указывайте не только типоразмер, но и требуемые марки бетона по водонепроницаемости и морозостойкости, исходя из гидрогеологических условий площадки. Запросите у производителя паспорт качества на каждую партию, где эти параметры подтверждены лабораторными испытаниями.

Монтаж следует вести на подготовленное и выровненное основание, обеспечивая проектную отметку дна приямка. Герметизацию швов между плитой и конструкциями стены необходимо выполнять с помощью уплотнительных прокладок и гидроизоляционных мастик, рекомендованных проектом. Перед обратной засыпкой убедитесь в надежности анкеровки и целостности гидроизоляционного слоя по всем поверхностям, контактирующим с грунтом.

Ответы экспертов на ваши вопросы

Монолитные плиты приямка серии 1.189.1-9 обладают несколькими ключевыми преимуществами: высокая пространственная жесткость и монолитность конструкции, отсутствие швов, что обеспечивает лучшую гидроизоляцию, возможность адаптации к конкретным условиям строительной площадки, повышенная долговечность за счет целостности конструкции, а также сокращение количества монтажных операций на объекте.

Проектирование и устройство плит приямка серии 1.189.1-9 осуществляется в соответствии с требованиями СП 63.13330.2018 "Бетонные и железобетонные конструкции", ГОСТ 13015-2012 "Изделия бетонные и железобетонные для строительства", а также самой серией 1.189.1-9, которая содержит рабочие чертежи и технические требования.

При расчете плит приямка серии 1.189.1-9 учитываются следующие виды нагрузок: постоянные нагрузки (собственный вес конструкции), временные нагрузки от оборудования, нагрузка от грунта обратной засыпки, гидростатическое давление грунтовых вод, снеговые и ветровые нагрузки (для наружных приямков), а также особые нагрузки при необходимости (сейсмические, температурные воздействия).

Для плит приямка серии 1.189.1-9 применяется тяжелый бетон класса не ниже В25 по прочности на сжатие, с маркой по водонепроницаемости W6-W8 и морозостойкостью F100-F150. Арматура используется классов А400-А500С (стержневая) и В500 (проволочная) в соответствии с требованиями ГОСТ 34028-2016. Все арматурные элементы должны иметь защитный слой бетона не менее 30-40 мм.

Монтаж плит приямка осуществляется на подготовленное основание с устройством песчано-щебеночной подготовки и бетонной подготовки. Особое внимание уделяется герметизации рабочих швов бетонирования и устройству гидроизоляции: применяются обмазочные (битумные мастики), оклеечные (рулонные материалы) или проникающие гидроизоляционные составы. Обязательно устройство дренажной системы при высоком уровне грунтовых вод.

Уведомление о файлах cookie

Мы используем файлы cookie для улучшения вашего опыта просмотра и анализа трафика. Нажимая "Принять все", вы соглашаетесь с нашей политикой конфиденциальности и политикой обработки файлов cookie.

MAX Дзен Телеграм Вконтакте vk