mobile_sound +7 (930) 655-55-90

Плиты подоконные Серия 1.136-1

Поделиться:
Фильтр по характеристикам
Длина (мм.)
keyboard_arrow_down
мм.
мм.
Ширина (мм.)
keyboard_arrow_down
мм.
мм.
Высота (мм.)
keyboard_arrow_down
мм.
мм.
Вес (кг.)
keyboard_arrow_down
кг.
кг.
Поделиться:

Завод "Бетон365" производит плиты подоконные Серия 1.136-1 – специализированные железобетонные изделия, которые обеспечивают надежное завершение оконных проемов в жилых и промышленных зданиях. Эти конструкции выполняют не только эстетическую функцию, но и создают дополнительную жесткость стенам, равномерно распределяя нагрузку от оконных блоков. Изготовленные в строгом соответствии с ГОСТ из тяжелого бетона высокой марки, наши подоконные плиты отличаются морозостойкостью и долговечностью, что гарантирует их сохранность на протяжении всего срока эксплуатации здания.

Мы реализуем плиты подоконные Серия 1.136-1 напрямую от производителя в Москве и Московской области по конкурентным ценам. В каталоге представлен полный типоразмерный ряд, что позволяет подобрать оптимальное решение для любого проекта. Предлагаем быструю доставку на объект и профессиональные консультации по монтажу. Чтобы купить качественные железобетонные изделия с гарантией, обращайтесь к нашим специалистам для расчета стоимости заказа.

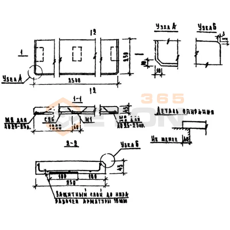
ЛО 10-15 (1.136-1)
Плиты подоконные Серия 1.136-1
  • Длина 1000 мм.
  • Ширина 150 мм.
  • Высота 45 мм.
  • Вес 17 кг.
  • Объем бетона 0,007 м3
  • Геометрический объем 0,0067 м3
Цена: 170 руб.
Подробнее
ЛО 10-25 (1.136-1)
Плиты подоконные Серия 1.136-1
  • Длина 1000 мм.
  • Ширина 250 мм.
  • Высота 45 мм.
  • Вес 28 кг.
  • Объем бетона 0,011 м3
  • Геометрический объем 0,0112 м3
Цена: 267 руб.
Подробнее
ЛО 10-35 (1.136-1)
Плиты подоконные Серия 1.136-1
  • Длина 1000 мм.
  • Ширина 350 мм.
  • Высота 45 мм.
  • Вес 39 кг.
  • Объем бетона 0,016 м3
  • Геометрический объем 0,0158 м3
Цена: 388 руб.
Подробнее
ЛО 10-20 (1.136-1)
Плиты подоконные Серия 1.136-1
  • Длина 1000 мм.
  • Ширина 200 мм.
  • Высота 45 мм.
  • Вес 23 кг.
  • Объем бетона 0,009 м3
  • Геометрический объем 0,009 м3
Цена: 218 руб.
Подробнее
ЛО 13-20 (1.136-1)
Плиты подоконные Серия 1.136-1
  • Длина 1300 мм.
  • Ширина 200 мм.
  • Высота 45 мм.
  • Вес 29 кг.
  • Объем бетона 0,012 м3
  • Геометрический объем 0,0117 м3
Цена: 291 руб.
Подробнее
ЛО 13-15 (1.136-1)
Плиты подоконные Серия 1.136-1
  • Длина 1300 мм.
  • Ширина 150 мм.
  • Высота 45 мм.
  • Вес 20 кг.
  • Объем бетона 0,009 м3
  • Геометрический объем 0,0088 м3
Цена: 218 руб.
Подробнее
ЛО 13-35 (1.136-1)
Плиты подоконные Серия 1.136-1
  • Длина 1300 мм.
  • Ширина 350 мм.
  • Высота 45 мм.
  • Вес 51 кг.
  • Объем бетона 0,02 м3
  • Геометрический объем 0,0205 м3
Цена: 485 руб.
Подробнее
ЛО 13-25 (1.136-1)
Плиты подоконные Серия 1.136-1
  • Длина 1300 мм.
  • Ширина 250 мм.
  • Высота 45 мм.
  • Вес 37 кг.
  • Объем бетона 0,015 м3
  • Геометрический объем 0,0146 м3
Цена: 364 руб.
Подробнее
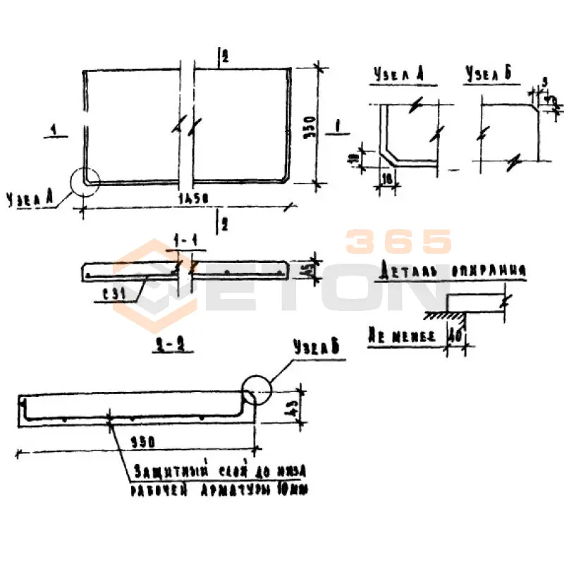
ЛО 14-15 (1.136-1)
Плиты подоконные Серия 1.136-1
  • Длина 1450 мм.
  • Ширина 150 мм.
  • Высота 45 мм.
  • Вес 24 кг.
  • Объем бетона 0,01 м3
  • Геометрический объем 0,0098 м3
Цена: 243 руб.
Подробнее
ЛО 14-25 (1.136-1)
Плиты подоконные Серия 1.136-1
  • Длина 1450 мм.
  • Ширина 250 мм.
  • Высота 45 мм.
  • Вес 41 кг.
  • Объем бетона 0,016 м3
  • Геометрический объем 0,0163 м3
Цена: 388 руб.
Подробнее
ЛО 14-20 (1.136-1)
Плиты подоконные Серия 1.136-1
  • Длина 1450 мм.
  • Ширина 200 мм.
  • Высота 45 мм.
  • Вес 33 кг.
  • Объем бетона 0,013 м3
  • Геометрический объем 0,0131 м3
Цена: 315 руб.
Подробнее
ЛО 14-35 (1.136-1)
Плиты подоконные Серия 1.136-1
  • Длина 1450 мм.
  • Ширина 350 мм.
  • Высота 45 мм.
  • Вес 37 кг.
  • Объем бетона 0,023 м3
  • Геометрический объем 0,0228 м3
Цена: 558 руб.
Подробнее
ЛО 16-15 (1.136-1)
Плиты подоконные Серия 1.136-1
  • Длина 1600 мм.
  • Ширина 150 мм.
  • Высота 45 мм.
  • Вес 27 кг.
  • Объем бетона 0,011 м3
  • Геометрический объем 0,0108 м3
Цена: 267 руб.
Подробнее
ЛО 16-20 (1.136-1)
Плиты подоконные Серия 1.136-1
  • Длина 1600 мм.
  • Ширина 200 мм.
  • Высота 45 мм.
  • Вес 36 кг.
  • Объем бетона 0,014 м3
  • Геометрический объем 0,0144 м3
Цена: 340 руб.
Подробнее
ЛО 16-25 (1.136-1)
Плиты подоконные Серия 1.136-1
  • Длина 1600 мм.
  • Ширина 250 мм.
  • Высота 45 мм.
  • Вес 45 кг.
  • Объем бетона 0,018 м3
  • Геометрический объем 0,018 м3
Цена: 437 руб.
Подробнее
ЛО 19-20 (1.136-1)
Плиты подоконные Серия 1.136-1
  • Длина 1900 мм.
  • Ширина 200 мм.
  • Высота 45 мм.
  • Вес 43 кг.
  • Объем бетона 0,017 м3
  • Геометрический объем 0,0171 м3
Цена: 412 руб.
Подробнее
ЛО 19-15 (1.136-1)
Плиты подоконные Серия 1.136-1
  • Длина 1900 мм.
  • Ширина 150 мм.
  • Высота 45 мм.
  • Вес 32 кг.
  • Объем бетона 0,013 м3
  • Геометрический объем 0,0128 м3
Цена: 315 руб.
Подробнее
ЛО 16-35 (1.136-1)
Плиты подоконные Серия 1.136-1
  • Длина 1600 мм.
  • Ширина 350 мм.
  • Высота 45 мм.
  • Вес 63 кг.
  • Объем бетона 0,025 м3
  • Геометрический объем 0,0252 м3
Цена: 606 руб.
Подробнее
ЛО 19-25 (1.136-1)
Плиты подоконные Серия 1.136-1
  • Длина 1900 мм.
  • Ширина 250 мм.
  • Высота 45 мм.
  • Вес 54 кг.
  • Объем бетона 0,021 м3
  • Геометрический объем 0,0214 м3
Цена: 509 руб.
Подробнее
ЛО 19-35 (1.136-1)
Плиты подоконные Серия 1.136-1
  • Длина 1900 мм.
  • Ширина 350 мм.
  • Высота 45 мм.
  • Вес 78 кг.
  • Объем бетона 0,03 м3
  • Геометрический объем 0,0299 м3
Цена: 728 руб.
Подробнее
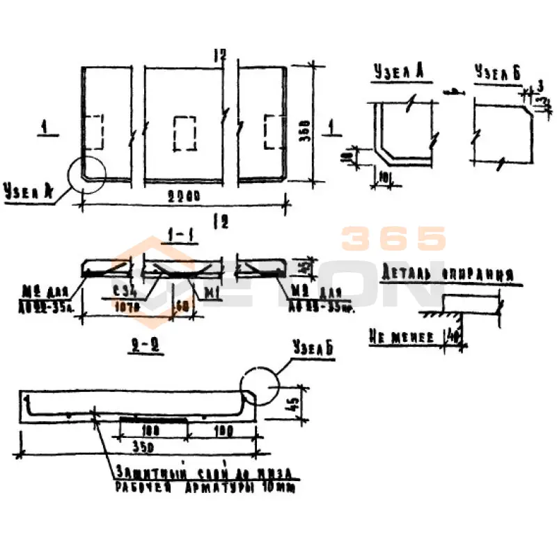
ЛО 22-15 (1.136-1)
Плиты подоконные Серия 1.136-1
  • Длина 2200 мм.
  • Ширина 150 мм.
  • Высота 45 мм.
  • Вес 37 кг.
  • Объем бетона 0,015 м3
  • Геометрический объем 0,0149 м3
Цена: 364 руб.
Подробнее
ЛО 22-15 п (1.136-1)
Плиты подоконные Серия 1.136-1
  • Длина 2200 мм.
  • Ширина 150 мм.
  • Высота 45 мм.
  • Вес 37 кг.
  • Объем бетона 0,015 м3
  • Геометрический объем 0,0149 м3
Цена: 364 руб.
Подробнее
ЛО 22-15 л (1.136-1)
Плиты подоконные Серия 1.136-1
  • Длина 2200 мм.
  • Ширина 150 мм.
  • Высота 45 мм.
  • Вес 37 кг.
  • Объем бетона 0,015 м3
  • Геометрический объем 0,0149 м3
Цена: 364 руб.
Подробнее
ЛО 22-20 л (1.136-1)
Плиты подоконные Серия 1.136-1
  • Длина 2200 мм.
  • Ширина 200 мм.
  • Высота 45 мм.
  • Вес 50 кг.
  • Объем бетона 0,02 м3
  • Геометрический объем 0,0198 м3
Цена: 485 руб.
Подробнее
ЛО 22-20 (1.136-1)
Плиты подоконные Серия 1.136-1
  • Длина 2200 мм.
  • Ширина 200 мм.
  • Высота 45 мм.
  • Вес 50 кг.
  • Объем бетона 0,02 м3
  • Геометрический объем 0,0198 м3
Цена: 485 руб.
Подробнее
ЛО 22-25 л (1.136-1)
Плиты подоконные Серия 1.136-1
  • Длина 2200 мм.
  • Ширина 250 мм.
  • Высота 45 мм.
  • Вес 62 кг.
  • Объем бетона 0,025 м3
  • Геометрический объем 0,0248 м3
Цена: 606 руб.
Подробнее
ЛО 22-20 п (1.136-1)
Плиты подоконные Серия 1.136-1
  • Длина 2200 мм.
  • Ширина 200 мм.
  • Высота 45 мм.
  • Вес 50 кг.
  • Объем бетона 0,02 м3
  • Геометрический объем 0,0198 м3
Цена: 485 руб.
Подробнее
ЛО 22-25 п (1.136-1)
Плиты подоконные Серия 1.136-1
  • Длина 2200 мм.
  • Ширина 250 мм.
  • Высота 45 мм.
  • Вес 62 кг.
  • Объем бетона 0,025 м3
  • Геометрический объем 0,0248 м3
Цена: 606 руб.
Подробнее
ЛО 22-35 п (1.136-1)
Плиты подоконные Серия 1.136-1
  • Длина 2200 мм.
  • Ширина 350 мм.
  • Высота 45 мм.
  • Вес 87 кг.
  • Объем бетона 0,035 м3
  • Геометрический объем 0,0347 м3
Цена: 849 руб.
Подробнее
ЛО 22-35 (1.136-1)
Плиты подоконные Серия 1.136-1
  • Длина 2200 мм.
  • Ширина 350 мм.
  • Высота 45 мм.
  • Вес 87 кг.
  • Объем бетона 0,035 м3
  • Геометрический объем 0,0347 м3
Цена: 849 руб.
Подробнее
ЛО 25-15 (1.136-1)
Плиты подоконные Серия 1.136-1
  • Длина 2500 мм.
  • Ширина 150 мм.
  • Высота 45 мм.
  • Вес 42 кг.
  • Объем бетона 0,017 м3
  • Геометрический объем 0,0169 м3
Цена: 412 руб.
Подробнее
ЛО 22-35 л (1.136-1)
Плиты подоконные Серия 1.136-1
  • Длина 2200 мм.
  • Ширина 350 мм.
  • Высота 45 мм.
  • Вес 87 кг.
  • Объем бетона 0,035 м3
  • Геометрический объем 0,0347 м3
Цена: 849 руб.
Подробнее
ЛО 25-15 л (1.136-1)
Плиты подоконные Серия 1.136-1
  • Длина 2500 мм.
  • Ширина 150 мм.
  • Высота 45 мм.
  • Вес 42 кг.
  • Объем бетона 0,017 м3
  • Геометрический объем 0,0169 м3
Цена: 412 руб.
Подробнее
ЛО 25-15 п (1.136-1)
Плиты подоконные Серия 1.136-1
  • Длина 2500 мм.
  • Ширина 150 мм.
  • Высота 45 мм.
  • Вес 42 кг.
  • Объем бетона 0,017 м3
  • Геометрический объем 0,0169 м3
Цена: 412 руб.
Подробнее
ЛО 25-20 (1.136-1)
Плиты подоконные Серия 1.136-1
  • Длина 2500 мм.
  • Ширина 200 мм.
  • Высота 45 мм.
  • Вес 56 кг.
  • Объем бетона 0,023 м3
  • Геометрический объем 0,0225 м3
Цена: 558 руб.
Подробнее
ЛО 25-25 л (1.136-1)
Плиты подоконные Серия 1.136-1
  • Длина 2500 мм.
  • Ширина 250 мм.
  • Высота 45 мм.
  • Вес 78 кг.
  • Объем бетона 0,028 м3
  • Геометрический объем 0,0281 м3
Цена: 679 руб.
Подробнее
ЛО 25-20 л (1.136-1)
Плиты подоконные Серия 1.136-1
  • Длина 2500 мм.
  • Ширина 200 мм.
  • Высота 45 мм.
  • Вес 56 кг.
  • Объем бетона 0,023 м3
  • Геометрический объем 0,0225 м3
Цена: 558 руб.
Подробнее
ЛО 25-20 п (1.136-1)
Плиты подоконные Серия 1.136-1
  • Длина 2500 мм.
  • Ширина 200 мм.
  • Высота 45 мм.
  • Вес 56 кг.
  • Объем бетона 0,023 м3
  • Геометрический объем 0,0225 м3
Цена: 558 руб.
Подробнее
ЛО 25-25 (1.136-1)
Плиты подоконные Серия 1.136-1
  • Длина 2500 мм.
  • Ширина 250 мм.
  • Высота 45 мм.
  • Вес 78 кг.
  • Объем бетона 0,028 м3
  • Геометрический объем 0,0281 м3
Цена: 679 руб.
Подробнее
ЛО 25-25 п (1.136-1)
Плиты подоконные Серия 1.136-1
  • Длина 2500 мм.
  • Ширина 250 мм.
  • Высота 45 мм.
  • Вес 78 кг.
  • Объем бетона 0,028 м3
  • Геометрический объем 0,0281 м3
Цена: 679 руб.
Подробнее
ЛО 25-35 п (1.136-1)
Плиты подоконные Серия 1.136-1
  • Длина 2500 мм.
  • Ширина 350 мм.
  • Высота 45 мм.
  • Вес 93 кг.
  • Объем бетона 0,039 м3
  • Геометрический объем 0,0394 м3
Цена: 946 руб.
Подробнее
ЛО 25-35 (1.136-1)
Плиты подоконные Серия 1.136-1
  • Длина 2500 мм.
  • Ширина 350 мм.
  • Высота 45 мм.
  • Вес 93 кг.
  • Объем бетона 0,039 м3
  • Геометрический объем 0,0394 м3
Цена: 946 руб.
Подробнее
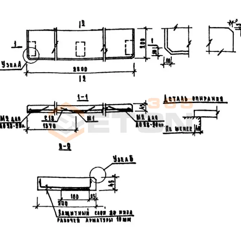
ЛО 28-15 (1.136-1)
Плиты подоконные Серия 1.136-1
  • Длина 2800 мм.
  • Ширина 150 мм.
  • Высота 45 мм.
  • Вес 47 кг.
  • Объем бетона 0,019 м3
  • Геометрический объем 0,0189 м3
Цена: 461 руб.
Подробнее
ЛО 25-35 л (1.136-1)
Плиты подоконные Серия 1.136-1
  • Длина 2500 мм.
  • Ширина 350 мм.
  • Высота 45 мм.
  • Вес 93 кг.
  • Объем бетона 0,039 м3
  • Геометрический объем 0,0394 м3
Цена: 946 руб.
Подробнее
ЛО 28-15 п (1.136-1)
Плиты подоконные Серия 1.136-1
  • Длина 2800 мм.
  • Ширина 150 мм.
  • Высота 45 мм.
  • Вес 47 кг.
  • Объем бетона 0,019 м3
  • Геометрический объем 0,0189 м3
Цена: 461 руб.
Подробнее
ЛО 28-15 л (1.136-1)
Плиты подоконные Серия 1.136-1
  • Длина 2800 мм.
  • Ширина 150 мм.
  • Высота 45 мм.
  • Вес 47 кг.
  • Объем бетона 0,019 м3
  • Геометрический объем 0,0189 м3
Цена: 461 руб.
Подробнее
ЛО 28-20 (1.136-1)
Плиты подоконные Серия 1.136-1
  • Длина 2800 мм.
  • Ширина 200 мм.
  • Высота 45 мм.
  • Вес 63 кг.
  • Объем бетона 0,025 м3
  • Геометрический объем 0,0252 м3
Цена: 606 руб.
Подробнее
ЛО 28-20 л (1.136-1)
Плиты подоконные Серия 1.136-1
  • Длина 2800 мм.
  • Ширина 200 мм.
  • Высота 45 мм.
  • Вес 63 кг.
  • Объем бетона 0,025 м3
  • Геометрический объем 0,0252 м3
Цена: 606 руб.
Подробнее
ЛО 28-25 л (1.136-1)
Плиты подоконные Серия 1.136-1
  • Длина 2800 мм.
  • Ширина 250 мм.
  • Высота 45 мм.
  • Вес 79 кг.
  • Объем бетона 0,032 м3
  • Геометрический объем 0,0315 м3
Цена: 776 руб.
Подробнее
ЛО 28-20 п (1.136-1)
Плиты подоконные Серия 1.136-1
  • Длина 2800 мм.
  • Ширина 200 мм.
  • Высота 45 мм.
  • Вес 63 кг.
  • Объем бетона 0,025 м3
  • Геометрический объем 0,0252 м3
Цена: 606 руб.
Подробнее
ЛО 28-25 (1.136-1)
Плиты подоконные Серия 1.136-1
  • Длина 2800 мм.
  • Ширина 250 мм.
  • Высота 45 мм.
  • Вес 79 кг.
  • Объем бетона 0,032 м3
  • Геометрический объем 0,0315 м3
Цена: 776 руб.
Подробнее
ЛО 28-25 п (1.136-1)
Плиты подоконные Серия 1.136-1
  • Длина 2800 мм.
  • Ширина 250 мм.
  • Высота 45 мм.
  • Вес 79 кг.
  • Объем бетона 0,032 м3
  • Геометрический объем 0,0315 м3
Цена: 776 руб.
Подробнее
ЛО 28-35 (1.136-1)
Плиты подоконные Серия 1.136-1
  • Длина 2800 мм.
  • Ширина 350 мм.
  • Высота 45 мм.
  • Вес 110 кг.
  • Объем бетона 0,044 м3
  • Геометрический объем 0,0441 м3
Цена: 1067 руб.
Подробнее
ЛО 28-35 л (1.136-1)
Плиты подоконные Серия 1.136-1
  • Длина 2800 мм.
  • Ширина 350 мм.
  • Высота 45 мм.
  • Вес 110 кг.
  • Объем бетона 0,044 м3
  • Геометрический объем 0,0441 м3
Цена: 1067 руб.
Подробнее
ЛО 28-35 п (1.136-1)
Плиты подоконные Серия 1.136-1
  • Длина 2800 мм.
  • Ширина 350 мм.
  • Высота 45 мм.
  • Вес 110 кг.
  • Объем бетона 0,044 м3
  • Геометрический объем 0,0441 м3
Цена: 1067 руб.
Подробнее
ЛО 6-35 (1.136-1)
Плиты подоконные Серия 1.136-1
  • Длина 600 мм.
  • Ширина 350 мм.
  • Высота 45 мм.
  • Вес 24 кг.
  • Объем бетона 0,009 м3
  • Геометрический объем 0,0095 м3
Цена: 218 руб.
Подробнее
ЛО 6-20 (1.136-1)
Плиты подоконные Серия 1.136-1
  • Длина 600 мм.
  • Ширина 200 мм.
  • Высота 45 мм.
  • Вес 13 кг.
  • Объем бетона 0,005 м3
  • Геометрический объем 0,0054 м3
Цена: 121 руб.
Подробнее
ЛО 6-25 (1.136-1)
Плиты подоконные Серия 1.136-1
  • Длина 600 мм.
  • Ширина 250 мм.
  • Высота 45 мм.
  • Вес 17 кг.
  • Объем бетона 0,007 м3
  • Геометрический объем 0,0067 м3
Цена: 170 руб.
Подробнее
ЛО 6-15 (1.136-1)
Плиты подоконные Серия 1.136-1
  • Длина 600 мм.
  • Ширина 150 мм.
  • Высота 45 мм.
  • Вес 10 кг.
  • Объем бетона 0,004 м3
  • Геометрический объем 0,004 м3
Цена: 97 руб.
Подробнее

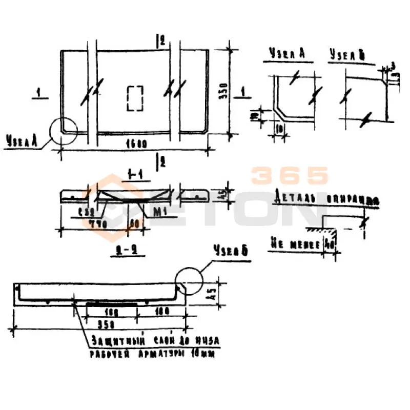
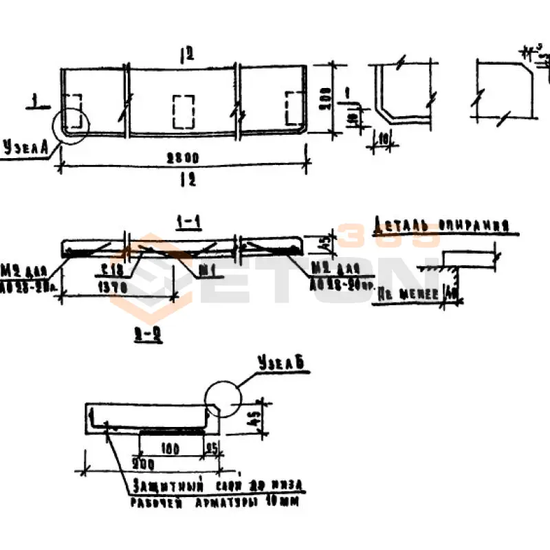
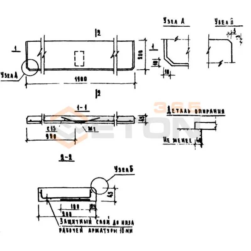
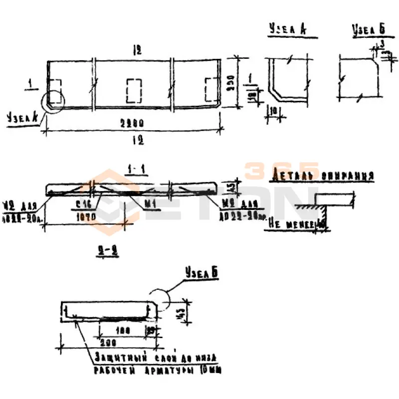
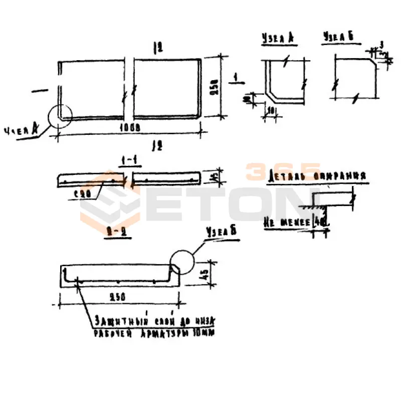
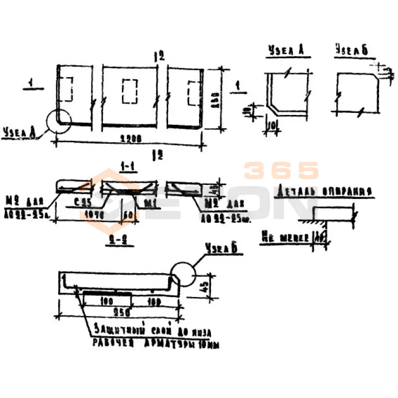
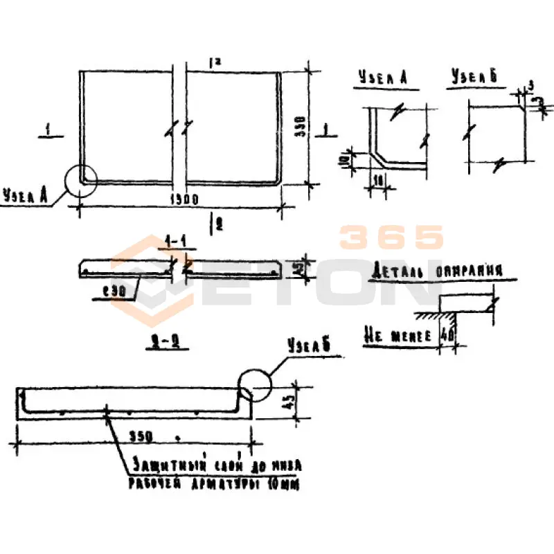
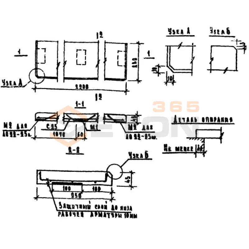
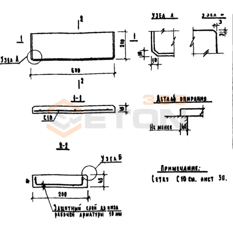
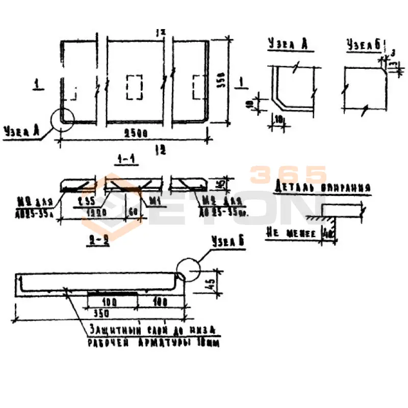
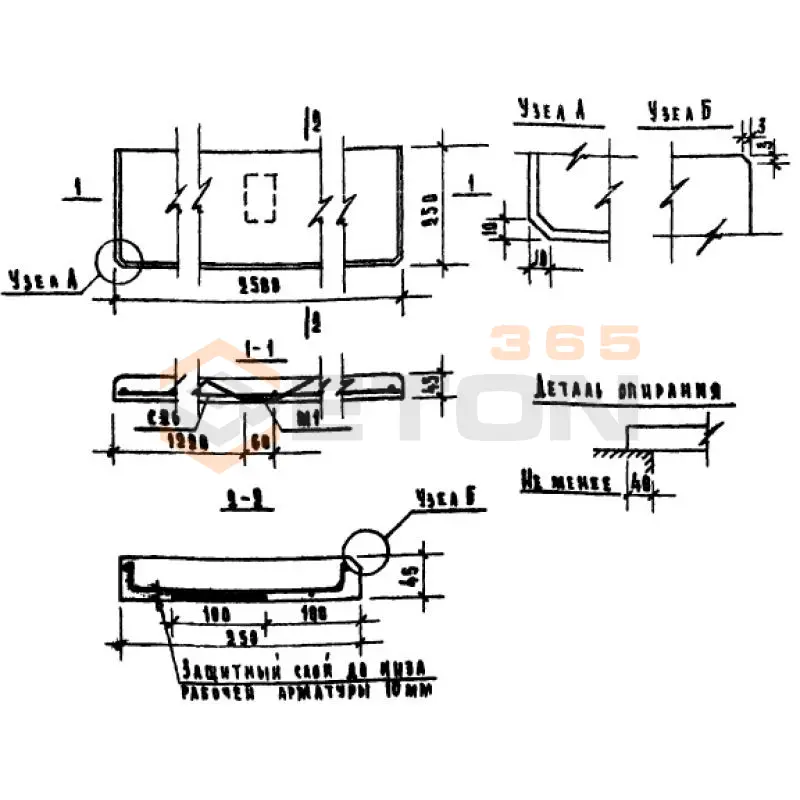
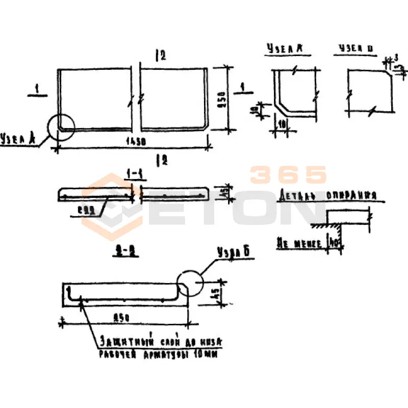
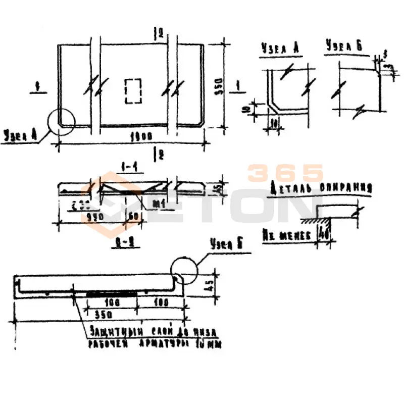
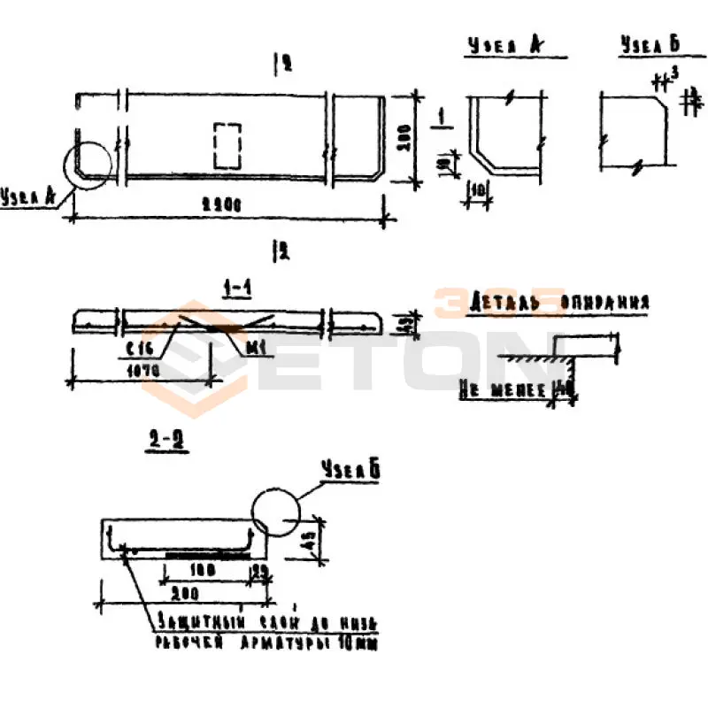
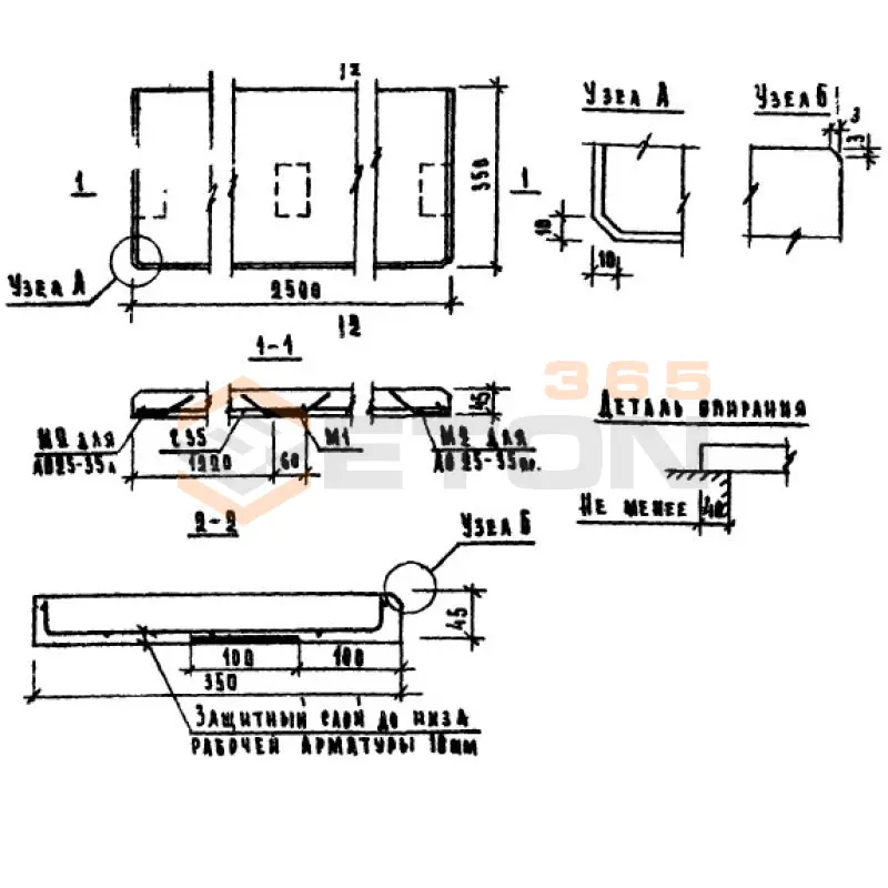
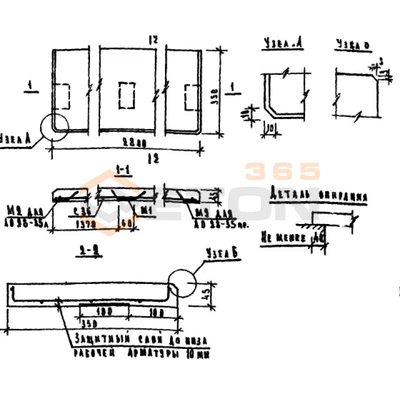
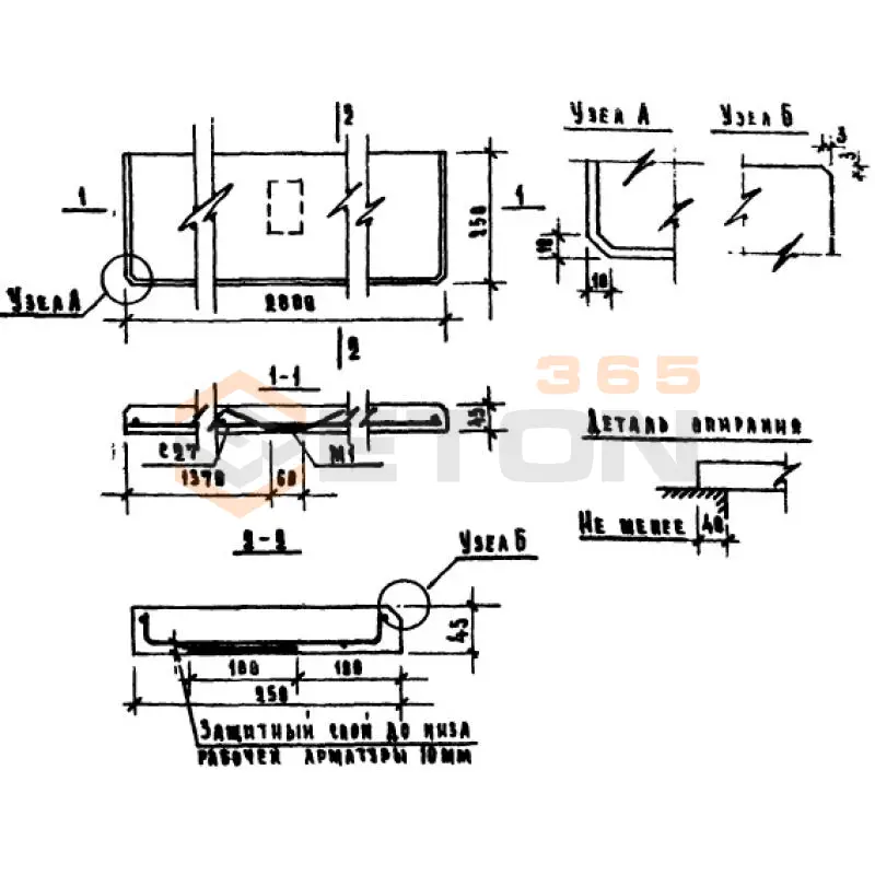
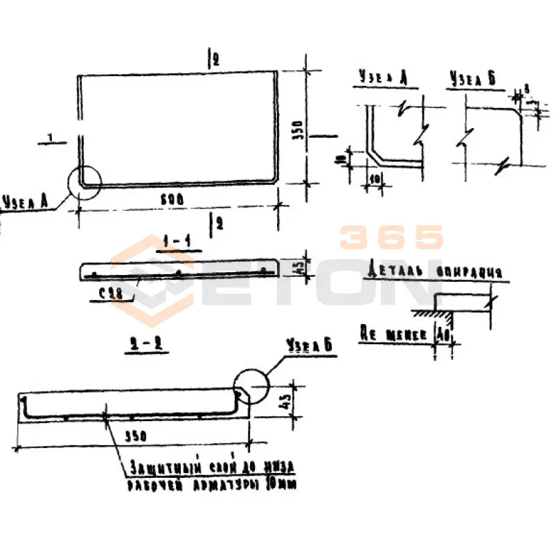
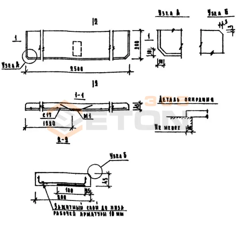
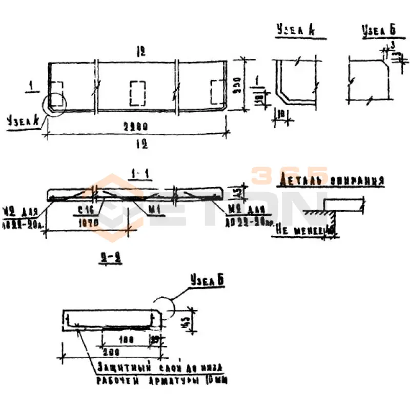
Как правильно выбрать - Плиты подоконные Серия 1.136-1

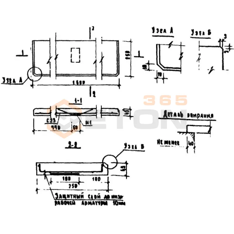
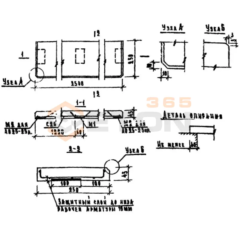
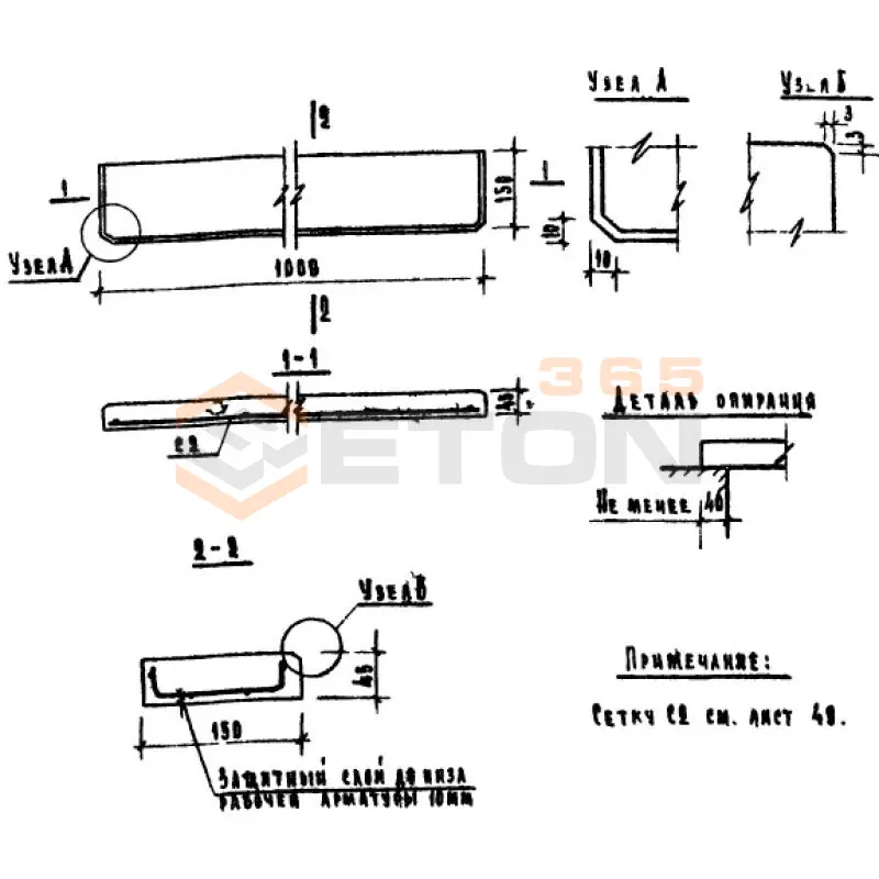
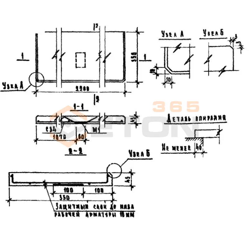
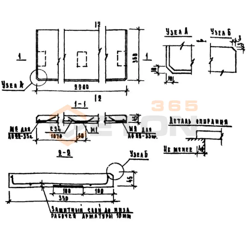
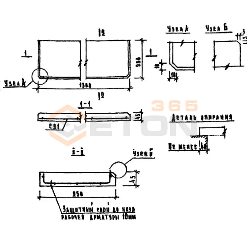
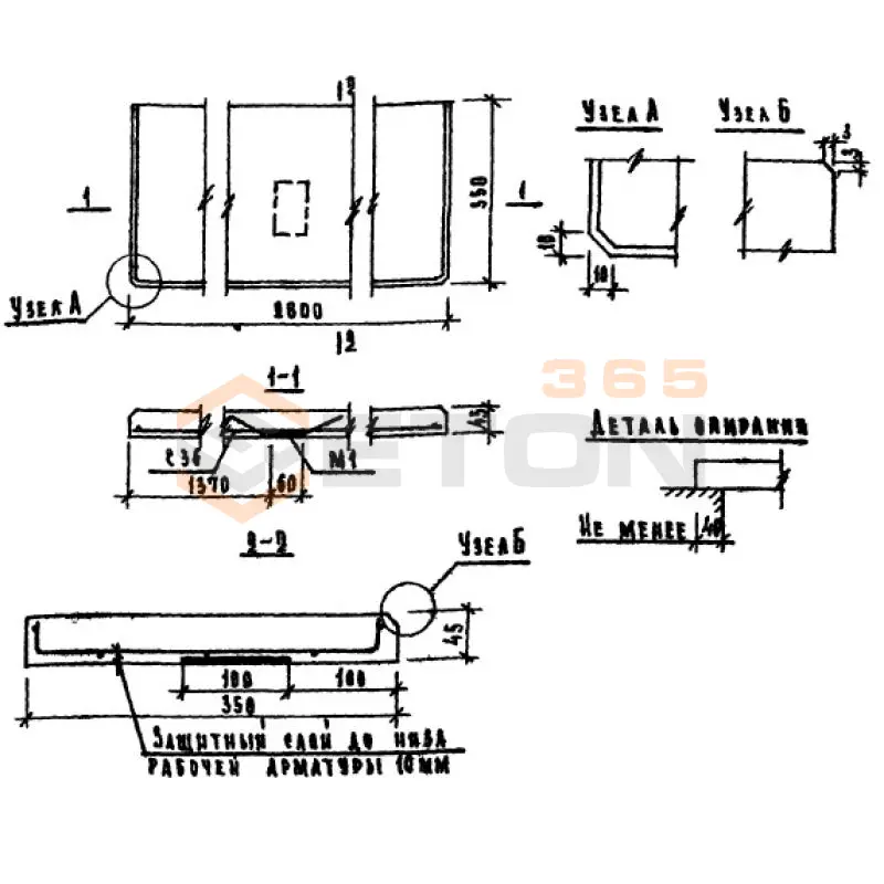
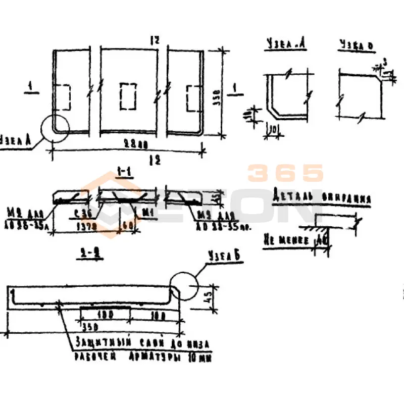
Плиты подоконные Серия 1.136-1 предназначены для устройства наружных подоконных участков в панельных зданиях. Они выполняют ключевую функцию защиты стыка между стеновой панелью и оконным блоком от атмосферных воздействий, обеспечивая герметичность узла и отвод воды. Устойчивость фасада к осадкам и перепадам температур во многом определяется корректным подбором параметров этих плит подоконных.

Критерии выбора

  • Марка бетона и морозостойкость: Изделия изготавливаются из тяжелого бетона марки не ниже М250. Критически важный параметр – морозостойкость F200, обеспечивающая долговечность в условиях российского климата.
  • Геометрические параметры и конфигурация: Строгое соответствие типоразмерам по серии (длина, ширина, толщина) для плотного примыкания к стеновым панелям. Проверяйте наличие предусмотренных проектом монтажных петель и отверстий.
  • Армирование: Конструкция армируется сварными каркасами из стальной арматурной стали классов А-I и А-III, что гарантирует сохранность геометрии при транспортировке и монтаже.
  • Водонепроницаемость и уклон: Обращайте внимание на марку по водонепроницаемости (W4) и наличие конструктивного уклона лицевой поверхности для организованного стока воды.
  • Соответствие нормам: Обязательное наличие паспорта изделия, подтверждающего изготовление в соответствии с серией 1.136-1 и ГОСТ 11024-84.

Рекомендации по подбору и монтажу

При составлении спецификации на плиты подоконные Серия 1.136-1 тщательно сверяйте их маркировку с рабочими чертежами, обращая особое внимание на длину и конфигурацию торцов, которые должны точно стыковаться со смежными элементами. Требуйте от поставщика паспорта качества с указанием фактических прочностных характеристик бетона и даты изготовления.

Монтаж ведите на выверенное и подготовленное основание, обеспечивая проектный уклон. Обязательно герметизируйте продольные и поперечные швы между плитами и стеновыми панелями соответствующими мастиками или герметиками для создания непрерывного гидроизоляционного контура. Правильно установленные плиты подоконные этой серии надежно защитят монтажный узел от протечек и промерзания.

Ответы экспертов на ваши вопросы

Плиты подоконные серии 1.136-1 выполняют несколько важных функций:

  1. Защита нижней части оконного проема от проникновения влаги и холода
  2. Отвод дождевой воды от стены через специальный капельник
  3. Создание ровной и прочной поверхности для установки подоконной доски
  4. Обеспечение теплозащиты в зоне примыкания окна к стене
  5. Декоративное оформление фасада здания

Согласно серии 1.136-1, плиты подоконные выпускаются в следующих типоразмерах:

  • Длина: от 1200 мм до 4200 мм с шагом 300 мм
  • Ширина: 200 мм, 250 мм, 300 мм, 350 мм, 400 мм
  • Толщина: 70 мм

Маркировка состоит из буквенно-цифрового обозначения, например: ПП 24.30.7, где:

  • ПП - плита подоконная
  • 24 - длина в дециметрах (2400 мм)
  • 30 - ширина в дециметрах (300 мм)
  • 7 - толщина в сантиметрах (70 мм)

Плиты подоконные серии 1.136-1 изготавливаются из тяжелого бетона классов:

  • В15 (М200) для обычных условий эксплуатации
  • В20 (М250) для повышенных нагрузок
  • В22,5 (М300) для особых условий

Армирование выполняется:

  • Сварными сетками из арматурной стали класса А-I и А-III
  • Монтажными петлями из стали класса А-I

Морозостойкость бетона: не менее F50-F100 в зависимости от климатического района

Основные особенности монтажа:

  1. Установка производится на подготовленное основание с уклоном 5-10% от стены
  2. Обязательное устройство гидроизоляции под плитой
  3. Зазор между плитой и стеной заполняется уплотняющим материалом
  4. Крепление осуществляется с помощью анкеров или закладных деталей
  5. Обязательное соблюдение температурных швов
  6. Устройство сливного уклона для отвода воды

Требования к качеству согласно ГОСТ и серии 1.136-1:

  1. Отклонения от проектных размеров не более ±5 мм
  2. Отсутствие трещин шириной более 0,2 мм
  3. Ровность поверхности (допустимые неровности до 3 мм)
  4. Отсутствие раковин глубиной более 5 мм
  5. Соответствие проектной марке бетона по прочности
  6. Правильное расположение монтажных петель и закладных деталей
  7. Отсутствие оголения арматуры
  8. Соответствие геометрических параметров проектным значениям
Ранее смотрели
1ПР 4 н (ГОСТ 26992-86)
1ПР 4 н (ГОСТ 26992-86)
Прогоны железобетонные ГОСТ 26992-86
Камни для кладки стен ГОСТ 6133-99 КСР-ПР-ПС 39
КСР-ПР-ПС 39
Камни для кладки стен ГОСТ 6133-99
РПС 18-3
РПС 18-3
Полурамы Серия 1.822.1-2/82
Колонны высотой 4,8; 6,0-4,8 м Серия 1.420.1-20с К 1-7 с
К 1-7 с
Колонны высотой 4,8; 6,0-4,8 м Серия 1.420.1-20с
Камни для кладки стен ГОСТ 6133-99 КСР-ПР-ПС 19
КСР-ПР-ПС 19
Камни для кладки стен ГОСТ 6133-99
РПС 24-2
РПС 24-2
Полурамы Серия 1.822.1-2/82
Камни для кладки стен ТУ 5741-004-18576628-99 СКЦ 5 л
СКЦ 5 л
Камни для кладки стен ТУ 5741-004-18576628-99
Камни для кладки стен ГОСТ 6133-99 КСР-УГ-ПС 19
КСР-УГ-ПС 19
Камни для кладки стен ГОСТ 6133-99

Уведомление о файлах cookie

Мы используем файлы cookie для улучшения вашего опыта просмотра и анализа трафика. Нажимая "Принять все", вы соглашаетесь с нашей политикой конфиденциальности и политикой обработки файлов cookie.

Дзен Телеграм Вконтакте vk