mobile_sound +7 (930) 655-55-90

Панели стеновые нулевого цикла (цокольные) Серия 1.090.1-3пв

Поделиться:
Фильтр по характеристикам
Длина (мм.)
keyboard_arrow_down
мм.
мм.
Ширина (мм.)
keyboard_arrow_down
мм.
мм.
Высота (мм.)
keyboard_arrow_down
мм.
мм.
Вес (кг.)
keyboard_arrow_down
кг.
кг.
Поделиться:

Завод "Бетон365" производит стеновые панели нулевого цикла серии 1.090.1-3пв — ключевой элемент для возведения надёжных цокольных этажей и подземных сооружений. Эти железобетонные изделия обеспечивают равномерное распределение нагрузок от вышележащих конструкций, создавая жёсткий каркас здания и предотвращая деформации. Изготовленные в строгом соответствии с ГОСТ, панели демонстрируют повышенную морозостойкость и долговечность, что особенно важно для сложных грунтовых условий Москвы и Московской области.

Мы реализуем цокольные панели серии 1.090.1-3пв напрямую от производителя, что позволяет предложить конкурентную цену без посредников. Организуем доставку на объект в Мск и области, обеспечим полный пакет документов и техническую поддержку при выборе. Чтобы купить качественные ЖБИ с гарантией и сократить сроки строительства — обратитесь к нашим специалистам для расчёта заказа.

1ПСЦ 11-21-3,0 п пв (1.090.1-3пв)
Панели стеновые нулевого цикла (цокольные) Серия 1.090.1-3пв
  • Длина 1100 мм.
  • Ширина 300 мм.
  • Высота 2100 мм.
  • Вес 650 кг.
  • Объем бетона 0,41 м3
  • Геометрический объем 0,693 м3
Цена: 17101 руб.
Подробнее
1ПСЦ 11-19-3,0 п пв (1.090.1-3пв)
Панели стеновые нулевого цикла (цокольные) Серия 1.090.1-3пв
  • Длина 1080 мм.
  • Ширина 300 мм.
  • Высота 1865 мм.
  • Вес 710 кг.
  • Объем бетона 0,52 м3
  • Геометрический объем 0,6043 м3
Цена: 21689 руб.
Подробнее
1ПСЦ 11-19-3,5 п пв (1.090.1-3пв)
Панели стеновые нулевого цикла (цокольные) Серия 1.090.1-3пв
  • Длина 1080 мм.
  • Ширина 350 мм.
  • Высота 1865 мм.
  • Вес 810 кг.
  • Объем бетона 0,63 м3
  • Геометрический объем 0,705 м3
Цена: 26277 руб.
Подробнее
1ПСЦ 11-21-3,5 п пв (1.090.1-3пв)
Панели стеновые нулевого цикла (цокольные) Серия 1.090.1-3пв
  • Длина 1100 мм.
  • Ширина 350 мм.
  • Высота 2100 мм.
  • Вес 770 кг.
  • Объем бетона 0,51 м3
  • Геометрический объем 0,8085 м3
Цена: 21272 руб.
Подробнее
1ПСЦ 15-19-3,0 п пв (1.090.1-3пв)
Панели стеновые нулевого цикла (цокольные) Серия 1.090.1-3пв
  • Длина 1415 мм.
  • Ширина 300 мм.
  • Высота 1865 мм.
  • Вес 860 кг.
  • Объем бетона 0,85 м3
  • Геометрический объем 0,7917 м3
Цена: 35454 руб.
Подробнее
1ПСЦ 15-19-3,5 п пв (1.090.1-3пв)
Панели стеновые нулевого цикла (цокольные) Серия 1.090.1-3пв
  • Длина 1465 мм.
  • Ширина 350 мм.
  • Высота 1865 мм.
  • Вес 1000 кг.
  • Объем бетона 1,01 м3
  • Геометрический объем 0,9563 м3
Цена: 42127 руб.
Подробнее
1ПСЦ 15-21-3,5 п пв (1.090.1-3пв)
Панели стеновые нулевого цикла (цокольные) Серия 1.090.1-3пв
  • Длина 1465 мм.
  • Ширина 350 мм.
  • Высота 2100 мм.
  • Вес 1170 кг.
  • Объем бетона 0,776 м3
  • Геометрический объем 1,0768 м3
Цена: 32367 руб.
Подробнее
1ПСЦ 15-21-3,0 п пв (1.090.1-3пв)
Панели стеновые нулевого цикла (цокольные) Серия 1.090.1-3пв
  • Длина 1415 мм.
  • Ширина 300 мм.
  • Высота 2100 мм.
  • Вес 940 кг.
  • Объем бетона 0,653 м3
  • Геометрический объем 0,8914 м3
Цена: 27237 руб.
Подробнее
1ПСЦ 17-19-3,0 п пв (1.090.1-3пв)
Панели стеновые нулевого цикла (цокольные) Серия 1.090.1-3пв
  • Длина 1680 мм.
  • Ширина 300 мм.
  • Высота 1865 мм.
  • Вес 1170 кг.
  • Объем бетона 0,79 м3
  • Геометрический объем 0,94 м3
Цена: 32951 руб.
Подробнее
1ПСЦ 17-21-3,0 п пв (1.090.1-3пв)
Панели стеновые нулевого цикла (цокольные) Серия 1.090.1-3пв
  • Длина 1700 мм.
  • Ширина 300 мм.
  • Высота 2100 мм.
  • Вес 1270 кг.
  • Объем бетона 0,83 м3
  • Геометрический объем 1,071 м3
Цена: 34619 руб.
Подробнее
1ПСЦ 17-19-3,5 п пв (1.090.1-3пв)
Панели стеновые нулевого цикла (цокольные) Серия 1.090.1-3пв
  • Длина 1680 мм.
  • Ширина 350 мм.
  • Высота 1865 мм.
  • Вес 1350 кг.
  • Объем бетона 0,92 м3
  • Геометрический объем 1,0966 м3
Цена: 38373 руб.
Подробнее
1ПСЦ 21-21-3,0 п пв (1.090.1-3пв)
Панели стеновые нулевого цикла (цокольные) Серия 1.090.1-3пв
  • Длина 2015 мм.
  • Ширина 300 мм.
  • Высота 2100 мм.
  • Вес 1430 кг.
  • Объем бетона 0,993 м3
  • Геометрический объем 1,2694 м3
Цена: 41418 руб.
Подробнее
1ПСЦ 17-21-3,5 п пв (1.090.1-3пв)
Панели стеновые нулевого цикла (цокольные) Серия 1.090.1-3пв
  • Длина 1700 мм.
  • Ширина 350 мм.
  • Высота 2100 мм.
  • Вес 1470 кг.
  • Объем бетона 0,988 м3
  • Геометрический объем 1,2495 м3
Цена: 41209 руб.
Подробнее
1ПСЦ 21-21-3,5 п пв (1.090.1-3пв)
Панели стеновые нулевого цикла (цокольные) Серия 1.090.1-3пв
  • Длина 2065 мм.
  • Ширина 350 мм.
  • Высота 2100 мм.
  • Вес 1740 кг.
  • Объем бетона 1,165 м3
  • Геометрический объем 1,5178 м3
Цена: 48592 руб.
Подробнее
1ПСЦ 29-21-3,0 п пв (1.090.1-3пв)
Панели стеновые нулевого цикла (цокольные) Серия 1.090.1-3пв
  • Длина 2900 мм.
  • Ширина 300 мм.
  • Высота 2100 мм.
  • Вес 2250 кг.
  • Объем бетона 1,606 м3
  • Геометрический объем 1,827 м3
Цена: 66986 руб.
Подробнее
1ПСЦ 29-19-3,5 п пв (1.090.1-3пв)
Панели стеновые нулевого цикла (цокольные) Серия 1.090.1-3пв
  • Длина 2880 мм.
  • Ширина 350 мм.
  • Высота 1865 мм.
  • Вес 2400 кг.
  • Объем бетона 1,64 м3
  • Геометрический объем 1,8799 м3
Цена: 68404 руб.
Подробнее
1ПСЦ 29-19-3,0 п пв (1.090.1-3пв)
Панели стеновые нулевого цикла (цокольные) Серия 1.090.1-3пв
  • Длина 2880 мм.
  • Ширина 300 мм.
  • Высота 1865 мм.
  • Вес 2070 кг.
  • Объем бетона 1,38 м3
  • Геометрический объем 1,6114 м3
Цена: 57560 руб.
Подробнее
1ПСЦ 29-21-3,5 п пв (1.090.1-3пв)
Панели стеновые нулевого цикла (цокольные) Серия 1.090.1-3пв
  • Длина 2900 мм.
  • Ширина 350 мм.
  • Высота 2100 мм.
  • Вес 2630 кг.
  • Объем бетона 1,887 м3
  • Геометрический объем 2,1315 м3
Цена: 78707 руб.
Подробнее
1ПСЦ 30-21-3,0 п пв (1.090.1-3пв)
Панели стеновые нулевого цикла (цокольные) Серия 1.090.1-3пв
  • Длина 2990 мм.
  • Ширина 300 мм.
  • Высота 2100 мм.
  • Вес 2280 кг.
  • Объем бетона 1,619 м3
  • Геометрический объем 1,8837 м3
Цена: 67528 руб.
Подробнее
1ПСЦ 30-19-3,5 п пв (1.090.1-3пв)
Панели стеновые нулевого цикла (цокольные) Серия 1.090.1-3пв
  • Длина 2990 мм.
  • Ширина 350 мм.
  • Высота 1865 мм.
  • Вес 2470 кг.
  • Объем бетона 1,71 м3
  • Геометрический объем 1,9517 м3
Цена: 71324 руб.
Подробнее
1ПСЦ 30-19-3,0 п пв (1.090.1-3пв)
Панели стеновые нулевого цикла (цокольные) Серия 1.090.1-3пв
  • Длина 2990 мм.
  • Ширина 300 мм.
  • Высота 1865 мм.
  • Вес 2120 кг.
  • Объем бетона 1,43 м3
  • Геометрический объем 1,6729 м3
Цена: 59645 руб.
Подробнее
1ПСЦ 33-19-3,0 п пв (1.090.1-3пв)
Панели стеновые нулевого цикла (цокольные) Серия 1.090.1-3пв
  • Длина 3215 мм.
  • Ширина 300 мм.
  • Высота 1865 мм.
  • Вес 2220 кг.
  • Объем бетона 1,46 м3
  • Геометрический объем 1,7988 м3
Цена: 60897 руб.
Подробнее
1ПСЦ 33-19-3,5 п пв (1.090.1-3пв)
Панели стеновые нулевого цикла (цокольные) Серия 1.090.1-3пв
  • Длина 3265 мм.
  • Ширина 350 мм.
  • Высота 1865 мм.
  • Вес 2580 кг.
  • Объем бетона 1,73 м3
  • Геометрический объем 2,1312 м3
Цена: 72158 руб.
Подробнее
1ПСЦ 33-21-3,0 п пв (1.090.1-3пв)
Панели стеновые нулевого цикла (цокольные) Серия 1.090.1-3пв
  • Длина 3215 мм.
  • Ширина 300 мм.
  • Высота 2100 мм.
  • Вес 2410 кг.
  • Объем бетона 1,57 м3
  • Геометрический объем 2,0255 м3
Цена: 65485 руб.
Подробнее
1ПСЦ 30-21-3,5 п пв (1.090.1-3пв)
Панели стеновые нулевого цикла (цокольные) Серия 1.090.1-3пв
  • Длина 2990 мм.
  • Ширина 350 мм.
  • Высота 2100 мм.
  • Вес 2680 кг.
  • Объем бетона 1,905 м3
  • Геометрический объем 2,1976 м3
Цена: 79458 руб.
Подробнее
1ПСЦ 60-19-3,5 п пв (1.090.1-3пв)
Панели стеновые нулевого цикла (цокольные) Серия 1.090.1-3пв
  • Длина 5990 мм.
  • Ширина 350 мм.
  • Высота 1865 мм.
  • Вес 5050 кг.
  • Объем бетона 3,5 м3
  • Геометрический объем 3,91 м3
Цена: 145985 руб.
Подробнее
1ПСЦ 60-19-3,0 п пв (1.090.1-3пв)
Панели стеновые нулевого цикла (цокольные) Серия 1.090.1-3пв
  • Длина 5990 мм.
  • Ширина 300 мм.
  • Высота 1865 мм.
  • Вес 4340 кг.
  • Объем бетона 2,94 м3
  • Геометрический объем 3,3514 м3
Цена: 122627 руб.
Подробнее
1ПСЦ 60-21-3,0 п пв (1.090.1-3пв)
Панели стеновые нулевого цикла (цокольные) Серия 1.090.1-3пв
  • Длина 5990 мм.
  • Ширина 300 мм.
  • Высота 2100 мм.
  • Вес 4700 кг.
  • Объем бетона 3,289 м3
  • Геометрический объем 3,7737 м3
Цена: 137184 руб.
Подробнее
1ПСЦ 60-21-3,5 п пв (1.090.1-3пв)
Панели стеновые нулевого цикла (цокольные) Серия 1.090.1-3пв
  • Длина 5990 мм.
  • Ширина 350 мм.
  • Высота 2100 мм.
  • Вес 5490 кг.
  • Объем бетона 3,884 м3
  • Геометрический объем 4,4027 м3
Цена: 162002 руб.
Подробнее
1ПСЦ 33-21-3,5 п пв (1.090.1-3пв)
Панели стеновые нулевого цикла (цокольные) Серия 1.090.1-3пв
  • Длина 3265 мм.
  • Ширина 350 мм.
  • Высота 2100 мм.
  • Вес 2880 кг.
  • Объем бетона 1,93 м3
  • Геометрический объем 2,3998 м3
Цена: 80500 руб.
Подробнее
2ПСЦ 11-19-3,0 п пв (1.090.1-3пв)
Панели стеновые нулевого цикла (цокольные) Серия 1.090.1-3пв
  • Длина 1080 мм.
  • Ширина 300 мм.
  • Высота 1865 мм.
  • Вес 710 кг.
  • Объем бетона 0,52 м3
  • Геометрический объем 0,6043 м3
Цена: 21689 руб.
Подробнее
2ПСЦ 11-19-3,5 п пв (1.090.1-3пв)
Панели стеновые нулевого цикла (цокольные) Серия 1.090.1-3пв
  • Длина 1080 мм.
  • Ширина 350 мм.
  • Высота 1865 мм.
  • Вес 810 кг.
  • Объем бетона 0,63 м3
  • Геометрический объем 0,705 м3
Цена: 26277 руб.
Подробнее
2ПСЦ 11-21-3,0 п пв (1.090.1-3пв)
Панели стеновые нулевого цикла (цокольные) Серия 1.090.1-3пв
  • Длина 1100 мм.
  • Ширина 300 мм.
  • Высота 2100 мм.
  • Вес 650 кг.
  • Объем бетона 0,41 м3
  • Геометрический объем 0,693 м3
Цена: 17101 руб.
Подробнее
2ПСЦ 15-19-3,0 п пв (1.090.1-3пв)
Панели стеновые нулевого цикла (цокольные) Серия 1.090.1-3пв
  • Длина 1415 мм.
  • Ширина 300 мм.
  • Высота 1865 мм.
  • Вес 860 кг.
  • Объем бетона 0,85 м3
  • Геометрический объем 0,7917 м3
Цена: 35454 руб.
Подробнее
2ПСЦ 15-21-3,0 п пв (1.090.1-3пв)
Панели стеновые нулевого цикла (цокольные) Серия 1.090.1-3пв
  • Длина 1415 мм.
  • Ширина 300 мм.
  • Высота 2100 мм.
  • Вес 940 кг.
  • Объем бетона 0,653 м3
  • Геометрический объем 0,8914 м3
Цена: 27237 руб.
Подробнее
2ПСЦ 11-21-3,5 п пв (1.090.1-3пв)
Панели стеновые нулевого цикла (цокольные) Серия 1.090.1-3пв
  • Длина 1100 мм.
  • Ширина 350 мм.
  • Высота 2100 мм.
  • Вес 770 кг.
  • Объем бетона 0,51 м3
  • Геометрический объем 0,8085 м3
Цена: 21272 руб.
Подробнее
2ПСЦ 17-19-3,0 п пв (1.090.1-3пв)
Панели стеновые нулевого цикла (цокольные) Серия 1.090.1-3пв
  • Длина 1680 мм.
  • Ширина 300 мм.
  • Высота 1865 мм.
  • Вес 1170 кг.
  • Объем бетона 0,79 м3
  • Геометрический объем 0,94 м3
Цена: 32951 руб.
Подробнее
2ПСЦ 15-19-3,5 п пв (1.090.1-3пв)
Панели стеновые нулевого цикла (цокольные) Серия 1.090.1-3пв
  • Длина 1465 мм.
  • Ширина 350 мм.
  • Высота 1865 мм.
  • Вес 1000 кг.
  • Объем бетона 1,01 м3
  • Геометрический объем 0,9563 м3
Цена: 42127 руб.
Подробнее
2ПСЦ 15-21-3,5 п пв (1.090.1-3пв)
Панели стеновые нулевого цикла (цокольные) Серия 1.090.1-3пв
  • Длина 1465 мм.
  • Ширина 350 мм.
  • Высота 2100 мм.
  • Вес 1170 кг.
  • Объем бетона 0,776 м3
  • Геометрический объем 1,0768 м3
Цена: 32367 руб.
Подробнее
2ПСЦ 17-19-3,5 п пв (1.090.1-3пв)
Панели стеновые нулевого цикла (цокольные) Серия 1.090.1-3пв
  • Длина 1680 мм.
  • Ширина 350 мм.
  • Высота 1865 мм.
  • Вес 1350 кг.
  • Объем бетона 0,92 м3
  • Геометрический объем 1,0966 м3
Цена: 38373 руб.
Подробнее
2ПСЦ 17-21-3,0 п пв (1.090.1-3пв)
Панели стеновые нулевого цикла (цокольные) Серия 1.090.1-3пв
  • Длина 1700 мм.
  • Ширина 300 мм.
  • Высота 2100 мм.
  • Вес 1270 кг.
  • Объем бетона 0,83 м3
  • Геометрический объем 1,071 м3
Цена: 34619 руб.
Подробнее
2ПСЦ 17-21-3,5 п пв (1.090.1-3пв)
Панели стеновые нулевого цикла (цокольные) Серия 1.090.1-3пв
  • Длина 1700 мм.
  • Ширина 350 мм.
  • Высота 2100 мм.
  • Вес 1470 кг.
  • Объем бетона 0,988 м3
  • Геометрический объем 1,2495 м3
Цена: 41209 руб.
Подробнее
2ПСЦ 21-21-3,5 п пв (1.090.1-3пв)
Панели стеновые нулевого цикла (цокольные) Серия 1.090.1-3пв
  • Длина 2065 мм.
  • Ширина 350 мм.
  • Высота 2100 мм.
  • Вес 1740 кг.
  • Объем бетона 1,165 м3
  • Геометрический объем 1,5178 м3
Цена: 48592 руб.
Подробнее
2ПСЦ 29-19-3,0 п пв (1.090.1-3пв)
Панели стеновые нулевого цикла (цокольные) Серия 1.090.1-3пв
  • Длина 2880 мм.
  • Ширина 300 мм.
  • Высота 1865 мм.
  • Вес 2070 кг.
  • Объем бетона 1,38 м3
  • Геометрический объем 1,6114 м3
Цена: 57560 руб.
Подробнее
2ПСЦ 21-21-3,0 п пв (1.090.1-3пв)
Панели стеновые нулевого цикла (цокольные) Серия 1.090.1-3пв
  • Длина 2015 мм.
  • Ширина 300 мм.
  • Высота 2100 мм.
  • Вес 1430 кг.
  • Объем бетона 0,993 м3
  • Геометрический объем 1,2694 м3
Цена: 41418 руб.
Подробнее
2ПСЦ 29-19-3,5 п пв (1.090.1-3пв)
Панели стеновые нулевого цикла (цокольные) Серия 1.090.1-3пв
  • Длина 2880 мм.
  • Ширина 350 мм.
  • Высота 1865 мм.
  • Вес 2400 кг.
  • Объем бетона 1,64 м3
  • Геометрический объем 1,8799 м3
Цена: 68404 руб.
Подробнее
2ПСЦ 29-21-3,0 п пв (1.090.1-3пв)
Панели стеновые нулевого цикла (цокольные) Серия 1.090.1-3пв
  • Длина 2900 мм.
  • Ширина 300 мм.
  • Высота 2100 мм.
  • Вес 2250 кг.
  • Объем бетона 1,606 м3
  • Геометрический объем 1,827 м3
Цена: 66986 руб.
Подробнее
2ПСЦ 30-19-3,0 п пв (1.090.1-3пв)
Панели стеновые нулевого цикла (цокольные) Серия 1.090.1-3пв
  • Длина 2990 мм.
  • Ширина 300 мм.
  • Высота 1865 мм.
  • Вес 1560 кг.
  • Объем бетона 1,02 м3
  • Геометрический объем 1,6729 м3
Цена: 42544 руб.
Подробнее
2ПСЦ 29-21-3,5 п пв (1.090.1-3пв)
Панели стеновые нулевого цикла (цокольные) Серия 1.090.1-3пв
  • Длина 2900 мм.
  • Ширина 350 мм.
  • Высота 2100 мм.
  • Вес 2630 кг.
  • Объем бетона 1,887 м3
  • Геометрический объем 2,1315 м3
Цена: 78707 руб.
Подробнее
2ПСЦ 30-19-3,5 п пв (1.090.1-3пв)
Панели стеновые нулевого цикла (цокольные) Серия 1.090.1-3пв
  • Длина 2990 мм.
  • Ширина 350 мм.
  • Высота 1865 мм.
  • Вес 1810 кг.
  • Объем бетона 1,22 м3
  • Геометрический объем 1,9517 м3
Цена: 50886 руб.
Подробнее
2ПСЦ 33-19-3,0 п пв (1.090.1-3пв)
Панели стеновые нулевого цикла (цокольные) Серия 1.090.1-3пв
  • Длина 3215 мм.
  • Ширина 300 мм.
  • Высота 1865 мм.
  • Вес 2220 кг.
  • Объем бетона 1,46 м3
  • Геометрический объем 1,7988 м3
Цена: 60897 руб.
Подробнее
2ПСЦ 30-21-3,5 п пв (1.090.1-3пв)
Панели стеновые нулевого цикла (цокольные) Серия 1.090.1-3пв
  • Длина 2990 мм.
  • Ширина 350 мм.
  • Высота 2100 мм.
  • Вес 2000 кг.
  • Объем бетона 1,33 м3
  • Геометрический объем 2,1976 м3
Цена: 55474 руб.
Подробнее
2ПСЦ 30-21-3,0 п пв (1.090.1-3пв)
Панели стеновые нулевого цикла (цокольные) Серия 1.090.1-3пв
  • Длина 2990 мм.
  • Ширина 300 мм.
  • Высота 2100 мм.
  • Вес 1710 кг.
  • Объем бетона 1,1 м3
  • Геометрический объем 1,8837 м3
Цена: 45881 руб.
Подробнее
2ПСЦ 33-19-3,5 п пв (1.090.1-3пв)
Панели стеновые нулевого цикла (цокольные) Серия 1.090.1-3пв
  • Длина 3265 мм.
  • Ширина 350 мм.
  • Высота 1865 мм.
  • Вес 2580 кг.
  • Объем бетона 1,73 м3
  • Геометрический объем 2,1312 м3
Цена: 72158 руб.
Подробнее
2ПСЦ 33-21-3,5 п пв (1.090.1-3пв)
Панели стеновые нулевого цикла (цокольные) Серия 1.090.1-3пв
  • Длина 3265 мм.
  • Ширина 350 мм.
  • Высота 2100 мм.
  • Вес 2880 кг.
  • Объем бетона 1,93 м3
  • Геометрический объем 2,3998 м3
Цена: 80500 руб.
Подробнее
ПСЦ 12-19-3,0 п пв (1.090.1-3пв)
Панели стеновые нулевого цикла (цокольные) Серия 1.090.1-3пв
  • Длина 1190 мм.
  • Ширина 300 мм.
  • Высота 1865 мм.
  • Вес 800 кг.
  • Объем бетона 0,52 м3
  • Геометрический объем 0,6658 м3
Цена: 21689 руб.
Подробнее
2ПСЦ 33-21-3,0 п пв (1.090.1-3пв)
Панели стеновые нулевого цикла (цокольные) Серия 1.090.1-3пв
  • Длина 3215 мм.
  • Ширина 300 мм.
  • Высота 2100 мм.
  • Вес 2410 кг.
  • Объем бетона 1,57 м3
  • Геометрический объем 2,0255 м3
Цена: 65485 руб.
Подробнее
ПСЦ 12-19-3,5 п пв (1.090.1-3пв)
Панели стеновые нулевого цикла (цокольные) Серия 1.090.1-3пв
  • Длина 1190 мм.
  • Ширина 350 мм.
  • Высота 1865 мм.
  • Вес 950 кг.
  • Объем бетона 0,63 м3
  • Геометрический объем 0,7768 м3
Цена: 26277 руб.
Подробнее
ПСЦ 12-21-3,5 п пв (1.090.1-3пв)
Панели стеновые нулевого цикла (цокольные) Серия 1.090.1-3пв
  • Длина 1190 мм.
  • Ширина 350 мм.
  • Высота 2100 мм.
  • Вес 1100 кг.
  • Объем бетона 0,679 м3
  • Геометрический объем 0,8747 м3
Цена: 28321 руб.
Подробнее
ПСЦ 12-21-3,0 п пв (1.090.1-3пв)
Панели стеновые нулевого цикла (цокольные) Серия 1.090.1-3пв
  • Длина 1190 мм.
  • Ширина 300 мм.
  • Высота 2100 мм.
  • Вес 850 кг.
  • Объем бетона 0,587 м3
  • Геометрический объем 0,7497 м3
Цена: 24484 руб.
Подробнее

Как правильно выбрать - Панели стеновые нулевого цикла (цокольные) Серия 1.090.1-3пв

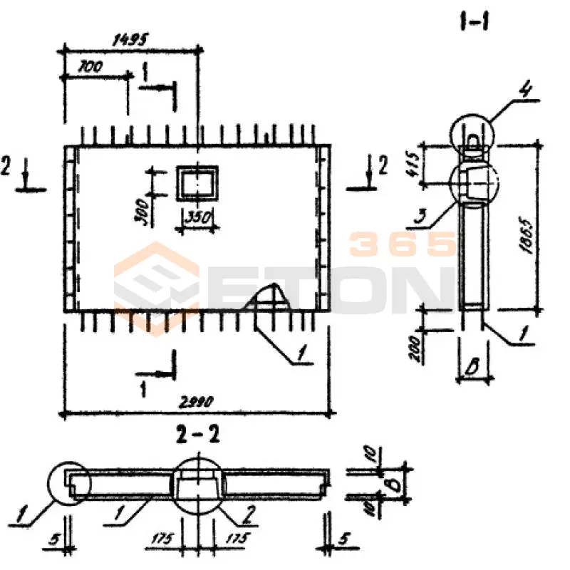
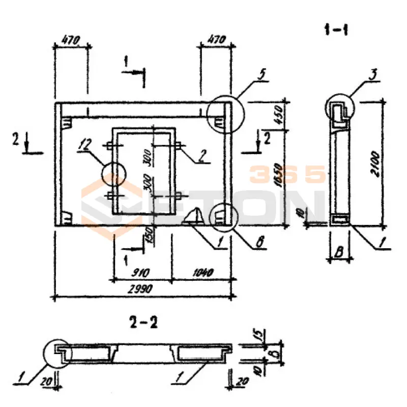
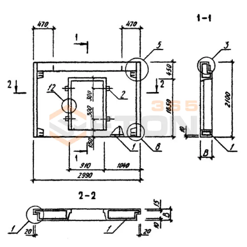
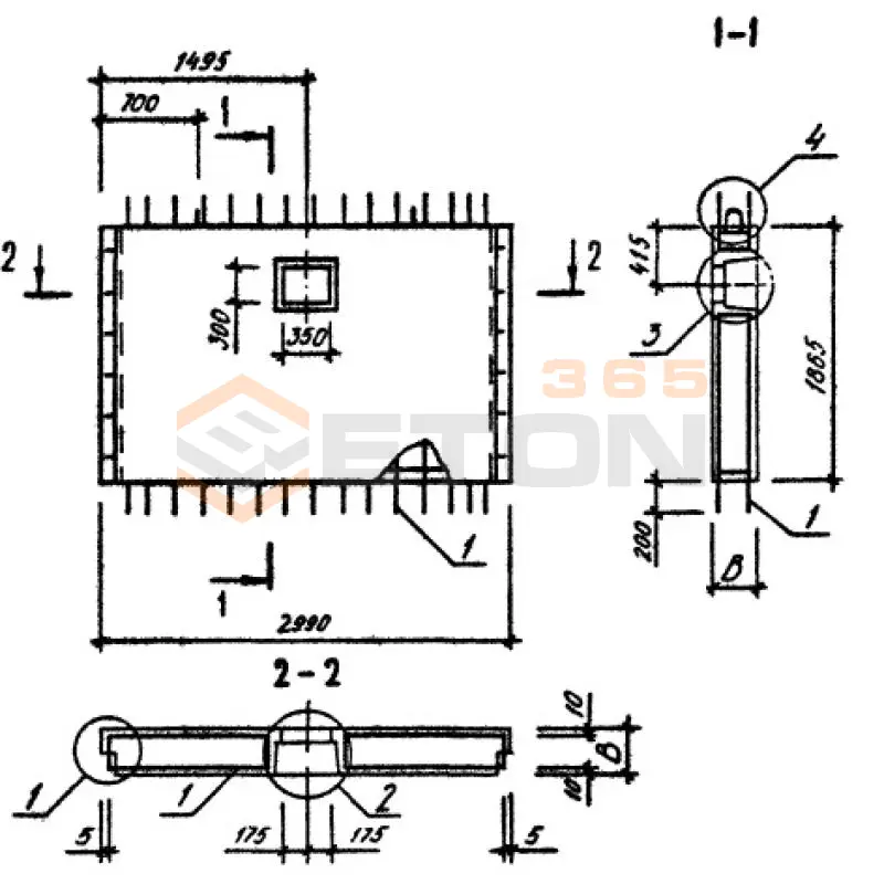
Панели стеновые нулевого цикла (цокольные) Серия 1.090.1-3пв предназначены для возведения подземных частей зданий – стен подвалов, технических подполий и цокольных этажей. Их ключевая функция – формирование надежного ограждающего и несущего контура, работающего в условиях постоянного контакта с грунтом и грунтовыми водами. Долговечность всей подземной конструкции определяется точным соответствием характеристик панелей стеновых нулевого цикла проектным расчетам и агрессивности среды.

Критерии выбора

  • Бетон и защита от среды: Обязательно проверяйте паспорт на соответствие бетона марке не ниже В25 (М350) по прочности, марке по водонепроницаемости W6 и морозостойкости F200. Это критично для сопротивления влаге и циклам замораживания-оттаивания.
  • Армирование: Уточните класс применяемой арматуры (как правило, А400-А500С) и схему армирования, которая должна обеспечивать восприятие бокового давления грунта и нагрузок от вышележащих конструкций.
  • Типоразмеры и конфигурация: Сверьте габаритные размеры и толщину панели с рабочими чертежами. Убедитесь в наличии и корректном расположении монтажных петель или специальных отверстий для строповки.
  • Наличие закладных деталей: Внимательно изучите проект на предмет необходимости закладных деталей для соединения со смежными конструкциями (перекрытиями, фундаментными блоками) и их наличия на панелях.
  • Соответствие нормам: Все изделия должны изготавливаться в строгом соответствии с требованиями серии 1.090.1-3пв и ГОСТ 13015-2012.

Рекомендации по подбору и монтажу

При составлении спецификации на панели стеновые нулевого цикла Серия 1.090.1-3пв обязательно учитывайте гидрогеологические условия площадки. При высоком уровне грунтовых вод или агрессивной среде может потребоваться дополнительная внешняя гидроизоляция, которую следует предусмотреть в проекте. Требуйте от поставщика полный комплект паспортов качества на партию, где указаны фактические прочностные показатели бетона и результаты контроля трещиностойкости.

Монтаж цокольных панелей серии 1.090.1-3пв ведется на тщательно выровненное и уплотненное основание (подготовку из тощего бетона). Перед установкой проверьте горизонтальность опорной поверхности. Стыки между панелями должны быть герметично замоноличены бетоном на мелком заполнителе проектной марки. Особое внимание уделите анкеровке и соединению с фундаментными балками или плитами, так как этот узел обеспечивает пространственную жесткость нулевого цикла.

Ответы экспертов на ваши вопросы

Панели стеновые нулевого цикла Серии 1.090.1-3пв представляют собой железобетонные изделия с номинальной толщиной 300 мм, изготовленные из тяжелого бетона класса В25-В30 по прочности на сжатие. Основные характеристики: длина панелей от 2380 до 5980 мм, высота 1180 или 1780 мм, масса от 1,9 до 4,8 тонн. Панели армируются пространственными каркасами из стальной арматуры классов А-III и А-I, имеют монтажные петли и предусматривают антикоррозионную защиту.

Монтаж панелей осуществляется на подготовленное основание с выверенной горизонтальностью. Панели устанавливаются на слой цементно-песчаного раствора марки не ниже М100. Требуется строгое соблюдение проектных отметок и вертикальности. Стыки между панелями заполняются бетоном после выверки положения. Монтаж производится с использованием грузоподъемных механизмов соответствующей грузоподъемности с обязательным креплением панелей временными связями до окончательной стабилизации конструкции.

Панели серии 1.090.1-3пв рассчитываются на восприятие постоянных и временных нагрузок, включая давление грунта, нагрузки от вышележащих конструкций и эксплуатационные нагрузки. Расчетная нагрузка от обратной засыпки грунтом составляет до 0,04 МПа (0,4 кгс/см²). Панели обеспечивают необходимую прочность и жесткость подземной части здания, а также требуемую трещиностойкость при действии изгибающих моментов от бокового давления грунта.

Панели стеновые нулевого цикла требуют обязательной гидроизоляции наружных поверхностей, контактирующих с грунтом. Обычно применяется обмазочная гидроизоляция битумными мастиками в 2 слоя или оклеечная гидроизоляция рулонными материалами. В конструкциях панелей предусмотрены специальные поверхности для надежного сцепления с гидроизоляционными материалами. Также важна качественная герметизация рабочих швов между панелями и примыканий к другим конструкциям.

Транспортировка панелей осуществляется автомобильным транспортом с использованием специальных панелевозов. При погрузке, разгрузке и складировании панели должны находиться в рабочем положении (вертикально или с небольшим наклоном) на деревянных прокладках толщиной не менее 50 мм. Запрещается складирование панелей в более чем 2 яруса. Монтажные петли должны быть доступны для строповки. При длительном хранении необходимо защищать панели от воздействия атмосферных осадков и прямых солнечных лучей.

Уведомление о файлах cookie

Мы используем файлы cookie для улучшения вашего опыта просмотра и анализа трафика. Нажимая "Принять все", вы соглашаетесь с нашей политикой конфиденциальности и политикой обработки файлов cookie.

MAX Дзен Телеграм Вконтакте vk