mobile_sound +7 (930) 655-55-90

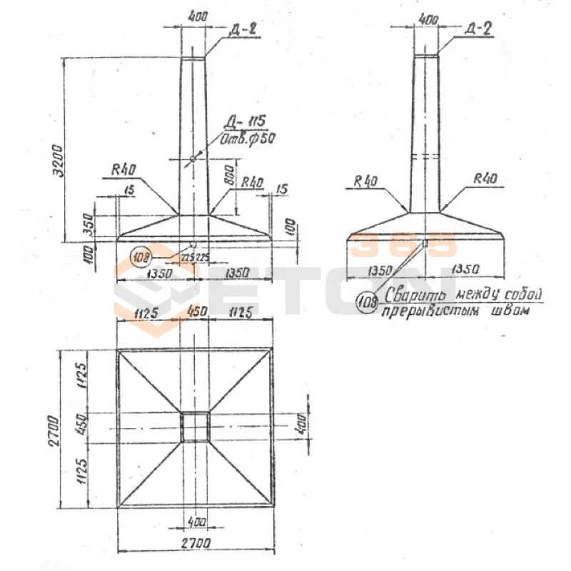
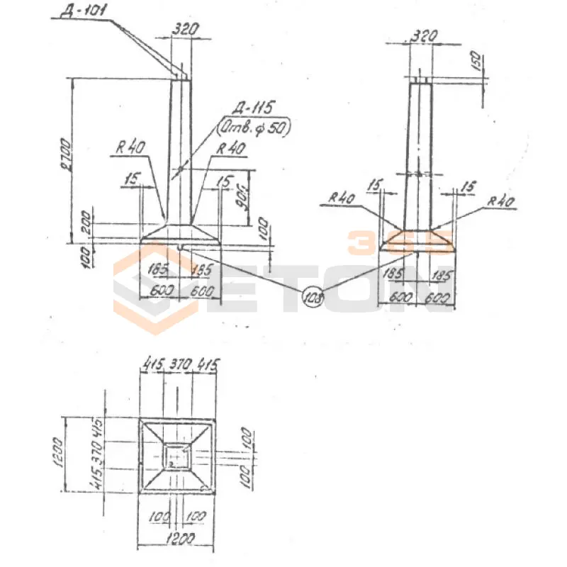
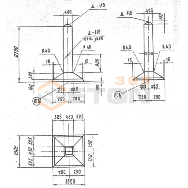
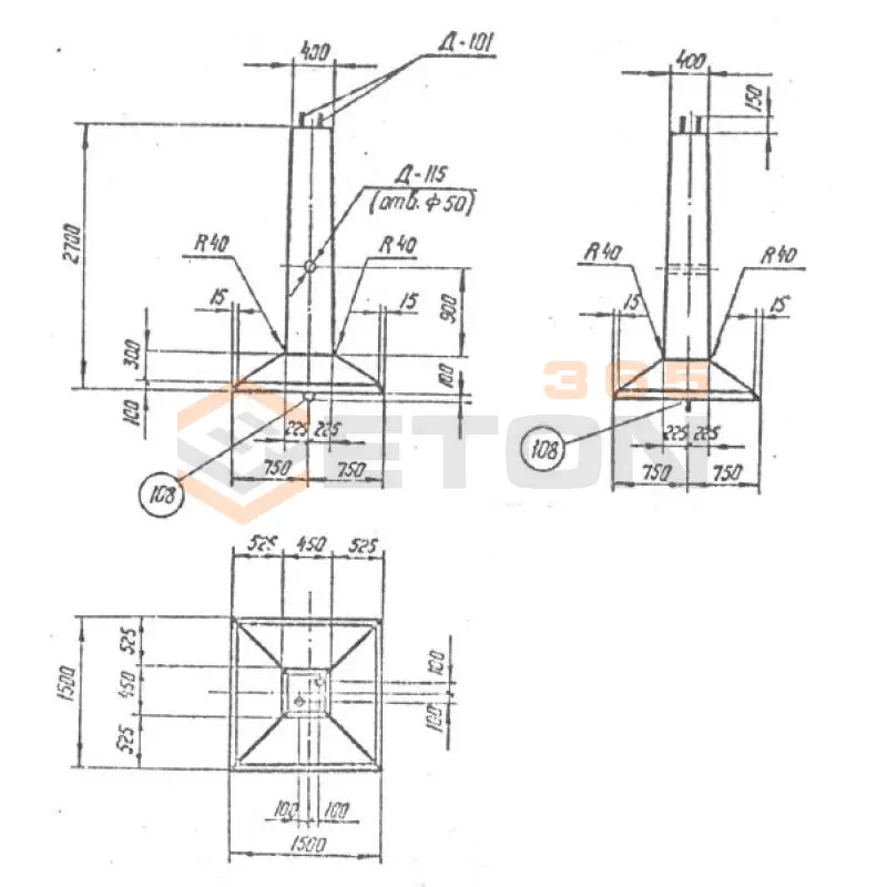
Фундаменты под промежуточные опоры Серия 3.407.1-144, 3.407.1-115, 3.407.1-159

Поделиться:
Фильтр по характеристикам
Длина (мм.)
keyboard_arrow_down
мм.
мм.
Ширина (мм.)
keyboard_arrow_down
мм.
мм.
Высота (мм.)
keyboard_arrow_down
мм.
мм.
Вес (кг.)
keyboard_arrow_down
кг.
кг.
Поделиться:

Завод "Бетон365" специализируется на производстве фундаментов под промежуточные опоры серий 3.407.1-144, 3.407.1-115 и 3.407.1-159 — ключевых элементов для создания устойчивых оснований в промышленном и гражданском строительстве. Эти железобетонные конструкции обеспечивают равномерное распределение нагрузок от несущих колонн и опор, гарантируя долговечность и геометрическую стабильность всего сооружения. Изготовленные в строгом соответствии с ГОСТ, они позволяют оптимизировать сроки монтажа и минимизировать риски деформаций при эксплуатации.

Реализуем фундаменты под промежуточные опоры серии 3.407.1 напрямую от производителя в Москве и МО — это гарантирует конкурентную цену и контроль качества на каждом этапе. Предлагаем комплексные решения с доставкой на объект, профессиональными консультациями по выбору модификаций и техническим сопровождением. Чтобы купить надежные ЖБИ для вашего проекта с оптимальными характеристиками, обращайтесь к нашим специалистам для расчета стоимости и оформления заказа.

АФ 5
Фундаменты под промежуточные опоры Серия 3.407.1-144, 3.407.1-115, 3.407.1-159
  • Длина 2400 мм.
  • Ширина 2400 мм.
  • Высота 3200 мм.
  • Вес 4475 кг.
  • Объем бетона 1,79 м3
  • Геометрический объем 18,432 м3
Цена: 46880 руб.
Подробнее
АФ 5-1
Фундаменты под промежуточные опоры Серия 3.407.1-144, 3.407.1-115, 3.407.1-159
  • Длина 2400 мм.
  • Ширина 2400 мм.
  • Высота 3200 мм.
  • Вес 4475 кг.
  • Объем бетона 1,79 м3
  • Геометрический объем 18,432 м3
Цена: 46880 руб.
Подробнее
АФ 5 у
Фундаменты под промежуточные опоры Серия 3.407.1-144, 3.407.1-115, 3.407.1-159
  • Длина 2400 мм.
  • Ширина 2400 мм.
  • Высота 3200 мм.
  • Вес 4475 кг.
  • Объем бетона 1,79 м3
  • Геометрический объем 18,432 м3
Цена: 46880 руб.
Подробнее
АФ 5-2
Фундаменты под промежуточные опоры Серия 3.407.1-144, 3.407.1-115, 3.407.1-159
  • Длина 2400 мм.
  • Ширина 2400 мм.
  • Высота 3200 мм.
  • Вес 4475 кг.
  • Объем бетона 1,79 м3
  • Геометрический объем 18,432 м3
Цена: 46880 руб.
Подробнее
АФ 6-4-2
Фундаменты под промежуточные опоры Серия 3.407.1-144, 3.407.1-115, 3.407.1-159
  • Длина 2700 мм.
  • Ширина 2700 мм.
  • Высота 3200 мм.
  • Вес 5750 кг.
  • Объем бетона 2,3 м3
  • Геометрический объем 23,328 м3
Цена: 60237 руб.
Подробнее
АФ 6-4
Фундаменты под промежуточные опоры Серия 3.407.1-144, 3.407.1-115, 3.407.1-159
  • Длина 2700 мм.
  • Ширина 2700 мм.
  • Высота 3200 мм.
  • Вес 5600 кг.
  • Объем бетона 2,24 м3
  • Геометрический объем 23,328 м3
Цена: 58666 руб.
Подробнее
Ф 1-2
Фундаменты под промежуточные опоры Серия 3.407.1-144, 3.407.1-115, 3.407.1-159
  • Длина 1200 мм.
  • Ширина 1200 мм.
  • Высота 2700 мм.
  • Вес 1480 кг.
  • Объем бетона 0,59 м3
  • Геометрический объем 3,888 м3
Цена: 15452 руб.
Подробнее
Ф 1,5-1-2
Фундаменты под промежуточные опоры Серия 3.407.1-144, 3.407.1-115, 3.407.1-159
  • Длина 1000 мм.
  • Ширина 1500 мм.
  • Высота 2700 мм.
  • Вес 1680 кг.
  • Объем бетона 0,672 м3
  • Геометрический объем 4,05 м3
Цена: 17600 руб.
Подробнее
Ф 1,5-1,5-2
Фундаменты под промежуточные опоры Серия 3.407.1-144, 3.407.1-115, 3.407.1-159
  • Длина 1500 мм.
  • Ширина 1500 мм.
  • Высота 2700 мм.
  • Вес 1975 кг.
  • Объем бетона 0,79 м3
  • Геометрический объем 6,075 м3
Цена: 20690 руб.
Подробнее
Ф 1,5-1-2
Фундаменты под промежуточные опоры Серия 3.407.1-144, 3.407.1-115, 3.407.1-159
  • Длина 1500 мм.
  • Ширина 1000 мм.
  • Высота 2700 мм.
  • Вес 1680 кг.
  • Объем бетона 0,672 м3
  • Геометрический объем 4,05 м3
Цена: 17600 руб.
Подробнее
Ф 2-0
Фундаменты под промежуточные опоры Серия 3.407.1-144, 3.407.1-115, 3.407.1-159
  • Длина 1500 мм.
  • Ширина 1500 мм.
  • Высота 2700 мм.
  • Вес 2400 кг.
  • Объем бетона 0,96 м3
  • Геометрический объем 6,075 м3
Цена: 25142 руб.
Подробнее
Ф 1,5-2,2-2
Фундаменты под промежуточные опоры Серия 3.407.1-144, 3.407.1-115, 3.407.1-159
  • Длина 2200 мм.
  • Ширина 1500 мм.
  • Высота 2700 мм.
  • Вес 2400 кг.
  • Объем бетона 0,96 м3
  • Геометрический объем 8,91 м3
Цена: 25142 руб.
Подробнее
Ф 2-2
Фундаменты под промежуточные опоры Серия 3.407.1-144, 3.407.1-115, 3.407.1-159
  • Длина 1500 мм.
  • Ширина 1500 мм.
  • Высота 2700 мм.
  • Вес 2400 кг.
  • Объем бетона 0,96 м3
  • Геометрический объем 6,075 м3
Цена: 25142 руб.
Подробнее
Ф 2-0
Фундаменты под промежуточные опоры Серия 3.407.1-144, 3.407.1-115, 3.407.1-159
  • Длина 1500 мм.
  • Ширина 1500 мм.
  • Высота 2700 мм.
  • Вес 2400 кг.
  • Объем бетона 0,96 м3
  • Геометрический объем 6,075 м3
Цена: 25142 руб.
Подробнее
Ф 2-2,1-2
Фундаменты под промежуточные опоры Серия 3.407.1-144, 3.407.1-115, 3.407.1-159
  • Длина 2100 мм.
  • Ширина 2000 мм.
  • Высота 3200 мм.
  • Вес 3730 кг.
  • Объем бетона 1,492 м3
  • Геометрический объем 13,44 м3
Цена: 39075 руб.
Подробнее
Ф 2-2,8-2
Фундаменты под промежуточные опоры Серия 3.407.1-144, 3.407.1-115, 3.407.1-159
  • Длина 2800 мм.
  • Ширина 2000 мм.
  • Высота 3200 мм.
  • Вес 4250 кг.
  • Объем бетона 1,7 м3
  • Геометрический объем 17,92 м3
Цена: 44523 руб.
Подробнее
Ф 2-2,1-4
Фундаменты под промежуточные опоры Серия 3.407.1-144, 3.407.1-115, 3.407.1-159
  • Длина 2100 мм.
  • Ширина 2000 мм.
  • Высота 3200 мм.
  • Вес 3730 кг.
  • Объем бетона 1,492 м3
  • Геометрический объем 13,44 м3
Цена: 39075 руб.
Подробнее
Ф 2-2,8-4
Фундаменты под промежуточные опоры Серия 3.407.1-144, 3.407.1-115, 3.407.1-159
  • Длина 2800 мм.
  • Ширина 2000 мм.
  • Высота 3200 мм.
  • Вес 4250 кг.
  • Объем бетона 1,7 м3
  • Геометрический объем 17,92 м3
Цена: 44523 руб.
Подробнее
Ф 2,7-3,5 А
Фундаменты под промежуточные опоры Серия 3.407.1-144, 3.407.1-115, 3.407.1-159
  • Длина 3500 мм.
  • Ширина 2700 мм.
  • Высота 3200 мм.
  • Вес 5020 кг.
  • Объем бетона 2,008 м3
  • Геометрический объем 30,24 м3
Цена: 52590 руб.
Подробнее
Ф 2,7-3,5-4
Фундаменты под промежуточные опоры Серия 3.407.1-144, 3.407.1-115, 3.407.1-159
  • Длина 3500 мм.
  • Ширина 2700 мм.
  • Высота 3200 мм.
  • Вес 5020 кг.
  • Объем бетона 2,64 м3
  • Геометрический объем 30,24 м3
Цена: 69142 руб.
Подробнее
Ф 2-3,5-4
Фундаменты под промежуточные опоры Серия 3.407.1-144, 3.407.1-115, 3.407.1-159
  • Длина 3500 мм.
  • Ширина 2000 мм.
  • Высота 3200 мм.
  • Вес 5050 кг.
  • Объем бетона 2,02 м3
  • Геометрический объем 22,4 м3
Цена: 52904 руб.
Подробнее
Ф 2,7-4,5 А
Фундаменты под промежуточные опоры Серия 3.407.1-144, 3.407.1-115, 3.407.1-159
  • Длина 4500 мм.
  • Ширина 2700 мм.
  • Высота 3200 мм.
  • Вес 7900 кг.
  • Объем бетона 3,16 м3
  • Геометрический объем 38,88 м3
Цена: 82760 руб.
Подробнее
Ф 3
Фундаменты под промежуточные опоры Серия 3.407.1-144, 3.407.1-115, 3.407.1-159
  • Длина 1800 мм.
  • Ширина 1800 мм.
  • Высота 2700 мм.
  • Вес 2900 кг.
  • Объем бетона 1,17 м3
  • Геометрический объем 8,748 м3
Цена: 30642 руб.
Подробнее
Ф 2,7-4,5-4
Фундаменты под промежуточные опоры Серия 3.407.1-144, 3.407.1-115, 3.407.1-159
  • Длина 4500 мм.
  • Ширина 2700 мм.
  • Высота 3200 мм.
  • Вес 7900 кг.
  • Объем бетона 3,16 м3
  • Геометрический объем 38,88 м3
Цена: 82760 руб.
Подробнее
Ф 3-0
Фундаменты под промежуточные опоры Серия 3.407.1-144, 3.407.1-115, 3.407.1-159
  • Длина 1800 мм.
  • Ширина 1800 мм.
  • Высота 2700 мм.
  • Вес 2900 кг.
  • Объем бетона 1,16 м3
  • Геометрический объем 8,748 м3
Цена: 30380 руб.
Подробнее
Ф 3-2
Фундаменты под промежуточные опоры Серия 3.407.1-144, 3.407.1-115, 3.407.1-159
  • Длина 1800 мм.
  • Ширина 1800 мм.
  • Высота 2700 мм.
  • Вес 2930 кг.
  • Объем бетона 1,17 м3
  • Геометрический объем 8,748 м3
Цена: 30642 руб.
Подробнее
Ф 4-0
Фундаменты под промежуточные опоры Серия 3.407.1-144, 3.407.1-115, 3.407.1-159
  • Длина 2100 мм.
  • Ширина 2100 мм.
  • Высота 2700 мм.
  • Вес 3400 кг.
  • Объем бетона 1,36 м3
  • Геометрический объем 11,907 м3
Цена: 35618 руб.
Подробнее
Ф 3-2 А
Фундаменты под промежуточные опоры Серия 3.407.1-144, 3.407.1-115, 3.407.1-159
  • Длина 1800 мм.
  • Ширина 1800 мм.
  • Высота 2700 мм.
  • Вес 3130 кг.
  • Объем бетона 1,25 м3
  • Геометрический объем 8,748 м3
Цена: 32738 руб.
Подробнее
Ф 3-0
Фундаменты под промежуточные опоры Серия 3.407.1-144, 3.407.1-115, 3.407.1-159
  • Длина 1800 мм.
  • Ширина 1800 мм.
  • Высота 2700 мм.
  • Вес 2930 кг.
  • Объем бетона 1,17 м3
  • Геометрический объем 8,748 м3
Цена: 30642 руб.
Подробнее
Ф 4
Фундаменты под промежуточные опоры Серия 3.407.1-144, 3.407.1-115, 3.407.1-159
  • Длина 2100 мм.
  • Ширина 2100 мм.
  • Высота 2700 мм.
  • Вес 3400 кг.
  • Объем бетона 1,36 м3
  • Геометрический объем 11,907 м3
Цена: 35618 руб.
Подробнее
Ф 4-0
Фундаменты под промежуточные опоры Серия 3.407.1-144, 3.407.1-115, 3.407.1-159
  • Длина 2100 мм.
  • Ширина 2100 мм.
  • Высота 2700 мм.
  • Вес 3400 кг.
  • Объем бетона 1,36 м3
  • Геометрический объем 11,907 м3
Цена: 35618 руб.
Подробнее
Ф 4-2
Фундаменты под промежуточные опоры Серия 3.407.1-144, 3.407.1-115, 3.407.1-159
  • Длина 2100 мм.
  • Ширина 2100 мм.
  • Высота 2700 мм.
  • Вес 3400 кг.
  • Объем бетона 1,36 м3
  • Геометрический объем 11,907 м3
Цена: 35618 руб.
Подробнее
Ф 6 нб
Фундаменты под промежуточные опоры Серия 3.407.1-144, 3.407.1-115, 3.407.1-159
  • Длина 2700 мм.
  • Ширина 2700 мм.
  • Высота 3200 мм.
  • Вес 5600 кг.
  • Объем бетона 2,24 м3
  • Геометрический объем 23,328 м3
Цена: 58666 руб.
Подробнее
Ф 4-4
Фундаменты под промежуточные опоры Серия 3.407.1-144, 3.407.1-115, 3.407.1-159
  • Длина 2100 мм.
  • Ширина 2100 мм.
  • Высота 2700 мм.
  • Вес 3400 кг.
  • Объем бетона 1,36 м3
  • Геометрический объем 11,907 м3
Цена: 35618 руб.
Подробнее
Ф 5-2
Фундаменты под промежуточные опоры Серия 3.407.1-144, 3.407.1-115, 3.407.1-159
  • Длина 2400 мм.
  • Ширина 2400 мм.
  • Высота 3200 мм.
  • Вес 4475 кг.
  • Объем бетона 1,79 м3
  • Геометрический объем 18,432 м3
Цена: 46880 руб.
Подробнее
Ф 6 Нб
Фундаменты под промежуточные опоры Серия 3.407.1-144, 3.407.1-115, 3.407.1-159
  • Длина 2700 мм.
  • Ширина 2700 мм.
  • Высота 3200 мм.
  • Вес 5600 кг.
  • Объем бетона 2,24 м3
  • Геометрический объем 23,328 м3
Цена: 58666 руб.
Подробнее
Ф 5-4 у
Фундаменты под промежуточные опоры Серия 3.407.1-144, 3.407.1-115, 3.407.1-159
  • Длина 2400 мм.
  • Ширина 2400 мм.
  • Высота 3200 мм.
  • Вес 4475 кг.
  • Объем бетона 1,79 м3
  • Геометрический объем 18,432 м3
Цена: 46880 руб.
Подробнее
Ф 5-4
Фундаменты под промежуточные опоры Серия 3.407.1-144, 3.407.1-115, 3.407.1-159
  • Длина 2400 мм.
  • Ширина 2400 мм.
  • Высота 3200 мм.
  • Вес 4475 кг.
  • Объем бетона 1,79 м3
  • Геометрический объем 18,432 м3
Цена: 46880 руб.
Подробнее
Ф 6 Нс
Фундаменты под промежуточные опоры Серия 3.407.1-144, 3.407.1-115, 3.407.1-159
  • Длина 2700 мм.
  • Ширина 2700 мм.
  • Высота 3200 мм.
  • Вес 5600 кг.
  • Объем бетона 2,24 м3
  • Геометрический объем 23,328 м3
Цена: 58666 руб.
Подробнее
Ф 6 нс
Фундаменты под промежуточные опоры Серия 3.407.1-144, 3.407.1-115, 3.407.1-159
  • Длина 2700 мм.
  • Ширина 2700 мм.
  • Высота 3200 мм.
  • Вес 5600 кг.
  • Объем бетона 2,24 м3
  • Геометрический объем 23,328 м3
Цена: 58666 руб.
Подробнее
Ф 6-4
Фундаменты под промежуточные опоры Серия 3.407.1-144, 3.407.1-115, 3.407.1-159
  • Длина 2700 мм.
  • Ширина 2700 мм.
  • Высота 3200 мм.
  • Вес 5600 кг.
  • Объем бетона 2,24 м3
  • Геометрический объем 23,328 м3
Цена: 58666 руб.
Подробнее

Как правильно выбрать - Фундаменты под промежуточные опоры Серия 3.407.1-144, 3.407.1-115, 3.407.1-159

Фундаменты серий 3.407.1-144, 3.407.1-115 и 3.407.1-159 предназначены для устройства оснований под промежуточные опоры эстакад, транспортерных галерей и других подобных инженерных сооружений. Их ключевая функция – восприятие и передача на грунт значительных вертикальных и горизонтальных нагрузок от колонн. Долговечность и устойчивость всей надземной конструкции определяются грамотным подбором этих фундаментов под промежуточные опоры в соответствии с проектными расчетами и геологическими условиями площадки.

Критерии выбора

  • Типоразмер и конфигурация: Строгое соответствие проектной маркировке (например, ФП2.7-1 для серии 3.407.1-144). Учитывайте габариты подколонника и стакана для точной установки опоры.
  • Марка бетона и прочностные характеристики: Изделия изготавливаются из тяжелого бетона класса не ниже В25 (М350). Обязательно проверяйте паспорт на соответствие.
  • Морозостойкость и водонепроницаемость: Для большинства регионов требуется морозостойкость F150-F200 и водонепроницаемость W6, что критично при высоком УГВ или в пучинистых грунтах.
  • Арматура и закладные детали: Обращайте внимание на класс арматурной стали (А-III) и наличие проектных закладных деталей для последующего монтажа металлоконструкций или анкеровки.
  • Расчетная нагрузка: Каждый типоразмер фундамента рассчитан на конкретные нагрузки. Сверяйте несущую способность с проектными значениями для вертикальных и опрокидывающих моментов.

Рекомендации по подбору и монтажу

При закупке фундаментов серии 3.407.1-159 и других из этой группы требуйте полный комплект технической документации, включая паспорт качества с указанием фактической прочности бетона и результатов контроля арматурного каркаса. Особое внимание уделите состоянию монтажных петель и точности геометрии стакана.

На этапе монтажа фундаментов под промежуточные опоры серии 3.407.1-115 критически важна качественная подготовка основания – песчано-гравийная подушка, уплотненная до коэффициента 0.95 и более. После установки в проектное положение обязательно выполните выверку осей и отметок верха стакана перед обратной засыпкой. Для обеспечения совместной работы с грунтом обратную засыпку пазух следует производить послойно с тромбованием непучинистым материалом.

Ответы экспертов на ваши вопросы

Эти фундаменты предназначены для устройства промежуточных опор воздушных линий электропередачи (ЛЭП) и контактной сети электрифицированного транспорта (железных дорог, трамваев). Они рассчитаны на восприятие вертикальных, горизонтальных нагрузок и опрокидывающих моментов от опор в различных грунтовых условиях.

Серии разработаны для применения в грунтах естественного залегания с расчетным сопротивлением не менее 0.15 МПа (1.5 кгс/см²). Конструкции предусматривают установку в маловлажные, влажные и водонасыщенные грунты. Для каждого типа грунтовых условий предусмотрены соответствующие мероприятия по водоотведению и защите от агрессивного воздействия грунтовых вод.

Фундаменты изготавливаются из тяжелого бетона классов В15-В25 по прочности на сжатие. Армирование выполняется стальной арматурой классов А-I, А-III. Конструктивно представляют собой сборные железобетонные элементы (стаканы, плиты, блоки) или монолитные конструкции. Особенностью является наличие анкерных устройств для крепления металлических опор и специальных пазов для обеспечения надежного соединения элементов.

Фундаменты рассчитываются на восприятие:

  • Вертикальных нагрузок от веса опоры и проводов
  • Горизонтальных нагрузок от давления ветра на опоры и провода
  • Опрокидывающих моментов Расчет выполняется по методу предельных состояний с учетом коэффициентов надежности по нагрузке и сочетаний нагрузок согласно СНиП 2.01.07-85 "Нагрузки и воздействия".

Монтаж включает: подготовку котлована, устройство песчано-гравийной подготовки, установку фундаментных элементов с выверкой положения, заделку стыков и обратную засыпку с послойным уплотнением. Обязателен контроль качества бетона, геометрических параметров, положения анкерных болтов. После монтажа выполняются испытания на несущую способность в соответствии с проектом производства работ.

Ранее смотрели
Межколонные плиты (МП) Серия 1.420.1-25 МП 1-6
МП 1-6
Межколонные плиты (МП) Серия 1.420.1-25
Фундаментные блоки пустотные ФБП серия 1.116.1-8 и ГОСТ 13579-78 ФБП 24-4-6 т
ФБП 24-4-6 т
Фундаментные блоки пустотные ФБП серия 1.116.1-8 и ГОСТ 13579-78
2ПР 3 АIIIв н (ГОСТ 26992-86)
2ПР 3 АIIIв н (ГОСТ 26992-86)
Прогоны железобетонные ГОСТ 26992-86
Камни для кладки стен ТУ 5741-004-18576628-99 СКЦ 8 р
СКЦ 8 р
Камни для кладки стен ТУ 5741-004-18576628-99
РПС 21-36-4 АтIVс
РПС 21-36-4 АтIVс
Полурамы Серия 1.822.1-6
Вставки Серия 3.015-2/77 В 1-1 (3.015-2/77)
В 1-1 (3.015-2/77)
Вставки Серия 3.015-2/77
2ПР 2 АIIIв п (ГОСТ 26992-86)
2ПР 2 АIIIв п (ГОСТ 26992-86)
Прогоны железобетонные ГОСТ 26992-86
Камни для кладки стен ТУ 5741-004-18576628-99 СКЦ 3 д
СКЦ 3 д
Камни для кладки стен ТУ 5741-004-18576628-99

Уведомление о файлах cookie

Мы используем файлы cookie для улучшения вашего опыта просмотра и анализа трафика. Нажимая "Принять все", вы соглашаетесь с нашей политикой конфиденциальности и политикой обработки файлов cookie.

Дзен Телеграм Вконтакте vk