mobile_sound +7 (930) 655-55-90

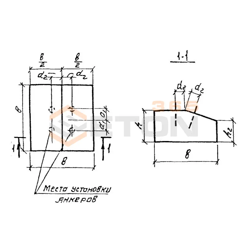
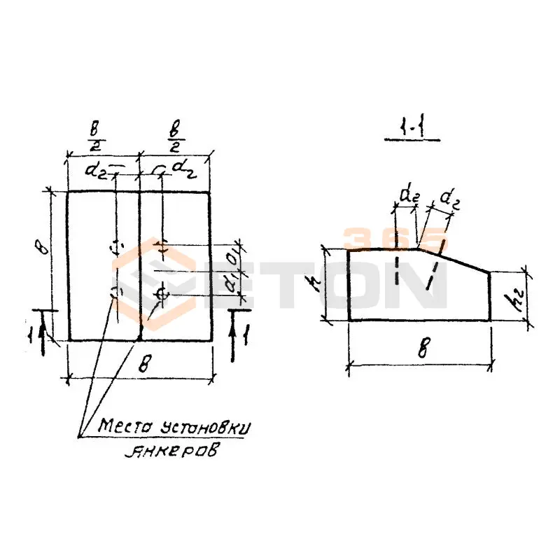
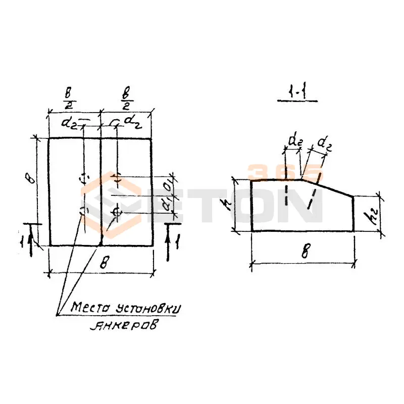
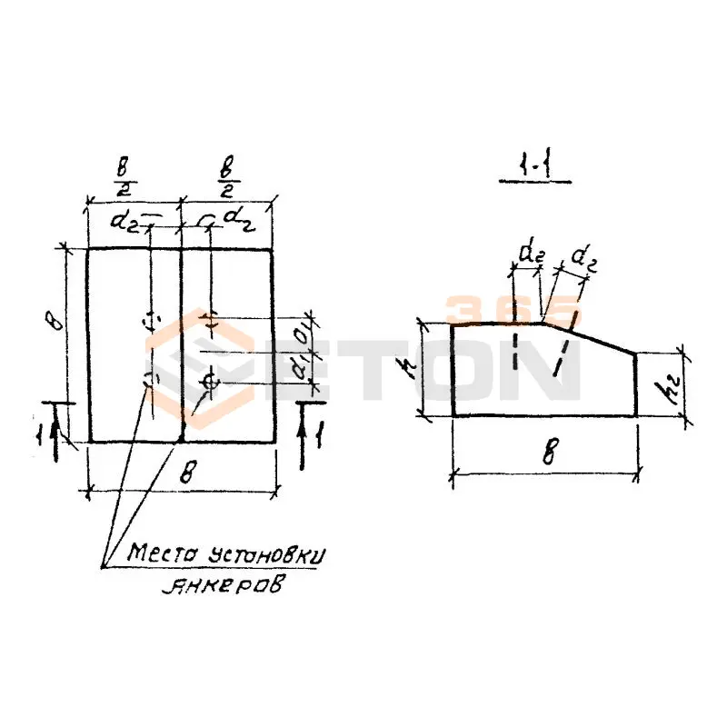
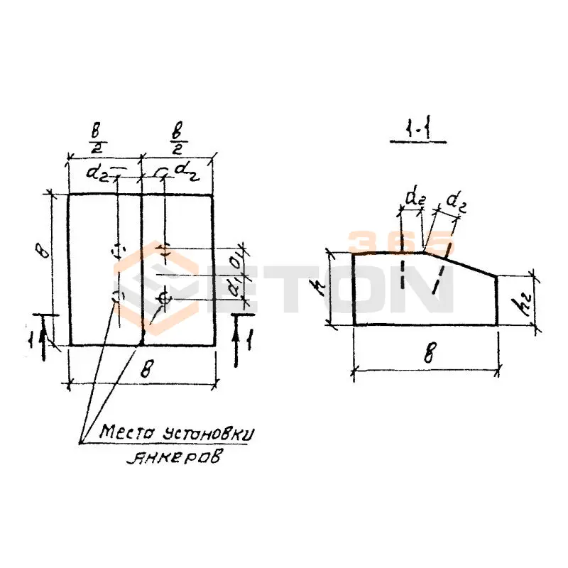
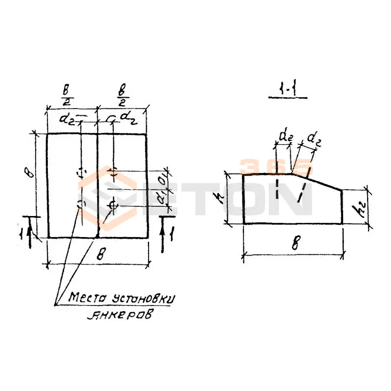
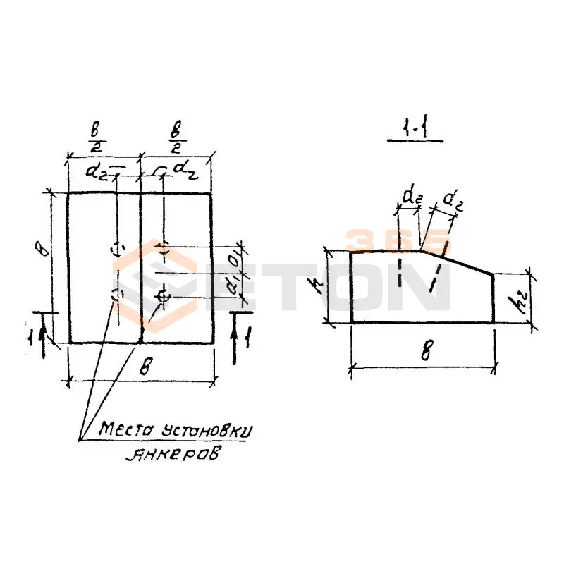
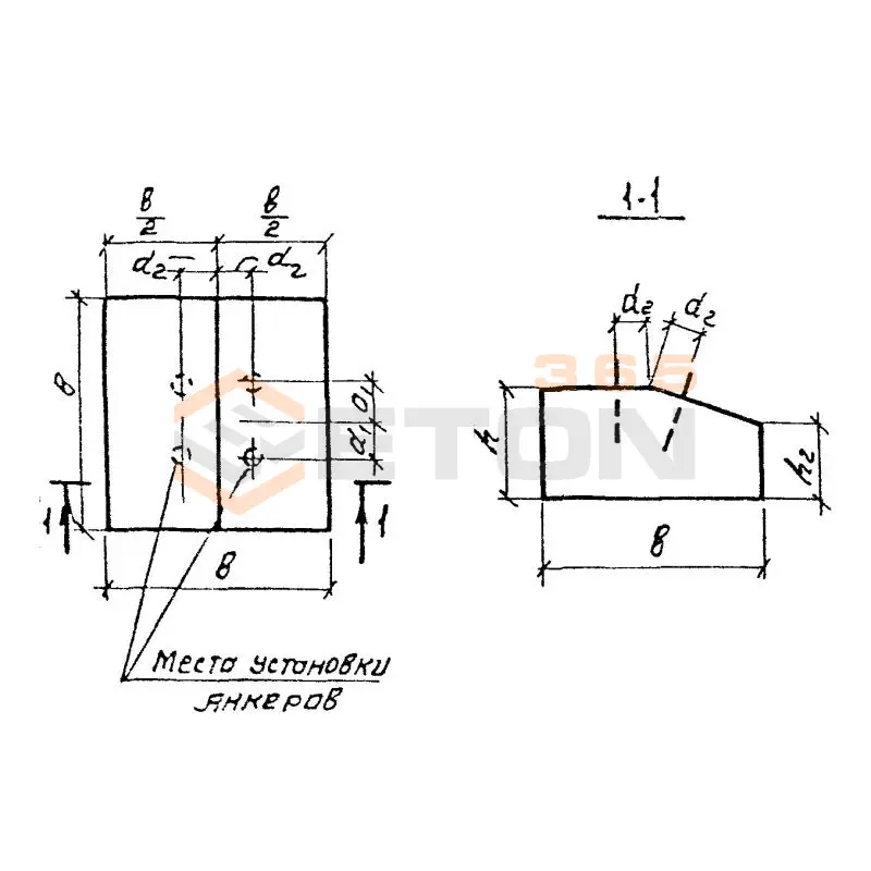
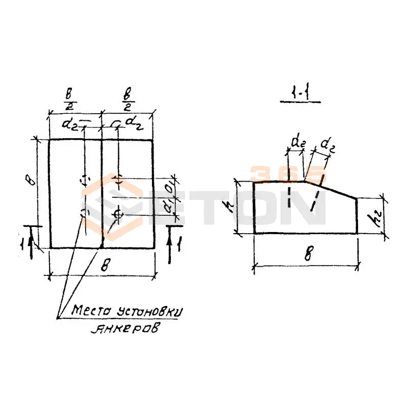
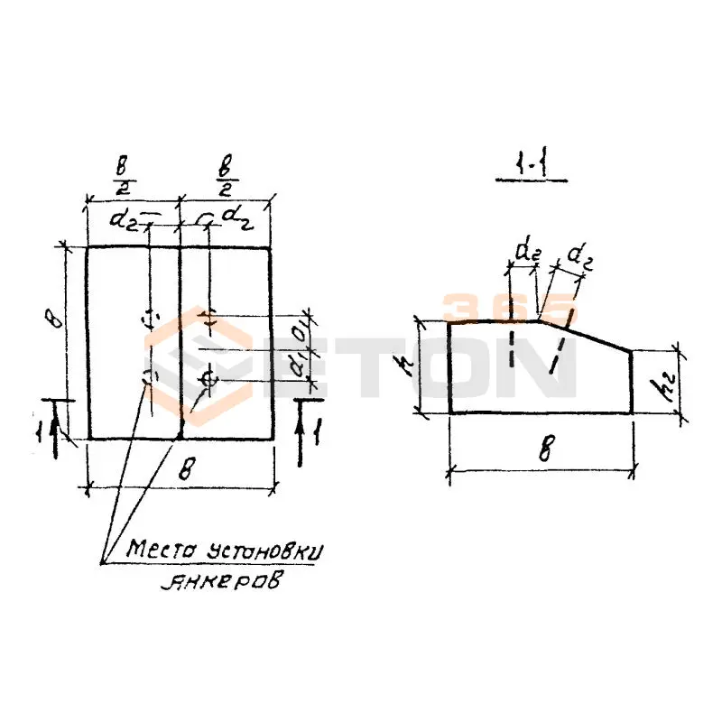
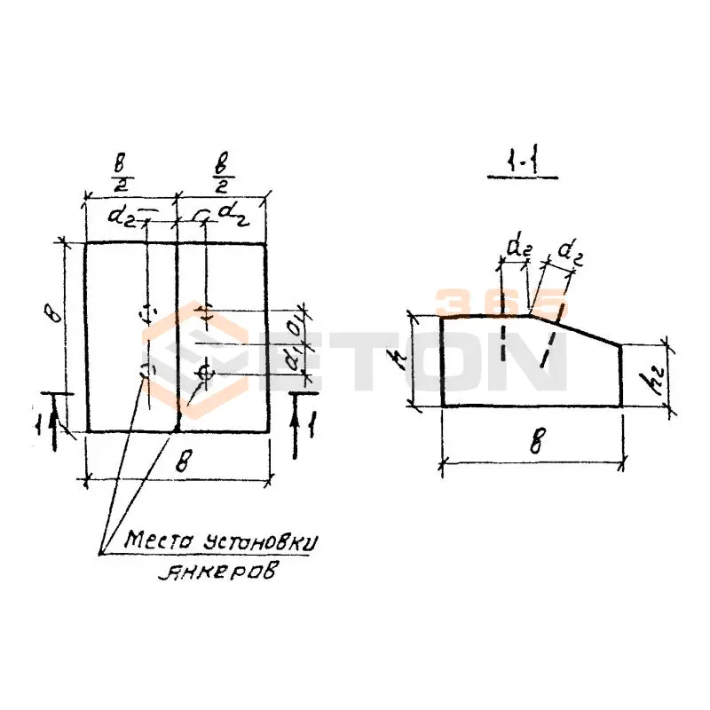
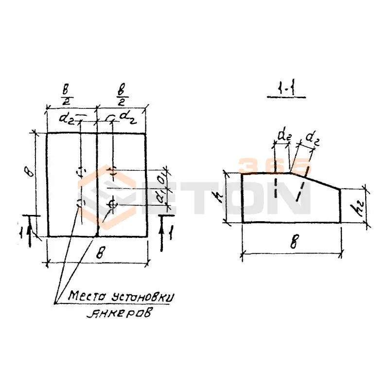
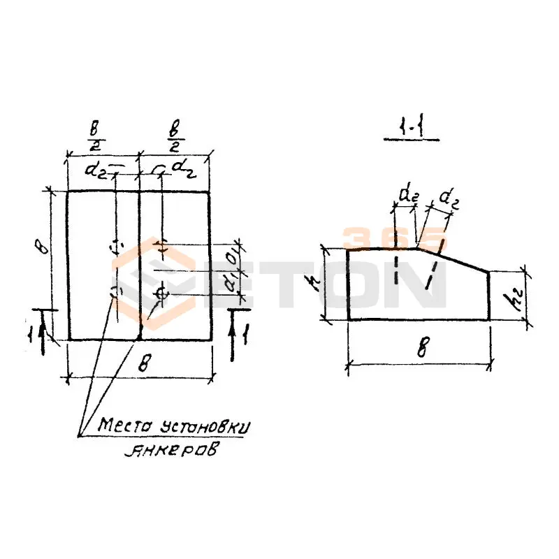
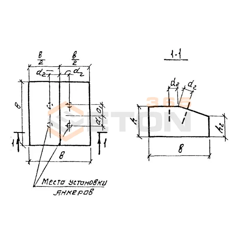
Упоры на повороте трубопровода в вертикальной плоскости выпуклостью вверх Серия 3.001.1-3

Поделиться:
Фильтр по характеристикам
Длина (мм.)
keyboard_arrow_down
мм.
мм.
Ширина (мм.)
keyboard_arrow_down
мм.
мм.
Высота (мм.)
keyboard_arrow_down
мм.
мм.
Вес (кг.)
keyboard_arrow_down
кг.
кг.
Объем бетона (м3)
keyboard_arrow_down
м3
м3
Геометрический объем (м3)
keyboard_arrow_down
м3
м3
Поделиться:

Завод "Бетон365" производит специализированные упоры на повороте трубопровода в вертикальной плоскости выпуклостью вверх серии 3.001.1-3 – ключевые элементы для обеспечения стабильности и безопасности трубопроводных систем. Эти железобетонные конструкции создают необходимую жесткость в местах изменения направления труб, равномерно распределяя механические нагрузки и предотвращая деформации. Изготовленные в строгом соответствии с ГОСТами из высокомарочного бетона, наши упоры гарантируют многолетнюю надежную эксплуатацию на промышленных и гражданских объектах.

Реализуем упоры серии 3.001.1-3 напрямую от производителя в Москве и МО по конкурентной цене с полным пакетом документации. Предлагаем оперативную доставку на объект и профессиональные консультации по монтажу. Чтобы купить качественные железобетонные упоры с гарантией долговечности – обращайтесь к нашим специалистам для расчета стоимости и оформления заказа.

УВ 1 а
Упоры на повороте трубопровода в вертикальной плоскости выпуклостью вверх Серия 3.001.1-3
  • Длина 600 мм.
  • Ширина 600 мм.
  • Высота 500 мм.
  • Вес 375 кг.
  • Объем бетона 0,15 м3
  • Геометрический объем 0,18 м3
Цена: 3929 руб.
Подробнее
УВ 10
Упоры на повороте трубопровода в вертикальной плоскости выпуклостью вверх Серия 3.001.1-3
  • Длина 1500 мм.
  • Ширина 1500 мм.
  • Высота 1400 мм.
  • Вес 7250 кг.
  • Объем бетона 2,9 м3
  • Геометрический объем 3,15 м3
Цена: 75951 руб.
Подробнее
УВ 1
Упоры на повороте трубопровода в вертикальной плоскости выпуклостью вверх Серия 3.001.1-3
  • Длина 600 мм.
  • Ширина 600 мм.
  • Высота 500 мм.
  • Вес 400 кг.
  • Объем бетона 0,16 м3
  • Геометрический объем 0,18 м3
Цена: 4190 руб.
Подробнее
УВ 10 а
Упоры на повороте трубопровода в вертикальной плоскости выпуклостью вверх Серия 3.001.1-3
  • Длина 1500 мм.
  • Ширина 1500 мм.
  • Высота 1400 мм.
  • Вес 6825 кг.
  • Объем бетона 2,73 м3
  • Геометрический объем 3,15 м3
Цена: 71499 руб.
Подробнее
УВ 11
Упоры на повороте трубопровода в вертикальной плоскости выпуклостью вверх Серия 3.001.1-3
  • Длина 1600 мм.
  • Ширина 1600 мм.
  • Высота 1500 мм.
  • Вес 8875 кг.
  • Объем бетона 3,55 м3
  • Геометрический объем 3,84 м3
Цена: 92975 руб.
Подробнее
УВ 11 а
Упоры на повороте трубопровода в вертикальной плоскости выпуклостью вверх Серия 3.001.1-3
  • Длина 1600 мм.
  • Ширина 1600 мм.
  • Высота 1500 мм.
  • Вес 8325 кг.
  • Объем бетона 3,33 м3
  • Геометрический объем 3,84 м3
Цена: 87213 руб.
Подробнее
УВ 12
Упоры на повороте трубопровода в вертикальной плоскости выпуклостью вверх Серия 3.001.1-3
  • Длина 1600 мм.
  • Ширина 1600 мм.
  • Высота 1600 мм.
  • Вес 9525 кг.
  • Объем бетона 3,81 м3
  • Геометрический объем 4,096 м3
Цена: 99784 руб.
Подробнее
УВ 14
Упоры на повороте трубопровода в вертикальной плоскости выпуклостью вверх Серия 3.001.1-3
  • Длина 1700 мм.
  • Ширина 1700 мм.
  • Высота 1600 мм.
  • Вес 10650 кг.
  • Объем бетона 4,26 м3
  • Геометрический объем 4,624 м3
Цена: 111569 руб.
Подробнее
УВ 14 а
Упоры на повороте трубопровода в вертикальной плоскости выпуклостью вверх Серия 3.001.1-3
  • Длина 1700 мм.
  • Ширина 1700 мм.
  • Высота 1700 мм.
  • Вес 10750 кг.
  • Объем бетона 4,3 м3
  • Геометрический объем 4,913 м3
Цена: 112617 руб.
Подробнее
УВ 13 а
Упоры на повороте трубопровода в вертикальной плоскости выпуклостью вверх Серия 3.001.1-3
  • Длина 1700 мм.
  • Ширина 1700 мм.
  • Высота 1600 мм.
  • Вес 10025 кг.
  • Объем бетона 4,01 м3
  • Геометрический объем 4,624 м3
Цена: 105022 руб.
Подробнее
УВ 15
Упоры на повороте трубопровода в вертикальной плоскости выпуклостью вверх Серия 3.001.1-3
  • Длина 1800 мм.
  • Ширина 1800 мм.
  • Высота 1700 мм.
  • Вес 12750 кг.
  • Объем бетона 5,1 м3
  • Геометрический объем 5,508 м3
Цена: 133569 руб.
Подробнее
УВ 19
Упоры на повороте трубопровода в вертикальной плоскости выпуклостью вверх Серия 3.001.1-3
  • Длина 1900 мм.
  • Ширина 1900 мм.
  • Высота 1900 мм.
  • Вес 15900 кг.
  • Объем бетона 6,36 м3
  • Геометрический объем 6,859 м3
Цена: 166568 руб.
Подробнее
УВ 15 а
Упоры на повороте трубопровода в вертикальной плоскости выпуклостью вверх Серия 3.001.1-3
  • Длина 1800 мм.
  • Ширина 1800 мм.
  • Высота 1700 мм.
  • Вес 11950 кг.
  • Объем бетона 4,78 м3
  • Геометрический объем 5,508 м3
Цена: 125188 руб.
Подробнее
УВ 17 а
Упоры на повороте трубопровода в вертикальной плоскости выпуклостью вверх Серия 3.001.1-3
  • Длина 1900 мм.
  • Ширина 1900 мм.
  • Высота 1800 мм.
  • Вес 14100 кг.
  • Объем бетона 5,64 м3
  • Геометрический объем 6,498 м3
Цена: 147712 руб.
Подробнее
УВ 18 а
Упоры на повороте трубопровода в вертикальной плоскости выпуклостью вверх Серия 3.001.1-3
  • Длина 1900 мм.
  • Ширина 1900 мм.
  • Высота 1900 мм.
  • Вес 15000 кг.
  • Объем бетона 6 м3
  • Геометрический объем 6,859 м3
Цена: 157140 руб.
Подробнее
УВ 16
Упоры на повороте трубопровода в вертикальной плоскости выпуклостью вверх Серия 3.001.1-3
  • Длина 1800 мм.
  • Ширина 1800 мм.
  • Высота 1800 мм.
  • Вес 13575 кг.
  • Объем бетона 5,43 м3
  • Геометрический объем 5,832 м3
Цена: 142212 руб.
Подробнее
УВ 18
Упоры на повороте трубопровода в вертикальной плоскости выпуклостью вверх Серия 3.001.1-3
  • Длина 1900 мм.
  • Ширина 1900 мм.
  • Высота 1800 мм.
  • Вес 15000 кг.
  • Объем бетона 6 м3
  • Геометрический объем 6,498 м3
Цена: 157140 руб.
Подробнее
УВ 20 а
Упоры на повороте трубопровода в вертикальной плоскости выпуклостью вверх Серия 3.001.1-3
  • Длина 2000 мм.
  • Ширина 2000 мм.
  • Высота 1900 мм.
  • Вес 16500 кг.
  • Объем бетона 6,6 м3
  • Геометрический объем 7,6 м3
Цена: 172854 руб.
Подробнее
УВ 2
Упоры на повороте трубопровода в вертикальной плоскости выпуклостью вверх Серия 3.001.1-3
  • Длина 700 мм.
  • Ширина 700 мм.
  • Высота 600 мм.
  • Вес 675 кг.
  • Объем бетона 0,27 м3
  • Геометрический объем 0,294 м3
Цена: 7071 руб.
Подробнее
УВ 21 а
Упоры на повороте трубопровода в вертикальной плоскости выпуклостью вверх Серия 3.001.1-3
  • Длина 2000 мм.
  • Ширина 2000 мм.
  • Высота 2000 мм.
  • Вес 17500 кг.
  • Объем бетона 7 м3
  • Геометрический объем 8 м3
Цена: 183330 руб.
Подробнее
УВ 21
Упоры на повороте трубопровода в вертикальной плоскости выпуклостью вверх Серия 3.001.1-3
  • Длина 2000 мм.
  • Ширина 2000 мм.
  • Высота 1900 мм.
  • Вес 17625 кг.
  • Объем бетона 7,05 м3
  • Геометрический объем 7,6 м3
Цена: 184640 руб.
Подробнее
УВ 2 а
Упоры на повороте трубопровода в вертикальной плоскости выпуклостью вверх Серия 3.001.1-3
  • Длина 700 мм.
  • Ширина 700 мм.
  • Высота 600 мм.
  • Вес 625 кг.
  • Объем бетона 0,25 м3
  • Геометрический объем 0,294 м3
Цена: 6548 руб.
Подробнее
УВ 22
Упоры на повороте трубопровода в вертикальной плоскости выпуклостью вверх Серия 3.001.1-3
  • Длина 2000 мм.
  • Ширина 2000 мм.
  • Высота 2000 мм.
  • Вес 18625 кг.
  • Объем бетона 7,45 м3
  • Геометрический объем 8 м3
Цена: 195116 руб.
Подробнее
УВ 23
Упоры на повороте трубопровода в вертикальной плоскости выпуклостью вверх Серия 3.001.1-3
  • Длина 2100 мм.
  • Ширина 2100 мм.
  • Высота 1900 мм.
  • Вес 19300 кг.
  • Объем бетона 7,72 м3
  • Геометрический объем 8,379 м3
Цена: 202187 руб.
Подробнее
УВ 25
Упоры на повороте трубопровода в вертикальной плоскости выпуклостью вверх Серия 3.001.1-3
  • Длина 2100 мм.
  • Ширина 2100 мм.
  • Высота 2100 мм.
  • Вес 21500 кг.
  • Объем бетона 8,6 м3
  • Геометрический объем 9,261 м3
Цена: 225234 руб.
Подробнее
УВ 24
Упоры на повороте трубопровода в вертикальной плоскости выпуклостью вверх Серия 3.001.1-3
  • Длина 2100 мм.
  • Ширина 2100 мм.
  • Высота 2000 мм.
  • Вес 20400 кг.
  • Объем бетона 8,16 м3
  • Геометрический объем 8,82 м3
Цена: 213710 руб.
Подробнее
УВ 23 а
Упоры на повороте трубопровода в вертикальной плоскости выпуклостью вверх Серия 3.001.1-3
  • Длина 2100 мм.
  • Ширина 2100 мм.
  • Высота 2000 мм.
  • Вес 19150 кг.
  • Объем бетона 7,66 м3
  • Геометрический объем 8,82 м3
Цена: 200615 руб.
Подробнее
УВ 24 а
Упоры на повороте трубопровода в вертикальной плоскости выпуклостью вверх Серия 3.001.1-3
  • Длина 2100 мм.
  • Ширина 2100 мм.
  • Высота 2100 мм.
  • Вес 20250 кг.
  • Объем бетона 8,1 м3
  • Геометрический объем 9,261 м3
Цена: 212139 руб.
Подробнее
УВ 26 а
Упоры на повороте трубопровода в вертикальной плоскости выпуклостью вверх Серия 3.001.1-3
  • Длина 2200 мм.
  • Ширина 2200 мм.
  • Высота 2000 мм.
  • Вес 20875 кг.
  • Объем бетона 8,35 м3
  • Геометрический объем 9,68 м3
Цена: 218687 руб.
Подробнее
УВ 27
Упоры на повороте трубопровода в вертикальной плоскости выпуклостью вверх Серия 3.001.1-3
  • Длина 2200 мм.
  • Ширина 2200 мм.
  • Высота 2000 мм.
  • Вес 22375 кг.
  • Объем бетона 8,95 м3
  • Геометрический объем 9,68 м3
Цена: 234401 руб.
Подробнее
УВ 27 а
Упоры на повороте трубопровода в вертикальной плоскости выпуклостью вверх Серия 3.001.1-3
  • Длина 2200 мм.
  • Ширина 2200 мм.
  • Высота 2100 мм.
  • Вес 24575 кг.
  • Объем бетона 9,83 м3
  • Геометрический объем 10,164 м3
Цена: 257448 руб.
Подробнее
УВ 29
Упоры на повороте трубопровода в вертикальной плоскости выпуклостью вверх Серия 3.001.1-3
  • Длина 2200 мм.
  • Ширина 2200 мм.
  • Высота 2200 мм.
  • Вес 24725 кг.
  • Объем бетона 9,89 м3
  • Геометрический объем 10,648 м3
Цена: 259019 руб.
Подробнее
УВ 28 а
Упоры на повороте трубопровода в вертикальной плоскости выпуклостью вверх Серия 3.001.1-3
  • Длина 2200 мм.
  • Ширина 2200 мм.
  • Высота 2200 мм.
  • Вес 23300 кг.
  • Объем бетона 9,32 м3
  • Геометрический объем 10,648 м3
Цена: 244091 руб.
Подробнее
УВ 28
Упоры на повороте трубопровода в вертикальной плоскости выпуклостью вверх Серия 3.001.1-3
  • Длина 2200 мм.
  • Ширина 2200 мм.
  • Высота 2100 мм.
  • Вес 23450 кг.
  • Объем бетона 9,38 м3
  • Геометрический объем 10,164 м3
Цена: 245662 руб.
Подробнее
УВ 3
Упоры на повороте трубопровода в вертикальной плоскости выпуклостью вверх Серия 3.001.1-3
  • Длина 800 мм.
  • Ширина 800 мм.
  • Высота 700 мм.
  • Вес 1025 кг.
  • Объем бетона 0,41 м3
  • Геометрический объем 0,448 м3
Цена: 10738 руб.
Подробнее
УВ 33
Упоры на повороте трубопровода в вертикальной плоскости выпуклостью вверх Серия 3.001.1-3
  • Длина 2400 мм.
  • Ширина 2400 мм.
  • Высота 2200 мм.
  • Вес 29150 кг.
  • Объем бетона 11,66 м3
  • Геометрический объем 12,672 м3
Цена: 180963 руб.
Подробнее
УВ 31 а
Упоры на повороте трубопровода в вертикальной плоскости выпуклостью вверх Серия 3.001.1-3
  • Длина 2300 мм.
  • Ширина 2300 мм.
  • Высота 2300 мм.
  • Вес 26625 кг.
  • Объем бетона 10,65 м3
  • Геометрический объем 12,167 м3
Цена: 165288 руб.
Подробнее
УВ 3 а
Упоры на повороте трубопровода в вертикальной плоскости выпуклостью вверх Серия 3.001.1-3
  • Длина 800 мм.
  • Ширина 800 мм.
  • Высота 700 мм.
  • Вес 950 кг.
  • Объем бетона 0,38 м3
  • Геометрический объем 0,448 м3
Цена: 9952 руб.
Подробнее
УВ 31
Упоры на повороте трубопровода в вертикальной плоскости выпуклостью вверх Серия 3.001.1-3
  • Длина 2300 мм.
  • Ширина 2300 мм.
  • Высота 2200 мм.
  • Вес 26950 кг.
  • Объем бетона 10,78 м3
  • Геометрический объем 11,638 м3
Цена: 167306 руб.
Подробнее
УВ 30 а
Упоры на повороте трубопровода в вертикальной плоскости выпуклостью вверх Серия 3.001.1-3
  • Длина 2300 мм.
  • Ширина 2300 мм.
  • Высота 2200 мм.
  • Вес 25300 кг.
  • Объем бетона 10,12 м3
  • Геометрический объем 11,638 м3
Цена: 157062 руб.
Подробнее
УВ 32
Упоры на повороте трубопровода в вертикальной плоскости выпуклостью вверх Серия 3.001.1-3
  • Длина 2300 мм.
  • Ширина 2300 мм.
  • Высота 2300 мм.
  • Вес 28275 кг.
  • Объем бетона 11,31 м3
  • Геометрический объем 12,167 м3
Цена: 175531 руб.
Подробнее
УВ 35 а
Упоры на повороте трубопровода в вертикальной плоскости выпуклостью вверх Серия 3.001.1-3
  • Длина 2400 мм.
  • Ширина 2400 мм.
  • Высота 2400 мм.
  • Вес 30250 кг.
  • Объем бетона 12,1 м3
  • Геометрический объем 13,824 м3
Цена: 187792 руб.
Подробнее
УВ 35
Упоры на повороте трубопровода в вертикальной плоскости выпуклостью вверх Серия 3.001.1-3
  • Длина 2400 мм.
  • Ширина 2400 мм.
  • Высота 2300 мм.
  • Вес 30600 кг.
  • Объем бетона 12,24 м3
  • Геометрический объем 13,248 м3
Цена: 189965 руб.
Подробнее
УВ 34
Упоры на повороте трубопровода в вертикальной плоскости выпуклостью вверх Серия 3.001.1-3
  • Длина 2400 мм.
  • Ширина 2400 мм.
  • Высота 2300 мм.
  • Вес 28800 кг.
  • Объем бетона 11,52 м3
  • Геометрический объем 13,248 м3
Цена: 178790 руб.
Подробнее
УВ 37 а
Упоры на повороте трубопровода в вертикальной плоскости выпуклостью вверх Серия 3.001.1-3
  • Длина 2500 мм.
  • Ширина 2500 мм.
  • Высота 2400 мм.
  • Вес 32625 кг.
  • Объем бетона 13,05 м3
  • Геометрический объем 15 м3
Цена: 202536 руб.
Подробнее
УВ 38
Упоры на повороте трубопровода в вертикальной плоскости выпуклостью вверх Серия 3.001.1-3
  • Длина 2500 мм.
  • Ширина 2500 мм.
  • Высота 2400 мм.
  • Вес 34775 кг.
  • Объем бетона 13,91 м3
  • Геометрический объем 15 м3
Цена: 215883 руб.
Подробнее
УВ 36
Упоры на повороте трубопровода в вертикальной плоскости выпуклостью вверх Серия 3.001.1-3
  • Длина 2400 мм.
  • Ширина 2400 мм.
  • Высота 2400 мм.
  • Вес 32050 кг.
  • Объем бетона 12,82 м3
  • Геометрический объем 13,824 м3
Цена: 198966 руб.
Подробнее
УВ 38 а
Упоры на повороте трубопровода в вертикальной плоскости выпуклостью вверх Серия 3.001.1-3
  • Длина 2500 мм.
  • Ширина 2500 мм.
  • Высота 2500 мм.
  • Вес 34175 кг.
  • Объем бетона 13,67 м3
  • Геометрический объем 15,625 м3
Цена: 212158 руб.
Подробнее
УВ 4
Упоры на повороте трубопровода в вертикальной плоскости выпуклостью вверх Серия 3.001.1-3
  • Длина 900 мм.
  • Ширина 900 мм.
  • Высота 800 мм.
  • Вес 1500 кг.
  • Объем бетона 0,6 м3
  • Геометрический объем 0,648 м3
Цена: 15714 руб.
Подробнее
УВ 39
Упоры на повороте трубопровода в вертикальной плоскости выпуклостью вверх Серия 3.001.1-3
  • Длина 2500 мм.
  • Ширина 2500 мм.
  • Высота 2500 мм.
  • Вес 36325 кг.
  • Объем бетона 14,53 м3
  • Геометрический объем 15,625 м3
Цена: 225506 руб.
Подробнее
УВ 40 а
Упоры на повороте трубопровода в вертикальной плоскости выпуклостью вверх Серия 3.001.1-3
  • Длина 2600 мм.
  • Ширина 2600 мм.
  • Высота 2400 мм.
  • Вес 35075 кг.
  • Объем бетона 14,03 м3
  • Геометрический объем 16,224 м3
Цена: 217746 руб.
Подробнее
УВ 4 а
Упоры на повороте трубопровода в вертикальной плоскости выпуклостью вверх Серия 3.001.1-3
  • Длина 900 мм.
  • Ширина 900 мм.
  • Высота 800 мм.
  • Вес 1400 кг.
  • Объем бетона 0,56 м3
  • Геометрический объем 0,648 м3
Цена: 14666 руб.
Подробнее
УВ 41 а
Упоры на повороте трубопровода в вертикальной плоскости выпуклостью вверх Серия 3.001.1-3
  • Длина 2600 мм.
  • Ширина 2600 мм.
  • Высота 2500 мм.
  • Вес 36750 кг.
  • Объем бетона 14,7 м3
  • Геометрический объем 16,9 м3
Цена: 228144 руб.
Подробнее
УВ 42
Упоры на повороте трубопровода в вертикальной плоскости выпуклостью вверх Серия 3.001.1-3
  • Длина 2600 мм.
  • Ширина 2600 мм.
  • Высота 2500 мм.
  • Вес 39075 кг.
  • Объем бетона 15,63 м3
  • Геометрический объем 16,9 м3
Цена: 242578 руб.
Подробнее
УВ 5
Упоры на повороте трубопровода в вертикальной плоскости выпуклостью вверх Серия 3.001.1-3
  • Длина 1000 мм.
  • Ширина 1000 мм.
  • Высота 900 мм.
  • Вес 2075 кг.
  • Объем бетона 0,83 м3
  • Геометрический объем 0,9 м3
Цена: 21738 руб.
Подробнее
УВ 5 а
Упоры на повороте трубопровода в вертикальной плоскости выпуклостью вверх Серия 3.001.1-3
  • Длина 1000 мм.
  • Ширина 1000 мм.
  • Высота 900 мм.
  • Вес 1975 кг.
  • Объем бетона 0,79 м3
  • Геометрический объем 0,9 м3
Цена: 20690 руб.
Подробнее
УВ 6 а
Упоры на повороте трубопровода в вертикальной плоскости выпуклостью вверх Серия 3.001.1-3
  • Длина 1100 мм.
  • Ширина 1100 мм.
  • Высота 1000 мм.
  • Вес 2600 кг.
  • Объем бетона 1,04 м3
  • Геометрический объем 1,21 м3
Цена: 27238 руб.
Подробнее
УВ 7
Упоры на повороте трубопровода в вертикальной плоскости выпуклостью вверх Серия 3.001.1-3
  • Длина 1200 мм.
  • Ширина 1200 мм.
  • Высота 1100 мм.
  • Вес 3650 кг.
  • Объем бетона 1,46 м3
  • Геометрический объем 1,584 м3
Цена: 38237 руб.
Подробнее
УВ 6
Упоры на повороте трубопровода в вертикальной плоскости выпуклостью вверх Серия 3.001.1-3
  • Длина 1100 мм.
  • Ширина 1100 мм.
  • Высота 1000 мм.
  • Вес 2800 кг.
  • Объем бетона 1,12 м3
  • Геометрический объем 1,21 м3
Цена: 29333 руб.
Подробнее
УВ 7 а
Упоры на повороте трубопровода в вертикальной плоскости выпуклостью вверх Серия 3.001.1-3
  • Длина 1200 мм.
  • Ширина 1200 мм.
  • Высота 1100 мм.
  • Вес 3425 кг.
  • Объем бетона 1,37 м3
  • Геометрический объем 1,584 м3
Цена: 35880 руб.
Подробнее

Как правильно выбрать - Упоры на повороте трубопровода в вертикальной плоскости выпуклостью вверх Серия 3.001.1-3

Упоры на повороте трубопровода в вертикальной плоскости выпуклостью вверх Серия 3.001.1-3 предназначены для восприятия значительных осевых усилий, возникающих в местах изменения направления самотечных и напорных трубопроводов. Они являются ответственным элементом, обеспечивающим стабильность и целостность всей трубной системы в условиях воздействия внутреннего давления, температурных деформаций и веса транспортируемой среды. Долговечность и надежность узла поворота напрямую определяются корректным подбором упоров в соответствии с проектными расчетами и агрессивностью окружающей среды.

Критерии выбора

  • Расчетная нагрузка: Основной параметр – воспринимаемое усилие (в кН), которое определяется расчетом в проекте на основе диаметра трубы, давления и угла поворота. Несоответствие нагрузки – главная причина разрушения.
  • Марка бетона и армирование: Изделия изготавливаются из тяжелого бетона марки не ниже М300. Обращайте внимание на класс арматуры (например, А-III) и качество антикоррозионного покрытия закладных деталей.
  • Типоразмер и конфигурация: Серия 3.001.1-3 включает несколько типоразмеров, строго соответствующих определенным углам поворота и диаметрам труб. Необходима сверка с рабочими чертежами.
  • Эксплуатационные характеристики бетона: Для большинства условий достаточно морозостойкости F150 и водонепроницаемости W6, но для агрессивных сред или наружной установки в северных регионах эти показатели должны быть выше.
  • Наличие и тип закладных деталей: Конструкция должна иметь монтажные петли или иные элементы для безопасной строповки, а также анкерные болты или выпуски арматуры для надежной фиксации на фундаменте.

Рекомендации по подбору и монтажу

При заказе упоров на повороте трубопровода в вертикальной плоскости выпуклостью вверх обязательно запрашивайте паспорт качества, где указаны фактические прочностные и деформативные характеристики бетона, а также сертификаты на арматуру. Убедитесь, что маркировка на изделии соответствует спецификации. Перед монтажом проверьте геометрию опорной поверхности фундамента – ее горизонтальность и соответствие проектным отметкам критически важны для равномерного распределения нагрузки.

Монтаж упоров Серии 3.001.1-3 следует выполнять до укладки трубопровода. Жесткая анкеровка к фундаменту должна быть выполнена в полном соответствии с проектом, без пропусков установленных анкеров. Особое внимание уделите качеству замоноличивания стакана или заделке анкерных болтов, так как именно этот узел передает все усилие на основание. После монтажа до начала эксплуатации необходимо визуально проконтролировать плотность прилегания упора к трубе в зоне контакта.

Ответы экспертов на ваши вопросы

Упоры данной серии предназначены для восприятия осевых усилий, возникающих в трубопроводе при изменении его направления в вертикальной плоскости выпуклостью вверх. Они предотвращают смещение трубопровода, компенсируют температурные деформации и обеспечивают стабильность положения системы, передавая нагрузки на фундамент или строительные конструкции.

Упоры изготавливаются из тяжелого бетона класса не ниже В25 и армируются стальной арматурой. Монтаж осуществляется на подготовленное основание с обязательной проверкой проектного положения. Все закладные детали и анкерные болты должны соответствовать проекту, а бетонирование опорной поверхности выполняется после окончательной выверки положения упора.

Типоразмер упора подбирается по расчетному усилию, которое определяется исходя из диаметра трубопровода, рабочего давления, температуры транспортируемой среды и угла поворота. В проектной документации должны быть указаны все параметры для выбора конкретного изделия из серии 3.001.1-3.

При расчете учитываются: усилия от внутреннего давления в месте поворота, температурные деформации трубопровода, вес транспортируемой среды, ветровые и сейсмические нагрузки (при необходимости). Также учитываются характеристики грунта основания и несущая способность фундамента.

Использование стандартной серии обеспечивает: унификацию конструктивных решений, проверенную надежность эксплуатации, сокращение сроков проектирования и монтажа, возможность использования типовой документации и снижение стоимости строительства за счет серийного производства.

Ранее смотрели
Лестничные площадки и полуплощадки ребристые ЛПП ГОСТ 9818-85 ЛПП 16-16в-5 (ГОСТ 9818-85)
ЛПП 16-16в-5 (ГОСТ 9818-85)
Лестничные площадки и полуплощадки ребристые ЛПП ГОСТ 9818-85

Уведомление о файлах cookie

Мы используем файлы cookie для улучшения вашего опыта просмотра и анализа трафика. Нажимая "Принять все", вы соглашаетесь с нашей политикой конфиденциальности и политикой обработки файлов cookie.

Дзен Телеграм Вконтакте vk