mobile_sound +7 (930) 655-55-90

Техническая документация и чертежи (ТП 902-09-46.88)

Поделиться:
Поделиться:

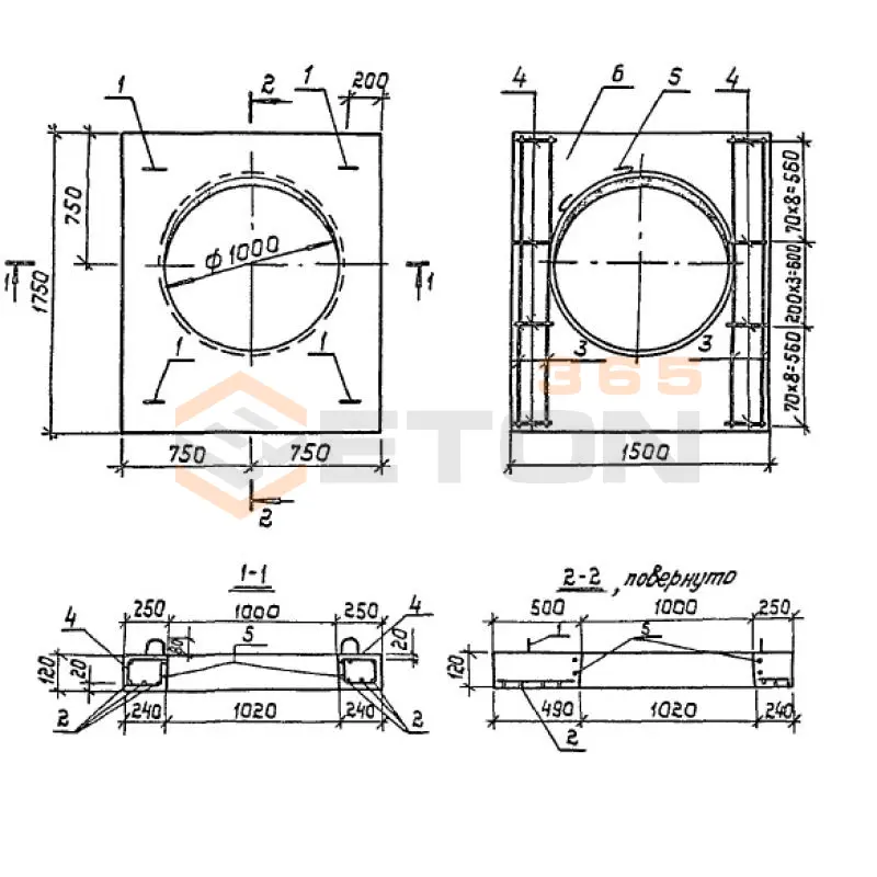
Документ ТП 902-09-46.88 описывает область применения, номенклатуру и ключевые требования, опираясь на действующие нормы и практику проектирования. В составе типовых материалов для проектирования ТП 902-09-46.88 насчитывается шесть альбомов, объединяющих в себе отдельные информационные блоки, направленные на отражения различных сведений для обустройства камер и колодцев по сбору атмосферных осадков. Дождевые колодцы могут иметь различную форму (круглые, прямоугольные), и применяться совместно с трубами диаметром от 300 до 1600 мм. Для обеспечения надежной фиксации смежных элементов в документе детально расписаны стальные соединительные конструкции, используемые при монтаже колодезных сооружений.

Файлы для скачивания:
picture_as_pdf

3236.pdf

2,587.7 KB

скачать
picture_as_pdf

3237.pdf

16,293.6 KB

скачать
picture_as_pdf

3238.pdf

3,753.1 KB

скачать
picture_as_pdf

3239.pdf

7,585.2 KB

скачать
picture_as_pdf

3240.pdf

6,532.4 KB

скачать
picture_as_pdf

3241.pdf

11,149.1 KB

скачать
Товары ТП 902-09-46.88 (16)
ПО 2-1 (ТП 902-09-46.88)
Плиты перекрытия ТП 902-09-46.88
  • Длина 1500 мм.
  • Ширина 1450 мм.
  • Высота 120 мм.
  • Вес 425 кг.
  • Объем бетона 0,17 м3
  • Геометрический объем 0,261 м3
Цена: 2474 руб.
Подробнее
ПО 3-1 (ТП 902-09-46.88)
Плиты перекрытия ТП 902-09-46.88
  • Длина 1500 мм.
  • Ширина 1750 мм.
  • Высота 120 мм.
  • Вес 725 кг.
  • Объем бетона 0,29 м3
  • Геометрический объем 0,315 м3
Цена: 4220 руб.
Подробнее
ПО 4-1 (ТП 902-09-46.88)
Плиты перекрытия ТП 902-09-46.88
  • Длина 1500 мм.
  • Ширина 2300 мм.
  • Высота 200 мм.
  • Вес 1325 кг.
  • Объем бетона 0,53 м3
  • Геометрический объем 0,69 м3
Цена: 7712 руб.
Подробнее
КЦД 10 а (ТП 902-09-46.88)
Днища колодцев ТП 902-09-46.88
  • Длина 1200 мм.
  • Ширина 1200 мм.
  • Высота 100 мм.
  • Вес 275 кг.
  • Объем бетона 0,11 м3
  • Геометрический объем 0,144 м3
Цена: 1601 руб.
Подробнее
КЦД 7 (ТП 902-09-46.88)
Днища колодцев ТП 902-09-46.88
  • Длина 900 мм.
  • Ширина 900 мм.
  • Высота 100 мм.
  • Вес 150 кг.
  • Объем бетона 0,06 м3
  • Геометрический объем 0,081 м3
Цена: 873 руб.
Подробнее
Дождеприемник бортовой БО (ТП 902-09-46.88)
Дождеприемники бортовые ТП 902-09-46.88
  • Длина 490 мм.
  • Ширина 210 мм.
  • Высота 270 мм.
  • Вес 35 кг.
  • Объем бетона 0,005 м3
  • Геометрический объем 0,0278 м3
Цена: 291 руб.
Подробнее
КЦ 10-9 б (ТП 902-09-46.88)
Кольца колодцев стеновые ТП 902-09-46.88
  • Длина 1160 мм.
  • Ширина 1160 мм.
  • Высота 890 мм.
  • Вес 550 кг.
  • Объем бетона 0,22 м3
  • Геометрический объем 1,1976 м3
Цена: 2134 руб.
Подробнее
КЦ 10-9 в (ТП 902-09-46.88)
Кольца колодцев стеновые ТП 902-09-46.88
  • Длина 1160 мм.
  • Ширина 1160 мм.
  • Высота 890 мм.
  • Вес 500 кг.
  • Объем бетона 0,2 м3
  • Геометрический объем 1,1976 м3
Цена: 1940 руб.
Подробнее
КЦ 7-9 б (ТП 902-09-46.88)
Кольца колодцев стеновые ТП 902-09-46.88
  • Длина 840 мм.
  • Ширина 840 мм.
  • Высота 890 мм.
  • Вес 350 кг.
  • Объем бетона 0,14 м3
  • Геометрический объем 0,628 м3
Цена: 1358 руб.
Подробнее
КЦ 7-9 в (ТП 902-09-46.88)
Кольца колодцев стеновые ТП 902-09-46.88
  • Длина 840 мм.
  • Ширина 840 мм.
  • Высота 890 мм.
  • Вес 325 кг.
  • Объем бетона 0,13 м3
  • Геометрический объем 0,628 м3
Цена: 1261 руб.
Подробнее
Люк канализационный (ТП 902-09-46.88)
Люки канализационные ТП 902-09-46.88
  • Длина 1150 мм.
  • Ширина 1150 мм.
  • Высота 250 мм.
  • Вес 613 кг.
  • Объем бетона 0,087 м3
  • Геометрический объем 0,3306 м3
Цена: 25317 руб.
Подробнее
КЦП 1-7 (ТП 902-09-46.88)
Плиты перекрытия колодцев ТП 902-09-46.88
  • Длина 900 мм.
  • Ширина 900 мм.
  • Высота 120 мм.
  • Вес 140 кг.
  • Объем бетона 0,56 м3
  • Геометрический объем 0,0972 м3
Цена: 1455 руб.
Подробнее
КЦП 2-10 (ТП 902-09-46.88)
Плиты перекрытия колодцев ТП 902-09-46.88
  • Длина 1160 мм.
  • Ширина 1160 мм.
  • Высота 120 мм.
  • Вес 275 кг.
  • Объем бетона 0,11 м3
  • Геометрический объем 0,1615 м3
Цена: 1601 руб.
Подробнее
КЦП 2-7 (ТП 902-09-46.88)
Плиты перекрытия колодцев ТП 902-09-46.88
  • Длина 1000 мм.
  • Ширина 1000 мм.
  • Высота 120 мм.
  • Вес 147,5 кг.
  • Объем бетона 0,059 м3
  • Геометрический объем 0,12 м3
Цена: 1455 руб.
Подробнее
КЦП 3-10 (ТП 902-09-46.88)
Плиты перекрытия колодцев ТП 902-09-46.88
  • Длина 1160 мм.
  • Ширина 1160 мм.
  • Высота 120 мм.
  • Вес 225 кг.
  • Объем бетона 0,09 м3
  • Геометрический объем 0,1615 м3
Цена: 1310 руб.
Подробнее
КЦП 4-10 (ТП 902-09-46.88)
Плиты перекрытия колодцев ТП 902-09-46.88
  • Длина 1300 мм.
  • Ширина 1300 мм.
  • Высота 120 мм.
  • Вес 275 кг.
  • Объем бетона 0,11 м3
  • Геометрический объем 0,2028 м3
Цена: 1601 руб.
Подробнее

Уведомление о файлах cookie

Мы используем файлы cookie для улучшения вашего опыта просмотра и анализа трафика. Нажимая "Принять все", вы соглашаетесь с нашей политикой конфиденциальности и политикой обработки файлов cookie.

MAX Дзен Телеграм Вконтакте vk