mobile_sound +7 (930) 655-55-90

Техническая документация и чертежи (Шифр 789-04)

Поделиться:
Поделиться:

Документ Шифр 789-04 описывает область применения, номенклатуру и ключевые требования, опираясь на действующие нормы и практику проектирования. При строительстве каркасных сооружений по домостроительной серии ИИ 20/70 возникла потребность в обустройстве лестничных клеток, для них были разработаны унифицированные конструкции, перечень которых содержится в Шифре 789-04. Проектированием изделия и конструкции занимался проектный институт ГЛАВПРОМСТРОЙПРОЕКТ, работы осуществлялись совместно с СОЮЗМЕТАЛЛУРГСТРОЙНИИПРОЕКТ. Датой введения в действие считается 1977 года после утверждения уполномоченными государственными органами.

Файлы для скачивания:
picture_as_pdf

3546.pdf

28,098.3 KB

скачать
Товары Шифр 789-04 (26)
Б 1 (Шифр 789-04)
Балки Шифр 789-04
  • Длина 5550 мм.
  • Ширина 150 мм.
  • Высота 400 мм.
  • Вес 880 кг.
  • Объем бетона 0,35 м3
  • Геометрический объем 0,333 м3
Цена: 15278 руб.
Подробнее
ЛМ 1 (Шифр 789-04)
Лестничные марши Шифр 789-04
  • Длина 2875 мм.
  • Ширина 1350 мм.
  • Высота 210 мм.
  • Вес 1450 кг.
  • Объем бетона 0,58 м3
  • Геометрический объем 0,8151 м3
Цена: 15190 руб.
Подробнее
ЛМ 2 (Шифр 789-04)
Лестничные марши Шифр 789-04
  • Длина 2875 мм.
  • Ширина 900 мм.
  • Высота 210 мм.
  • Вес 980 кг.
  • Объем бетона 0,39 м3
  • Геометрический объем 0,5434 м3
Цена: 10214 руб.
Подробнее
ЛМ 1 а (Шифр 789-04)
Лестничные марши Шифр 789-04
  • Длина 2875 мм.
  • Ширина 1350 мм.
  • Высота 210 мм.
  • Вес 1450 кг.
  • Объем бетона 0,58 м3
  • Геометрический объем 0,8151 м3
Цена: 15190 руб.
Подробнее
ЛМ 2 а (Шифр 789-04)
Лестничные марши Шифр 789-04
  • Длина 2875 мм.
  • Ширина 900 мм.
  • Высота 210 мм.
  • Вес 980 кг.
  • Объем бетона 0,39 м3
  • Геометрический объем 0,5434 м3
Цена: 10214 руб.
Подробнее
ЛПУ 2
Лестничные площадки Шифр 789-04
  • Длина 2140 мм.
  • Ширина 1260 мм.
  • Высота 220 мм.
  • Вес 800 кг.
  • Объем бетона 0,32 м3
  • Геометрический объем 0,5932 м3
Цена: 9312 руб.
Подробнее
ЛПУ 1 а
Лестничные площадки Шифр 789-04
  • Длина 3040 мм.
  • Ширина 1260 мм.
  • Высота 220 мм.
  • Вес 1030 кг.
  • Объем бетона 0,41 м3
  • Геометрический объем 0,8427 м3
Цена: 11931 руб.
Подробнее
ЛПУ 1
Лестничные площадки Шифр 789-04
  • Длина 3040 мм.
  • Ширина 1260 мм.
  • Высота 220 мм.
  • Вес 1030 кг.
  • Объем бетона 0,41 м3
  • Геометрический объем 0,8427 м3
Цена: 11931 руб.
Подробнее
ЛПУ 2 а
Лестничные площадки Шифр 789-04
  • Длина 2140 мм.
  • Ширина 1260 мм.
  • Высота 220 мм.
  • Вес 800 кг.
  • Объем бетона 0,32 м3
  • Геометрический объем 0,5932 м3
Цена: 9312 руб.
Подробнее
СЗЛ 1
Соединительные элементы лестничных клеток Шифр 789-04
  • Длина 2080 мм.
  • Ширина 200 мм.
  • Высота 1100 мм.
  • Вес 1250 кг.
  • Объем бетона 0,5 м3
  • Геометрический объем 0,4576 м3
Цена: 7275 руб.
Подробнее
УЛВ 1
Уголковые элементы встроенных лестничных клеток Шифр 789-04
  • Длина 2590 мм.
  • Ширина 1590 мм.
  • Высота 2380 мм.
  • Вес 4980 кг.
  • Объем бетона 1,99 м3
  • Геометрический объем 9,8011 м3
Цена: 48258 руб.
Подробнее
УЛВ 2
Уголковые элементы встроенных лестничных клеток Шифр 789-04
  • Длина 1590 мм.
  • Ширина 1540 мм.
  • Высота 2380 мм.
  • Вес 3730 кг.
  • Объем бетона 1,49 м3
  • Геометрический объем 5,8277 м3
Цена: 36133 руб.
Подробнее
УЛВ 3
Уголковые элементы встроенных лестничных клеток Шифр 789-04
  • Длина 2590 мм.
  • Ширина 1190 мм.
  • Высота 2380 мм.
  • Вес 4500 кг.
  • Объем бетона 1,8 м3
  • Геометрический объем 7,3354 м3
Цена: 43650 руб.
Подробнее
УЛВ 6
Уголковые элементы встроенных лестничных клеток Шифр 789-04
  • Длина 1540 мм.
  • Ширина 690 мм.
  • Высота 2380 мм.
  • Вес 2680 кг.
  • Объем бетона 1,07 м3
  • Геометрический объем 2,529 м3
Цена: 25948 руб.
Подробнее
УЛВ 4
Уголковые элементы встроенных лестничных клеток Шифр 789-04
  • Длина 1540 мм.
  • Ширина 1190 мм.
  • Высота 2380 мм.
  • Вес 3250 кг.
  • Объем бетона 1,3 м3
  • Геометрический объем 4,3616 м3
Цена: 31525 руб.
Подробнее
УЛВ 5
Уголковые элементы встроенных лестничных клеток Шифр 789-04
  • Длина 2590 мм.
  • Ширина 690 мм.
  • Высота 2380 мм.
  • Вес 3900 кг.
  • Объем бетона 1,56 м3
  • Геометрический объем 4,2533 м3
Цена: 37830 руб.
Подробнее
УЛВ 7
Уголковые элементы встроенных лестничных клеток Шифр 789-04
  • Длина 2590 мм.
  • Ширина 1590 мм.
  • Высота 1180 мм.
  • Вес 2480 кг.
  • Объем бетона 0,99 м3
  • Геометрический объем 4,8594 м3
Цена: 24008 руб.
Подробнее
УЛВ 8
Уголковые элементы встроенных лестничных клеток Шифр 789-04
  • Длина 1590 мм.
  • Ширина 1540 мм.
  • Высота 1180 мм.
  • Вес 1620 кг.
  • Объем бетона 0,65 м3
  • Геометрический объем 2,8893 м3
Цена: 15763 руб.
Подробнее
УЛО 1
Уголковые элементы встроенных лестничных клеток Шифр 789-04
  • Длина 850 мм.
  • Ширина 425 мм.
  • Высота 1180 мм.
  • Вес 380 кг.
  • Объем бетона 0,15 м3
  • Геометрический объем 0,4263 м3
Цена: 3638 руб.
Подробнее
УЛВД 2
Уголковые элементы встроенных лестничных клеток Шифр 789-04
  • Длина 2590 мм.
  • Ширина 690 мм.
  • Высота 2360 мм.
  • Вес 2270 кг.
  • Объем бетона 0,91 м3
  • Геометрический объем 4,2176 м3
Цена: 22068 руб.
Подробнее
УЛТ 1
Уголковые элементы встроенных лестничных клеток Шифр 789-04
  • Длина 800 мм.
  • Ширина 600 мм.
  • Высота 2200 мм.
  • Вес 1120 кг.
  • Объем бетона 0,45 м3
  • Геометрический объем 1,056 м3
Цена: 10913 руб.
Подробнее
УЛВД 1
Уголковые элементы встроенных лестничных клеток Шифр 789-04
  • Длина 2590 мм.
  • Ширина 1550 мм.
  • Высота 2380 мм.
  • Вес 3330 кг.
  • Объем бетона 1,33 м3
  • Геометрический объем 9,5545 м3
Цена: 32253 руб.
Подробнее
УЛВ 9
Уголковые элементы встроенных лестничных клеток Шифр 789-04
  • Длина 2590 мм.
  • Ширина 690 мм.
  • Высота 1180 мм.
  • Вес 1920 кг.
  • Объем бетона 0,77 м3
  • Геометрический объем 2,1088 м3
Цена: 18673 руб.
Подробнее
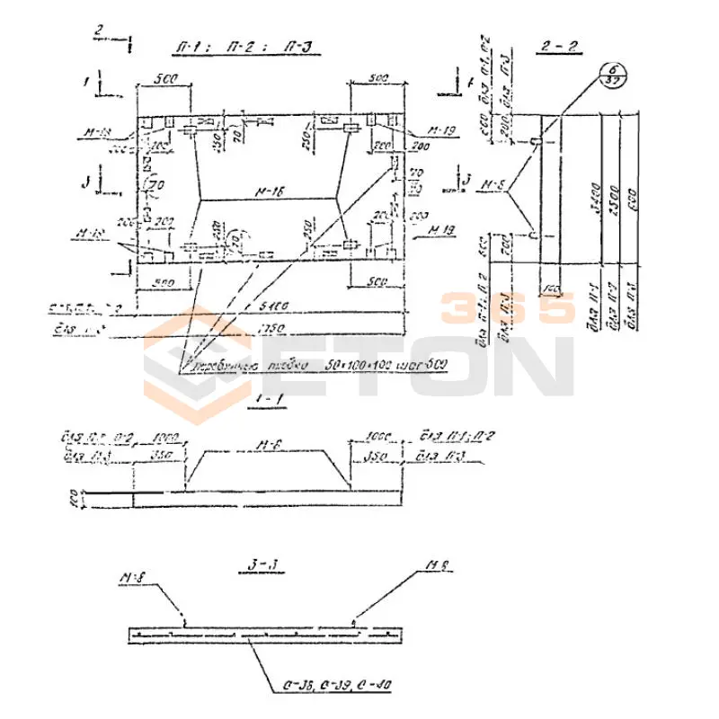
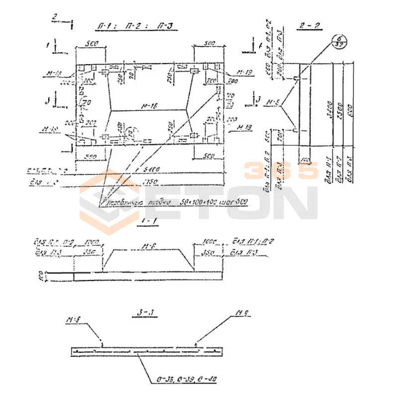
П 2 (Шифр 789-04)
Плиты покрытий лестничных клеток Шифр 789-04
  • Длина 5400 мм.
  • Ширина 2500 мм.
  • Высота 100 мм.
  • Вес 3380 кг.
  • Объем бетона 1,35 м3
  • Геометрический объем 1,35 м3
Цена: 22262 руб.
Подробнее
П 1 (Шифр 789-04)
Плиты покрытий лестничных клеток Шифр 789-04
  • Длина 5400 мм.
  • Ширина 3400 мм.
  • Высота 100 мм.
  • Вес 4600 кг.
  • Объем бетона 1,84 м3
  • Геометрический объем 1,836 м3
Цена: 30342 руб.
Подробнее
П 3 (Шифр 789-04)
Плиты покрытий лестничных клеток Шифр 789-04
  • Длина 1750 мм.
  • Ширина 800 мм.
  • Высота 100 мм.
  • Вес 350 кг.
  • Объем бетона 0,14 м3
  • Геометрический объем 0,14 м3
Цена: 2309 руб.
Подробнее

Уведомление о файлах cookie

Мы используем файлы cookie для улучшения вашего опыта просмотра и анализа трафика. Нажимая "Принять все", вы соглашаетесь с нашей политикой конфиденциальности и политикой обработки файлов cookie.

MAX Дзен Телеграм Вконтакте vk