mobile_sound +7 (930) 655-55-90

Техническая документация и чертежи (Шифр 27Н-83)

Поделиться:
Поделиться:

Документ Шифр 27Н-83 описывает область применения, номенклатуру и ключевые требования, опираясь на действующие нормы и практику проектирования. Шифр 27н-83 относится к ряду вспомогательных нормативных документов, разработанных для упрощения трудозатрат при строительстве жилых зданий по домостроительным сериям 25, 135, 17 и 209. Регламент определяет и регламентирует модернизированные конструкции, позволяющие повысить эффективность строящихся объектов и обеспечить их своевременную сдачу в эксплуатацию. В номенклатурном перечне железобетонных конструкций приведены малозаглубленные фундаменты нескольких вариантов, которые могут оснащаться арматурными выпусками для максимально эффективного сопряжения.

Файлы для скачивания:
picture_as_pdf

3531.pdf

8,447.6 KB

скачать
Товары Шифр 27Н-83 (9)
ФБ 29-43 т-1
Балки фундаментые Шифр 27Н-83
  • Длина 2850 мм.
  • Ширина 400 мм.
  • Высота 300 мм.
  • Вес 860 кг.
  • Объем бетона 0,34 м3
  • Геометрический объем 0,342 м3
Цена: 13192 руб.
Подробнее
ФБ 29-43 т-1 л
Балки фундаментые Шифр 27Н-83
  • Длина 2850 мм.
  • Ширина 400 мм.
  • Высота 300 мм.
  • Вес 860 кг.
  • Объем бетона 0,34 м3
  • Геометрический объем 0,342 м3
Цена: 13192 руб.
Подробнее
ФБ 29-43 т-2
Балки фундаментые Шифр 27Н-83
  • Длина 2850 мм.
  • Ширина 400 мм.
  • Высота 300 мм.
  • Вес 860 кг.
  • Объем бетона 0,34 м3
  • Геометрический объем 0,342 м3
Цена: 13192 руб.
Подробнее
ФБ 29-43 т-2 л
Балки фундаментые Шифр 27Н-83
  • Длина 2850 мм.
  • Ширина 400 мм.
  • Высота 300 мм.
  • Вес 860 кг.
  • Объем бетона 0,34 м3
  • Геометрический объем 0,342 м3
Цена: 13192 руб.
Подробнее
МП 1
Фундаменты монолитные Шифр 27Н-83
  • Длина 1000 мм.
  • Ширина 400 мм.
  • Высота 100 мм.
  • Вес 100 кг.
  • Объем бетона 0,04 м3
  • Геометрический объем 0,04 м3
Цена: 660 руб.
Подробнее
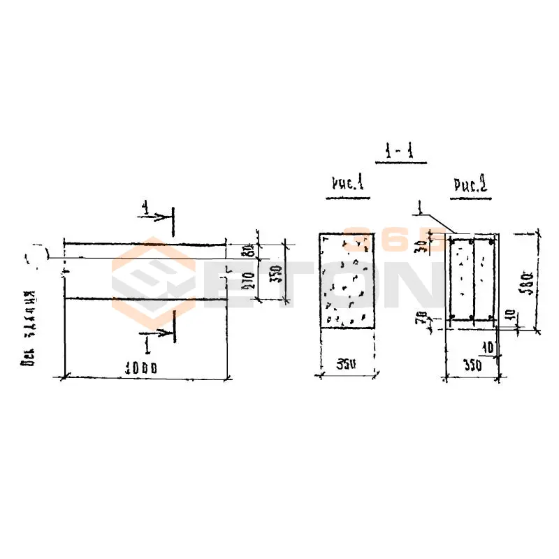
ФМ 1
Фундаменты монолитные Шифр 27Н-83
  • Длина 1000 мм.
  • Ширина 350 мм.
  • Высота 580 мм.
  • Вес 480 кг.
  • Объем бетона 0,192 м3
  • Геометрический объем 0,203 м3
Цена: 3166 руб.
Подробнее
МП 2
Фундаменты монолитные Шифр 27Н-83
  • Длина 1000 мм.
  • Ширина 400 мм.
  • Высота 100 мм.
  • Вес 100 кг.
  • Объем бетона 0,04 м3
  • Геометрический объем 0,04 м3
Цена: 660 руб.
Подробнее
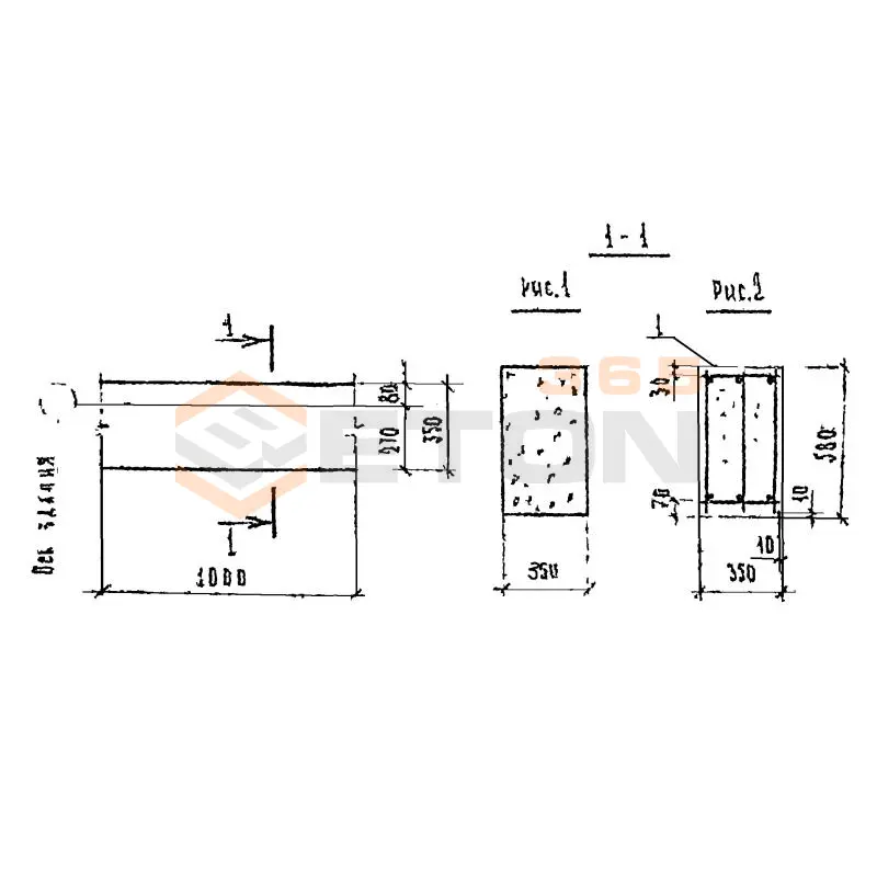
ФМ 2-1
Фундаменты монолитные Шифр 27Н-83
  • Длина 1000 мм.
  • Ширина 350 мм.
  • Высота 580 мм.
  • Вес 500 кг.
  • Объем бетона 0,2 м3
  • Геометрический объем 0,203 м3
Цена: 3298 руб.
Подробнее
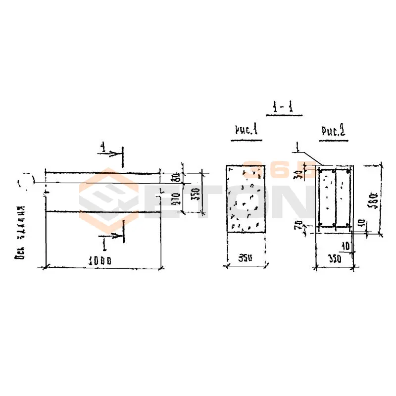
ФМ 2-2
Фундаменты монолитные Шифр 27Н-83
  • Длина 1000 мм.
  • Ширина 350 мм.
  • Высота 580 мм.
  • Вес 500 кг.
  • Объем бетона 0,2 м3
  • Геометрический объем 0,203 м3
Цена: 3298 руб.
Подробнее

Уведомление о файлах cookie

Мы используем файлы cookie для улучшения вашего опыта просмотра и анализа трафика. Нажимая "Принять все", вы соглашаетесь с нашей политикой конфиденциальности и политикой обработки файлов cookie.

MAX Дзен Телеграм Вконтакте vk