mobile_sound +7 (930) 655-55-90

Типовые конструкции и железобетонные изделия. Рабочие чертежи (Серия ВТИ КЖ 01-83)

Поделиться:
Поделиться:

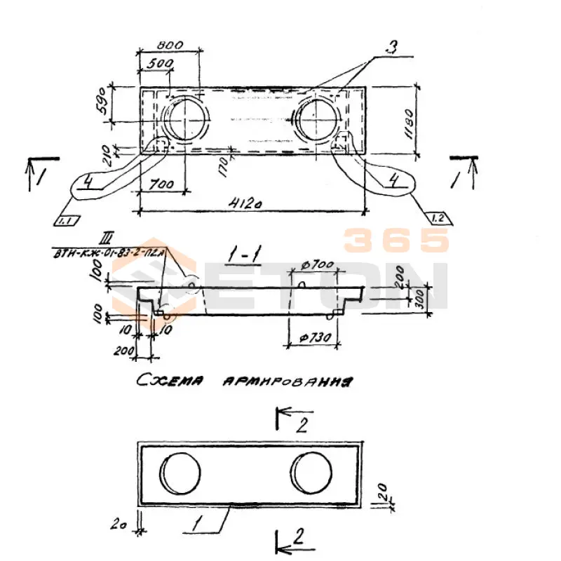
Документ Серия ВТИ КЖ 01-83 описывает область применения, номенклатуру и ключевые требования, опираясь на действующие нормы и практику проектирования. В Серии ВТИ КЖ 01-83 детально описываются все тонкости и нюансы производства сборных камер, имеющих высоту 2,1 метра, предназначенных под трубы с диаметрами от 40 до 500 мм. В номенклатурном перечне приведены опалубочные и арматурные чертежи элементов теплофикационных камер (панели перекрытий и плиты днищ). Конструкции отличаются внушительной прочностью и могут применяться под автомобильными дорогами общего пользования при обустройстве инженерных каналов.

Файлы для скачивания:
picture_as_pdf

3311.pdf

3,845.4 KB

скачать
picture_as_pdf

3312.pdf

8,830.9 KB

скачать
Товары Серия ВТИ КЖ 01-83 (11)
ПС 2 (ВТИ-КЖ 01-83)
Панели стеновые Серия ВТИ-КЖ 01-83
  • Длина 3140 мм.
  • Ширина 180 мм.
  • Высота 2260 мм.
  • Вес 2700 кг.
  • Объем бетона 1,08 м3
  • Геометрический объем 1,2774 м3
Цена: 41904 руб.
Подробнее
ПС 1 (ВТИ-КЖ 01-83)
Панели стеновые Серия ВТИ-КЖ 01-83
  • Длина 3900 мм.
  • Ширина 180 мм.
  • Высота 2260 мм.
  • Вес 3250 кг.
  • Объем бетона 1,3 м3
  • Геометрический объем 1,5865 м3
Цена: 50440 руб.
Подробнее
ПС 1 а (ВТИ-КЖ 01-83)
Панели стеновые Серия ВТИ-КЖ 01-83
  • Длина 3900 мм.
  • Ширина 180 мм.
  • Высота 2260 мм.
  • Вес 3250 кг.
  • Объем бетона 1,3 м3
  • Геометрический объем 1,5865 м3
Цена: 50440 руб.
Подробнее
ПС 3 (ВТИ-КЖ 01-83)
Панели стеновые Серия ВТИ-КЖ 01-83
  • Длина 2700 мм.
  • Ширина 180 мм.
  • Высота 2260 мм.
  • Вес 2480 кг.
  • Объем бетона 0,99 м3
  • Геометрический объем 1,0984 м3
Цена: 38412 руб.
Подробнее
ПС 4 (ВТИ-КЖ 01-83)
Панели стеновые Серия ВТИ-КЖ 01-83
  • Длина 1940 мм.
  • Ширина 180 мм.
  • Высота 2260 мм.
  • Вес 1650 кг.
  • Объем бетона 0,66 м3
  • Геометрический объем 0,7892 м3
Цена: 25608 руб.
Подробнее
П 2 (ВТИ-КЖ 01-83)
Плиты перекрытия Серия ВТИ-КЖ 01-83
  • Длина 3360 мм.
  • Ширина 1180 мм.
  • Высота 300 мм.
  • Вес 2800 кг.
  • Объем бетона 1,12 м3
  • Геометрический объем 1,1894 м3
Цена: 32592 руб.
Подробнее
П 1 (ВТИ-КЖ 01-83)
Плиты перекрытия Серия ВТИ-КЖ 01-83
  • Длина 4120 мм.
  • Ширина 1180 мм.
  • Высота 300 мм.
  • Вес 3500 кг.
  • Объем бетона 1,4 м3
  • Геометрический объем 1,4585 м3
Цена: 40740 руб.
Подробнее
П 1 а (ВТИ-КЖ 01-83)
Плиты перекрытия Серия ВТИ-КЖ 01-83
  • Длина 4120 мм.
  • Ширина 1180 мм.
  • Высота 300 мм.
  • Вес 2900 кг.
  • Объем бетона 1,17 м3
  • Геометрический объем 1,4585 м3
Цена: 34047 руб.
Подробнее
П 3 б (ВТИ-КЖ 01-83)
Плиты перекрытия Серия ВТИ-КЖ 01-83
  • Длина 21600 мм.
  • Ширина 1180 мм.
  • Высота 300 мм.
  • Вес 1480 кг.
  • Объем бетона 0,53 м3
  • Геометрический объем 7,6464 м3
Цена: 15423 руб.
Подробнее
П 2 а (ВТИ-КЖ 01-83)
Плиты перекрытия Серия ВТИ-КЖ 01-83
  • Длина 3360 мм.
  • Ширина 1180 мм.
  • Высота 300 мм.
  • Вес 2250 кг.
  • Объем бетона 0,9 м3
  • Геометрический объем 1,1894 м3
Цена: 26190 руб.
Подробнее
П 2 б (ВТИ-КЖ 01-83)
Плиты перекрытия Серия ВТИ-КЖ 01-83
  • Длина 3360 мм.
  • Ширина 1180 мм.
  • Высота 300 мм.
  • Вес 2500 кг.
  • Объем бетона 1 м3
  • Геометрический объем 1,1894 м3
Цена: 29100 руб.
Подробнее

Уведомление о файлах cookie

Мы используем файлы cookie для улучшения вашего опыта просмотра и анализа трафика. Нажимая "Принять все", вы соглашаетесь с нашей политикой конфиденциальности и политикой обработки файлов cookie.

MAX Дзен Телеграм Вконтакте vk