mobile_sound +7 (930) 655-55-90

Типовые конструкции и железобетонные изделия. Рабочие чертежи (Серия ИИ 22-3)

Поделиться:
Поделиться:

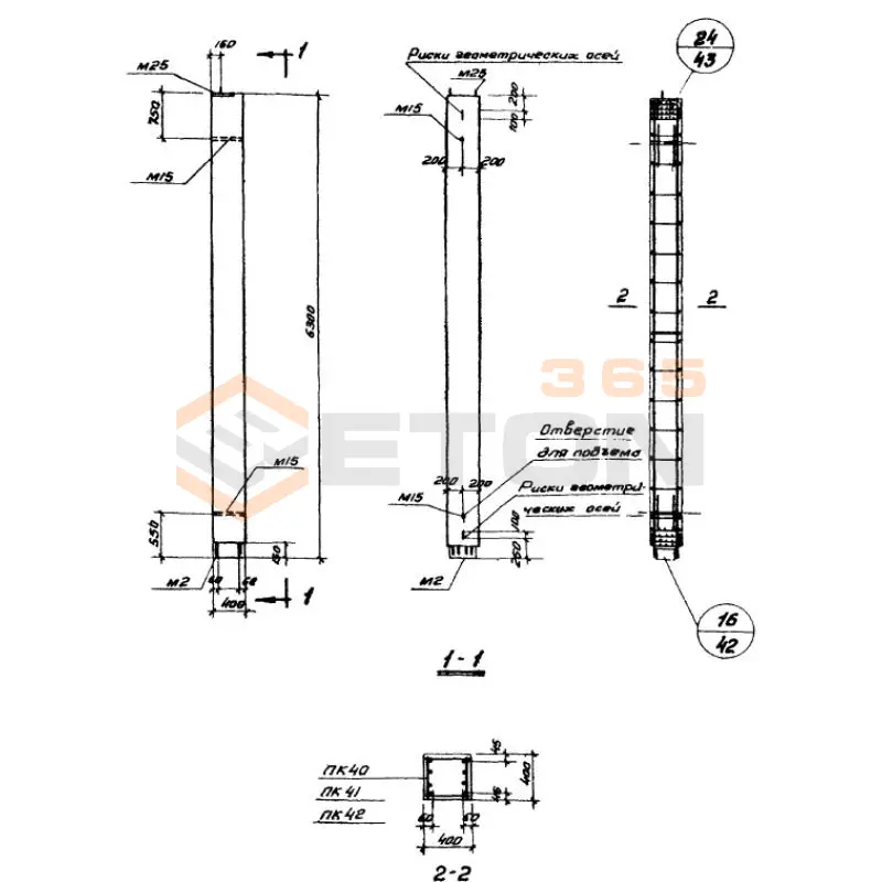
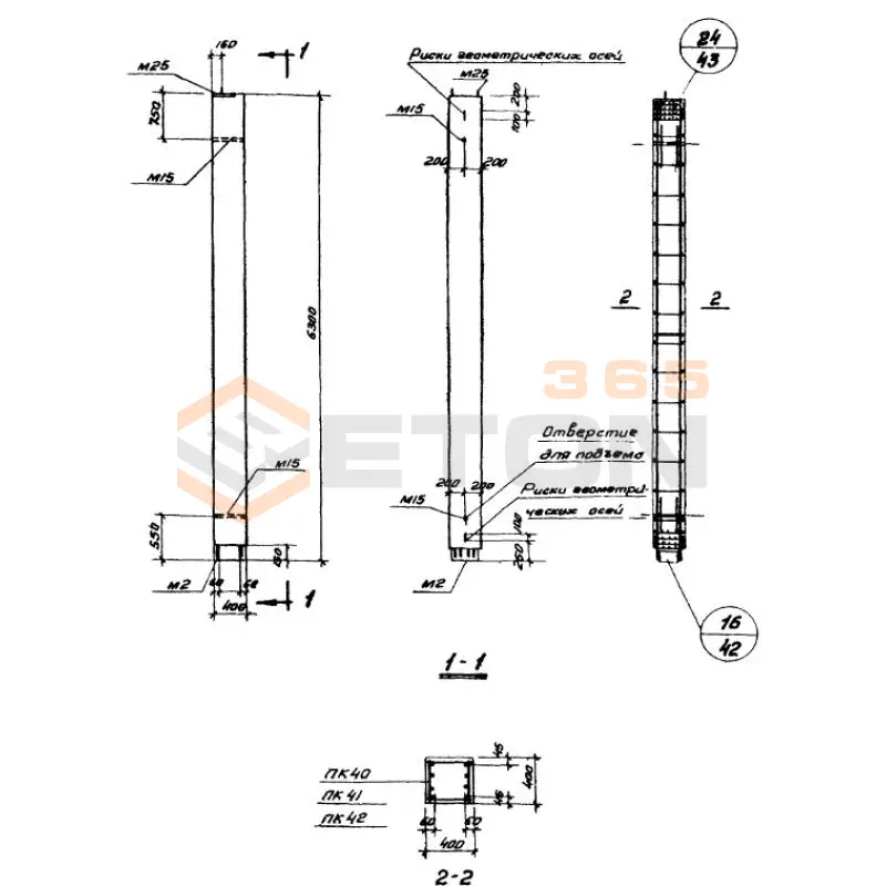
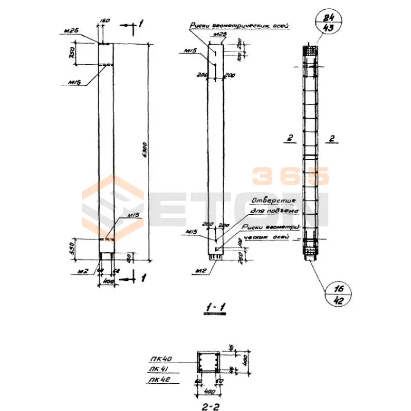
Документ Серия ИИ 22-3 описывает область применения, номенклатуру и ключевые требования, опираясь на действующие нормы и практику проектирования. Серия ИИ 22-3 определяет и регламентирует рабочие чертежи колонн из железобетона, которые предназначены для использования при возведении многоэтажных производственных предприятий, имеющих высоту этажа, равную 6,0; 7,2 и 10,8 метров. Разработкой нормативного документа занимался проектный институт ЦНИИПРОМЗДАНИЙ при участии НИИЖБ и ГСПИ-10, после утверждения состоялось введение в действие, начиная с октября 1964 года. Все строительные элементы классифицируются не только по типоразмерам, но и по расположению в каркасе возводимого сооружения и несущей способности, что позволят расширить область применения конструкций.

Файлы для скачивания:
picture_as_pdf

5731.pdf

9,239.4 KB

скачать
Товары Серия ИИ 22-3 (60)
К 34-3 (ИИ 22-3)
Колонны Серия ИИ 22-3
  • Длина 14830 мм.
  • Ширина 600 мм.
  • Высота 400 мм.
  • Вес 9100 кг.
  • Объем бетона 3,64 м3
  • Геометрический объем 3,5592 м3
Цена: 74147 руб.
Подробнее
К 34-3-2 (ИИ 22-3)
Колонны Серия ИИ 22-3
  • Длина 14830 мм.
  • Ширина 600 мм.
  • Высота 400 мм.
  • Вес 9100 кг.
  • Объем бетона 3,64 м3
  • Геометрический объем 3,5592 м3
Цена: 74147 руб.
Подробнее
К 34-4 (ИИ 22-3)
Колонны Серия ИИ 22-3
  • Длина 14830 мм.
  • Ширина 600 мм.
  • Высота 400 мм.
  • Вес 9100 кг.
  • Объем бетона 3,64 м3
  • Геометрический объем 3,5592 м3
Цена: 74147 руб.
Подробнее
К 34-5 (ИИ 22-3)
Колонны Серия ИИ 22-3
  • Длина 14830 мм.
  • Ширина 600 мм.
  • Высота 400 мм.
  • Вес 9100 кг.
  • Объем бетона 3,64 м3
  • Геометрический объем 3,5592 м3
Цена: 74147 руб.
Подробнее
К 34-4-1 (ИИ 22-3)
Колонны Серия ИИ 22-3
  • Длина 14830 мм.
  • Ширина 600 мм.
  • Высота 400 мм.
  • Вес 9100 кг.
  • Объем бетона 3,64 м3
  • Геометрический объем 3,5592 м3
Цена: 74147 руб.
Подробнее
К 34-4-2 (ИИ 22-3)
Колонны Серия ИИ 22-3
  • Длина 14830 мм.
  • Ширина 600 мм.
  • Высота 400 мм.
  • Вес 9100 кг.
  • Объем бетона 3,64 м3
  • Геометрический объем 3,5592 м3
Цена: 74147 руб.
Подробнее
К 34-5-2 (ИИ 22-3)
Колонны Серия ИИ 22-3
  • Длина 14830 мм.
  • Ширина 600 мм.
  • Высота 400 мм.
  • Вес 9100 кг.
  • Объем бетона 3,64 м3
  • Геометрический объем 3,5592 м3
Цена: 74147 руб.
Подробнее
К 34-5-1 (ИИ 22-3)
Колонны Серия ИИ 22-3
  • Длина 14830 мм.
  • Ширина 600 мм.
  • Высота 400 мм.
  • Вес 9100 кг.
  • Объем бетона 3,64 м3
  • Геометрический объем 3,5592 м3
Цена: 74147 руб.
Подробнее
К 38-1 (ИИ 22-3)
Колонны Серия ИИ 22-3
  • Длина 12570 мм.
  • Ширина 400 мм.
  • Высота 400 мм.
  • Вес 5700 кг.
  • Объем бетона 2,26 м3
  • Геометрический объем 2,0112 м3
Цена: 46036 руб.
Подробнее
К 38-1-2 (ИИ 22-3)
Колонны Серия ИИ 22-3
  • Длина 12570 мм.
  • Ширина 400 мм.
  • Высота 400 мм.
  • Вес 5700 кг.
  • Объем бетона 2,26 м3
  • Геометрический объем 2,0112 м3
Цена: 46036 руб.
Подробнее
К 38-1-1 (ИИ 22-3)
Колонны Серия ИИ 22-3
  • Длина 12570 мм.
  • Ширина 400 мм.
  • Высота 400 мм.
  • Вес 5700 кг.
  • Объем бетона 2,26 м3
  • Геометрический объем 2,0112 м3
Цена: 46036 руб.
Подробнее
К 38-2-1 (ИИ 22-3)
Колонны Серия ИИ 22-3
  • Длина 12570 мм.
  • Ширина 400 мм.
  • Высота 400 мм.
  • Вес 5700 кг.
  • Объем бетона 2,26 м3
  • Геометрический объем 2,0112 м3
Цена: 46036 руб.
Подробнее
К 38-2-2 (ИИ 22-3)
Колонны Серия ИИ 22-3
  • Длина 12570 мм.
  • Ширина 400 мм.
  • Высота 400 мм.
  • Вес 5700 кг.
  • Объем бетона 2,26 м3
  • Геометрический объем 2,0112 м3
Цена: 46036 руб.
Подробнее
К 38-2 (ИИ 22-3)
Колонны Серия ИИ 22-3
  • Длина 12570 мм.
  • Ширина 400 мм.
  • Высота 400 мм.
  • Вес 5700 кг.
  • Объем бетона 2,26 м3
  • Геометрический объем 2,0112 м3
Цена: 46036 руб.
Подробнее
К 40-1 (ИИ 22-3)
Колонны Серия ИИ 22-3
  • Длина 12570 мм.
  • Ширина 600 мм.
  • Высота 400 мм.
  • Вес 8000 кг.
  • Объем бетона 3,17 м3
  • Геометрический объем 3,0168 м3
Цена: 64573 руб.
Подробнее
К 42-1 (ИИ 22-3)
Колонны Серия ИИ 22-3
  • Длина 6300 мм.
  • Ширина 400 мм.
  • Высота 400 мм.
  • Вес 2500 кг.
  • Объем бетона 1 м3
  • Геометрический объем 1,008 м3
Цена: 20370 руб.
Подробнее
К 40-1-1 (ИИ 22-3)
Колонны Серия ИИ 22-3
  • Длина 12570 мм.
  • Ширина 600 мм.
  • Высота 400 мм.
  • Вес 8000 кг.
  • Объем бетона 3,17 м3
  • Геометрический объем 3,0168 м3
Цена: 64573 руб.
Подробнее
К 40-1-2 (ИИ 22-3)
Колонны Серия ИИ 22-3
  • Длина 12570 мм.
  • Ширина 600 мм.
  • Высота 400 мм.
  • Вес 8000 кг.
  • Объем бетона 3,17 м3
  • Геометрический объем 3,0168 м3
Цена: 64573 руб.
Подробнее
К 42-1-1 (ИИ 22-3)
Колонны Серия ИИ 22-3
  • Длина 6300 мм.
  • Ширина 400 мм.
  • Высота 400 мм.
  • Вес 2500 кг.
  • Объем бетона 1 м3
  • Геометрический объем 1,008 м3
Цена: 20370 руб.
Подробнее
К 42-2 (ИИ 22-3)
Колонны Серия ИИ 22-3
  • Длина 6300 мм.
  • Ширина 400 мм.
  • Высота 400 мм.
  • Вес 2500 кг.
  • Объем бетона 1 м3
  • Геометрический объем 1,008 м3
Цена: 20370 руб.
Подробнее
К 42-2-1 (ИИ 22-3)
Колонны Серия ИИ 22-3
  • Длина 6300 мм.
  • Ширина 400 мм.
  • Высота 400 мм.
  • Вес 2500 кг.
  • Объем бетона 1 м3
  • Геометрический объем 1,008 м3
Цена: 20370 руб.
Подробнее
К 42-1-3 (ИИ 22-3)
Колонны Серия ИИ 22-3
  • Длина 6300 мм.
  • Ширина 400 мм.
  • Высота 400 мм.
  • Вес 2500 кг.
  • Объем бетона 1 м3
  • Геометрический объем 1,008 м3
Цена: 20370 руб.
Подробнее
К 42-3 (ИИ 22-3)
Колонны Серия ИИ 22-3
  • Длина 6300 мм.
  • Ширина 400 мм.
  • Высота 400 мм.
  • Вес 2500 кг.
  • Объем бетона 1 м3
  • Геометрический объем 1,008 м3
Цена: 20370 руб.
Подробнее
К 42-2-3 (ИИ 22-3)
Колонны Серия ИИ 22-3
  • Длина 6300 мм.
  • Ширина 400 мм.
  • Высота 400 мм.
  • Вес 2500 кг.
  • Объем бетона 1 м3
  • Геометрический объем 1,008 м3
Цена: 20370 руб.
Подробнее
К 42-3-1 (ИИ 22-3)
Колонны Серия ИИ 22-3
  • Длина 6300 мм.
  • Ширина 400 мм.
  • Высота 400 мм.
  • Вес 2500 кг.
  • Объем бетона 1 м3
  • Геометрический объем 1,008 м3
Цена: 20370 руб.
Подробнее
К 42-3-3 (ИИ 22-3)
Колонны Серия ИИ 22-3
  • Длина 6300 мм.
  • Ширина 400 мм.
  • Высота 400 мм.
  • Вес 2500 кг.
  • Объем бетона 1 м3
  • Геометрический объем 1,008 м3
Цена: 20370 руб.
Подробнее
К 43-1-2 (ИИ 22-3)
Колонны Серия ИИ 22-3
  • Длина 13630 мм.
  • Ширина 600 мм.
  • Высота 400 мм.
  • Вес 8500 кг.
  • Объем бетона 3,41 м3
  • Геометрический объем 3,2712 м3
Цена: 69462 руб.
Подробнее
К 43-1 (ИИ 22-3)
Колонны Серия ИИ 22-3
  • Длина 13630 мм.
  • Ширина 600 мм.
  • Высота 400 мм.
  • Вес 8500 кг.
  • Объем бетона 3,41 м3
  • Геометрический объем 3,2712 м3
Цена: 69462 руб.
Подробнее
К 43-2 (ИИ 22-3)
Колонны Серия ИИ 22-3
  • Длина 13630 мм.
  • Ширина 600 мм.
  • Высота 400 мм.
  • Вес 8500 кг.
  • Объем бетона 3,41 м3
  • Геометрический объем 3,2712 м3
Цена: 69462 руб.
Подробнее
К 43-1-4 (ИИ 22-3)
Колонны Серия ИИ 22-3
  • Длина 13630 мм.
  • Ширина 600 мм.
  • Высота 400 мм.
  • Вес 8500 кг.
  • Объем бетона 3,41 м3
  • Геометрический объем 3,2712 м3
Цена: 69462 руб.
Подробнее
К 43-2-2 (ИИ 22-3)
Колонны Серия ИИ 22-3
  • Длина 13630 мм.
  • Ширина 600 мм.
  • Высота 400 мм.
  • Вес 8500 кг.
  • Объем бетона 3,41 м3
  • Геометрический объем 3,2712 м3
Цена: 69462 руб.
Подробнее
К 43-3-2 (ИИ 22-3)
Колонны Серия ИИ 22-3
  • Длина 13630 мм.
  • Ширина 600 мм.
  • Высота 400 мм.
  • Вес 8500 кг.
  • Объем бетона 3,41 м3
  • Геометрический объем 3,2712 м3
Цена: 69462 руб.
Подробнее
К 43-3 (ИИ 22-3)
Колонны Серия ИИ 22-3
  • Длина 13630 мм.
  • Ширина 600 мм.
  • Высота 400 мм.
  • Вес 8500 кг.
  • Объем бетона 3,41 м3
  • Геометрический объем 3,2712 м3
Цена: 69462 руб.
Подробнее
К 43-3-4 (ИИ 22-3)
Колонны Серия ИИ 22-3
  • Длина 13630 мм.
  • Ширина 600 мм.
  • Высота 400 мм.
  • Вес 8500 кг.
  • Объем бетона 3,41 м3
  • Геометрический объем 3,2712 м3
Цена: 69462 руб.
Подробнее
К 43-2-4 (ИИ 22-3)
Колонны Серия ИИ 22-3
  • Длина 13630 мм.
  • Ширина 600 мм.
  • Высота 400 мм.
  • Вес 8500 кг.
  • Объем бетона 3,41 м3
  • Геометрический объем 3,2712 м3
Цена: 69462 руб.
Подробнее
К 43-4 (ИИ 22-3)
Колонны Серия ИИ 22-3
  • Длина 13630 мм.
  • Ширина 600 мм.
  • Высота 400 мм.
  • Вес 8500 кг.
  • Объем бетона 3,41 м3
  • Геометрический объем 3,2712 м3
Цена: 69462 руб.
Подробнее
К 43-4-2 (ИИ 22-3)
Колонны Серия ИИ 22-3
  • Длина 13630 мм.
  • Ширина 600 мм.
  • Высота 400 мм.
  • Вес 8500 кг.
  • Объем бетона 3,41 м3
  • Геометрический объем 3,2712 м3
Цена: 69462 руб.
Подробнее
К 43-4-4 (ИИ 22-3)
Колонны Серия ИИ 22-3
  • Длина 13630 мм.
  • Ширина 600 мм.
  • Высота 400 мм.
  • Вес 8500 кг.
  • Объем бетона 3,41 м3
  • Геометрический объем 3,2712 м3
Цена: 69462 руб.
Подробнее
К 43а-2-2 (ИИ 22-3)
Колонны Серия ИИ 22-3
  • Длина 13630 мм.
  • Ширина 600 мм.
  • Высота 400 мм.
  • Вес 8500 кг.
  • Объем бетона 3,41 м3
  • Геометрический объем 3,2712 м3
Цена: 69462 руб.
Подробнее
К 43а-2 (ИИ 22-3)
Колонны Серия ИИ 22-3
  • Длина 13630 мм.
  • Ширина 600 мм.
  • Высота 400 мм.
  • Вес 8500 кг.
  • Объем бетона 3,41 м3
  • Геометрический объем 3,2712 м3
Цена: 69462 руб.
Подробнее
К 43а-4 (ИИ 22-3)
Колонны Серия ИИ 22-3
  • Длина 13630 мм.
  • Ширина 600 мм.
  • Высота 400 мм.
  • Вес 8500 кг.
  • Объем бетона 3,41 м3
  • Геометрический объем 3,2712 м3
Цена: 69462 руб.
Подробнее
К 43а-2-4 (ИИ 22-3)
Колонны Серия ИИ 22-3
  • Длина 13630 мм.
  • Ширина 600 мм.
  • Высота 400 мм.
  • Вес 8500 кг.
  • Объем бетона 3,41 м3
  • Геометрический объем 3,2712 м3
Цена: 69462 руб.
Подробнее
К 43а-4-2 (ИИ 22-3)
Колонны Серия ИИ 22-3
  • Длина 13630 мм.
  • Ширина 600 мм.
  • Высота 400 мм.
  • Вес 8500 кг.
  • Объем бетона 3,41 м3
  • Геометрический объем 3,2712 м3
Цена: 69462 руб.
Подробнее
К 43а-4-4 (ИИ 22-3)
Колонны Серия ИИ 22-3
  • Длина 13630 мм.
  • Ширина 600 мм.
  • Высота 400 мм.
  • Вес 8500 кг.
  • Объем бетона 3,41 м3
  • Геометрический объем 3,2712 м3
Цена: 69462 руб.
Подробнее
К 44-1 (ИИ 22-3)
Колонны Серия ИИ 22-3
  • Длина 6700 мм.
  • Ширина 400 мм.
  • Высота 400 мм.
  • Вес 2670 кг.
  • Объем бетона 1,07 м3
  • Геометрический объем 1,072 м3
Цена: 21796 руб.
Подробнее
К 44-1-4 (ИИ 22-3)
Колонны Серия ИИ 22-3
  • Длина 6700 мм.
  • Ширина 400 мм.
  • Высота 400 мм.
  • Вес 2670 кг.
  • Объем бетона 1,07 м3
  • Геометрический объем 1,072 м3
Цена: 21796 руб.
Подробнее
К 44-2 (ИИ 22-3)
Колонны Серия ИИ 22-3
  • Длина 6700 мм.
  • Ширина 400 мм.
  • Высота 400 мм.
  • Вес 2670 кг.
  • Объем бетона 1,07 м3
  • Геометрический объем 1,072 м3
Цена: 21796 руб.
Подробнее
К 44-2-2 (ИИ 22-3)
Колонны Серия ИИ 22-3
  • Длина 6700 мм.
  • Ширина 400 мм.
  • Высота 400 мм.
  • Вес 2670 кг.
  • Объем бетона 1,07 м3
  • Геометрический объем 1,072 м3
Цена: 21796 руб.
Подробнее
К 44-1-2 (ИИ 22-3)
Колонны Серия ИИ 22-3
  • Длина 6700 мм.
  • Ширина 400 мм.
  • Высота 400 мм.
  • Вес 2670 кг.
  • Объем бетона 1,07 м3
  • Геометрический объем 1,072 м3
Цена: 21796 руб.
Подробнее
К 44-3 (ИИ 22-3)
Колонны Серия ИИ 22-3
  • Длина 6700 мм.
  • Ширина 400 мм.
  • Высота 400 мм.
  • Вес 2670 кг.
  • Объем бетона 1,07 м3
  • Геометрический объем 1,072 м3
Цена: 21796 руб.
Подробнее
К 44-2-4 (ИИ 22-3)
Колонны Серия ИИ 22-3
  • Длина 6700 мм.
  • Ширина 400 мм.
  • Высота 400 мм.
  • Вес 2670 кг.
  • Объем бетона 1,07 м3
  • Геометрический объем 1,072 м3
Цена: 21796 руб.
Подробнее
К 44-3-2 (ИИ 22-3)
Колонны Серия ИИ 22-3
  • Длина 6700 мм.
  • Ширина 400 мм.
  • Высота 400 мм.
  • Вес 2670 кг.
  • Объем бетона 1,07 м3
  • Геометрический объем 1,072 м3
Цена: 21796 руб.
Подробнее
К 45-1 (ИИ 22-3)
Колонны Серия ИИ 22-3
  • Длина 5980 мм.
  • Ширина 600 мм.
  • Высота 400 мм.
  • Вес 3800 кг.
  • Объем бетона 1,5 м3
  • Геометрический объем 1,4352 м3
Цена: 30555 руб.
Подробнее
К 44-3-4 (ИИ 22-3)
Колонны Серия ИИ 22-3
  • Длина 6700 мм.
  • Ширина 400 мм.
  • Высота 400 мм.
  • Вес 2670 кг.
  • Объем бетона 1,07 м3
  • Геометрический объем 1,072 м3
Цена: 21796 руб.
Подробнее
К 45-1-2 (ИИ 22-3)
Колонны Серия ИИ 22-3
  • Длина 5980 мм.
  • Ширина 600 мм.
  • Высота 400 мм.
  • Вес 3800 кг.
  • Объем бетона 1,5 м3
  • Геометрический объем 1,4352 м3
Цена: 30555 руб.
Подробнее
К 45-2 (ИИ 22-3)
Колонны Серия ИИ 22-3
  • Длина 5980 мм.
  • Ширина 600 мм.
  • Высота 400 мм.
  • Вес 3800 кг.
  • Объем бетона 1,5 м3
  • Геометрический объем 1,4352 м3
Цена: 30555 руб.
Подробнее
К 46-1-2 (ИИ 22-3)
Колонны Серия ИИ 22-3
  • Длина 10300 мм.
  • Ширина 600 мм.
  • Высота 400 мм.
  • Вес 5600 кг.
  • Объем бетона 2,25 м3
  • Геометрический объем 2,472 м3
Цена: 45833 руб.
Подробнее
К 46-1 (ИИ 22-3)
Колонны Серия ИИ 22-3
  • Длина 10300 мм.
  • Ширина 600 мм.
  • Высота 400 мм.
  • Вес 6800 кг.
  • Объем бетона 2,29 м3
  • Геометрический объем 2,472 м3
Цена: 46647 руб.
Подробнее
К 45-2-4 (ИИ 22-3)
Колонны Серия ИИ 22-3
  • Длина 5980 мм.
  • Ширина 600 мм.
  • Высота 400 мм.
  • Вес 3800 кг.
  • Объем бетона 1,5 м3
  • Геометрический объем 1,4352 м3
Цена: 30555 руб.
Подробнее
К 45-1-4 (ИИ 22-3)
Колонны Серия ИИ 22-3
  • Длина 5980 мм.
  • Ширина 600 мм.
  • Высота 400 мм.
  • Вес 3800 кг.
  • Объем бетона 1,5 м3
  • Геометрический объем 1,4352 м3
Цена: 30555 руб.
Подробнее

Уведомление о файлах cookie

Мы используем файлы cookie для улучшения вашего опыта просмотра и анализа трафика. Нажимая "Принять все", вы соглашаетесь с нашей политикой конфиденциальности и политикой обработки файлов cookie.

MAX Дзен Телеграм Вконтакте vk