mobile_sound +7 (930) 655-55-90

Типовые конструкции и железобетонные изделия. Рабочие чертежи (Серия ИИ 04-2)

Поделиться:
Поделиться:

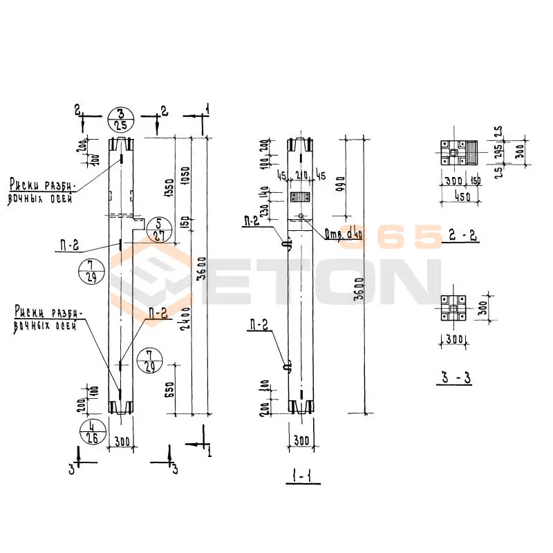
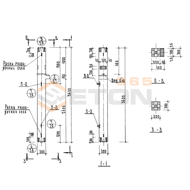
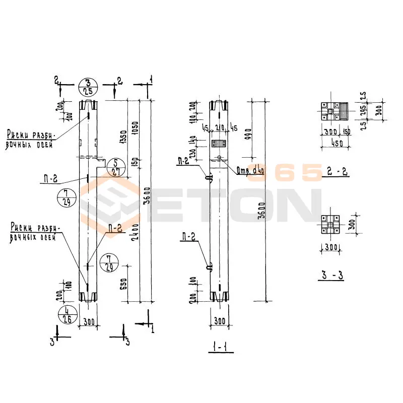
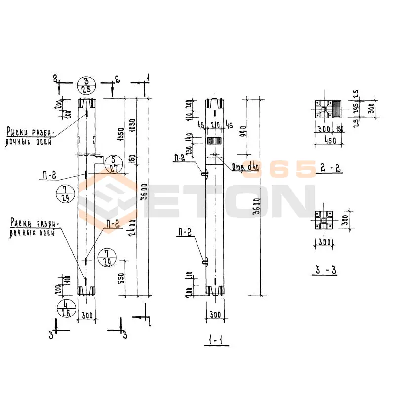
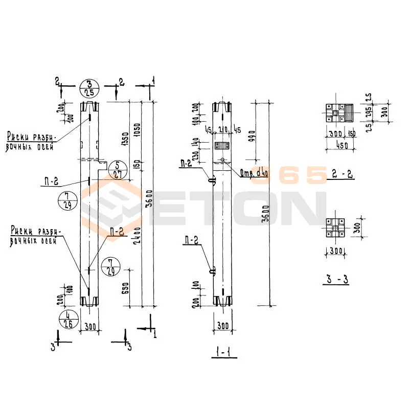
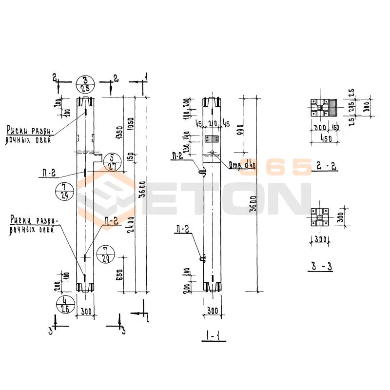
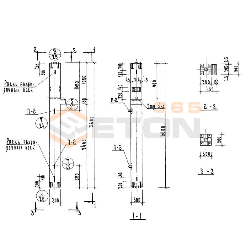
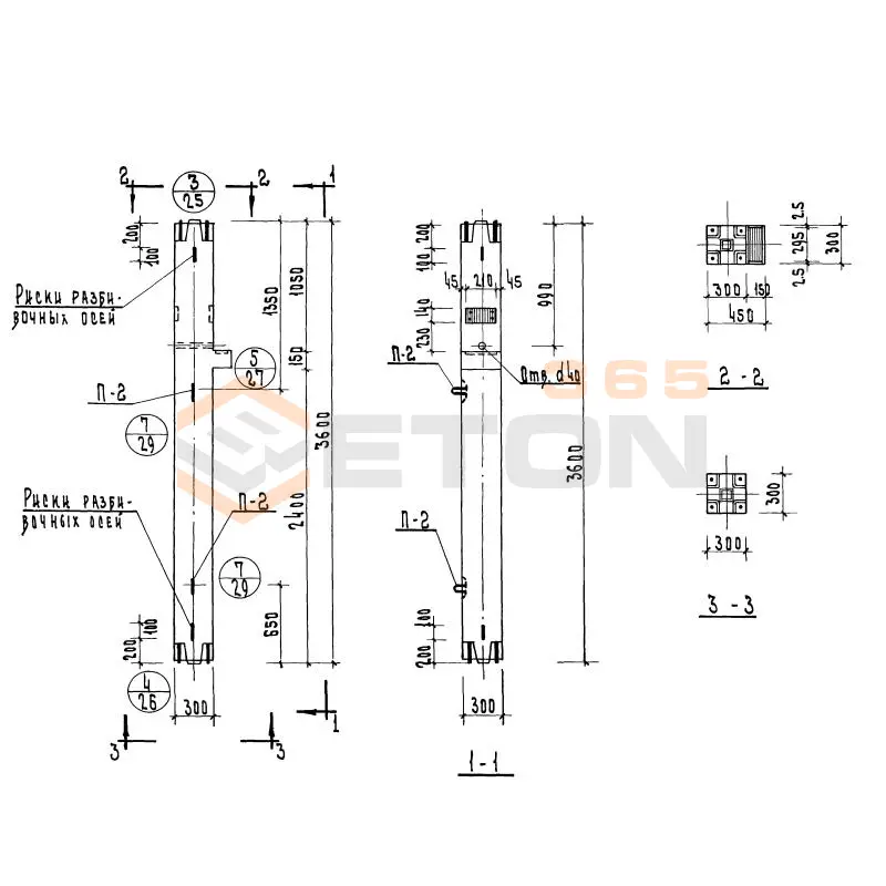
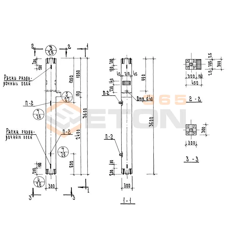
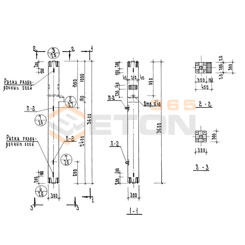
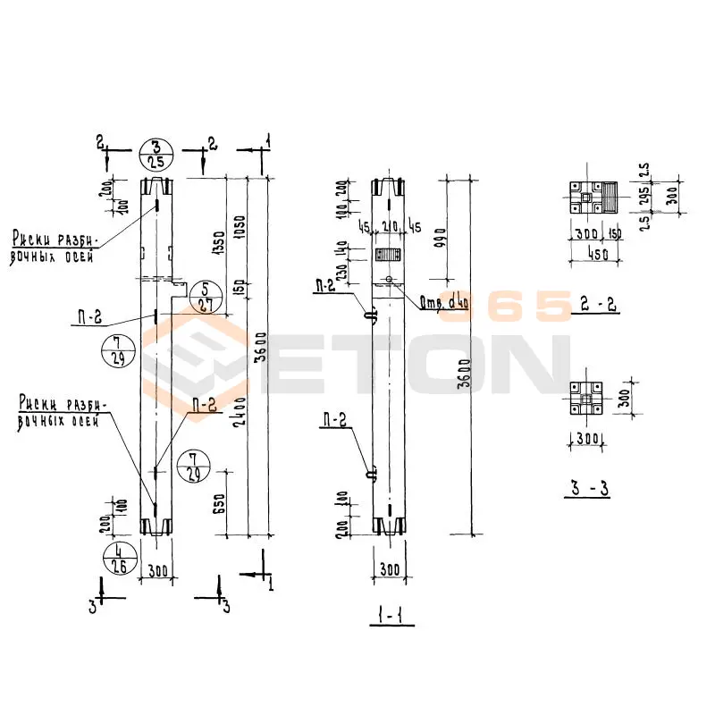
Документ Серия ИИ 04-2 описывает область применения, номенклатуру и ключевые требования, опираясь на действующие нормы и практику проектирования. Серия ИИ 04-2 является крупным нормативным документом в составе строительных каталогов, используемых при проектировании и возведении зданий гражданского назначения, а также административно-бытовых объектов и промышленных предприятий. В номенклатурном перечне регламента приведены колонны, имеющие поперечное сечение 300х300 и 400х400 мм, которые могут использоваться в сооружениях с различной высотой этажа: 2,4; 3,3; 3,6 и 4,2 метра. Для каждого типоразмера конструкций проработан детальный опалубочный и арматурный чертеж, точная передача параметров с которого при производстве возможна при помощи использования стальных опалубочных форм.

Файлы для скачивания:
picture_as_pdf

4687.pdf

44,267.6 KB

скачать
picture_as_pdf

4677.pdf

15,001.9 KB

скачать
picture_as_pdf

4676.pdf

4,986.4 KB

скачать
picture_as_pdf

4675.pdf

15,256.4 KB

скачать
picture_as_pdf

4674.pdf

15,425.5 KB

скачать
picture_as_pdf

4673.pdf

21,226.7 KB

скачать
picture_as_pdf

4672.pdf

17,473.2 KB

скачать
picture_as_pdf

4671.pdf

22,143.2 KB

скачать
picture_as_pdf

4670.pdf

27,258.8 KB

скачать
picture_as_pdf

4686.pdf

70,144.3 KB

скачать
picture_as_pdf

4669.pdf

23,898.0 KB

скачать
picture_as_pdf

4668.pdf

9,778.6 KB

скачать
picture_as_pdf

4667.pdf

27,856.9 KB

скачать
picture_as_pdf

4685.pdf

12,839.2 KB

скачать
picture_as_pdf

4684.pdf

16,124.5 KB

скачать
picture_as_pdf

4683.pdf

15,814.9 KB

скачать
picture_as_pdf

4682.pdf

16,838.7 KB

скачать
picture_as_pdf

4681.pdf

1,586.5 KB

скачать
picture_as_pdf

4680.pdf

7,915.2 KB

скачать
picture_as_pdf

4679.pdf

13,151.6 KB

скачать
picture_as_pdf

4678.pdf

11,494.5 KB

скачать
Товары Серия ИИ 04-2 (60)
КР 366-11
Колонны сечением 300х300 Серия ИИ 04-2
  • Длина 7290 мм.
  • Ширина 300 мм.
  • Высота 300 мм.
  • Вес 1680 кг.
  • Объем бетона 0,67 м3
  • Геометрический объем 0,6561 м3
Цена: 14298 руб.
Подробнее
КР 366-11-2
Колонны сечением 300х300 Серия ИИ 04-2
  • Длина 7290 мм.
  • Ширина 300 мм.
  • Высота 300 мм.
  • Вес 1680 кг.
  • Объем бетона 0,67 м3
  • Геометрический объем 0,6561 м3
Цена: 14298 руб.
Подробнее
КР 366-11-3
Колонны сечением 300х300 Серия ИИ 04-2
  • Длина 7290 мм.
  • Ширина 300 мм.
  • Высота 300 мм.
  • Вес 1680 кг.
  • Объем бетона 0,67 м3
  • Геометрический объем 0,6561 м3
Цена: 14298 руб.
Подробнее
КР 366-11-4
Колонны сечением 300х300 Серия ИИ 04-2
  • Длина 7290 мм.
  • Ширина 300 мм.
  • Высота 300 мм.
  • Вес 1680 кг.
  • Объем бетона 0,67 м3
  • Геометрический объем 0,6561 м3
Цена: 14298 руб.
Подробнее
КР 366-11-5
Колонны сечением 300х300 Серия ИИ 04-2
  • Длина 7290 мм.
  • Ширина 300 мм.
  • Высота 300 мм.
  • Вес 1680 кг.
  • Объем бетона 0,67 м3
  • Геометрический объем 0,6561 м3
Цена: 14298 руб.
Подробнее
КР 372-11
Колонны сечением 300х300 Серия ИИ 04-2
  • Длина 7890 мм.
  • Ширина 300 мм.
  • Высота 300 мм.
  • Вес 1850 кг.
  • Объем бетона 0,74 м3
  • Геометрический объем 0,7101 м3
Цена: 15792 руб.
Подробнее
КР 366-11-6
Колонны сечением 300х300 Серия ИИ 04-2
  • Длина 7290 мм.
  • Ширина 300 мм.
  • Высота 300 мм.
  • Вес 1680 кг.
  • Объем бетона 0,67 м3
  • Геометрический объем 0,6561 м3
Цена: 14298 руб.
Подробнее
КР 372-11-1
Колонны сечением 300х300 Серия ИИ 04-2
  • Длина 7890 мм.
  • Ширина 300 мм.
  • Высота 300 мм.
  • Вес 1810 кг.
  • Объем бетона 0,72 м3
  • Геометрический объем 0,7101 м3
Цена: 15365 руб.
Подробнее
КР 372-11-2
Колонны сечением 300х300 Серия ИИ 04-2
  • Длина 7890 мм.
  • Ширина 300 мм.
  • Высота 300 мм.
  • Вес 1810 кг.
  • Объем бетона 0,72 м3
  • Геометрический объем 0,7101 м3
Цена: 15365 руб.
Подробнее
КР 372-11-3
Колонны сечением 300х300 Серия ИИ 04-2
  • Длина 7890 мм.
  • Ширина 300 мм.
  • Высота 300 мм.
  • Вес 1810 кг.
  • Объем бетона 0,72 м3
  • Геометрический объем 0,7101 м3
Цена: 15365 руб.
Подробнее
КСК 333-14
Колонны сечением 300х300 Серия ИИ 04-2
  • Длина 3300 мм.
  • Ширина 300 мм.
  • Высота 300 мм.
  • Вес 730 кг.
  • Объем бетона 0,29 м3
  • Геометрический объем 0,297 м3
Цена: 6189 руб.
Подробнее
КР 372-11-4
Колонны сечением 300х300 Серия ИИ 04-2
  • Длина 7890 мм.
  • Ширина 300 мм.
  • Высота 300 мм.
  • Вес 1810 кг.
  • Объем бетона 0,72 м3
  • Геометрический объем 0,7101 м3
Цена: 15365 руб.
Подробнее
КСК 333-14-1
Колонны сечением 300х300 Серия ИИ 04-2
  • Длина 3300 мм.
  • Ширина 300 мм.
  • Высота 300 мм.
  • Вес 730 кг.
  • Объем бетона 0,29 м3
  • Геометрический объем 0,297 м3
Цена: 6189 руб.
Подробнее
КСК 333-14-1 у
Колонны сечением 300х300 Серия ИИ 04-2
  • Длина 3300 мм.
  • Ширина 300 мм.
  • Высота 300 мм.
  • Вес 730 кг.
  • Объем бетона 0,29 м3
  • Геометрический объем 0,297 м3
Цена: 6189 руб.
Подробнее
КСК 333-14-2
Колонны сечением 300х300 Серия ИИ 04-2
  • Длина 3300 мм.
  • Ширина 300 мм.
  • Высота 300 мм.
  • Вес 730 кг.
  • Объем бетона 0,29 м3
  • Геометрический объем 0,297 м3
Цена: 6189 руб.
Подробнее
КСК 333-14-3 у
Колонны сечением 300х300 Серия ИИ 04-2
  • Длина 3300 мм.
  • Ширина 300 мм.
  • Высота 300 мм.
  • Вес 730 кг.
  • Объем бетона 0,29 м3
  • Геометрический объем 0,297 м3
Цена: 6189 руб.
Подробнее
КСК 333-14-3
Колонны сечением 300х300 Серия ИИ 04-2
  • Длина 3300 мм.
  • Ширина 300 мм.
  • Высота 300 мм.
  • Вес 730 кг.
  • Объем бетона 0,29 м3
  • Геометрический объем 0,297 м3
Цена: 6189 руб.
Подробнее
КСК 333-14-4 у
Колонны сечением 300х300 Серия ИИ 04-2
  • Длина 3300 мм.
  • Ширина 300 мм.
  • Высота 300 мм.
  • Вес 730 кг.
  • Объем бетона 0,29 м3
  • Геометрический объем 0,297 м3
Цена: 6189 руб.
Подробнее
КСК 333-14-4
Колонны сечением 300х300 Серия ИИ 04-2
  • Длина 3300 мм.
  • Ширина 300 мм.
  • Высота 300 мм.
  • Вес 730 кг.
  • Объем бетона 0,29 м3
  • Геометрический объем 0,297 м3
Цена: 6189 руб.
Подробнее
КСК 333-14-2 у
Колонны сечением 300х300 Серия ИИ 04-2
  • Длина 3300 мм.
  • Ширина 300 мм.
  • Высота 300 мм.
  • Вес 730 кг.
  • Объем бетона 0,29 м3
  • Геометрический объем 0,297 м3
Цена: 6189 руб.
Подробнее
КСК 333-14-5
Колонны сечением 300х300 Серия ИИ 04-2
  • Длина 3300 мм.
  • Ширина 300 мм.
  • Высота 300 мм.
  • Вес 730 кг.
  • Объем бетона 0,29 м3
  • Геометрический объем 0,297 м3
Цена: 6189 руб.
Подробнее
КСК 333-14-5 у
Колонны сечением 300х300 Серия ИИ 04-2
  • Длина 3300 мм.
  • Ширина 300 мм.
  • Высота 300 мм.
  • Вес 730 кг.
  • Объем бетона 0,29 м3
  • Геометрический объем 0,297 м3
Цена: 6189 руб.
Подробнее
КСК 333-14-6 у
Колонны сечением 300х300 Серия ИИ 04-2
  • Длина 3300 мм.
  • Ширина 300 мм.
  • Высота 300 мм.
  • Вес 730 кг.
  • Объем бетона 0,29 м3
  • Геометрический объем 0,297 м3
Цена: 6189 руб.
Подробнее
КСК 333-17-1
Колонны сечением 300х300 Серия ИИ 04-2
  • Длина 3300 мм.
  • Ширина 300 мм.
  • Высота 300 мм.
  • Вес 730 кг.
  • Объем бетона 0,29 м3
  • Геометрический объем 0,297 м3
Цена: 6189 руб.
Подробнее
КСК 333-17-1 у
Колонны сечением 300х300 Серия ИИ 04-2
  • Длина 3300 мм.
  • Ширина 300 мм.
  • Высота 300 мм.
  • Вес 730 кг.
  • Объем бетона 0,29 м3
  • Геометрический объем 0,297 м3
Цена: 6189 руб.
Подробнее
КСК 333-14-6
Колонны сечением 300х300 Серия ИИ 04-2
  • Длина 3300 мм.
  • Ширина 300 мм.
  • Высота 300 мм.
  • Вес 730 кг.
  • Объем бетона 0,29 м3
  • Геометрический объем 0,297 м3
Цена: 6189 руб.
Подробнее
КСК 333-17-2
Колонны сечением 300х300 Серия ИИ 04-2
  • Длина 3300 мм.
  • Ширина 300 мм.
  • Высота 300 мм.
  • Вес 730 кг.
  • Объем бетона 0,29 м3
  • Геометрический объем 0,297 м3
Цена: 6189 руб.
Подробнее
КСК 333-17-3 у
Колонны сечением 300х300 Серия ИИ 04-2
  • Длина 3300 мм.
  • Ширина 300 мм.
  • Высота 300 мм.
  • Вес 730 кг.
  • Объем бетона 0,29 м3
  • Геометрический объем 0,297 м3
Цена: 6189 руб.
Подробнее
КСК 333-17-3
Колонны сечением 300х300 Серия ИИ 04-2
  • Длина 3300 мм.
  • Ширина 300 мм.
  • Высота 300 мм.
  • Вес 730 кг.
  • Объем бетона 0,29 м3
  • Геометрический объем 0,297 м3
Цена: 6189 руб.
Подробнее
КСК 333-17-4
Колонны сечением 300х300 Серия ИИ 04-2
  • Длина 3300 мм.
  • Ширина 300 мм.
  • Высота 300 мм.
  • Вес 730 кг.
  • Объем бетона 0,29 м3
  • Геометрический объем 0,297 м3
Цена: 6189 руб.
Подробнее
КСК 333-17-4 у
Колонны сечением 300х300 Серия ИИ 04-2
  • Длина 3300 мм.
  • Ширина 300 мм.
  • Высота 300 мм.
  • Вес 730 кг.
  • Объем бетона 0,29 м3
  • Геометрический объем 0,297 м3
Цена: 6189 руб.
Подробнее
КСК 333-17-2 у
Колонны сечением 300х300 Серия ИИ 04-2
  • Длина 3300 мм.
  • Ширина 300 мм.
  • Высота 300 мм.
  • Вес 730 кг.
  • Объем бетона 0,29 м3
  • Геометрический объем 0,297 м3
Цена: 6189 руб.
Подробнее
КСК 333-17-5
Колонны сечением 300х300 Серия ИИ 04-2
  • Длина 3300 мм.
  • Ширина 300 мм.
  • Высота 300 мм.
  • Вес 730 кг.
  • Объем бетона 0,29 м3
  • Геометрический объем 0,297 м3
Цена: 6189 руб.
Подробнее
КСК 333-17-6
Колонны сечением 300х300 Серия ИИ 04-2
  • Длина 3300 мм.
  • Ширина 300 мм.
  • Высота 300 мм.
  • Вес 730 кг.
  • Объем бетона 0,29 м3
  • Геометрический объем 0,297 м3
Цена: 6189 руб.
Подробнее
КСК 333-17-5 у
Колонны сечением 300х300 Серия ИИ 04-2
  • Длина 3300 мм.
  • Ширина 300 мм.
  • Высота 300 мм.
  • Вес 730 кг.
  • Объем бетона 0,29 м3
  • Геометрический объем 0,297 м3
Цена: 6189 руб.
Подробнее
КСК 333-17-6 у
Колонны сечением 300х300 Серия ИИ 04-2
  • Длина 3300 мм.
  • Ширина 300 мм.
  • Высота 300 мм.
  • Вес 730 кг.
  • Объем бетона 0,29 м3
  • Геометрический объем 0,297 м3
Цена: 6189 руб.
Подробнее
КСК 333-23-1
Колонны сечением 300х300 Серия ИИ 04-2
  • Длина 3300 мм.
  • Ширина 300 мм.
  • Высота 300 мм.
  • Вес 730 кг.
  • Объем бетона 0,29 м3
  • Геометрический объем 0,297 м3
Цена: 6189 руб.
Подробнее
КСК 333-23
Колонны сечением 300х300 Серия ИИ 04-2
  • Длина 3300 мм.
  • Ширина 300 мм.
  • Высота 300 мм.
  • Вес 730 кг.
  • Объем бетона 0,29 м3
  • Геометрический объем 0,297 м3
Цена: 6189 руб.
Подробнее
КСК 333-23-1 у
Колонны сечением 300х300 Серия ИИ 04-2
  • Длина 3300 мм.
  • Ширина 300 мм.
  • Высота 300 мм.
  • Вес 730 кг.
  • Объем бетона 0,29 м3
  • Геометрический объем 0,297 м3
Цена: 6189 руб.
Подробнее
КСК 333-23-2
Колонны сечением 300х300 Серия ИИ 04-2
  • Длина 3300 мм.
  • Ширина 300 мм.
  • Высота 300 мм.
  • Вес 730 кг.
  • Объем бетона 0,29 м3
  • Геометрический объем 0,297 м3
Цена: 6189 руб.
Подробнее
КСК 333-23-3 у
Колонны сечением 300х300 Серия ИИ 04-2
  • Длина 3300 мм.
  • Ширина 300 мм.
  • Высота 300 мм.
  • Вес 730 кг.
  • Объем бетона 0,29 м3
  • Геометрический объем 0,297 м3
Цена: 6189 руб.
Подробнее
КСК 333-23-4
Колонны сечением 300х300 Серия ИИ 04-2
  • Длина 3300 мм.
  • Ширина 300 мм.
  • Высота 300 мм.
  • Вес 730 кг.
  • Объем бетона 0,29 м3
  • Геометрический объем 0,297 м3
Цена: 6189 руб.
Подробнее
КСК 333-23-2 у
Колонны сечением 300х300 Серия ИИ 04-2
  • Длина 3300 мм.
  • Ширина 300 мм.
  • Высота 300 мм.
  • Вес 730 кг.
  • Объем бетона 0,29 м3
  • Геометрический объем 0,297 м3
Цена: 6189 руб.
Подробнее
КСК 333-23-3
Колонны сечением 300х300 Серия ИИ 04-2
  • Длина 3300 мм.
  • Ширина 300 мм.
  • Высота 300 мм.
  • Вес 730 кг.
  • Объем бетона 0,29 м3
  • Геометрический объем 0,297 м3
Цена: 6189 руб.
Подробнее
КСК 333-23-4 у
Колонны сечением 300х300 Серия ИИ 04-2
  • Длина 3300 мм.
  • Ширина 300 мм.
  • Высота 300 мм.
  • Вес 730 кг.
  • Объем бетона 0,29 м3
  • Геометрический объем 0,297 м3
Цена: 6189 руб.
Подробнее
КСК 333-23-5
Колонны сечением 300х300 Серия ИИ 04-2
  • Длина 3300 мм.
  • Ширина 300 мм.
  • Высота 300 мм.
  • Вес 730 кг.
  • Объем бетона 0,29 м3
  • Геометрический объем 0,297 м3
Цена: 6189 руб.
Подробнее
КСК 333-23-5 у
Колонны сечением 300х300 Серия ИИ 04-2
  • Длина 3300 мм.
  • Ширина 300 мм.
  • Высота 300 мм.
  • Вес 730 кг.
  • Объем бетона 0,29 м3
  • Геометрический объем 0,297 м3
Цена: 6189 руб.
Подробнее
КСК 333-23-6 у
Колонны сечением 300х300 Серия ИИ 04-2
  • Длина 3300 мм.
  • Ширина 300 мм.
  • Высота 300 мм.
  • Вес 730 кг.
  • Объем бетона 0,29 м3
  • Геометрический объем 0,297 м3
Цена: 6189 руб.
Подробнее
КСК 333-23-6
Колонны сечением 300х300 Серия ИИ 04-2
  • Длина 3300 мм.
  • Ширина 300 мм.
  • Высота 300 мм.
  • Вес 730 кг.
  • Объем бетона 0,29 м3
  • Геометрический объем 0,297 м3
Цена: 6189 руб.
Подробнее
КСК 336-14
Колонны сечением 300х300 Серия ИИ 04-2
  • Длина 3600 мм.
  • Ширина 300 мм.
  • Высота 300 мм.
  • Вес 800 кг.
  • Объем бетона 0,33 м3
  • Геометрический объем 0,324 м3
Цена: 7042 руб.
Подробнее
КСК 336-14-1
Колонны сечением 300х300 Серия ИИ 04-2
  • Длина 3600 мм.
  • Ширина 300 мм.
  • Высота 300 мм.
  • Вес 800 кг.
  • Объем бетона 0,33 м3
  • Геометрический объем 0,324 м3
Цена: 7042 руб.
Подробнее
КСК 336-14-1 у
Колонны сечением 300х300 Серия ИИ 04-2
  • Длина 3600 мм.
  • Ширина 300 мм.
  • Высота 300 мм.
  • Вес 800 кг.
  • Объем бетона 0,33 м3
  • Геометрический объем 0,324 м3
Цена: 7042 руб.
Подробнее
КСК 336-14-2
Колонны сечением 300х300 Серия ИИ 04-2
  • Длина 3600 мм.
  • Ширина 300 мм.
  • Высота 300 мм.
  • Вес 800 кг.
  • Объем бетона 0,33 м3
  • Геометрический объем 0,324 м3
Цена: 7042 руб.
Подробнее
КСК 336-14-2 у
Колонны сечением 300х300 Серия ИИ 04-2
  • Длина 3600 мм.
  • Ширина 300 мм.
  • Высота 300 мм.
  • Вес 800 кг.
  • Объем бетона 0,33 м3
  • Геометрический объем 0,324 м3
Цена: 7042 руб.
Подробнее
КСК 336-14-3 у
Колонны сечением 300х300 Серия ИИ 04-2
  • Длина 3600 мм.
  • Ширина 300 мм.
  • Высота 300 мм.
  • Вес 800 кг.
  • Объем бетона 0,33 м3
  • Геометрический объем 0,324 м3
Цена: 7042 руб.
Подробнее
КСК 336-14-3
Колонны сечением 300х300 Серия ИИ 04-2
  • Длина 3600 мм.
  • Ширина 300 мм.
  • Высота 300 мм.
  • Вес 800 кг.
  • Объем бетона 0,33 м3
  • Геометрический объем 0,324 м3
Цена: 7042 руб.
Подробнее
КСК 336-14-4 у
Колонны сечением 300х300 Серия ИИ 04-2
  • Длина 3600 мм.
  • Ширина 300 мм.
  • Высота 300 мм.
  • Вес 800 кг.
  • Объем бетона 0,33 м3
  • Геометрический объем 0,324 м3
Цена: 7042 руб.
Подробнее
КСК 336-14-4
Колонны сечением 300х300 Серия ИИ 04-2
  • Длина 3600 мм.
  • Ширина 300 мм.
  • Высота 300 мм.
  • Вес 800 кг.
  • Объем бетона 0,33 м3
  • Геометрический объем 0,324 м3
Цена: 7042 руб.
Подробнее
КСК 336-23
Колонны сечением 300х300 Серия ИИ 04-2
  • Длина 3600 мм.
  • Ширина 300 мм.
  • Высота 300 мм.
  • Вес 900 кг.
  • Объем бетона 0,36 м3
  • Геометрический объем 0,324 м3
Цена: 7682 руб.
Подробнее
КСК 336-23-1
Колонны сечением 300х300 Серия ИИ 04-2
  • Длина 3600 мм.
  • Ширина 300 мм.
  • Высота 300 мм.
  • Вес 800 кг.
  • Объем бетона 0,33 м3
  • Геометрический объем 0,324 м3
Цена: 7042 руб.
Подробнее

Уведомление о файлах cookie

Мы используем файлы cookie для улучшения вашего опыта просмотра и анализа трафика. Нажимая "Принять все", вы соглашаетесь с нашей политикой конфиденциальности и политикой обработки файлов cookie.

MAX Дзен Телеграм Вконтакте vk