mobile_sound +7 (930) 655-55-90

Типовые конструкции и железобетонные изделия. Рабочие чертежи (Серия ИИ 04-2)

Поделиться:
Поделиться:

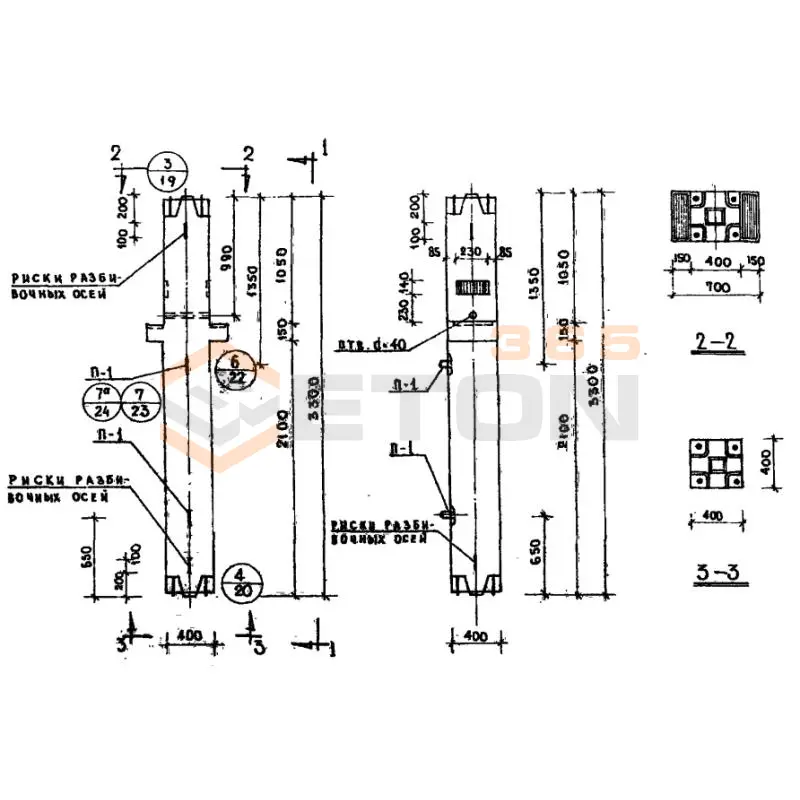
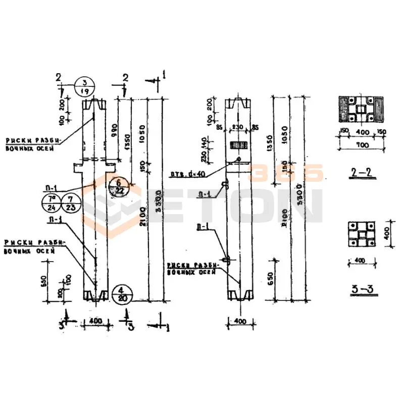
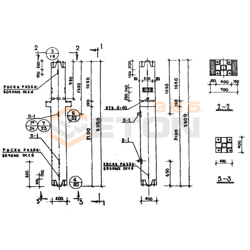
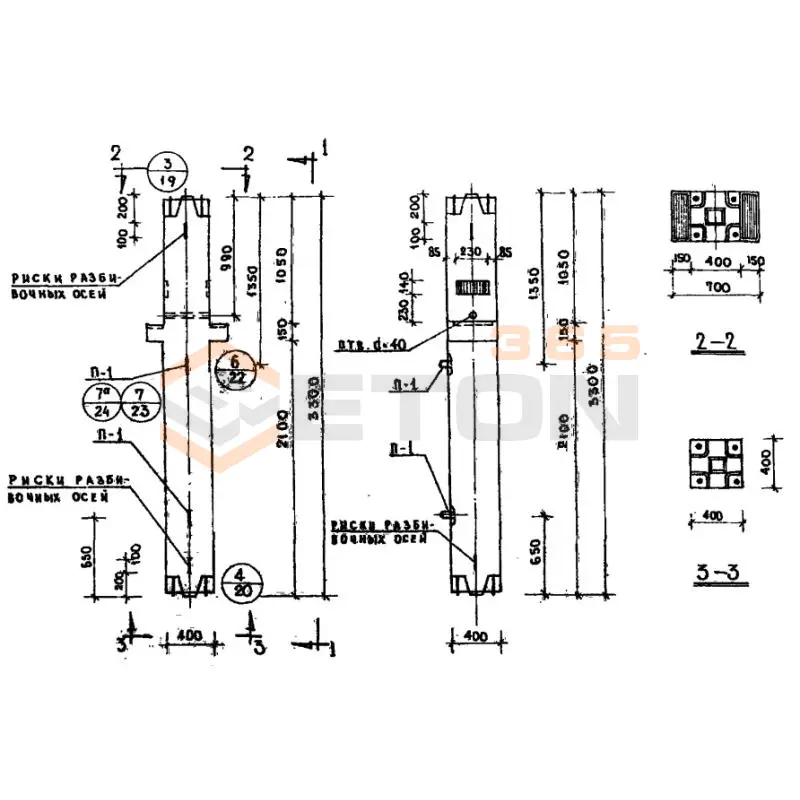
Документ Серия ИИ 04-2 описывает область применения, номенклатуру и ключевые требования, опираясь на действующие нормы и практику проектирования. Серия ИИ 04-2 является крупным нормативным документом в составе строительных каталогов, используемых при проектировании и возведении зданий гражданского назначения, а также административно-бытовых объектов и промышленных предприятий. В номенклатурном перечне регламента приведены колонны, имеющие поперечное сечение 300х300 и 400х400 мм, которые могут использоваться в сооружениях с различной высотой этажа: 2,4; 3,3; 3,6 и 4,2 метра. Для каждого типоразмера конструкций проработан детальный опалубочный и арматурный чертеж, точная передача параметров с которого при производстве возможна при помощи использования стальных опалубочных форм.

Файлы для скачивания:
picture_as_pdf

4687.pdf

44,267.6 KB

скачать
picture_as_pdf

4677.pdf

15,001.9 KB

скачать
picture_as_pdf

4676.pdf

4,986.4 KB

скачать
picture_as_pdf

4675.pdf

15,256.4 KB

скачать
picture_as_pdf

4674.pdf

15,425.5 KB

скачать
picture_as_pdf

4673.pdf

21,226.7 KB

скачать
picture_as_pdf

4672.pdf

17,473.2 KB

скачать
picture_as_pdf

4671.pdf

22,143.2 KB

скачать
picture_as_pdf

4670.pdf

27,258.8 KB

скачать
picture_as_pdf

4686.pdf

70,144.3 KB

скачать
picture_as_pdf

4669.pdf

23,898.0 KB

скачать
picture_as_pdf

4668.pdf

9,778.6 KB

скачать
picture_as_pdf

4667.pdf

27,856.9 KB

скачать
picture_as_pdf

4685.pdf

12,839.2 KB

скачать
picture_as_pdf

4684.pdf

16,124.5 KB

скачать
picture_as_pdf

4683.pdf

15,814.9 KB

скачать
picture_as_pdf

4682.pdf

16,838.7 KB

скачать
picture_as_pdf

4681.pdf

1,586.5 KB

скачать
picture_as_pdf

4680.pdf

7,915.2 KB

скачать
picture_as_pdf

4679.pdf

13,151.6 KB

скачать
picture_as_pdf

4678.pdf

11,494.5 KB

скачать
Товары Серия ИИ 04-2 (60)
КСР 433-34-2
Колонны сечением 400х400 Серия ИИ 04-2
  • Длина 3300 мм.
  • Ширина 400 мм.
  • Высота 400 мм.
  • Вес 1320 кг.
  • Объем бетона 0,525 м3
  • Геометрический объем 0,528 м3
Цена: 11204 руб.
Подробнее
КСР 433-34-6
Колонны сечением 400х400 Серия ИИ 04-2
  • Длина 3300 мм.
  • Ширина 400 мм.
  • Высота 400 мм.
  • Вес 1320 кг.
  • Объем бетона 0,525 м3
  • Геометрический объем 0,528 м3
Цена: 11204 руб.
Подробнее
КСР 433-34
Колонны сечением 400х400 Серия ИИ 04-2
  • Длина 3300 мм.
  • Ширина 400 мм.
  • Высота 400 мм.
  • Вес 1320 кг.
  • Объем бетона 0,525 м3
  • Геометрический объем 0,528 м3
Цена: 11204 руб.
Подробнее
КСР 433-34-3
Колонны сечением 400х400 Серия ИИ 04-2
  • Длина 3300 мм.
  • Ширина 400 мм.
  • Высота 400 мм.
  • Вес 1320 кг.
  • Объем бетона 0,525 м3
  • Геометрический объем 0,528 м3
Цена: 11204 руб.
Подробнее
КСР 433-34-1
Колонны сечением 400х400 Серия ИИ 04-2
  • Длина 3300 мм.
  • Ширина 400 мм.
  • Высота 400 мм.
  • Вес 1320 кг.
  • Объем бетона 0,525 м3
  • Геометрический объем 0,528 м3
Цена: 11204 руб.
Подробнее
КСР 433-40-1
Колонны сечением 400х400 Серия ИИ 04-2
  • Длина 3300 мм.
  • Ширина 400 мм.
  • Высота 400 мм.
  • Вес 1320 кг.
  • Объем бетона 0,525 м3
  • Геометрический объем 0,528 м3
Цена: 11204 руб.
Подробнее
КСР 433-40
Колонны сечением 400х400 Серия ИИ 04-2
  • Длина 3300 мм.
  • Ширина 400 мм.
  • Высота 400 мм.
  • Вес 1320 кг.
  • Объем бетона 0,525 м3
  • Геометрический объем 0,528 м3
Цена: 11204 руб.
Подробнее
КСР 433-40-2
Колонны сечением 400х400 Серия ИИ 04-2
  • Длина 3300 мм.
  • Ширина 400 мм.
  • Высота 400 мм.
  • Вес 1320 кг.
  • Объем бетона 0,525 м3
  • Геометрический объем 0,528 м3
Цена: 11204 руб.
Подробнее
КСР 433-40-6
Колонны сечением 400х400 Серия ИИ 04-2
  • Длина 3300 мм.
  • Ширина 400 мм.
  • Высота 400 мм.
  • Вес 1340 кг.
  • Объем бетона 0,534 м3
  • Геометрический объем 0,528 м3
Цена: 11396 руб.
Подробнее
КСР 433-40-5
Колонны сечением 400х400 Серия ИИ 04-2
  • Длина 3300 мм.
  • Ширина 400 мм.
  • Высота 400 мм.
  • Вес 1340 кг.
  • Объем бетона 0,534 м3
  • Геометрический объем 0,528 м3
Цена: 11396 руб.
Подробнее
КСР 433-40-3
Колонны сечением 400х400 Серия ИИ 04-2
  • Длина 3300 мм.
  • Ширина 400 мм.
  • Высота 400 мм.
  • Вес 1320 кг.
  • Объем бетона 0,525 м3
  • Геометрический объем 0,528 м3
Цена: 11204 руб.
Подробнее
КСР 433-52
Колонны сечением 400х400 Серия ИИ 04-2
  • Длина 3300 мм.
  • Ширина 400 мм.
  • Высота 400 мм.
  • Вес 1320 кг.
  • Объем бетона 0,525 м3
  • Геометрический объем 0,528 м3
Цена: 11204 руб.
Подробнее
КСР 433-52-1
Колонны сечением 400х400 Серия ИИ 04-2
  • Длина 3300 мм.
  • Ширина 400 мм.
  • Высота 400 мм.
  • Вес 1320 кг.
  • Объем бетона 0,525 м3
  • Геометрический объем 0,528 м3
Цена: 11204 руб.
Подробнее
КСР 433-52-2
Колонны сечением 400х400 Серия ИИ 04-2
  • Длина 3300 мм.
  • Ширина 400 мм.
  • Высота 400 мм.
  • Вес 1320 кг.
  • Объем бетона 0,525 м3
  • Геометрический объем 0,528 м3
Цена: 11204 руб.
Подробнее
КСР 433-52-3
Колонны сечением 400х400 Серия ИИ 04-2
  • Длина 3300 мм.
  • Ширина 400 мм.
  • Высота 400 мм.
  • Вес 1320 кг.
  • Объем бетона 0,525 м3
  • Геометрический объем 0,528 м3
Цена: 11204 руб.
Подробнее
КСР 433-52-6
Колонны сечением 400х400 Серия ИИ 04-2
  • Длина 3300 мм.
  • Ширина 400 мм.
  • Высота 400 мм.
  • Вес 1340 кг.
  • Объем бетона 0,534 м3
  • Геометрический объем 0,528 м3
Цена: 11396 руб.
Подробнее
КСР 433-52-5
Колонны сечением 400х400 Серия ИИ 04-2
  • Длина 3300 мм.
  • Ширина 400 мм.
  • Высота 400 мм.
  • Вес 1340 кг.
  • Объем бетона 0,534 м3
  • Геометрический объем 0,528 м3
Цена: 11396 руб.
Подробнее
КСР 433-52-7
Колонны сечением 400х400 Серия ИИ 04-2
  • Длина 3300 мм.
  • Ширина 400 мм.
  • Высота 400 мм.
  • Вес 1340 кг.
  • Объем бетона 0,534 м3
  • Геометрический объем 0,528 м3
Цена: 11396 руб.
Подробнее
КСР 433-52-8
Колонны сечением 400х400 Серия ИИ 04-2
  • Длина 3300 мм.
  • Ширина 400 мм.
  • Высота 400 мм.
  • Вес 1340 кг.
  • Объем бетона 0,534 м3
  • Геометрический объем 0,528 м3
Цена: 11396 руб.
Подробнее
КСР 433-58-1
Колонны сечением 400х400 Серия ИИ 04-2
  • Длина 3300 мм.
  • Ширина 400 мм.
  • Высота 400 мм.
  • Вес 1320 кг.
  • Объем бетона 0,525 м3
  • Геометрический объем 0,528 м3
Цена: 11204 руб.
Подробнее
КСР 433-58
Колонны сечением 400х400 Серия ИИ 04-2
  • Длина 3300 мм.
  • Ширина 400 мм.
  • Высота 400 мм.
  • Вес 1320 кг.
  • Объем бетона 0,525 м3
  • Геометрический объем 0,528 м3
Цена: 11204 руб.
Подробнее
КСР 433-58-2
Колонны сечением 400х400 Серия ИИ 04-2
  • Длина 3300 мм.
  • Ширина 400 мм.
  • Высота 400 мм.
  • Вес 1320 кг.
  • Объем бетона 0,525 м3
  • Геометрический объем 0,528 м3
Цена: 11204 руб.
Подробнее
КСР 433-58-3
Колонны сечением 400х400 Серия ИИ 04-2
  • Длина 3300 мм.
  • Ширина 400 мм.
  • Высота 400 мм.
  • Вес 1320 кг.
  • Объем бетона 0,525 м3
  • Геометрический объем 0,528 м3
Цена: 11204 руб.
Подробнее
КСР 433-58-5
Колонны сечением 400х400 Серия ИИ 04-2
  • Длина 3300 мм.
  • Ширина 400 мм.
  • Высота 400 мм.
  • Вес 1340 кг.
  • Объем бетона 0,534 м3
  • Геометрический объем 0,528 м3
Цена: 11396 руб.
Подробнее
КСР 433-58-6
Колонны сечением 400х400 Серия ИИ 04-2
  • Длина 3300 мм.
  • Ширина 400 мм.
  • Высота 400 мм.
  • Вес 1340 кг.
  • Объем бетона 0,534 м3
  • Геометрический объем 0,528 м3
Цена: 11396 руб.
Подробнее
КСР 433-58-7
Колонны сечением 400х400 Серия ИИ 04-2
  • Длина 3300 мм.
  • Ширина 400 мм.
  • Высота 400 мм.
  • Вес 1340 кг.
  • Объем бетона 0,534 м3
  • Геометрический объем 0,528 м3
Цена: 11396 руб.
Подробнее
КСР 433-58-8
Колонны сечением 400х400 Серия ИИ 04-2
  • Длина 3300 мм.
  • Ширина 400 мм.
  • Высота 400 мм.
  • Вес 1340 кг.
  • Объем бетона 0,534 м3
  • Геометрический объем 0,528 м3
Цена: 11396 руб.
Подробнее
КСР 436-24
Колонны сечением 400х400 Серия ИИ 04-2
  • Длина 3600 мм.
  • Ширина 400 мм.
  • Высота 400 мм.
  • Вес 1420 кг.
  • Объем бетона 0,57 м3
  • Геометрический объем 0,576 м3
Цена: 12164 руб.
Подробнее
КСР 436-29
Колонны сечением 400х400 Серия ИИ 04-2
  • Длина 3600 мм.
  • Ширина 400 мм.
  • Высота 400 мм.
  • Вес 1420 кг.
  • Объем бетона 0,57 м3
  • Геометрический объем 0,576 м3
Цена: 12164 руб.
Подробнее
КСР 436-34
Колонны сечением 400х400 Серия ИИ 04-2
  • Длина 3600 мм.
  • Ширина 400 мм.
  • Высота 400 мм.
  • Вес 1420 кг.
  • Объем бетона 0,57 м3
  • Геометрический объем 0,576 м3
Цена: 12164 руб.
Подробнее
КСР 436-34-5
Колонны сечением 400х400 Серия ИИ 04-2
  • Длина 3600 мм.
  • Ширина 400 мм.
  • Высота 400 мм.
  • Вес 1420 кг.
  • Объем бетона 0,57 м3
  • Геометрический объем 0,576 м3
Цена: 12164 руб.
Подробнее
КСР 436-40-6
Колонны сечением 400х400 Серия ИИ 04-2
  • Длина 3600 мм.
  • Ширина 400 мм.
  • Высота 400 мм.
  • Вес 1420 кг.
  • Объем бетона 0,57 м3
  • Геометрический объем 0,576 м3
Цена: 12164 руб.
Подробнее
КСР 436-40
Колонны сечением 400х400 Серия ИИ 04-2
  • Длина 3600 мм.
  • Ширина 400 мм.
  • Высота 400 мм.
  • Вес 1420 кг.
  • Объем бетона 0,57 м3
  • Геометрический объем 0,576 м3
Цена: 12164 руб.
Подробнее
КСР 436-52
Колонны сечением 400х400 Серия ИИ 04-2
  • Длина 3600 мм.
  • Ширина 400 мм.
  • Высота 400 мм.
  • Вес 1420 кг.
  • Объем бетона 0,57 м3
  • Геометрический объем 0,576 м3
Цена: 12164 руб.
Подробнее
КСР 436-40-5
Колонны сечением 400х400 Серия ИИ 04-2
  • Длина 3600 мм.
  • Ширина 400 мм.
  • Высота 400 мм.
  • Вес 1420 кг.
  • Объем бетона 0,57 м3
  • Геометрический объем 0,576 м3
Цена: 12164 руб.
Подробнее
КСР 436-52-5
Колонны сечением 400х400 Серия ИИ 04-2
  • Длина 3600 мм.
  • Ширина 400 мм.
  • Высота 400 мм.
  • Вес 1420 кг.
  • Объем бетона 0,57 м3
  • Геометрический объем 0,576 м3
Цена: 12164 руб.
Подробнее
КСР 436-52-7
Колонны сечением 400х400 Серия ИИ 04-2
  • Длина 3600 мм.
  • Ширина 400 мм.
  • Высота 400 мм.
  • Вес 1420 кг.
  • Объем бетона 0,57 м3
  • Геометрический объем 0,576 м3
Цена: 12164 руб.
Подробнее
КСР 436-52-6
Колонны сечением 400х400 Серия ИИ 04-2
  • Длина 3600 мм.
  • Ширина 400 мм.
  • Высота 400 мм.
  • Вес 1420 кг.
  • Объем бетона 0,57 м3
  • Геометрический объем 0,576 м3
Цена: 12164 руб.
Подробнее
КСР 436-52-8
Колонны сечением 400х400 Серия ИИ 04-2
  • Длина 3600 мм.
  • Ширина 400 мм.
  • Высота 400 мм.
  • Вес 1420 кг.
  • Объем бетона 0,57 м3
  • Геометрический объем 0,576 м3
Цена: 12164 руб.
Подробнее
КСР 436-58
Колонны сечением 400х400 Серия ИИ 04-2
  • Длина 3600 мм.
  • Ширина 400 мм.
  • Высота 400 мм.
  • Вес 1420 кг.
  • Объем бетона 0,57 м3
  • Геометрический объем 0,576 м3
Цена: 12164 руб.
Подробнее
КСР 436-58-5
Колонны сечением 400х400 Серия ИИ 04-2
  • Длина 3600 мм.
  • Ширина 400 мм.
  • Высота 400 мм.
  • Вес 1420 кг.
  • Объем бетона 0,57 м3
  • Геометрический объем 0,576 м3
Цена: 12164 руб.
Подробнее
КСР 436-58-6
Колонны сечением 400х400 Серия ИИ 04-2
  • Длина 3600 мм.
  • Ширина 400 мм.
  • Высота 400 мм.
  • Вес 1420 кг.
  • Объем бетона 0,57 м3
  • Геометрический объем 0,576 м3
Цена: 12164 руб.
Подробнее
КСР 442-24
Колонны сечением 400х400 Серия ИИ 04-2
  • Длина 4200 мм.
  • Ширина 400 мм.
  • Высота 400 мм.
  • Вес 1680 кг.
  • Объем бетона 0,67 м3
  • Геометрический объем 0,672 м3
Цена: 14298 руб.
Подробнее
КСР 436-58-8
Колонны сечением 400х400 Серия ИИ 04-2
  • Длина 3600 мм.
  • Ширина 400 мм.
  • Высота 400 мм.
  • Вес 1420 кг.
  • Объем бетона 0,57 м3
  • Геометрический объем 0,576 м3
Цена: 12164 руб.
Подробнее
КСР 442-24-1
Колонны сечением 400х400 Серия ИИ 04-2
  • Длина 4200 мм.
  • Ширина 400 мм.
  • Высота 400 мм.
  • Вес 1680 кг.
  • Объем бетона 0,67 м3
  • Геометрический объем 0,672 м3
Цена: 14298 руб.
Подробнее
КСР 436-58-7
Колонны сечением 400х400 Серия ИИ 04-2
  • Длина 3600 мм.
  • Ширина 400 мм.
  • Высота 400 мм.
  • Вес 1420 кг.
  • Объем бетона 0,57 м3
  • Геометрический объем 0,576 м3
Цена: 12164 руб.
Подробнее
КСР 442-24-2
Колонны сечением 400х400 Серия ИИ 04-2
  • Длина 4200 мм.
  • Ширина 400 мм.
  • Высота 400 мм.
  • Вес 1680 кг.
  • Объем бетона 0,67 м3
  • Геометрический объем 0,672 м3
Цена: 14298 руб.
Подробнее
КСР 442-24-3
Колонны сечением 400х400 Серия ИИ 04-2
  • Длина 4200 мм.
  • Ширина 400 мм.
  • Высота 400 мм.
  • Вес 1680 кг.
  • Объем бетона 0,67 м3
  • Геометрический объем 0,672 м3
Цена: 14298 руб.
Подробнее
КСР 442-24-4
Колонны сечением 400х400 Серия ИИ 04-2
  • Длина 4200 мм.
  • Ширина 400 мм.
  • Высота 400 мм.
  • Вес 1680 кг.
  • Объем бетона 0,67 м3
  • Геометрический объем 0,672 м3
Цена: 14298 руб.
Подробнее
КСР 442-29-1
Колонны сечением 400х400 Серия ИИ 04-2
  • Длина 4200 мм.
  • Ширина 400 мм.
  • Высота 400 мм.
  • Вес 1680 кг.
  • Объем бетона 0,67 м3
  • Геометрический объем 0,672 м3
Цена: 14298 руб.
Подробнее
КСР 442-24-7
Колонны сечением 400х400 Серия ИИ 04-2
  • Длина 4200 мм.
  • Ширина 400 мм.
  • Высота 400 мм.
  • Вес 1680 кг.
  • Объем бетона 0,67 м3
  • Геометрический объем 0,672 м3
Цена: 14298 руб.
Подробнее
КСР 442-24-8
Колонны сечением 400х400 Серия ИИ 04-2
  • Длина 4200 мм.
  • Ширина 400 мм.
  • Высота 400 мм.
  • Вес 1680 кг.
  • Объем бетона 0,67 м3
  • Геометрический объем 0,672 м3
Цена: 14298 руб.
Подробнее
КСР 442-29
Колонны сечением 400х400 Серия ИИ 04-2
  • Длина 4200 мм.
  • Ширина 400 мм.
  • Высота 400 мм.
  • Вес 1680 кг.
  • Объем бетона 0,67 м3
  • Геометрический объем 0,672 м3
Цена: 14298 руб.
Подробнее
КСР 442-29-4
Колонны сечением 400х400 Серия ИИ 04-2
  • Длина 4200 мм.
  • Ширина 400 мм.
  • Высота 400 мм.
  • Вес 1680 кг.
  • Объем бетона 0,67 м3
  • Геометрический объем 0,672 м3
Цена: 14298 руб.
Подробнее
КСР 442-29-2
Колонны сечением 400х400 Серия ИИ 04-2
  • Длина 4200 мм.
  • Ширина 400 мм.
  • Высота 400 мм.
  • Вес 1680 кг.
  • Объем бетона 0,67 м3
  • Геометрический объем 0,672 м3
Цена: 14298 руб.
Подробнее
КСР 442-29-3
Колонны сечением 400х400 Серия ИИ 04-2
  • Длина 4200 мм.
  • Ширина 400 мм.
  • Высота 400 мм.
  • Вес 1680 кг.
  • Объем бетона 0,67 м3
  • Геометрический объем 0,672 м3
Цена: 14298 руб.
Подробнее
КСР 442-34
Колонны сечением 400х400 Серия ИИ 04-2
  • Длина 4200 мм.
  • Ширина 400 мм.
  • Высота 400 мм.
  • Вес 1680 кг.
  • Объем бетона 0,67 м3
  • Геометрический объем 0,672 м3
Цена: 14298 руб.
Подробнее
КСР 442-29-7
Колонны сечением 400х400 Серия ИИ 04-2
  • Длина 4200 мм.
  • Ширина 400 мм.
  • Высота 400 мм.
  • Вес 1680 кг.
  • Объем бетона 0,67 м3
  • Геометрический объем 0,672 м3
Цена: 14298 руб.
Подробнее
КСР 442-29-8
Колонны сечением 400х400 Серия ИИ 04-2
  • Длина 4200 мм.
  • Ширина 400 мм.
  • Высота 400 мм.
  • Вес 1680 кг.
  • Объем бетона 0,67 м3
  • Геометрический объем 0,672 м3
Цена: 14298 руб.
Подробнее
КСР 442-34-1
Колонны сечением 400х400 Серия ИИ 04-2
  • Длина 4200 мм.
  • Ширина 400 мм.
  • Высота 400 мм.
  • Вес 1680 кг.
  • Объем бетона 0,67 м3
  • Геометрический объем 0,672 м3
Цена: 14298 руб.
Подробнее

Уведомление о файлах cookie

Мы используем файлы cookie для улучшения вашего опыта просмотра и анализа трафика. Нажимая "Принять все", вы соглашаетесь с нашей политикой конфиденциальности и политикой обработки файлов cookie.

MAX Дзен Телеграм Вконтакте vk