mobile_sound +7 (930) 655-55-90

Типовые конструкции и железобетонные изделия. Рабочие чертежи (Серия ИИ 04-2)

Поделиться:
Поделиться:

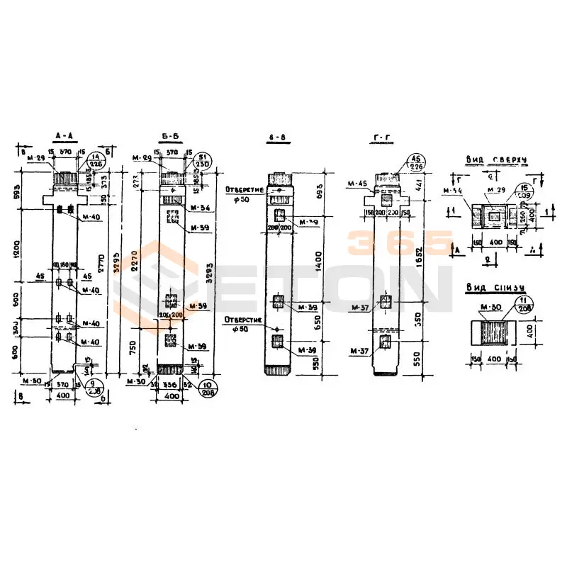
Документ Серия ИИ 04-2 описывает область применения, номенклатуру и ключевые требования, опираясь на действующие нормы и практику проектирования. Серия ИИ 04-2 является крупным нормативным документом в составе строительных каталогов, используемых при проектировании и возведении зданий гражданского назначения, а также административно-бытовых объектов и промышленных предприятий. В номенклатурном перечне регламента приведены колонны, имеющие поперечное сечение 300х300 и 400х400 мм, которые могут использоваться в сооружениях с различной высотой этажа: 2,4; 3,3; 3,6 и 4,2 метра. Для каждого типоразмера конструкций проработан детальный опалубочный и арматурный чертеж, точная передача параметров с которого при производстве возможна при помощи использования стальных опалубочных форм.

Файлы для скачивания:
picture_as_pdf

4687.pdf

44,267.6 KB

скачать
picture_as_pdf

4677.pdf

15,001.9 KB

скачать
picture_as_pdf

4676.pdf

4,986.4 KB

скачать
picture_as_pdf

4675.pdf

15,256.4 KB

скачать
picture_as_pdf

4674.pdf

15,425.5 KB

скачать
picture_as_pdf

4673.pdf

21,226.7 KB

скачать
picture_as_pdf

4672.pdf

17,473.2 KB

скачать
picture_as_pdf

4671.pdf

22,143.2 KB

скачать
picture_as_pdf

4670.pdf

27,258.8 KB

скачать
picture_as_pdf

4686.pdf

70,144.3 KB

скачать
picture_as_pdf

4669.pdf

23,898.0 KB

скачать
picture_as_pdf

4668.pdf

9,778.6 KB

скачать
picture_as_pdf

4667.pdf

27,856.9 KB

скачать
picture_as_pdf

4685.pdf

12,839.2 KB

скачать
picture_as_pdf

4684.pdf

16,124.5 KB

скачать
picture_as_pdf

4683.pdf

15,814.9 KB

скачать
picture_as_pdf

4682.pdf

16,838.7 KB

скачать
picture_as_pdf

4681.pdf

1,586.5 KB

скачать
picture_as_pdf

4680.pdf

7,915.2 KB

скачать
picture_as_pdf

4679.pdf

13,151.6 KB

скачать
picture_as_pdf

4678.pdf

11,494.5 KB

скачать
Товары Серия ИИ 04-2 (60)
К2 42-84-4 а
Колонны сечением 400х400 Серия ИИ 04-2
  • Длина 8393 мм.
  • Ширина 400 мм.
  • Высота 400 мм.
  • Вес 3615 кг.
  • Объем бетона 1,308 м3
  • Геометрический объем 1,3429 м3
Цена: 27913 руб.
Подробнее
К2 60-33-4
Колонны сечением 400х400 Серия ИИ 04-2
  • Длина 3293 мм.
  • Ширина 400 мм.
  • Высота 400 мм.
  • Вес 1597 кг.
  • Объем бетона 0,479 м3
  • Геометрический объем 0,5269 м3
Цена: 10222 руб.
Подробнее
К2 60-66-4
Колонны сечением 400х400 Серия ИИ 04-2
  • Длина 6593 мм.
  • Ширина 400 мм.
  • Высота 400 мм.
  • Вес 3123 кг.
  • Объем бетона 0,983 м3
  • Геометрический объем 1,0549 м3
Цена: 20977 руб.
Подробнее
К2 60-84-4
Колонны сечением 400х400 Серия ИИ 04-2
  • Длина 8393 мм.
  • Ширина 400 мм.
  • Высота 400 мм.
  • Вес 3917 кг.
  • Объем бетона 1,252 м3
  • Геометрический объем 1,3429 м3
Цена: 26718 руб.
Подробнее
К2-60-42-4
Колонны сечением 400х400 Серия ИИ 04-2
  • Длина 4193 мм.
  • Ширина 400 мм.
  • Высота 400 мм.
  • Вес 1995 кг.
  • Объем бетона 0,614 м3
  • Геометрический объем 0,6709 м3
Цена: 13103 руб.
Подробнее
К2ВК 433-24
Колонны сечением 400х400 Серия ИИ 04-2
  • Длина 5940 мм.
  • Ширина 400 мм.
  • Высота 400 мм.
  • Вес 2350 кг.
  • Объем бетона 0,98 м3
  • Геометрический объем 0,9504 м3
Цена: 20913 руб.
Подробнее
К2ВК 436-24
Колонны сечением 400х400 Серия ИИ 04-2
  • Длина 6440 мм.
  • Ширина 400 мм.
  • Высота 400 мм.
  • Вес 2600 кг.
  • Объем бетона 1,06 м3
  • Геометрический объем 1,0304 м3
Цена: 22620 руб.
Подробнее
К2ВК 448-24
Колонны сечением 400х400 Серия ИИ 04-2
  • Длина 8840 мм.
  • Ширина 400 мм.
  • Высота 400 мм.
  • Вес 3580 кг.
  • Объем бетона 1,432 м3
  • Геометрический объем 1,4144 м3
Цена: 30559 руб.
Подробнее
К2ВК 442-24
Колонны сечением 400х400 Серия ИИ 04-2
  • Длина 7640 мм.
  • Ширина 400 мм.
  • Высота 400 мм.
  • Вес 3080 кг.
  • Объем бетона 1,25 м3
  • Геометрический объем 1,2224 м3
Цена: 26675 руб.
Подробнее
К2ВК 448-29
Колонны сечением 400х400 Серия ИИ 04-2
  • Длина 8840 мм.
  • Ширина 400 мм.
  • Высота 400 мм.
  • Вес 3580 кг.
  • Объем бетона 1,432 м3
  • Геометрический объем 1,4144 м3
Цена: 30559 руб.
Подробнее
К2ВР 433-24
Колонны сечением 400х400 Серия ИИ 04-2
  • Длина 5940 мм.
  • Ширина 400 мм.
  • Высота 400 мм.
  • Вес 2400 кг.
  • Объем бетона 0,96 м3
  • Геометрический объем 0,9504 м3
Цена: 20486 руб.
Подробнее
К2ВК 448-38
Колонны сечением 400х400 Серия ИИ 04-2
  • Длина 8840 мм.
  • Ширина 400 мм.
  • Высота 400 мм.
  • Вес 3580 кг.
  • Объем бетона 1,432 м3
  • Геометрический объем 1,4144 м3
Цена: 30559 руб.
Подробнее
К2ВР 436-24
Колонны сечением 400х400 Серия ИИ 04-2
  • Длина 6440 мм.
  • Ширина 400 мм.
  • Высота 400 мм.
  • Вес 2650 кг.
  • Объем бетона 1,06 м3
  • Геометрический объем 1,0304 м3
Цена: 22620 руб.
Подробнее
К2ВР 448-24
Колонны сечением 400х400 Серия ИИ 04-2
  • Длина 8840 мм.
  • Ширина 400 мм.
  • Высота 400 мм.
  • Вес 3580 кг.
  • Объем бетона 1,432 м3
  • Геометрический объем 1,4144 м3
Цена: 30559 руб.
Подробнее
К2ВР 442-24
Колонны сечением 400х400 Серия ИИ 04-2
  • Длина 7640 мм.
  • Ширина 400 мм.
  • Высота 400 мм.
  • Вес 3130 кг.
  • Объем бетона 1,25 м3
  • Геометрический объем 1,2224 м3
Цена: 26675 руб.
Подробнее
К2ВР 448-38
Колонны сечением 400х400 Серия ИИ 04-2
  • Длина 8840 мм.
  • Ширина 400 мм.
  • Высота 400 мм.
  • Вес 3580 кг.
  • Объем бетона 1,432 м3
  • Геометрический объем 1,4144 м3
Цена: 30559 руб.
Подробнее
К2ВР 448-29
Колонны сечением 400х400 Серия ИИ 04-2
  • Длина 8840 мм.
  • Ширина 400 мм.
  • Высота 400 мм.
  • Вес 3580 кг.
  • Объем бетона 1,432 м3
  • Геометрический объем 1,4144 м3
Цена: 30559 руб.
Подробнее
К2К 436-22
Колонны сечением 400х400 Серия ИИ 04-2
  • Длина 7890 мм.
  • Ширина 400 мм.
  • Высота 400 мм.
  • Вес 3200 кг.
  • Объем бетона 1,28 м3
  • Геометрический объем 1,2624 м3
Цена: 27315 руб.
Подробнее
К2К 442-22
Колонны сечением 400х400 Серия ИИ 04-2
  • Длина 9090 мм.
  • Ширина 400 мм.
  • Высота 400 мм.
  • Вес 3680 кг.
  • Объем бетона 1,47 м3
  • Геометрический объем 1,4544 м3
Цена: 31370 руб.
Подробнее
К2К 448-24
Колонны сечением 400х400 Серия ИИ 04-2
  • Длина 10290 мм.
  • Ширина 400 мм.
  • Высота 400 мм.
  • Вес 4150 кг.
  • Объем бетона 1,66 м3
  • Геометрический объем 1,6464 м3
Цена: 35424 руб.
Подробнее
К2К 448-29
Колонны сечением 400х400 Серия ИИ 04-2
  • Длина 10290 мм.
  • Ширина 400 мм.
  • Высота 400 мм.
  • Вес 4150 кг.
  • Объем бетона 1,66 м3
  • Геометрический объем 1,6464 м3
Цена: 35424 руб.
Подробнее
К2К 448-38
Колонны сечением 400х400 Серия ИИ 04-2
  • Длина 10290 мм.
  • Ширина 400 мм.
  • Высота 400 мм.
  • Вес 4150 кг.
  • Объем бетона 1,66 м3
  • Геометрический объем 1,6464 м3
Цена: 35424 руб.
Подробнее
К2Л 29-33-4 а
Колонны сечением 400х400 Серия ИИ 04-2
  • Длина 3293 мм.
  • Ширина 400 мм.
  • Высота 400 мм.
  • Вес 1386 кг.
  • Объем бетона 0,518 м3
  • Геометрический объем 0,5269 м3
Цена: 11054 руб.
Подробнее
К2Л 29-42-4 а
Колонны сечением 400х400 Серия ИИ 04-2
  • Длина 4193 мм.
  • Ширина 400 мм.
  • Высота 400 мм.
  • Вес 1743 кг.
  • Объем бетона 0,56 м3
  • Геометрический объем 0,6709 м3
Цена: 11950 руб.
Подробнее
К2Л 29-66-4 а
Колонны сечением 400х400 Серия ИИ 04-2
  • Длина 6593 мм.
  • Ширина 400 мм.
  • Высота 400 мм.
  • Вес 2764 кг.
  • Объем бетона 1,045 м3
  • Геометрический объем 1,0549 м3
Цена: 22300 руб.
Подробнее
К2Л 42-33-4 а
Колонны сечением 400х400 Серия ИИ 04-2
  • Длина 3293 мм.
  • Ширина 400 мм.
  • Высота 400 мм.
  • Вес 1493 кг.
  • Объем бетона 0,499 м3
  • Геометрический объем 0,5269 м3
Цена: 10649 руб.
Подробнее
К2Л 42-42-4 а
Колонны сечением 400х400 Серия ИИ 04-2
  • Длина 4193 мм.
  • Ширина 400 мм.
  • Высота 400 мм.
  • Вес 1869 кг.
  • Объем бетона 0,637 м3
  • Геометрический объем 0,6709 м3
Цена: 13594 руб.
Подробнее
К2Л 42-84-4 а
Колонны сечением 400х400 Серия ИИ 04-2
  • Длина 8393 мм.
  • Ширина 400 мм.
  • Высота 400 мм.
  • Вес 3694 кг.
  • Объем бетона 1,29 м3
  • Геометрический объем 1,3429 м3
Цена: 27529 руб.
Подробнее
К2Л 29-84-4 а
Колонны сечением 400х400 Серия ИИ 04-2
  • Длина 8393 мм.
  • Ширина 400 мм.
  • Высота 400 мм.
  • Вес 3478 кг.
  • Объем бетона 1,328 м3
  • Геометрический объем 1,3429 м3
Цена: 28340 руб.
Подробнее
К2Л 42-66-4 а
Колонны сечением 400х400 Серия ИИ 04-2
  • Длина 6593 мм.
  • Ширина 400 мм.
  • Высота 400 мм.
  • Вес 2941 кг.
  • Объем бетона 1,013 м3
  • Геометрический объем 1,0549 м3
Цена: 21617 руб.
Подробнее
К2Л 60-33-4 а
Колонны сечением 400х400 Серия ИИ 04-2
  • Длина 3293 мм.
  • Ширина 400 мм.
  • Высота 400 мм.
  • Вес 1620 кг.
  • Объем бетона 0,475 м3
  • Геометрический объем 0,5269 м3
Цена: 10137 руб.
Подробнее
К2Л 60-42-4 а
Колонны сечением 400х400 Серия ИИ 04-2
  • Длина 4193 мм.
  • Ширина 400 мм.
  • Высота 400 мм.
  • Вес 1677 кг.
  • Объем бетона 0,88 м3
  • Геометрический объем 0,6709 м3
Цена: 18779 руб.
Подробнее
К2Л 60-66-4 а
Колонны сечением 400х400 Серия ИИ 04-2
  • Длина 6593 мм.
  • Ширина 400 мм.
  • Высота 400 мм.
  • Вес 3179 кг.
  • Объем бетона 0,9 м3
  • Геометрический объем 1,0549 м3
Цена: 19206 руб.
Подробнее
К2Л 60-84-4 а
Колонны сечением 400х400 Серия ИИ 04-2
  • Длина 8393 мм.
  • Ширина 400 мм.
  • Высота 400 мм.
  • Вес 2990 кг.
  • Объем бетона 1,236 м3
  • Геометрический объем 1,3429 м3
Цена: 26376 руб.
Подробнее
К2НК 448(60)-34
Колонны сечением 400х400 Серия ИИ 04-2
  • Длина 12250 мм.
  • Ширина 400 мм.
  • Высота 400 мм.
  • Вес 4950 кг.
  • Объем бетона 1,98 м3
  • Геометрический объем 1,96 м3
Цена: 42253 руб.
Подробнее
К2НК 448(60)-26
Колонны сечением 400х400 Серия ИИ 04-2
  • Длина 12250 мм.
  • Ширина 400 мм.
  • Высота 400 мм.
  • Вес 4950 кг.
  • Объем бетона 1,98 м3
  • Геометрический объем 1,96 м3
Цена: 42253 руб.
Подробнее
К2НК 448(60)-21
Колонны сечением 400х400 Серия ИИ 04-2
  • Длина 12250 мм.
  • Ширина 400 мм.
  • Высота 400 мм.
  • Вес 4950 кг.
  • Объем бетона 1,98 м3
  • Геометрический объем 1,96 м3
Цена: 42253 руб.
Подробнее
К2НК 448(60)-38
Колонны сечением 400х400 Серия ИИ 04-2
  • Длина 12250 мм.
  • Ширина 400 мм.
  • Высота 400 мм.
  • Вес 4950 кг.
  • Объем бетона 1,98 м3
  • Геометрический объем 1,96 м3
Цена: 42253 руб.
Подробнее
К2НР 448(60)-26
Колонны сечением 400х400 Серия ИИ 04-2
  • Длина 12250 мм.
  • Ширина 400 мм.
  • Высота 400 мм.
  • Вес 500 кг.
  • Объем бетона 2 м3
  • Геометрический объем 1,96 м3
Цена: 42680 руб.
Подробнее
К2НР 448(60)-34
Колонны сечением 400х400 Серия ИИ 04-2
  • Длина 12250 мм.
  • Ширина 400 мм.
  • Высота 400 мм.
  • Вес 500 кг.
  • Объем бетона 2 м3
  • Геометрический объем 1,96 м3
Цена: 42680 руб.
Подробнее
К2Р 442-22
Колонны сечением 400х400 Серия ИИ 04-2
  • Длина 9090 мм.
  • Ширина 400 мм.
  • Высота 400 мм.
  • Вес 3750 кг.
  • Объем бетона 1,5 м3
  • Геометрический объем 1,4544 м3
Цена: 32010 руб.
Подробнее
К2Р 436-22
Колонны сечением 400х400 Серия ИИ 04-2
  • Длина 7890 мм.
  • Ширина 400 мм.
  • Высота 400 мм.
  • Вес 3250 кг.
  • Объем бетона 1,3 м3
  • Геометрический объем 1,2624 м3
Цена: 27742 руб.
Подробнее
К2НР 448(60)-38
Колонны сечением 400х400 Серия ИИ 04-2
  • Длина 12250 мм.
  • Ширина 400 мм.
  • Высота 400 мм.
  • Вес 500 кг.
  • Объем бетона 2 м3
  • Геометрический объем 1,96 м3
Цена: 42680 руб.
Подробнее
К2Р 448-24
Колонны сечением 400х400 Серия ИИ 04-2
  • Длина 10290 мм.
  • Ширина 400 мм.
  • Высота 400 мм.
  • Вес 4200 кг.
  • Объем бетона 1,68 м3
  • Геометрический объем 1,6464 м3
Цена: 35851 руб.
Подробнее
К2Р 448-29
Колонны сечением 400х400 Серия ИИ 04-2
  • Длина 10290 мм.
  • Ширина 400 мм.
  • Высота 400 мм.
  • Вес 4200 кг.
  • Объем бетона 1,68 м3
  • Геометрический объем 1,6464 м3
Цена: 35851 руб.
Подробнее
К2Р 448-38
Колонны сечением 400х400 Серия ИИ 04-2
  • Длина 10290 мм.
  • Ширина 400 мм.
  • Высота 400 мм.
  • Вес 4200 кг.
  • Объем бетона 1,68 м3
  • Геометрический объем 1,6464 м3
Цена: 35851 руб.
Подробнее
К3ВК 428-25
Колонны сечением 400х400 Серия ИИ 04-2
  • Длина 7640 мм.
  • Ширина 400 мм.
  • Высота 400 мм.
  • Вес 3070 кг.
  • Объем бетона 1,23 м3
  • Геометрический объем 1,2224 м3
Цена: 26248 руб.
Подробнее
К3ВК 428(24)-25
Колонны сечением 400х400 Серия ИИ 04-2
  • Длина 7240 мм.
  • Ширина 400 мм.
  • Высота 400 мм.
  • Вес 2900 кг.
  • Объем бетона 1,18 м3
  • Геометрический объем 1,1584 м3
Цена: 25181 руб.
Подробнее
К3ВК 433-24
Колонны сечением 400х400 Серия ИИ 04-2
  • Длина 9140 мм.
  • Ширина 400 мм.
  • Высота 400 мм.
  • Вес 3700 кг.
  • Объем бетона 1,51 м3
  • Геометрический объем 1,4624 м3
Цена: 32223 руб.
Подробнее
К3ВК 436-24
Колонны сечением 400х400 Серия ИИ 04-2
  • Длина 10040 мм.
  • Ширина 400 мм.
  • Высота 400 мм.
  • Вес 4050 кг.
  • Объем бетона 1,64 м3
  • Геометрический объем 1,6064 м3
Цена: 34998 руб.
Подробнее
К3ВК 442-24
Колонны сечением 400х400 Серия ИИ 04-2
  • Длина 11840 мм.
  • Ширина 400 мм.
  • Высота 400 мм.
  • Вес 4780 кг.
  • Объем бетона 1,94 м3
  • Геометрический объем 1,8944 м3
Цена: 41400 руб.
Подробнее
К3ВК 448-29
Колонны сечением 400х400 Серия ИИ 04-2
  • Длина 13640 мм.
  • Ширина 400 мм.
  • Высота 400 мм.
  • Вес 5520 кг.
  • Объем бетона 2,208 м3
  • Геометрический объем 2,1824 м3
Цена: 47119 руб.
Подробнее
К3ВР 428-25
Колонны сечением 400х400 Серия ИИ 04-2
  • Длина 7640 мм.
  • Ширина 400 мм.
  • Высота 400 мм.
  • Вес 3120 кг.
  • Объем бетона 1,25 м3
  • Геометрический объем 1,2224 м3
Цена: 26675 руб.
Подробнее
К3ВК 448-24
Колонны сечением 400х400 Серия ИИ 04-2
  • Длина 13640 мм.
  • Ширина 400 мм.
  • Высота 400 мм.
  • Вес 5520 кг.
  • Объем бетона 2,208 м3
  • Геометрический объем 2,1824 м3
Цена: 47119 руб.
Подробнее
К3ВК 448-38
Колонны сечением 400х400 Серия ИИ 04-2
  • Длина 13640 мм.
  • Ширина 400 мм.
  • Высота 400 мм.
  • Вес 5520 кг.
  • Объем бетона 2,208 м3
  • Геометрический объем 2,1824 м3
Цена: 47119 руб.
Подробнее
К3ВР 428(24)-25
Колонны сечением 400х400 Серия ИИ 04-2
  • Длина 7240 мм.
  • Ширина 400 мм.
  • Высота 400 мм.
  • Вес 2970 кг.
  • Объем бетона 1,19 м3
  • Геометрический объем 1,1584 м3
Цена: 25395 руб.
Подробнее
К3ВР 433-24
Колонны сечением 400х400 Серия ИИ 04-2
  • Длина 9140 мм.
  • Ширина 400 мм.
  • Высота 400 мм.
  • Вес 3760 кг.
  • Объем бетона 1,51 м3
  • Геометрический объем 1,4624 м3
Цена: 32223 руб.
Подробнее
К3ВР 433-22
Колонны сечением 400х400 Серия ИИ 04-2
  • Длина 9140 мм.
  • Ширина 400 мм.
  • Высота 400 мм.
  • Вес 3760 кг.
  • Объем бетона 1,51 м3
  • Геометрический объем 1,4624 м3
Цена: 32223 руб.
Подробнее
К3ВР 436-22
Колонны сечением 400х400 Серия ИИ 04-2
  • Длина 10040 мм.
  • Ширина 400 мм.
  • Высота 400 мм.
  • Вес 4130 кг.
  • Объем бетона 1,65 м3
  • Геометрический объем 1,6064 м3
Цена: 35211 руб.
Подробнее
К3ВР 442-22
Колонны сечением 400х400 Серия ИИ 04-2
  • Длина 11840 мм.
  • Ширина 400 мм.
  • Высота 400 мм.
  • Вес 4850 кг.
  • Объем бетона 1,94 м3
  • Геометрический объем 1,8944 м3
Цена: 41400 руб.
Подробнее

Уведомление о файлах cookie

Мы используем файлы cookie для улучшения вашего опыта просмотра и анализа трафика. Нажимая "Принять все", вы соглашаетесь с нашей политикой конфиденциальности и политикой обработки файлов cookie.

MAX Дзен Телеграм Вконтакте vk