mobile_sound +7 (930) 655-55-90

Типовые конструкции и железобетонные изделия. Рабочие чертежи (Серия ИИ 04-16)

Поделиться:
Поделиться:

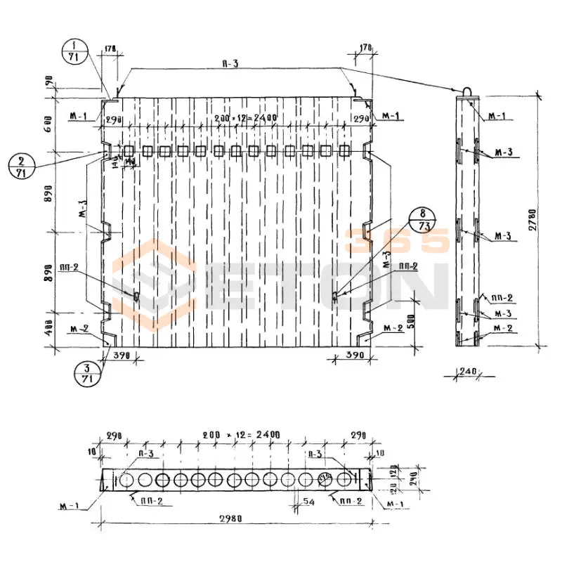
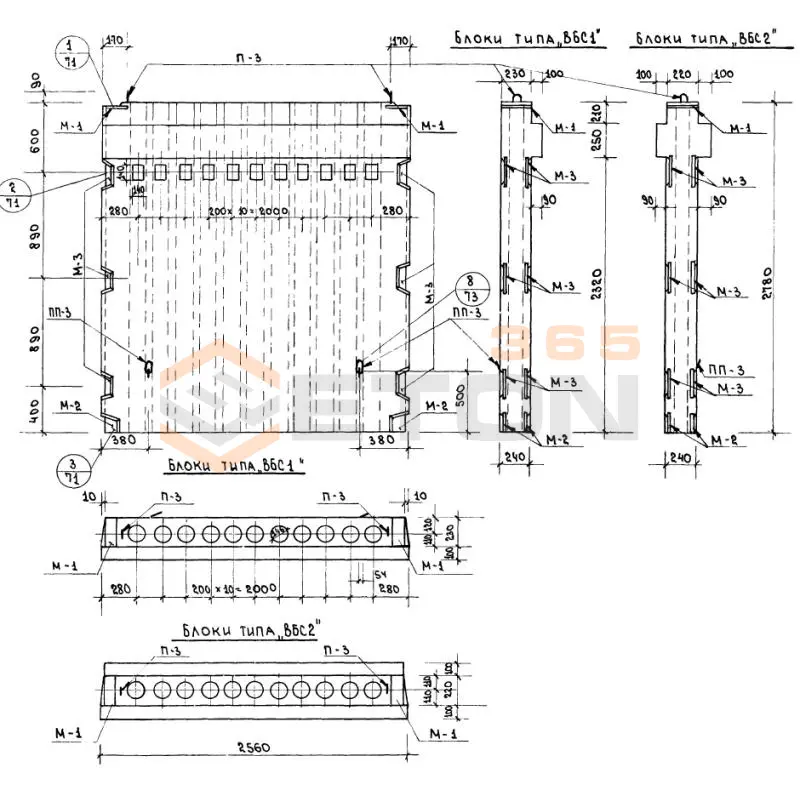
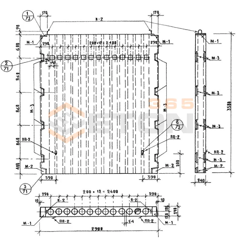
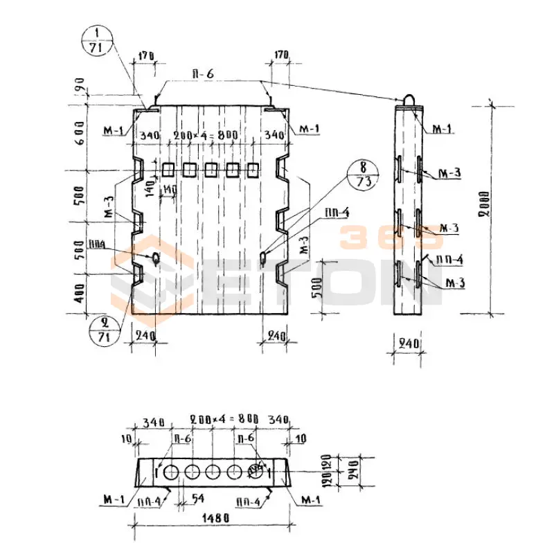
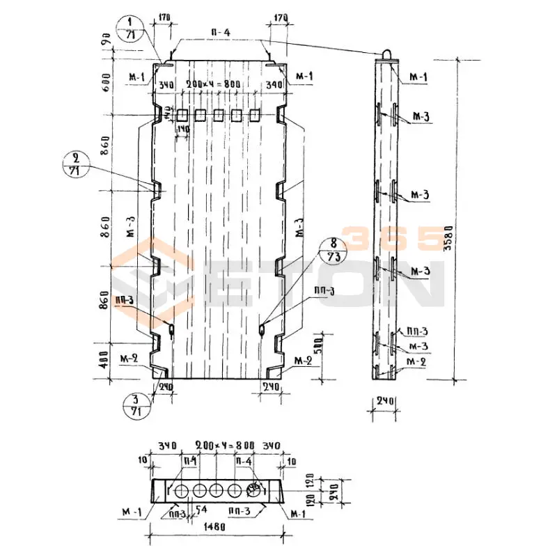
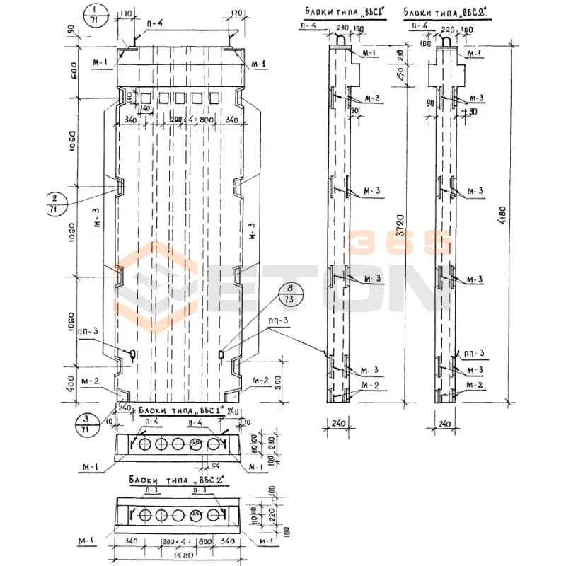
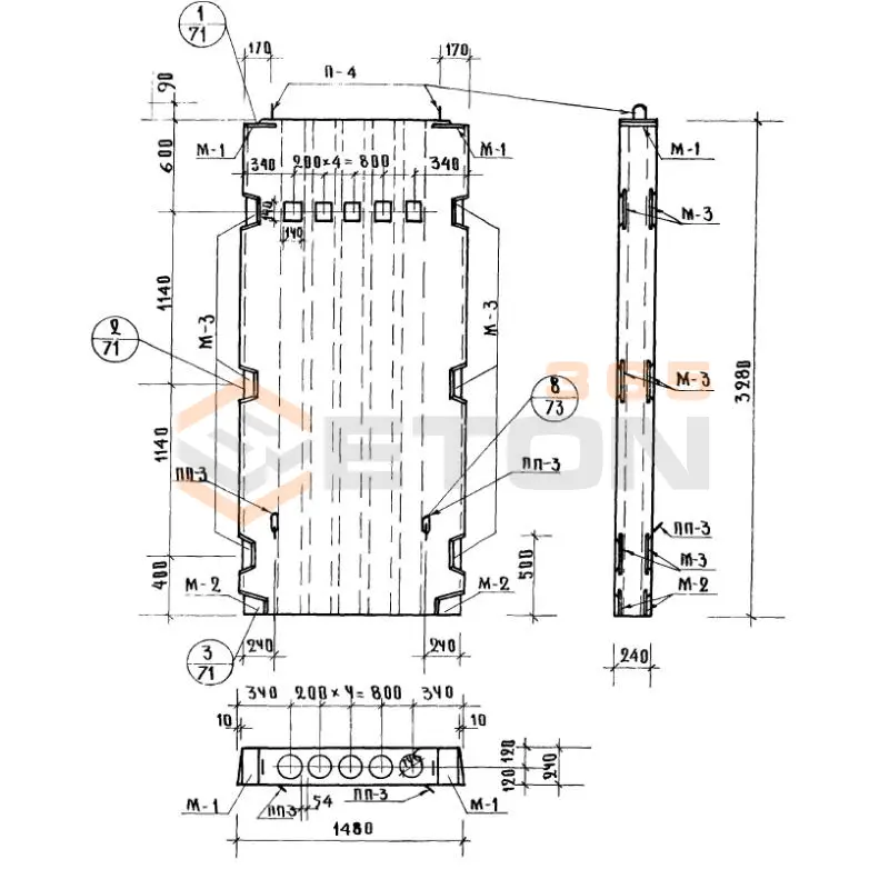
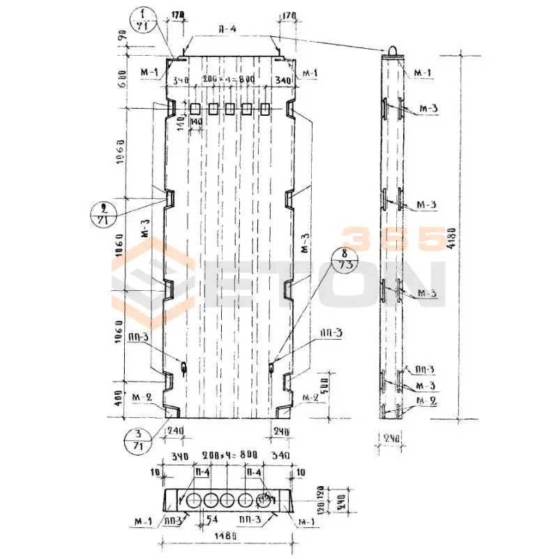
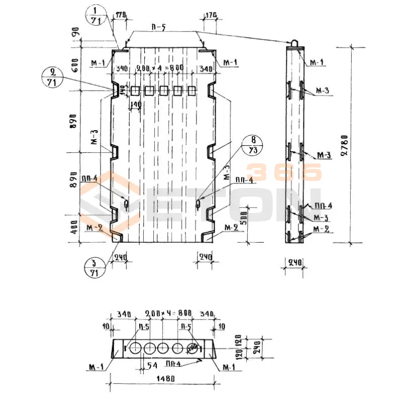
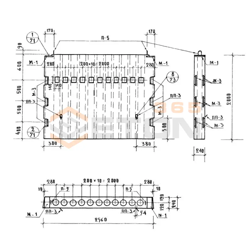
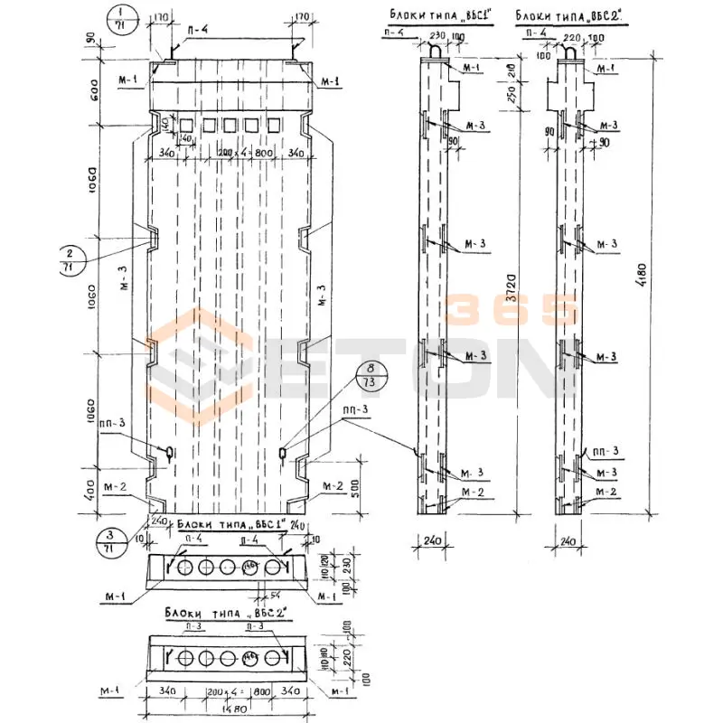
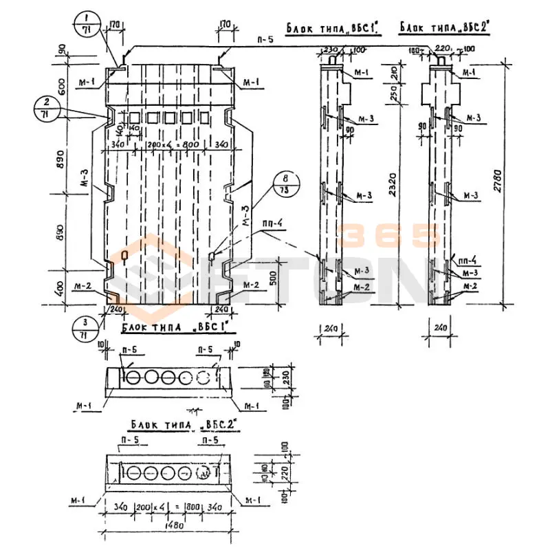
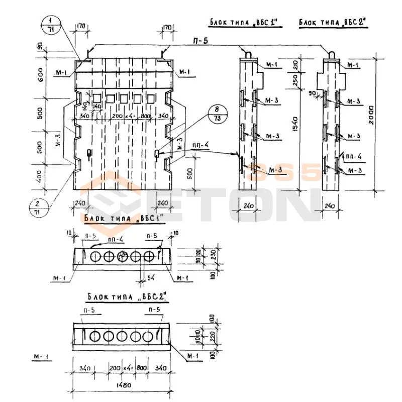
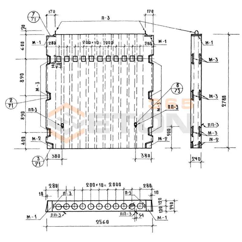
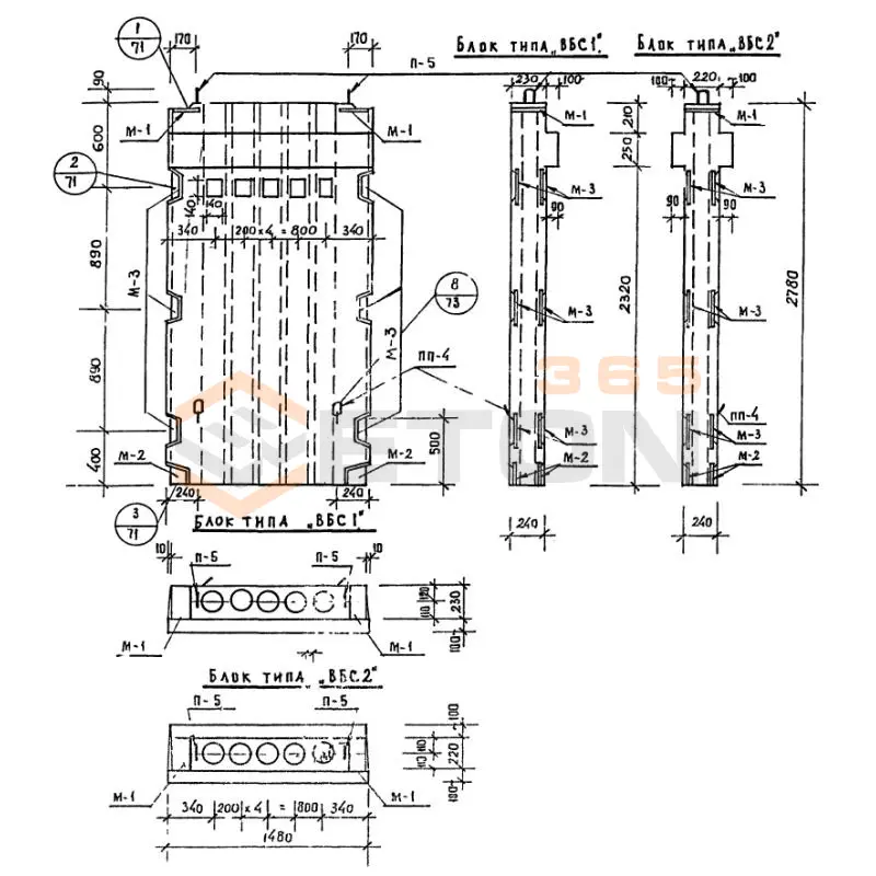
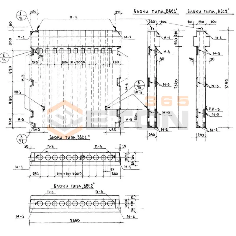
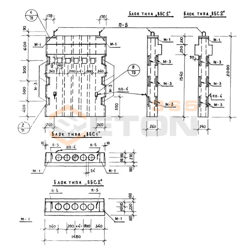
Документ Серия ИИ 04-16 описывает область применения, номенклатуру и ключевые требования, опираясь на действующие нормы и практику проектирования. В Серии ИИ 04-16 содержится детальное описание вентиляционных блоков-стенок жесткости одноэтажной разрезки из железобетона. изделия и конструкции широко применяются при возведении общественных сооружений, высота этажей в которых может составлять 2,8; 3,3; 3,6 и 4,2 метра. Датой введения в действие принят январь 1976 года, разработка регламента велась проектным институтом ЦНИИЭП учебных зданий.

Файлы для скачивания:
picture_as_pdf

5905.pdf

6,883.1 KB

скачать
picture_as_pdf

5906.pdf

1,913.5 KB

скачать
Товары Серия ИИ 04-16 (45)
ВБС 1-15-20 (ИИ 04-16)
Блоки вентиляционные Серия ИИ 04-16
  • Длина 1480 мм.
  • Ширина 330 мм.
  • Высота 2000 мм.
  • Вес 1480 кг.
  • Объем бетона 0,59 м3
  • Геометрический объем 0,9768 м3
Цена: 19458 руб.
Подробнее
ВБС 1-15-28 (ИИ 04-16)
Блоки вентиляционные Серия ИИ 04-16
  • Длина 1480 мм.
  • Ширина 330 мм.
  • Высота 2780 мм.
  • Вес 1980 кг.
  • Объем бетона 0,79 м3
  • Геометрический объем 1,3578 м3
Цена: 26054 руб.
Подробнее
ВБС 1-15-33 (ИИ 04-16)
Блоки вентиляционные Серия ИИ 04-16
  • Длина 1480 мм.
  • Ширина 330 мм.
  • Высота 3280 мм.
  • Вес 2330 кг.
  • Объем бетона 0,93 м3
  • Геометрический объем 1,602 м3
Цена: 30671 руб.
Подробнее
ВБС 1-15-36 (ИИ 04-16)
Блоки вентиляционные Серия ИИ 04-16
  • Длина 1480 мм.
  • Ширина 330 мм.
  • Высота 3580 мм.
  • Вес 2530 кг.
  • Объем бетона 1,01 м3
  • Геометрический объем 1,7485 м3
Цена: 33310 руб.
Подробнее
ВБС 1-15-42 (ИИ 04-16)
Блоки вентиляционные Серия ИИ 04-16
  • Длина 1480 мм.
  • Ширина 330 мм.
  • Высота 4180 мм.
  • Вес 2930 кг.
  • Объем бетона 1,17 м3
  • Геометрический объем 2,0415 м3
Цена: 38587 руб.
Подробнее
ВБС 1-26-20 (ИИ 04-16)
Блоки вентиляционные Серия ИИ 04-16
  • Длина 2560 мм.
  • Ширина 330 мм.
  • Высота 2000 мм.
  • Вес 2300 кг.
  • Объем бетона 0,92 м3
  • Геометрический объем 1,6896 м3
Цена: 30342 руб.
Подробнее
ВБС 1-26-28 (ИИ 04-16)
Блоки вентиляционные Серия ИИ 04-16
  • Длина 2560 мм.
  • Ширина 330 мм.
  • Высота 2780 мм.
  • Вес 3150 кг.
  • Объем бетона 1,26 м3
  • Геометрический объем 2,3485 м3
Цена: 41555 руб.
Подробнее
ВБС 1-26-33 (ИИ 04-16)
Блоки вентиляционные Серия ИИ 04-16
  • Длина 2560 мм.
  • Ширина 330 мм.
  • Высота 3280 мм.
  • Вес 3700 кг.
  • Объем бетона 1,48 м3
  • Геометрический объем 2,7709 м3
Цена: 48810 руб.
Подробнее
ВБС 1-26-36 (ИИ 04-16)
Блоки вентиляционные Серия ИИ 04-16
  • Длина 2560 мм.
  • Ширина 330 мм.
  • Высота 3580 мм.
  • Вес 4050 кг.
  • Объем бетона 1,62 м3
  • Геометрический объем 3,0244 м3
Цена: 53428 руб.
Подробнее
ВБС 1-26-42 (ИИ 04-16)
Блоки вентиляционные Серия ИИ 04-16
  • Длина 2560 мм.
  • Ширина 330 мм.
  • Высота 4180 мм.
  • Вес 4650 кг.
  • Объем бетона 1,86 м3
  • Геометрический объем 3,5313 м3
Цена: 61343 руб.
Подробнее
ВБС 1-30-20 (ИИ 04-16)
Блоки вентиляционные Серия ИИ 04-16
  • Длина 2980 мм.
  • Ширина 330 мм.
  • Высота 2000 мм.
  • Вес 2670 кг.
  • Объем бетона 1,07 м3
  • Геометрический объем 1,9668 м3
Цена: 35289 руб.
Подробнее
ВБС 1-30-28 (ИИ 04-16)
Блоки вентиляционные Серия ИИ 04-16
  • Длина 2980 мм.
  • Ширина 330 мм.
  • Высота 2780 мм.
  • Вес 3670 кг.
  • Объем бетона 1,47 м3
  • Геометрический объем 2,7339 м3
Цена: 48481 руб.
Подробнее
ВБС 1-30-33 (ИИ 04-16)
Блоки вентиляционные Серия ИИ 04-16
  • Длина 2980 мм.
  • Ширина 330 мм.
  • Высота 3280 мм.
  • Вес 4270 кг.
  • Объем бетона 1,71 м3
  • Геометрический объем 3,2256 м3
Цена: 56396 руб.
Подробнее
ВБС 1-30-36 (ИИ 04-16)
Блоки вентиляционные Серия ИИ 04-16
  • Длина 2980 мм.
  • Ширина 330 мм.
  • Высота 3580 мм.
  • Вес 4670 кг.
  • Объем бетона 1,87 м3
  • Геометрический объем 3,5206 м3
Цена: 61673 руб.
Подробнее
ВБС 1-30-42 (ИИ 04-16)
Блоки вентиляционные Серия ИИ 04-16
  • Длина 2980 мм.
  • Ширина 330 мм.
  • Высота 4180 мм.
  • Вес 5370 кг.
  • Объем бетона 2,15 м3
  • Геометрический объем 4,1106 м3
Цена: 70907 руб.
Подробнее
ВБС 15-20 (ИИ 04-16)
Блоки вентиляционные Серия ИИ 04-16
  • Длина 1480 мм.
  • Ширина 240 мм.
  • Высота 2000 мм.
  • Вес 1400 кг.
  • Объем бетона 0,56 м3
  • Геометрический объем 0,7104 м3
Цена: 18469 руб.
Подробнее
ВБС 15-28 (ИИ 04-16)
Блоки вентиляционные Серия ИИ 04-16
  • Длина 1480 мм.
  • Ширина 240 мм.
  • Высота 2780 мм.
  • Вес 1900 кг.
  • Объем бетона 0,76 м3
  • Геометрический объем 0,9875 м3
Цена: 25065 руб.
Подробнее
ВБС 15-33 (ИИ 04-16)
Блоки вентиляционные Серия ИИ 04-16
  • Длина 1480 мм.
  • Ширина 240 мм.
  • Высота 3280 мм.
  • Вес 2250 кг.
  • Объем бетона 0,9 м3
  • Геометрический объем 1,1651 м3
Цена: 29682 руб.
Подробнее
ВБС 2-15-20 (ИИ 04-16)
Блоки вентиляционные Серия ИИ 04-16
  • Длина 1480 мм.
  • Ширина 420 мм.
  • Высота 2000 мм.
  • Вес 1570 кг.
  • Объем бетона 0,63 м3
  • Геометрический объем 1,2432 м3
Цена: 20777 руб.
Подробнее
ВБС 15-36 (ИИ 04-16)
Блоки вентиляционные Серия ИИ 04-16
  • Длина 1480 мм.
  • Ширина 240 мм.
  • Высота 3580 мм.
  • Вес 2450 кг.
  • Объем бетона 0,98 м3
  • Геометрический объем 1,2716 м3
Цена: 32320 руб.
Подробнее
ВБС 15-42 (ИИ 04-16)
Блоки вентиляционные Серия ИИ 04-16
  • Длина 1480 мм.
  • Ширина 240 мм.
  • Высота 4180 мм.
  • Вес 2850 кг.
  • Объем бетона 1,14 м3
  • Геометрический объем 1,4847 м3
Цена: 37597 руб.
Подробнее
ВБС 2-15-28 (ИИ 04-16)
Блоки вентиляционные Серия ИИ 04-16
  • Длина 1480 мм.
  • Ширина 420 мм.
  • Высота 2780 мм.
  • Вес 2070 кг.
  • Объем бетона 0,83 м3
  • Геометрический объем 1,728 м3
Цена: 27373 руб.
Подробнее
ВБС 2-15-33 (ИИ 04-16)
Блоки вентиляционные Серия ИИ 04-16
  • Длина 1480 мм.
  • Ширина 420 мм.
  • Высота 3280 мм.
  • Вес 2420 кг.
  • Объем бетона 0,83 м3
  • Геометрический объем 2,0388 м3
Цена: 27373 руб.
Подробнее
ВБС 2-15-36 (ИИ 04-16)
Блоки вентиляционные Серия ИИ 04-16
  • Длина 1480 мм.
  • Ширина 420 мм.
  • Высота 3580 мм.
  • Вес 2620 кг.
  • Объем бетона 1,05 м3
  • Геометрический объем 2,2253 м3
Цена: 34629 руб.
Подробнее
ВБС 2-15-42 (ИИ 04-16)
Блоки вентиляционные Серия ИИ 04-16
  • Длина 1480 мм.
  • Ширина 420 мм.
  • Высота 4180 мм.
  • Вес 3020 кг.
  • Объем бетона 1,21 м3
  • Геометрический объем 2,5983 м3
Цена: 39906 руб.
Подробнее
ВБС 2-26-28 (ИИ 04-16)
Блоки вентиляционные Серия ИИ 04-16
  • Длина 2560 мм.
  • Ширина 420 мм.
  • Высота 2780 мм.
  • Вес 3290 кг.
  • Объем бетона 1,32 м3
  • Геометрический объем 2,9891 м3
Цена: 43534 руб.
Подробнее
ВБС 2-26-20 (ИИ 04-16)
Блоки вентиляционные Серия ИИ 04-16
  • Длина 2560 мм.
  • Ширина 420 мм.
  • Высота 2000 мм.
  • Вес 2400 кг.
  • Объем бетона 0,98 м3
  • Геометрический объем 2,1504 м3
Цена: 32320 руб.
Подробнее
ВБС 2-26-33 (ИИ 04-16)
Блоки вентиляционные Серия ИИ 04-16
  • Длина 2560 мм.
  • Ширина 420 мм.
  • Высота 3280 мм.
  • Вес 3840 кг.
  • Объем бетона 1,54 м3
  • Геометрический объем 3,5267 м3
Цена: 50789 руб.
Подробнее
ВБС 2-26-36 (ИИ 04-16)
Блоки вентиляционные Серия ИИ 04-16
  • Длина 2560 мм.
  • Ширина 420 мм.
  • Высота 3580 мм.
  • Вес 4190 кг.
  • Объем бетона 1,68 м3
  • Геометрический объем 3,8492 м3
Цена: 55406 руб.
Подробнее
ВБС 2-26-42 (ИИ 04-16)
Блоки вентиляционные Серия ИИ 04-16
  • Длина 2560 мм.
  • Ширина 420 мм.
  • Высота 4180 мм.
  • Вес 4790 кг.
  • Объем бетона 1,92 м3
  • Геометрический объем 4,4943 м3
Цена: 63322 руб.
Подробнее
ВБС 2-30-20 (ИИ 04-16)
Блоки вентиляционные Серия ИИ 04-16
  • Длина 2980 мм.
  • Ширина 420 мм.
  • Высота 2000 мм.
  • Вес 2840 кг.
  • Объем бетона 1,13 м3
  • Геометрический объем 2,5032 м3
Цена: 37267 руб.
Подробнее
ВБС 2-30-28 (ИИ 04-16)
Блоки вентиляционные Серия ИИ 04-16
  • Длина 2980 мм.
  • Ширина 420 мм.
  • Высота 2780 мм.
  • Вес 3840 кг.
  • Объем бетона 1,53 м3
  • Геометрический объем 3,4794 м3
Цена: 50459 руб.
Подробнее
ВБС 2-30-33 (ИИ 04-16)
Блоки вентиляционные Серия ИИ 04-16
  • Длина 2980 мм.
  • Ширина 420 мм.
  • Высота 3280 мм.
  • Вес 4440 кг.
  • Объем бетона 1,77 м3
  • Геометрический объем 4,1052 м3
Цена: 58375 руб.
Подробнее
ВБС 2-30-36 (ИИ 04-16)
Блоки вентиляционные Серия ИИ 04-16
  • Длина 2980 мм.
  • Ширина 420 мм.
  • Высота 3580 мм.
  • Вес 4840 кг.
  • Объем бетона 1,93 м3
  • Геометрический объем 4,4807 м3
Цена: 63651 руб.
Подробнее
ВБС 2-30-42 (ИИ 04-16)
Блоки вентиляционные Серия ИИ 04-16
  • Длина 2980 мм.
  • Ширина 420 мм.
  • Высота 4180 мм.
  • Вес 5540 кг.
  • Объем бетона 2,21 м3
  • Геометрический объем 5,2317 м3
Цена: 72886 руб.
Подробнее
ВБС 26-28 (ИИ 04-16)
Блоки вентиляционные Серия ИИ 04-16
  • Длина 2560 мм.
  • Ширина 240 мм.
  • Высота 2780 мм.
  • Вес 3000 кг.
  • Объем бетона 1,2 м3
  • Геометрический объем 1,708 м3
Цена: 39576 руб.
Подробнее
ВБС 26-20 (ИИ 04-16)
Блоки вентиляционные Серия ИИ 04-16
  • Длина 2560 мм.
  • Ширина 240 мм.
  • Высота 2000 мм.
  • Вес 2150 кг.
  • Объем бетона 0,86 м3
  • Геометрический объем 1,2288 м3
Цена: 28363 руб.
Подробнее
ВБС 26-33 (ИИ 04-16)
Блоки вентиляционные Серия ИИ 04-16
  • Длина 2560 мм.
  • Ширина 240 мм.
  • Высота 3280 мм.
  • Вес 3550 кг.
  • Объем бетона 1,42 м3
  • Геометрический объем 2,0152 м3
Цена: 46832 руб.
Подробнее
ВБС 26-36 (ИИ 04-16)
Блоки вентиляционные Серия ИИ 04-16
  • Длина 2560 мм.
  • Ширина 240 мм.
  • Высота 3580 мм.
  • Вес 3900 кг.
  • Объем бетона 1,56 м3
  • Геометрический объем 2,1996 м3
Цена: 51449 руб.
Подробнее
ВБС 26-42 (ИИ 04-16)
Блоки вентиляционные Серия ИИ 04-16
  • Длина 2560 мм.
  • Ширина 240 мм.
  • Высота 4180 мм.
  • Вес 4500 кг.
  • Объем бетона 1,8 м3
  • Геометрический объем 2,5682 м3
Цена: 59364 руб.
Подробнее
ВБС 30-20 (ИИ 04-16)
Блоки вентиляционные Серия ИИ 04-16
  • Длина 2980 мм.
  • Ширина 240 мм.
  • Высота 2000 мм.
  • Вес 2500 кг.
  • Объем бетона 1 м3
  • Геометрический объем 1,4304 м3
Цена: 32980 руб.
Подробнее
ВБС 30-28 (ИИ 04-16)
Блоки вентиляционные Серия ИИ 04-16
  • Длина 2980 мм.
  • Ширина 240 мм.
  • Высота 2780 мм.
  • Вес 3500 кг.
  • Объем бетона 1,4 м3
  • Геометрический объем 1,9883 м3
Цена: 46172 руб.
Подробнее
ВБС 30-33 (ИИ 04-16)
Блоки вентиляционные Серия ИИ 04-16
  • Длина 2980 мм.
  • Ширина 240 мм.
  • Высота 3280 мм.
  • Вес 4100 кг.
  • Объем бетона 1,64 м3
  • Геометрический объем 2,3459 м3
Цена: 54087 руб.
Подробнее
ВБС 30-36 (ИИ 04-16)
Блоки вентиляционные Серия ИИ 04-16
  • Длина 2980 мм.
  • Ширина 240 мм.
  • Высота 3580 мм.
  • Вес 4500 кг.
  • Объем бетона 1,8 м3
  • Геометрический объем 2,5604 м3
Цена: 59364 руб.
Подробнее
ВБС 30-42 (ИИ 04-16)
Блоки вентиляционные Серия ИИ 04-16
  • Длина 2980 мм.
  • Ширина 240 мм.
  • Высота 4180 мм.
  • Вес 5200 кг.
  • Объем бетона 2,08 м3
  • Геометрический объем 2,9895 м3
Цена: 68598 руб.
Подробнее

Уведомление о файлах cookie

Мы используем файлы cookie для улучшения вашего опыта просмотра и анализа трафика. Нажимая "Принять все", вы соглашаетесь с нашей политикой конфиденциальности и политикой обработки файлов cookie.

MAX Дзен Телеграм Вконтакте vk