mobile_sound +7 (930) 655-55-90

Типовые конструкции и железобетонные изделия. Рабочие чертежи (Серия 4.902-3)

Поделиться:
Поделиться:

Документ Серия 4.902-3 описывает область применения, номенклатуру и ключевые требования, опираясь на действующие нормы и практику проектирования. При напорном поступлении сточных вод в емкость канализационных очистных сооружений важно обеспечить их продолжительную эксплуатацию и высокую сопротивляемость вредоносному воздействию повышенной влажности. Поэтому строительство камер должно осуществляться из унифицированных железобетонных конструкций, которые отличаются особой прочностью и надежностью. Именно такие изделия и конструкции входят в номенклатурный перечень Серии 4.902-3.

Файлы для скачивания:
picture_as_pdf

2150.pdf

2,760.0 KB

скачать
picture_as_pdf

2151.pdf

2,841.7 KB

скачать
picture_as_pdf

2152.pdf

1,736.8 KB

скачать
picture_as_pdf

2153.pdf

2,088.8 KB

скачать
picture_as_pdf

2154.pdf

3,329.1 KB

скачать
picture_as_pdf

2155.pdf

2,576.5 KB

скачать
picture_as_pdf

2156.pdf

2,840.7 KB

скачать
picture_as_pdf

2157.pdf

3,479.8 KB

скачать
Товары Серия 4.902-3 (16)
Л 1
Мотки Серия 4.902-3
  • Длина 2980 мм.
  • Ширина 540 мм.
  • Высота 1320 мм.
  • Вес 1900 кг.
  • Объем бетона 0,76 м3
  • Геометрический объем 2,1241 м3
Цена: 22116 руб.
Подробнее
Л 2
Мотки Серия 4.902-3
  • Длина 2980 мм.
  • Ширина 690 мм.
  • Высота 1320 мм.
  • Вес 2150 кг.
  • Объем бетона 0,86 м3
  • Геометрический объем 2,7142 м3
Цена: 25026 руб.
Подробнее
Л 3
Мотки Серия 4.902-3
  • Длина 2980 мм.
  • Ширина 960 мм.
  • Высота 1320 мм.
  • Вес 2550 кг.
  • Объем бетона 1,02 м3
  • Геометрический объем 3,7763 м3
Цена: 29682 руб.
Подробнее
Л 4
Мотки Серия 4.902-3
  • Длина 2980 мм.
  • Ширина 1140 мм.
  • Высота 1720 мм.
  • Вес 3175 кг.
  • Объем бетона 1,27 м3
  • Геометрический объем 5,8432 м3
Цена: 36957 руб.
Подробнее
Л 6
Мотки Серия 4.902-3
  • Длина 2980 мм.
  • Ширина 1800 мм.
  • Высота 2150 мм.
  • Вес 5950 кг.
  • Объем бетона 2,38 м3
  • Геометрический объем 11,5326 м3
Цена: 69258 руб.
Подробнее
Л 5
Мотки Серия 4.902-3
  • Длина 2980 мм.
  • Ширина 1440 мм.
  • Высота 1720 мм.
  • Вес 3725 кг.
  • Объем бетона 1,49 м3
  • Геометрический объем 7,3809 м3
Цена: 43359 руб.
Подробнее
Л 7
Мотки Серия 4.902-3
  • Длина 2980 мм.
  • Ширина 1800 мм.
  • Высота 2150 мм.
  • Вес 6500 кг.
  • Объем бетона 2,6 м3
  • Геометрический объем 11,5326 м3
Цена: 75660 руб.
Подробнее
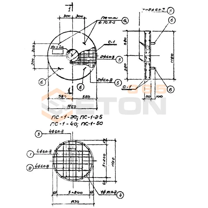
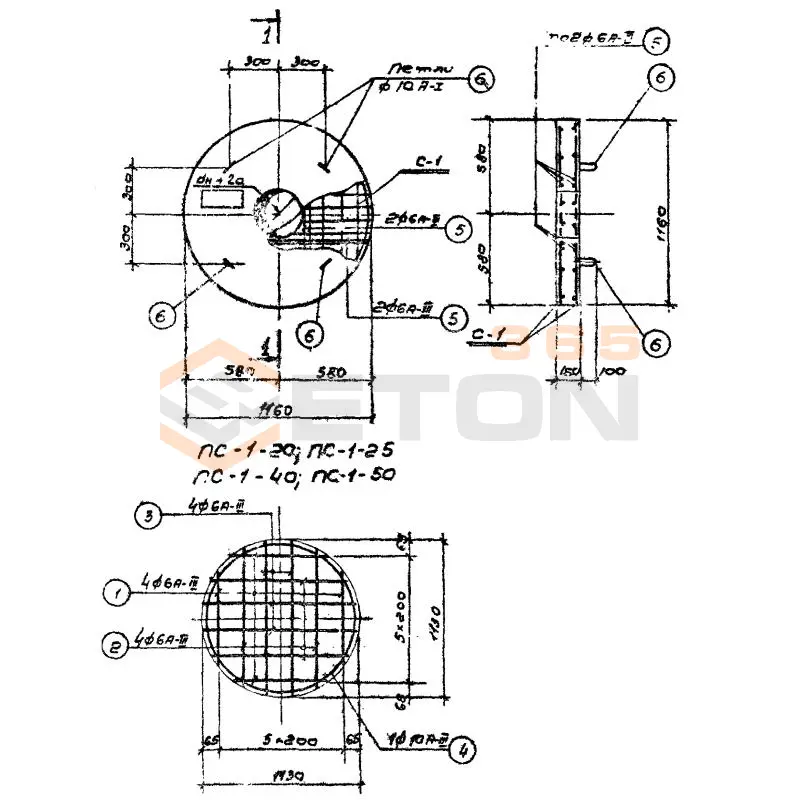
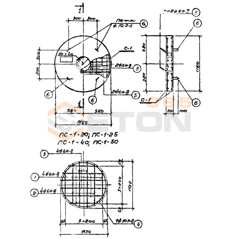
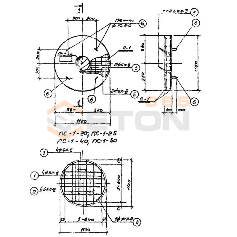
ПС 1-20
Плиты Серия 4.902-3
  • Длина 1160 мм.
  • Ширина 1160 мм.
  • Высота 150 мм.
  • Вес 383 кг.
  • Объем бетона 0,153 м3
  • Геометрический объем 0,2018 м3
Цена: 1484 руб.
Подробнее
ПС 1-25
Плиты Серия 4.902-3
  • Длина 1160 мм.
  • Ширина 1160 мм.
  • Высота 150 мм.
  • Вес 378 кг.
  • Объем бетона 0,151 м3
  • Геометрический объем 0,2018 м3
Цена: 1465 руб.
Подробнее
ПС 2-15
Плиты Серия 4.902-3
  • Длина 1680 мм.
  • Ширина 1680 мм.
  • Высота 150 мм.
  • Вес 820 кг.
  • Объем бетона 0,323 м3
  • Геометрический объем 0,4234 м3
Цена: 3133 руб.
Подробнее
ПС 1-50
Плиты Серия 4.902-3
  • Длина 1160 мм.
  • Ширина 1160 мм.
  • Высота 150 мм.
  • Вес 325 кг.
  • Объем бетона 0,129 м3
  • Геометрический объем 0,2018 м3
Цена: 1251 руб.
Подробнее
ПС 1-40
Плиты Серия 4.902-3
  • Длина 1160 мм.
  • Ширина 1160 мм.
  • Высота 150 мм.
  • Вес 348 кг.
  • Объем бетона 0,139 м3
  • Геометрический объем 0,2018 м3
Цена: 1348 руб.
Подробнее
ПС 2-20
Плиты Серия 4.902-3
  • Длина 1680 мм.
  • Ширина 1680 мм.
  • Высота 150 мм.
  • Вес 805 кг.
  • Объем бетона 0,323 м3
  • Геометрический объем 0,4234 м3
Цена: 3133 руб.
Подробнее
ПС 2-25
Плиты Серия 4.902-3
  • Длина 1680 мм.
  • Ширина 1680 мм.
  • Высота 150 мм.
  • Вес 795 кг.
  • Объем бетона 0,318 м3
  • Геометрический объем 0,4234 м3
Цена: 3085 руб.
Подробнее
ПС 2-30
Плиты Серия 4.902-3
  • Длина 1680 мм.
  • Ширина 1680 мм.
  • Высота 150 мм.
  • Вес 735 кг.
  • Объем бетона 0,294 м3
  • Геометрический объем 0,4234 м3
Цена: 2852 руб.
Подробнее
ПС 2-40
Плиты Серия 4.902-3
  • Длина 1680 мм.
  • Ширина 1680 мм.
  • Высота 150 мм.
  • Вес 685 кг.
  • Объем бетона 0,274 м3
  • Геометрический объем 0,4234 м3
Цена: 2658 руб.
Подробнее

Уведомление о файлах cookie

Мы используем файлы cookie для улучшения вашего опыта просмотра и анализа трафика. Нажимая "Принять все", вы соглашаетесь с нашей политикой конфиденциальности и политикой обработки файлов cookie.

MAX Дзен Телеграм Вконтакте vk