mobile_sound +7 (930) 655-55-90

Типовые конструкции и железобетонные изделия. Рабочие чертежи (Серия 3.902-7)

Поделиться:
Поделиться:

Документ Серия 3.902-7 описывает область применения, номенклатуру и ключевые требования, опираясь на действующие нормы и практику проектирования. ГИПРОЛЕСТРАНС является главным разработчиком Серии 3.902-7, введенной в действие с 1 февраля 1972 года после утверждения Минлеспромом СССР. Нормативный документ определяет и регламентирует рабочие чертежи и подробные рекомендации по организации производства конструкций водопропускных труб, а именно оголовков упрощенного типа, предназначенных для круглых элементов с диаметрами до 1,25 метров. изделия и конструкции широко применяются на автомобильных дорогах, используемых преимущественно под перемещение лесовозов.

Файлы для скачивания:
picture_as_pdf

5634.pdf

4,093.7 KB

скачать
Товары Серия 3.902-7 (16)
Блок 4 (3.902-7)
Блоки лекальные Серия 3.902-7
  • Длина 2010 мм.
  • Ширина 1190 мм.
  • Высота 430 мм.
  • Вес 1900 кг.
  • Объем бетона 0,76 м3
  • Геометрический объем 1,0285 м3
Цена: 16956 руб.
Подробнее
Блок 6 (3.902-7)
Блоки лекальные Серия 3.902-7
  • Длина 2010 мм.
  • Ширина 1390 мм.
  • Высота 480 мм.
  • Вес 2400 кг.
  • Объем бетона 0,96 м3
  • Геометрический объем 1,3411 м3
Цена: 21418 руб.
Подробнее
Блок 7 (3.902-7)
Блоки лекальные Серия 3.902-7
  • Длина 1500 мм.
  • Ширина 1390 мм.
  • Высота 480 мм.
  • Вес 1800 кг.
  • Объем бетона 0,72 м3
  • Геометрический объем 1,0008 м3
Цена: 16063 руб.
Подробнее
Блок 5 (3.902-7)
Блоки лекальные Серия 3.902-7
  • Длина 1500 мм.
  • Ширина 1190 мм.
  • Высота 430 мм.
  • Вес 1400 кг.
  • Объем бетона 0,57 м3
  • Геометрический объем 0,7675 м3
Цена: 12717 руб.
Подробнее
П 1 (3.902-7)
Блоки укрепления Серия 3.902-7
  • Длина 490 мм.
  • Ширина 490 мм.
  • Высота 100 мм.
  • Вес 53 кг.
  • Объем бетона 0,023 м3
  • Геометрический объем 0,024 м3
Цена: 491 руб.
Подробнее
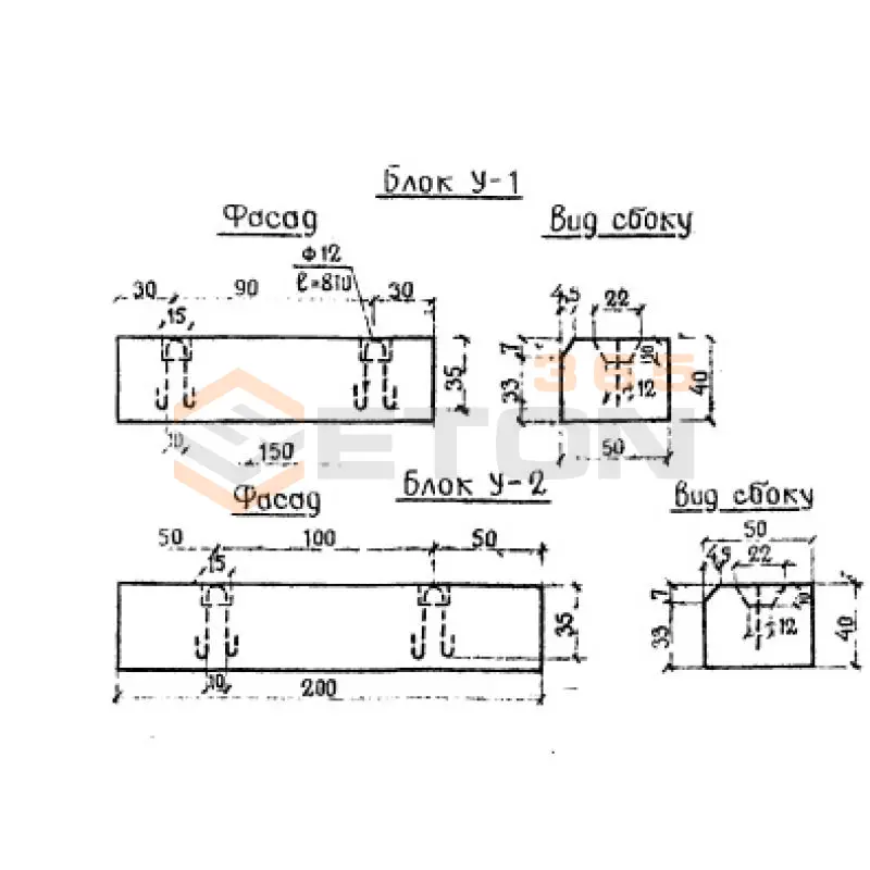
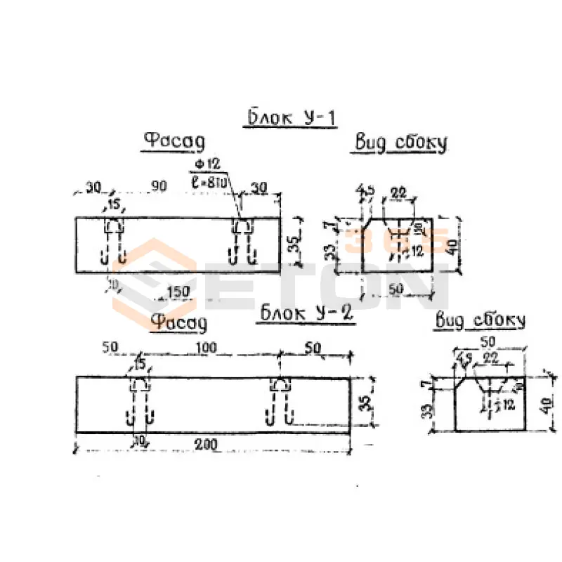
У 1 (3.902-7)
Блоки укрепления Серия 3.902-7
  • Длина 1500 мм.
  • Ширина 500 мм.
  • Высота 400 мм.
  • Вес 690 кг.
  • Объем бетона 0,3 м3
  • Геометрический объем 0,3 м3
Цена: 6402 руб.
Подробнее
У 2 (3.902-7)
Блоки укрепления Серия 3.902-7
  • Длина 2000 мм.
  • Ширина 500 мм.
  • Высота 400 мм.
  • Вес 920 кг.
  • Объем бетона 0,4 м3
  • Геометрический объем 0,4 м3
Цена: 8536 руб.
Подробнее
Блок 2 (3.902-7)
Блоки фундаментов Серия 3.902-7
  • Длина 1320 мм.
  • Ширина 500 мм.
  • Высота 980 мм.
  • Вес 1500 кг.
  • Объем бетона 0,65 м3
  • Геометрический объем 0,6468 м3
Цена: 12610 руб.
Подробнее
Блок 10 (3.902-7)
Блоки звеньев Серия 3.902-7
  • Длина 1000 мм.
  • Ширина 660 мм.
  • Высота 660 мм.
  • Вес 400 кг.
  • Объем бетона 0,15 м3
  • Геометрический объем 0,4356 м3
Цена: 5093 руб.
Подробнее
Блок 11 (3.902-7)
Блоки звеньев Серия 3.902-7
  • Длина 1000 мм.
  • Ширина 910 мм.
  • Высота 910 мм.
  • Вес 500 кг.
  • Объем бетона 0,21 м3
  • Геометрический объем 0,8281 м3
Цена: 7130 руб.
Подробнее
Блок 12 (3.902-7)
Блоки звеньев Серия 3.902-7
  • Длина 1000 мм.
  • Ширина 1200 мм.
  • Высота 1200 мм.
  • Вес 900 кг.
  • Объем бетона 0,35 м3
  • Геометрический объем 1,44 м3
Цена: 11883 руб.
Подробнее
Блок 10 а (3.902-7)
Блоки звеньев Серия 3.902-7
  • Длина 3000 мм.
  • Ширина 660 мм.
  • Высота 660 мм.
  • Вес 1100 кг.
  • Объем бетона 0,45 м3
  • Геометрический объем 1,3068 м3
Цена: 15278 руб.
Подробнее
Блок 11 а (3.902-7)
Блоки звеньев Серия 3.902-7
  • Длина 3000 мм.
  • Ширина 910 мм.
  • Высота 910 мм.
  • Вес 1600 кг.
  • Объем бетона 0,63 м3
  • Геометрический объем 2,4843 м3
Цена: 21389 руб.
Подробнее
Блок 14 (3.902-7)
Блоки звеньев Серия 3.902-7
  • Длина 1000 мм.
  • Ширина 1490 мм.
  • Высота 1490 мм.
  • Вес 1300 кг.
  • Объем бетона 0,52 м3
  • Геометрический объем 2,2201 м3
Цена: 17654 руб.
Подробнее
Блок 13 (3.902-7)
Блоки звеньев Серия 3.902-7
  • Длина 1000 мм.
  • Ширина 1240 мм.
  • Высота 1240 мм.
  • Вес 1050 кг.
  • Объем бетона 0,42 м3
  • Геометрический объем 1,5376 м3
Цена: 14259 руб.
Подробнее
Блок 15 (3.902-7)
Блоки звеньев Серия 3.902-7
  • Длина 1000 мм.
  • Ширина 1530 мм.
  • Высота 1530 мм.
  • Вес 1500 кг.
  • Объем бетона 0,61 м3
  • Геометрический объем 2,3409 м3
Цена: 20710 руб.
Подробнее

Уведомление о файлах cookie

Мы используем файлы cookie для улучшения вашего опыта просмотра и анализа трафика. Нажимая "Принять все", вы соглашаетесь с нашей политикой конфиденциальности и политикой обработки файлов cookie.

MAX Дзен Телеграм Вконтакте vk