mobile_sound +7 (930) 655-55-90

Типовые конструкции и железобетонные изделия. Рабочие чертежи (Серия 1.432.1-33.93)

Поделиться:
Поделиться:

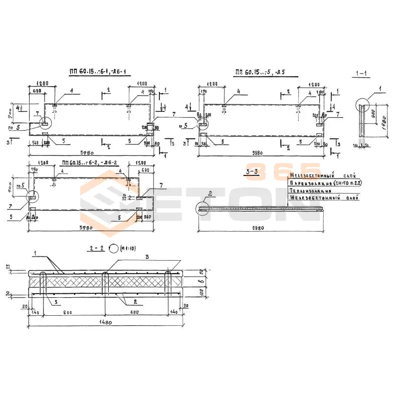
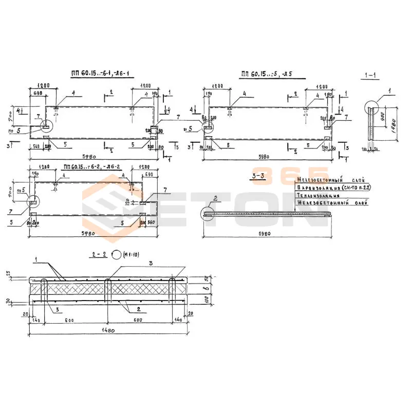
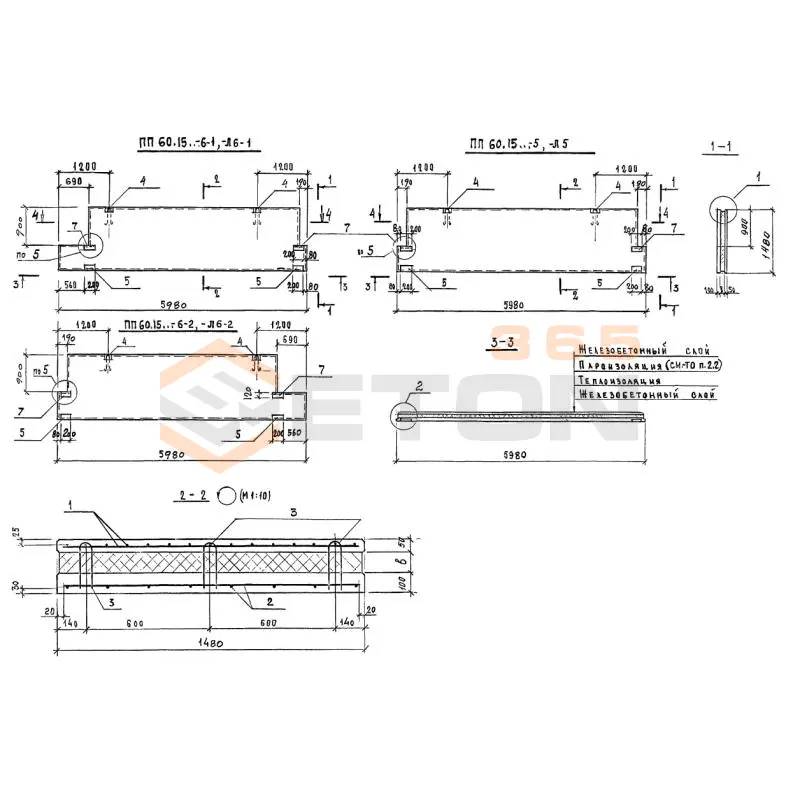
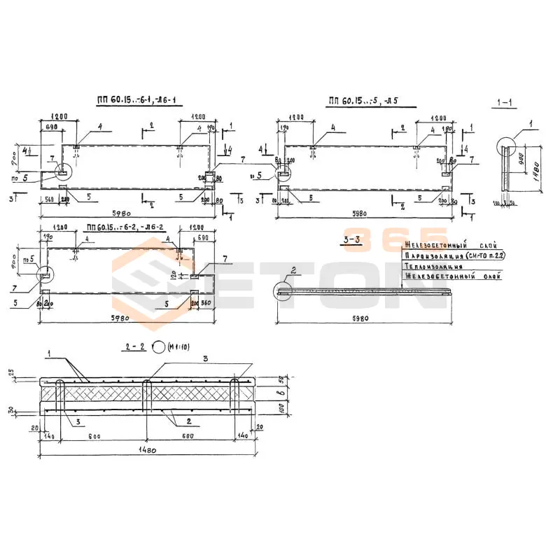
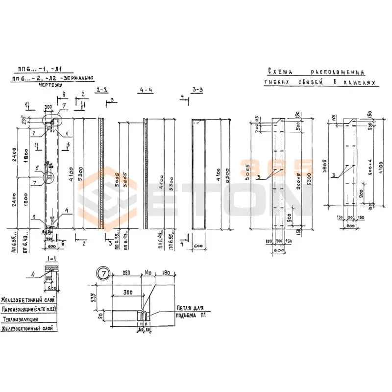
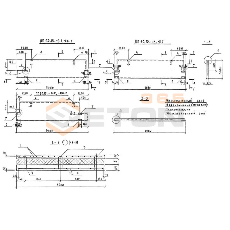
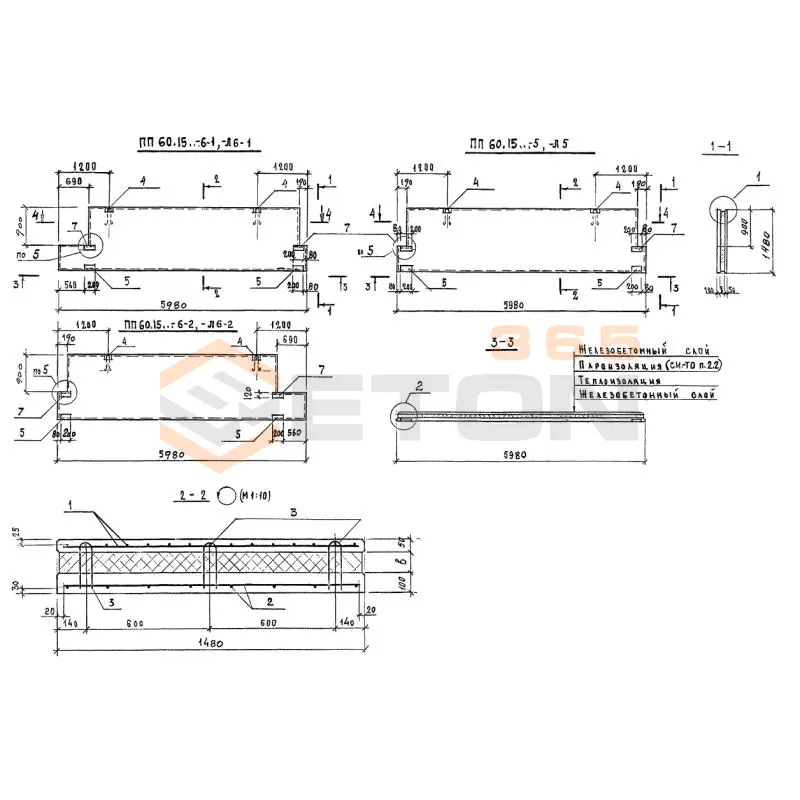
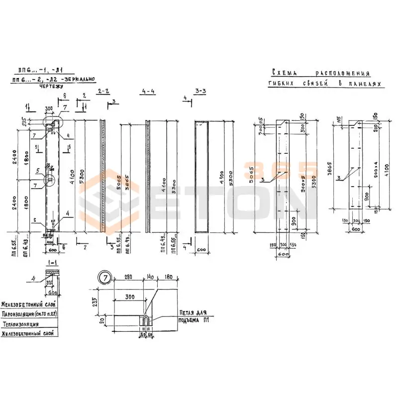
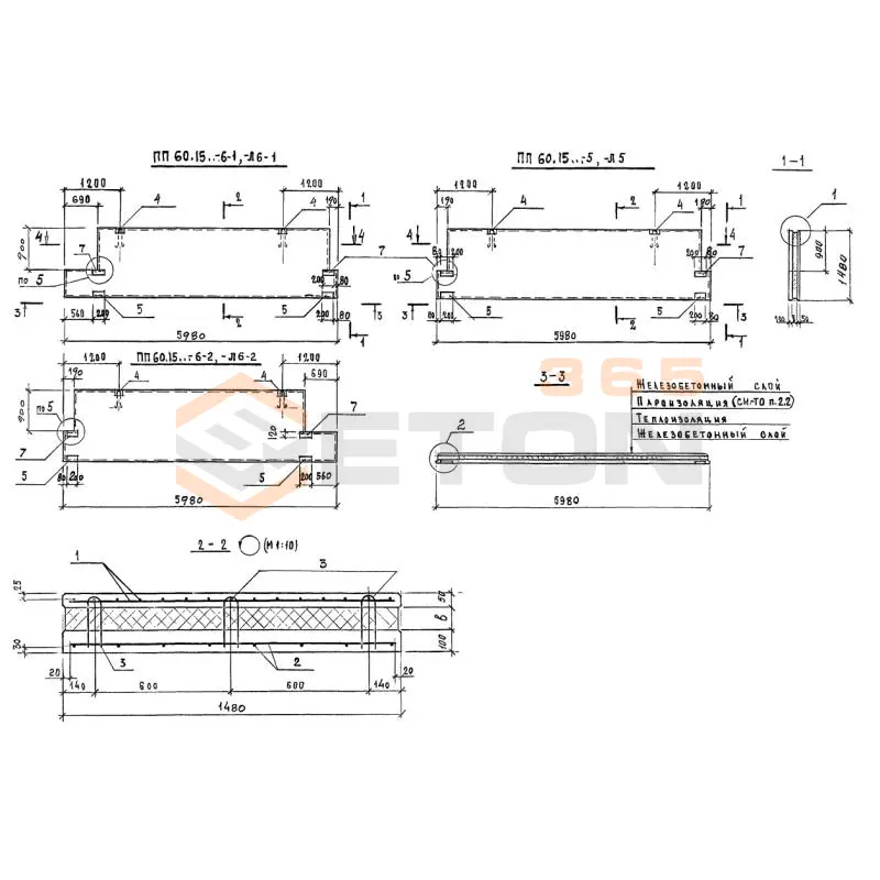
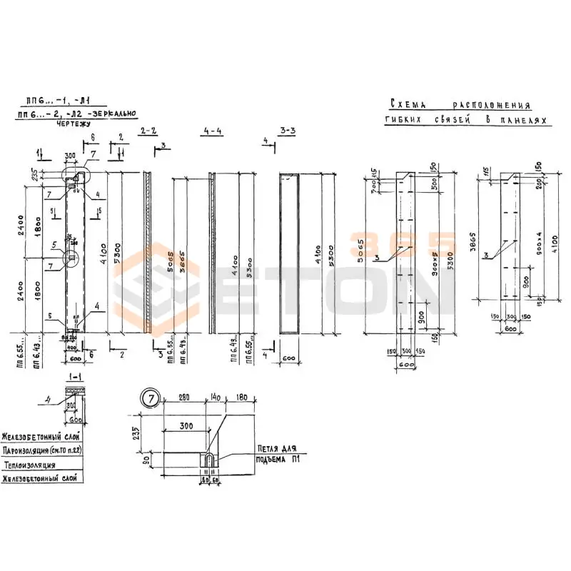
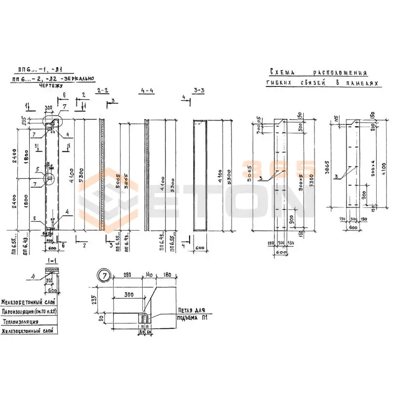
Документ Серия 1.432.1-33.93 описывает область применения, номенклатуру и ключевые требования, опираясь на действующие нормы и практику проектирования. Серия 1.432.1-33.93 разбита на пять блоков - выпусков, каждый из которых посвящен определенной части организации производственного процесса по изготовлению стеновых панелей и перегородок. Регламент определяет и регламентирует описание стен и перегородок, которые широко используются при возведении холодильников и хранилищ. Конструкции являются трехслойными и оснащены гибкими связями, что позволяет им отличаться высокими теплотехническими характеристиками.

Файлы для скачивания:
picture_as_pdf

6031.pdf

3,683.2 KB

скачать
picture_as_pdf

6032.pdf

2,852.8 KB

скачать
picture_as_pdf

6033.pdf

3,616.6 KB

скачать
picture_as_pdf

6034.pdf

2,425.6 KB

скачать
picture_as_pdf

6035.pdf

3,099.2 KB

скачать
Товары Серия 1.432.1-33.93 (60)
ПП 6-41-3,5-2 (1.432.1-33.93)
Панели перегородок Серия 1.432.1-33.93
  • Длина 600 мм.
  • Ширина 350 мм.
  • Высота 4100 мм.
  • Вес 925 кг.
  • Объем бетона 0,37 м3
  • Геометрический объем 0,861 м3
Цена: 12562 руб.
Подробнее
ПП 6-41-3,5 л-1 (1.432.1-33.93)
Панели перегородок Серия 1.432.1-33.93
  • Длина 600 мм.
  • Ширина 350 мм.
  • Высота 4100 мм.
  • Вес 592 кг.
  • Объем бетона 0,37 м3
  • Геометрический объем 0,861 м3
Цена: 12562 руб.
Подробнее
ПП 6-41-4,5 л-2 (1.432.1-33.93)
Панели перегородок Серия 1.432.1-33.93
  • Длина 600 мм.
  • Ширина 450 мм.
  • Высота 4100 мм.
  • Вес 592 кг.
  • Объем бетона 0,37 м3
  • Геометрический объем 1,107 м3
Цена: 12562 руб.
Подробнее
ПП 6-41-3,5-1 (1.432.1-33.93)
Панели перегородок Серия 1.432.1-33.93
  • Длина 600 мм.
  • Ширина 350 мм.
  • Высота 4100 мм.
  • Вес 925 кг.
  • Объем бетона 0,37 м3
  • Геометрический объем 0,861 м3
Цена: 12562 руб.
Подробнее
ПП 6-41-3,5 л-2 (1.432.1-33.93)
Панели перегородок Серия 1.432.1-33.93
  • Длина 600 мм.
  • Ширина 350 мм.
  • Высота 4100 мм.
  • Вес 592 кг.
  • Объем бетона 0,37 м3
  • Геометрический объем 0,861 м3
Цена: 12562 руб.
Подробнее
ПП 6-41-4,5 л-1 (1.432.1-33.93)
Панели перегородок Серия 1.432.1-33.93
  • Длина 600 мм.
  • Ширина 450 мм.
  • Высота 4100 мм.
  • Вес 592 кг.
  • Объем бетона 0,37 м3
  • Геометрический объем 1,107 м3
Цена: 12562 руб.
Подробнее
ПП 6-41-4,5-1 (1.432.1-33.93)
Панели перегородок Серия 1.432.1-33.93
  • Длина 600 мм.
  • Ширина 450 мм.
  • Высота 4100 мм.
  • Вес 925 кг.
  • Объем бетона 0,37 м3
  • Геометрический объем 1,107 м3
Цена: 12562 руб.
Подробнее
ПП 6-41-4,5-2 (1.432.1-33.93)
Панели перегородок Серия 1.432.1-33.93
  • Длина 600 мм.
  • Ширина 450 мм.
  • Высота 4100 мм.
  • Вес 925 кг.
  • Объем бетона 0,37 м3
  • Геометрический объем 1,107 м3
Цена: 12562 руб.
Подробнее
ПП 6-53-2,5 л-1 (1.432.1-33.93)
Панели перегородок Серия 1.432.1-33.93
  • Длина 600 мм.
  • Ширина 250 мм.
  • Высота 5300 мм.
  • Вес 752 кг.
  • Объем бетона 0,47 м3
  • Геометрический объем 0,795 м3
Цена: 15957 руб.
Подробнее
ПП 6-53-3,5 л-2 (1.432.1-33.93)
Панели перегородок Серия 1.432.1-33.93
  • Длина 600 мм.
  • Ширина 350 мм.
  • Высота 5300 мм.
  • Вес 752 кг.
  • Объем бетона 0,47 м3
  • Геометрический объем 1,113 м3
Цена: 15957 руб.
Подробнее
ПП 6-53-2,5-2 (1.432.1-33.93)
Панели перегородок Серия 1.432.1-33.93
  • Длина 600 мм.
  • Ширина 250 мм.
  • Высота 5300 мм.
  • Вес 1175 кг.
  • Объем бетона 0,47 м3
  • Геометрический объем 0,795 м3
Цена: 15957 руб.
Подробнее
ПП 6-53-2,5 л-2 (1.432.1-33.93)
Панели перегородок Серия 1.432.1-33.93
  • Длина 600 мм.
  • Ширина 250 мм.
  • Высота 5300 мм.
  • Вес 752 кг.
  • Объем бетона 0,47 м3
  • Геометрический объем 0,795 м3
Цена: 15957 руб.
Подробнее
ПП 6-53-2,5-1 (1.432.1-33.93)
Панели перегородок Серия 1.432.1-33.93
  • Длина 600 мм.
  • Ширина 250 мм.
  • Высота 5300 мм.
  • Вес 1175 кг.
  • Объем бетона 0,47 м3
  • Геометрический объем 0,795 м3
Цена: 15957 руб.
Подробнее
ПП 6-53-3,5 л-1 (1.432.1-33.93)
Панели перегородок Серия 1.432.1-33.93
  • Длина 600 мм.
  • Ширина 350 мм.
  • Высота 5300 мм.
  • Вес 752 кг.
  • Объем бетона 0,47 м3
  • Геометрический объем 1,113 м3
Цена: 15957 руб.
Подробнее
ПП 6-53-3,5-1 (1.432.1-33.93)
Панели перегородок Серия 1.432.1-33.93
  • Длина 600 мм.
  • Ширина 350 мм.
  • Высота 5300 мм.
  • Вес 1175 кг.
  • Объем бетона 0,47 м3
  • Геометрический объем 1,113 м3
Цена: 15957 руб.
Подробнее
ПП 6-53-3,5-2 (1.432.1-33.93)
Панели перегородок Серия 1.432.1-33.93
  • Длина 600 мм.
  • Ширина 350 мм.
  • Высота 5300 мм.
  • Вес 1175 кг.
  • Объем бетона 0,47 м3
  • Геометрический объем 1,113 м3
Цена: 15957 руб.
Подробнее
ПП 6-53-4,5 л-2 (1.432.1-33.93)
Панели перегородок Серия 1.432.1-33.93
  • Длина 600 мм.
  • Ширина 450 мм.
  • Высота 5300 мм.
  • Вес 752 кг.
  • Объем бетона 0,47 м3
  • Геометрический объем 1,431 м3
Цена: 15957 руб.
Подробнее
ПП 6-53-4,5-2 (1.432.1-33.93)
Панели перегородок Серия 1.432.1-33.93
  • Длина 600 мм.
  • Ширина 450 мм.
  • Высота 5300 мм.
  • Вес 1175 кг.
  • Объем бетона 0,47 м3
  • Геометрический объем 1,431 м3
Цена: 15957 руб.
Подробнее
ПП 6-53-4,5-1 (1.432.1-33.93)
Панели перегородок Серия 1.432.1-33.93
  • Длина 600 мм.
  • Ширина 450 мм.
  • Высота 5300 мм.
  • Вес 1175 кг.
  • Объем бетона 0,47 м3
  • Геометрический объем 1,431 м3
Цена: 15957 руб.
Подробнее
ПП 6-53-4,5 л-1 (1.432.1-33.93)
Панели перегородок Серия 1.432.1-33.93
  • Длина 600 мм.
  • Ширина 450 мм.
  • Высота 5300 мм.
  • Вес 752 кг.
  • Объем бетона 0,47 м3
  • Геометрический объем 1,431 м3
Цена: 15957 руб.
Подробнее
ПП 60-12-2,5 л-1 (1.432.1-33.93)
Панели перегородок Серия 1.432.1-33.93
  • Длина 5980 мм.
  • Ширина 250 мм.
  • Высота 1180 мм.
  • Вес 1696 кг.
  • Объем бетона 1,06 м3
  • Геометрический объем 1,7641 м3
Цена: 35987 руб.
Подробнее
ПП 60-12-2,5 л-2-2 (1.432.1-33.93)
Панели перегородок Серия 1.432.1-33.93
  • Длина 5980 мм.
  • Ширина 250 мм.
  • Высота 1180 мм.
  • Вес 1696 кг.
  • Объем бетона 1,06 м3
  • Геометрический объем 1,7641 м3
Цена: 35987 руб.
Подробнее
ПП 60-12-2,5 л-2-1 (1.432.1-33.93)
Панели перегородок Серия 1.432.1-33.93
  • Длина 5980 мм.
  • Ширина 250 мм.
  • Высота 1180 мм.
  • Вес 1696 кг.
  • Объем бетона 1,06 м3
  • Геометрический объем 1,7641 м3
Цена: 35987 руб.
Подробнее
ПП 60-12-2,5 л-3 (1.432.1-33.93)
Панели перегородок Серия 1.432.1-33.93
  • Длина 5980 мм.
  • Ширина 250 мм.
  • Высота 1180 мм.
  • Вес 1696 кг.
  • Объем бетона 1,06 м3
  • Геометрический объем 1,7641 м3
Цена: 35987 руб.
Подробнее
ПП 60-12-2,5 л-4 (1.432.1-33.93)
Панели перегородок Серия 1.432.1-33.93
  • Длина 5980 мм.
  • Ширина 250 мм.
  • Высота 1180 мм.
  • Вес 1696 кг.
  • Объем бетона 1,06 м3
  • Геометрический объем 1,7641 м3
Цена: 35987 руб.
Подробнее
ПП 60-12-2,5-1 (1.432.1-33.93)
Панели перегородок Серия 1.432.1-33.93
  • Длина 5980 мм.
  • Ширина 250 мм.
  • Высота 1180 мм.
  • Вес 2650 кг.
  • Объем бетона 1,06 м3
  • Геометрический объем 1,7641 м3
Цена: 35987 руб.
Подробнее
ПП 60-12-2,5-2-1 (1.432.1-33.93)
Панели перегородок Серия 1.432.1-33.93
  • Длина 5980 мм.
  • Ширина 250 мм.
  • Высота 1180 мм.
  • Вес 2650 кг.
  • Объем бетона 1,06 м3
  • Геометрический объем 1,7641 м3
Цена: 35987 руб.
Подробнее
ПП 60-12-2,5-2-2 (1.432.1-33.93)
Панели перегородок Серия 1.432.1-33.93
  • Длина 5980 мм.
  • Ширина 250 мм.
  • Высота 1180 мм.
  • Вес 2650 кг.
  • Объем бетона 1,06 м3
  • Геометрический объем 1,7641 м3
Цена: 35987 руб.
Подробнее
ПП 60-12-2,5-4 (1.432.1-33.93)
Панели перегородок Серия 1.432.1-33.93
  • Длина 5980 мм.
  • Ширина 250 мм.
  • Высота 1180 мм.
  • Вес 2650 кг.
  • Объем бетона 1,06 м3
  • Геометрический объем 1,7641 м3
Цена: 35987 руб.
Подробнее
ПП 60-12-2,5-3 (1.432.1-33.93)
Панели перегородок Серия 1.432.1-33.93
  • Длина 5980 мм.
  • Ширина 250 мм.
  • Высота 1180 мм.
  • Вес 2650 кг.
  • Объем бетона 1,06 м3
  • Геометрический объем 1,7641 м3
Цена: 35987 руб.
Подробнее
ПП 60-12-3,5 л-1 (1.432.1-33.93)
Панели перегородок Серия 1.432.1-33.93
  • Длина 5980 мм.
  • Ширина 350 мм.
  • Высота 1180 мм.
  • Вес 1696 кг.
  • Объем бетона 1,06 м3
  • Геометрический объем 2,4697 м3
Цена: 35987 руб.
Подробнее
ПП 60-12-3,5 л-2-1 (1.432.1-33.93)
Панели перегородок Серия 1.432.1-33.93
  • Длина 5980 мм.
  • Ширина 350 мм.
  • Высота 1180 мм.
  • Вес 1696 кг.
  • Объем бетона 1,06 м3
  • Геометрический объем 2,4697 м3
Цена: 35987 руб.
Подробнее
ПП 60-12-3,5 л-2-2 (1.432.1-33.93)
Панели перегородок Серия 1.432.1-33.93
  • Длина 5980 мм.
  • Ширина 350 мм.
  • Высота 1180 мм.
  • Вес 1696 кг.
  • Объем бетона 1,06 м3
  • Геометрический объем 2,4697 м3
Цена: 35987 руб.
Подробнее
ПП 60-12-3,5 л-3 (1.432.1-33.93)
Панели перегородок Серия 1.432.1-33.93
  • Длина 5980 мм.
  • Ширина 350 мм.
  • Высота 1180 мм.
  • Вес 1696 кг.
  • Объем бетона 1,06 м3
  • Геометрический объем 2,4697 м3
Цена: 35987 руб.
Подробнее
ПП 60-12-3,5 л-4 (1.432.1-33.93)
Панели перегородок Серия 1.432.1-33.93
  • Длина 5980 мм.
  • Ширина 350 мм.
  • Высота 1180 мм.
  • Вес 1696 кг.
  • Объем бетона 1,06 м3
  • Геометрический объем 2,4697 м3
Цена: 35987 руб.
Подробнее
ПП 60-12-3,5-2-2 (1.432.1-33.93)
Панели перегородок Серия 1.432.1-33.93
  • Длина 5980 мм.
  • Ширина 350 мм.
  • Высота 1180 мм.
  • Вес 2650 кг.
  • Объем бетона 1,06 м3
  • Геометрический объем 2,4697 м3
Цена: 35987 руб.
Подробнее
ПП 60-12-3,5-2-1 (1.432.1-33.93)
Панели перегородок Серия 1.432.1-33.93
  • Длина 5980 мм.
  • Ширина 350 мм.
  • Высота 1180 мм.
  • Вес 2650 кг.
  • Объем бетона 1,06 м3
  • Геометрический объем 2,4697 м3
Цена: 35987 руб.
Подробнее
ПП 60-12-3,5-1 (1.432.1-33.93)
Панели перегородок Серия 1.432.1-33.93
  • Длина 5980 мм.
  • Ширина 350 мм.
  • Высота 1180 мм.
  • Вес 2650 кг.
  • Объем бетона 1,06 м3
  • Геометрический объем 2,4697 м3
Цена: 35987 руб.
Подробнее
ПП 60-12-3,5-3 (1.432.1-33.93)
Панели перегородок Серия 1.432.1-33.93
  • Длина 5980 мм.
  • Ширина 350 мм.
  • Высота 1180 мм.
  • Вес 2650 кг.
  • Объем бетона 1,06 м3
  • Геометрический объем 2,4697 м3
Цена: 35987 руб.
Подробнее
ПП 60-12-4,5 л-2-1 (1.432.1-33.93)
Панели перегородок Серия 1.432.1-33.93
  • Длина 5980 мм.
  • Ширина 450 мм.
  • Высота 1180 мм.
  • Вес 1696 кг.
  • Объем бетона 1,06 м3
  • Геометрический объем 3,1754 м3
Цена: 35987 руб.
Подробнее
ПП 60-12-4,5 л-1 (1.432.1-33.93)
Панели перегородок Серия 1.432.1-33.93
  • Длина 5980 мм.
  • Ширина 450 мм.
  • Высота 1180 мм.
  • Вес 1696 кг.
  • Объем бетона 1,06 м3
  • Геометрический объем 3,1754 м3
Цена: 35987 руб.
Подробнее
ПП 60-12-3,5-4 (1.432.1-33.93)
Панели перегородок Серия 1.432.1-33.93
  • Длина 5980 мм.
  • Ширина 350 мм.
  • Высота 1180 мм.
  • Вес 2650 кг.
  • Объем бетона 1,06 м3
  • Геометрический объем 2,4697 м3
Цена: 35987 руб.
Подробнее
ПП 60-12-4,5 л-3 (1.432.1-33.93)
Панели перегородок Серия 1.432.1-33.93
  • Длина 5980 мм.
  • Ширина 450 мм.
  • Высота 1180 мм.
  • Вес 1696 кг.
  • Объем бетона 1,06 м3
  • Геометрический объем 3,1754 м3
Цена: 35987 руб.
Подробнее
ПП 60-12-4,5-1 (1.432.1-33.93)
Панели перегородок Серия 1.432.1-33.93
  • Длина 5980 мм.
  • Ширина 450 мм.
  • Высота 1180 мм.
  • Вес 2650 кг.
  • Объем бетона 1,06 м3
  • Геометрический объем 3,1754 м3
Цена: 35987 руб.
Подробнее
ПП 60-12-4,5 л-2-2 (1.432.1-33.93)
Панели перегородок Серия 1.432.1-33.93
  • Длина 5980 мм.
  • Ширина 450 мм.
  • Высота 1180 мм.
  • Вес 1696 кг.
  • Объем бетона 1,06 м3
  • Геометрический объем 3,1754 м3
Цена: 35987 руб.
Подробнее
ПП 60-12-4,5 л-4 (1.432.1-33.93)
Панели перегородок Серия 1.432.1-33.93
  • Длина 5980 мм.
  • Ширина 450 мм.
  • Высота 1180 мм.
  • Вес 1696 кг.
  • Объем бетона 1,06 м3
  • Геометрический объем 3,1754 м3
Цена: 35987 руб.
Подробнее
ПП 60-12-4,5-2-2 (1.432.1-33.93)
Панели перегородок Серия 1.432.1-33.93
  • Длина 5980 мм.
  • Ширина 450 мм.
  • Высота 1180 мм.
  • Вес 2650 кг.
  • Объем бетона 1,06 м3
  • Геометрический объем 3,1754 м3
Цена: 35987 руб.
Подробнее
ПП 60-12-4,5-2-1 (1.432.1-33.93)
Панели перегородок Серия 1.432.1-33.93
  • Длина 5980 мм.
  • Ширина 450 мм.
  • Высота 1180 мм.
  • Вес 2650 кг.
  • Объем бетона 1,06 м3
  • Геометрический объем 3,1754 м3
Цена: 35987 руб.
Подробнее
ПП 60-12-4,5-3 (1.432.1-33.93)
Панели перегородок Серия 1.432.1-33.93
  • Длина 5980 мм.
  • Ширина 450 мм.
  • Высота 1180 мм.
  • Вес 2650 кг.
  • Объем бетона 1,06 м3
  • Геометрический объем 3,1754 м3
Цена: 35987 руб.
Подробнее
ПП 60-12-4,5-4 (1.432.1-33.93)
Панели перегородок Серия 1.432.1-33.93
  • Длина 5980 мм.
  • Ширина 450 мм.
  • Высота 1180 мм.
  • Вес 2650 кг.
  • Объем бетона 1,06 м3
  • Геометрический объем 3,1754 м3
Цена: 35987 руб.
Подробнее
ПП 60-15-2,5 л-2-1 (1.432.1-33.93)
Панели перегородок Серия 1.432.1-33.93
  • Длина 5980 мм.
  • Ширина 250 мм.
  • Высота 1480 мм.
  • Вес 2128 кг.
  • Объем бетона 1,33 м3
  • Геометрический объем 2,2126 м3
Цена: 45154 руб.
Подробнее
ПП 60-15-2,5 л-1 (1.432.1-33.93)
Панели перегородок Серия 1.432.1-33.93
  • Длина 5980 мм.
  • Ширина 250 мм.
  • Высота 1480 мм.
  • Вес 2128 кг.
  • Объем бетона 1,33 м3
  • Геометрический объем 2,2126 м3
Цена: 45154 руб.
Подробнее
ПП 60-15-2,5 л-2-2 (1.432.1-33.93)
Панели перегородок Серия 1.432.1-33.93
  • Длина 5980 мм.
  • Ширина 250 мм.
  • Высота 1480 мм.
  • Вес 2128 кг.
  • Объем бетона 1,33 м3
  • Геометрический объем 2,2126 м3
Цена: 45154 руб.
Подробнее
ПП 60-15-2,5 л-3 (1.432.1-33.93)
Панели перегородок Серия 1.432.1-33.93
  • Длина 5980 мм.
  • Ширина 250 мм.
  • Высота 1480 мм.
  • Вес 2128 кг.
  • Объем бетона 1,33 м3
  • Геометрический объем 2,2126 м3
Цена: 45154 руб.
Подробнее
ПП 60-15-2,5 л-4 (1.432.1-33.93)
Панели перегородок Серия 1.432.1-33.93
  • Длина 5980 мм.
  • Ширина 250 мм.
  • Высота 1480 мм.
  • Вес 2128 кг.
  • Объем бетона 1,33 м3
  • Геометрический объем 2,2126 м3
Цена: 45154 руб.
Подробнее
ПП 60-15-2,5-1 (1.432.1-33.93)
Панели перегородок Серия 1.432.1-33.93
  • Длина 5980 мм.
  • Ширина 250 мм.
  • Высота 1480 мм.
  • Вес 3325 кг.
  • Объем бетона 1,33 м3
  • Геометрический объем 2,2126 м3
Цена: 45154 руб.
Подробнее
ПП 60-15-2,5-2-1 (1.432.1-33.93)
Панели перегородок Серия 1.432.1-33.93
  • Длина 5980 мм.
  • Ширина 250 мм.
  • Высота 1480 мм.
  • Вес 3325 кг.
  • Объем бетона 1,33 м3
  • Геометрический объем 2,2126 м3
Цена: 45154 руб.
Подробнее
ПП 60-15-2,5-2-2 (1.432.1-33.93)
Панели перегородок Серия 1.432.1-33.93
  • Длина 5980 мм.
  • Ширина 250 мм.
  • Высота 1480 мм.
  • Вес 3325 кг.
  • Объем бетона 1,33 м3
  • Геометрический объем 2,2126 м3
Цена: 45154 руб.
Подробнее
ПП 60-15-2,5-4 (1.432.1-33.93)
Панели перегородок Серия 1.432.1-33.93
  • Длина 5980 мм.
  • Ширина 250 мм.
  • Высота 1480 мм.
  • Вес 3325 кг.
  • Объем бетона 1,33 м3
  • Геометрический объем 2,2126 м3
Цена: 45154 руб.
Подробнее
ПП 60-15-2,5-3 (1.432.1-33.93)
Панели перегородок Серия 1.432.1-33.93
  • Длина 5980 мм.
  • Ширина 250 мм.
  • Высота 1480 мм.
  • Вес 3325 кг.
  • Объем бетона 1,33 м3
  • Геометрический объем 2,2126 м3
Цена: 45154 руб.
Подробнее

Уведомление о файлах cookie

Мы используем файлы cookie для улучшения вашего опыта просмотра и анализа трафика. Нажимая "Принять все", вы соглашаетесь с нашей политикой конфиденциальности и политикой обработки файлов cookie.

Дзен Телеграм Вконтакте vk