mobile_sound +7 (930) 655-55-90

Типовые конструкции и железобетонные изделия. Рабочие чертежи (Серия 1.427.1-3)

Поделиться:
Поделиться:

Документ Серия 1.427.1-3 описывает область применения, номенклатуру и ключевые требования, опираясь на действующие нормы и практику проектирования. В девяти выпусках Серии 1.427.1-3 представлена вся необходимая для производства колонн фахверка информация. Это и материалы для проектирования, рабочие чертежи, конструкционные решения по применению, ключи подбора необходимых под нормативные требования проекта изделия и конструкции и множество других полезных сведений. Указания по сборке арматурных составляющих и варианты размещения закладных деталей позволяют добиться высокой прочности готовых элементов и обеспечить их надежную фиксацию в каркасе возводимых сооружений.

Файлы для скачивания:
picture_as_pdf

1192.pdf

8,033.5 KB

скачать
picture_as_pdf

1191.pdf

12,616.1 KB

скачать
picture_as_pdf

1195.pdf

13,890.4 KB

скачать
picture_as_pdf

1193.pdf

15,603.5 KB

скачать
picture_as_pdf

1196.pdf

28,871.6 KB

скачать
picture_as_pdf

1194.pdf

37,434.0 KB

скачать
picture_as_pdf

1197.pdf

7,486.3 KB

скачать
picture_as_pdf

1198.pdf

7,076.7 KB

скачать
picture_as_pdf

1199.pdf

17,644.8 KB

скачать
Товары Серия 1.427.1-3 (60)
3КФ 103-2
Колонны для зданий высотой 9,0; 10,2; 11,44 12,6; 13,8 м Серия 1.427.1-3
  • Длина 10300 мм.
  • Ширина 400 мм.
  • Высота 400 мм.
  • Вес 4100 кг.
  • Объем бетона 1,65 м3
  • Геометрический объем 1,648 м3
Цена: 33611 руб.
Подробнее
3КФ 103-3
Колонны для зданий высотой 9,0; 10,2; 11,44 12,6; 13,8 м Серия 1.427.1-3
  • Длина 10300 мм.
  • Ширина 400 мм.
  • Высота 400 мм.
  • Вес 4100 кг.
  • Объем бетона 1,65 м3
  • Геометрический объем 1,648 м3
Цена: 33611 руб.
Подробнее
3КФ 115-2
Колонны для зданий высотой 9,0; 10,2; 11,44 12,6; 13,8 м Серия 1.427.1-3
  • Длина 11500 мм.
  • Ширина 400 мм.
  • Высота 400 мм.
  • Вес 4600 кг.
  • Объем бетона 1,84 м3
  • Геометрический объем 1,84 м3
Цена: 37481 руб.
Подробнее
3КФ 103-4
Колонны для зданий высотой 9,0; 10,2; 11,44 12,6; 13,8 м Серия 1.427.1-3
  • Длина 10300 мм.
  • Ширина 400 мм.
  • Высота 400 мм.
  • Вес 4100 кг.
  • Объем бетона 1,65 м3
  • Геометрический объем 1,648 м3
Цена: 33611 руб.
Подробнее
3КФ 115-3
Колонны для зданий высотой 9,0; 10,2; 11,44 12,6; 13,8 м Серия 1.427.1-3
  • Длина 11500 мм.
  • Ширина 400 мм.
  • Высота 400 мм.
  • Вес 4600 кг.
  • Объем бетона 1,84 м3
  • Геометрический объем 1,84 м3
Цена: 37481 руб.
Подробнее
3КФ 115-1
Колонны для зданий высотой 9,0; 10,2; 11,44 12,6; 13,8 м Серия 1.427.1-3
  • Длина 11500 мм.
  • Ширина 400 мм.
  • Высота 400 мм.
  • Вес 4600 кг.
  • Объем бетона 1,84 м3
  • Геометрический объем 1,84 м3
Цена: 37481 руб.
Подробнее
3КФ 115-4
Колонны для зданий высотой 9,0; 10,2; 11,44 12,6; 13,8 м Серия 1.427.1-3
  • Длина 11500 мм.
  • Ширина 400 мм.
  • Высота 400 мм.
  • Вес 4600 кг.
  • Объем бетона 1,84 м3
  • Геометрический объем 1,84 м3
Цена: 37481 руб.
Подробнее
3КФ 127-3
Колонны для зданий высотой 9,0; 10,2; 11,44 12,6; 13,8 м Серия 1.427.1-3
  • Длина 12700 мм.
  • Ширина 400 мм.
  • Высота 400 мм.
  • Вес 5100 кг.
  • Объем бетона 2,03 м3
  • Геометрический объем 2,032 м3
Цена: 41351 руб.
Подробнее
3КФ 115-5
Колонны для зданий высотой 9,0; 10,2; 11,44 12,6; 13,8 м Серия 1.427.1-3
  • Длина 11500 мм.
  • Ширина 400 мм.
  • Высота 400 мм.
  • Вес 4600 кг.
  • Объем бетона 1,84 м3
  • Геометрический объем 1,84 м3
Цена: 37481 руб.
Подробнее
3КФ 127-4
Колонны для зданий высотой 9,0; 10,2; 11,44 12,6; 13,8 м Серия 1.427.1-3
  • Длина 12700 мм.
  • Ширина 400 мм.
  • Высота 400 мм.
  • Вес 5100 кг.
  • Объем бетона 2,03 м3
  • Геометрический объем 2,032 м3
Цена: 41351 руб.
Подробнее
3КФ 123-1
Колонны для зданий высотой 9,0; 10,2; 11,44 12,6; 13,8 м Серия 1.427.1-3
  • Длина 12300 мм.
  • Ширина 400 мм.
  • Высота 400 мм.
  • Вес 4900 кг.
  • Объем бетона 1,97 м3
  • Геометрический объем 1,968 м3
Цена: 40129 руб.
Подробнее
3КФ 127-1
Колонны для зданий высотой 9,0; 10,2; 11,44 12,6; 13,8 м Серия 1.427.1-3
  • Длина 12700 мм.
  • Ширина 400 мм.
  • Высота 400 мм.
  • Вес 5100 кг.
  • Объем бетона 2,03 м3
  • Геометрический объем 2,032 м3
Цена: 41351 руб.
Подробнее
3КФ 127-2
Колонны для зданий высотой 9,0; 10,2; 11,44 12,6; 13,8 м Серия 1.427.1-3
  • Длина 12700 мм.
  • Ширина 400 мм.
  • Высота 400 мм.
  • Вес 5100 кг.
  • Объем бетона 2,03 м3
  • Геометрический объем 2,032 м3
Цена: 41351 руб.
Подробнее
3КФ 127-5
Колонны для зданий высотой 9,0; 10,2; 11,44 12,6; 13,8 м Серия 1.427.1-3
  • Длина 12700 мм.
  • Ширина 400 мм.
  • Высота 400 мм.
  • Вес 5100 кг.
  • Объем бетона 2,03 м3
  • Геометрический объем 2,032 м3
Цена: 41351 руб.
Подробнее
3КФ 135-1
Колонны для зданий высотой 9,0; 10,2; 11,44 12,6; 13,8 м Серия 1.427.1-3
  • Длина 13500 мм.
  • Ширина 400 мм.
  • Высота 400 мм.
  • Вес 5400 кг.
  • Объем бетона 2,16 м3
  • Геометрический объем 2,16 м3
Цена: 43999 руб.
Подробнее
3КФ 139-1
Колонны для зданий высотой 9,0; 10,2; 11,44 12,6; 13,8 м Серия 1.427.1-3
  • Длина 13900 мм.
  • Ширина 400 мм.
  • Высота 400 мм.
  • Вес 5600 кг.
  • Объем бетона 2,22 м3
  • Геометрический объем 2,224 м3
Цена: 45221 руб.
Подробнее
3КФ 139-3
Колонны для зданий высотой 9,0; 10,2; 11,44 12,6; 13,8 м Серия 1.427.1-3
  • Длина 13900 мм.
  • Ширина 400 мм.
  • Высота 400 мм.
  • Вес 5600 кг.
  • Объем бетона 2,22 м3
  • Геометрический объем 2,224 м3
Цена: 45221 руб.
Подробнее
3КФ 139-2
Колонны для зданий высотой 9,0; 10,2; 11,44 12,6; 13,8 м Серия 1.427.1-3
  • Длина 13900 мм.
  • Ширина 400 мм.
  • Высота 400 мм.
  • Вес 5600 кг.
  • Объем бетона 2,22 м3
  • Геометрический объем 2,224 м3
Цена: 45221 руб.
Подробнее
3КФ 139-4
Колонны для зданий высотой 9,0; 10,2; 11,44 12,6; 13,8 м Серия 1.427.1-3
  • Длина 13900 мм.
  • Ширина 400 мм.
  • Высота 400 мм.
  • Вес 5600 кг.
  • Объем бетона 2,22 м3
  • Геометрический объем 2,224 м3
Цена: 45221 руб.
Подробнее
3КФ 139-5
Колонны для зданий высотой 9,0; 10,2; 11,44 12,6; 13,8 м Серия 1.427.1-3
  • Длина 13900 мм.
  • Ширина 400 мм.
  • Высота 400 мм.
  • Вес 5600 кг.
  • Объем бетона 2,22 м3
  • Геометрический объем 2,224 м3
Цена: 45221 руб.
Подробнее
3КФ 99-3
Колонны для зданий высотой 9,0; 10,2; 11,44 12,6; 13,8 м Серия 1.427.1-3
  • Длина 9900 мм.
  • Ширина 400 мм.
  • Высота 400 мм.
  • Вес 4000 кг.
  • Объем бетона 1,58 м3
  • Геометрический объем 1,584 м3
Цена: 32185 руб.
Подробнее
3КФ 147-2
Колонны для зданий высотой 9,0; 10,2; 11,44 12,6; 13,8 м Серия 1.427.1-3
  • Длина 14700 мм.
  • Ширина 400 мм.
  • Высота 400 мм.
  • Вес 5900 кг.
  • Объем бетона 2,35 м3
  • Геометрический объем 2,352 м3
Цена: 47870 руб.
Подробнее
3КФ 147-1
Колонны для зданий высотой 9,0; 10,2; 11,44 12,6; 13,8 м Серия 1.427.1-3
  • Длина 14700 мм.
  • Ширина 400 мм.
  • Высота 400 мм.
  • Вес 5900 кг.
  • Объем бетона 2,35 м3
  • Геометрический объем 2,352 м3
Цена: 47870 руб.
Подробнее
3КФ 99-1
Колонны для зданий высотой 9,0; 10,2; 11,44 12,6; 13,8 м Серия 1.427.1-3
  • Длина 9900 мм.
  • Ширина 400 мм.
  • Высота 400 мм.
  • Вес 4000 кг.
  • Объем бетона 1,58 м3
  • Геометрический объем 1,584 м3
Цена: 32185 руб.
Подробнее
3КФ 99-2
Колонны для зданий высотой 9,0; 10,2; 11,44 12,6; 13,8 м Серия 1.427.1-3
  • Длина 9900 мм.
  • Ширина 400 мм.
  • Высота 400 мм.
  • Вес 4000 кг.
  • Объем бетона 1,58 м3
  • Геометрический объем 1,584 м3
Цена: 32185 руб.
Подробнее
3КФ 99-4
Колонны для зданий высотой 9,0; 10,2; 11,44 12,6; 13,8 м Серия 1.427.1-3
  • Длина 9900 мм.
  • Ширина 400 мм.
  • Высота 400 мм.
  • Вес 4000 кг.
  • Объем бетона 1,58 м3
  • Геометрический объем 1,584 м3
Цена: 32185 руб.
Подробнее
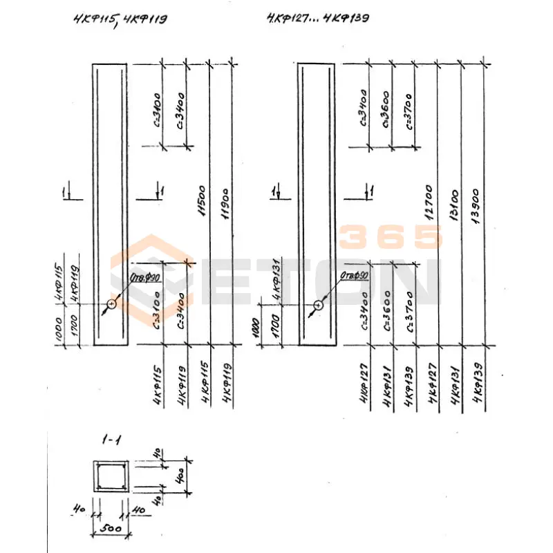
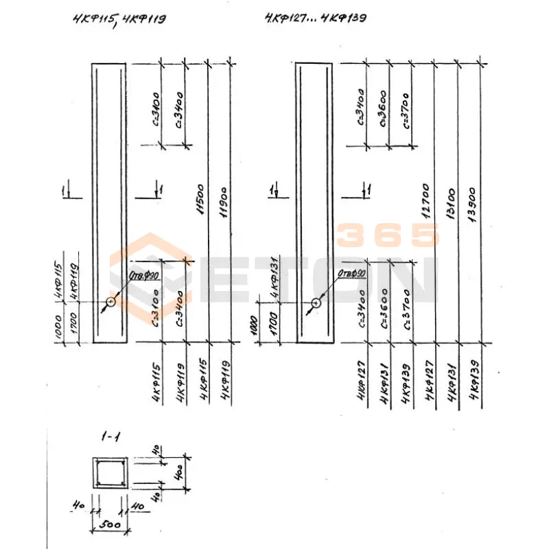
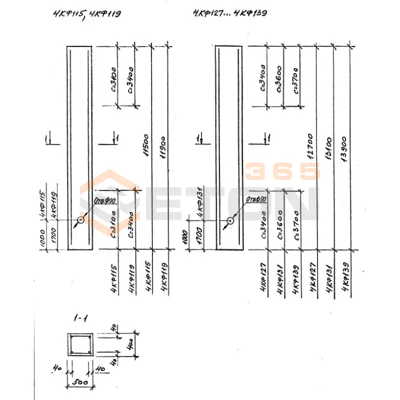
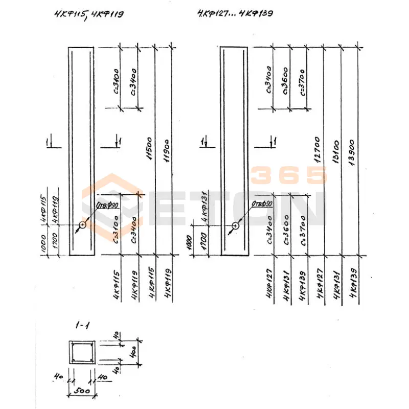
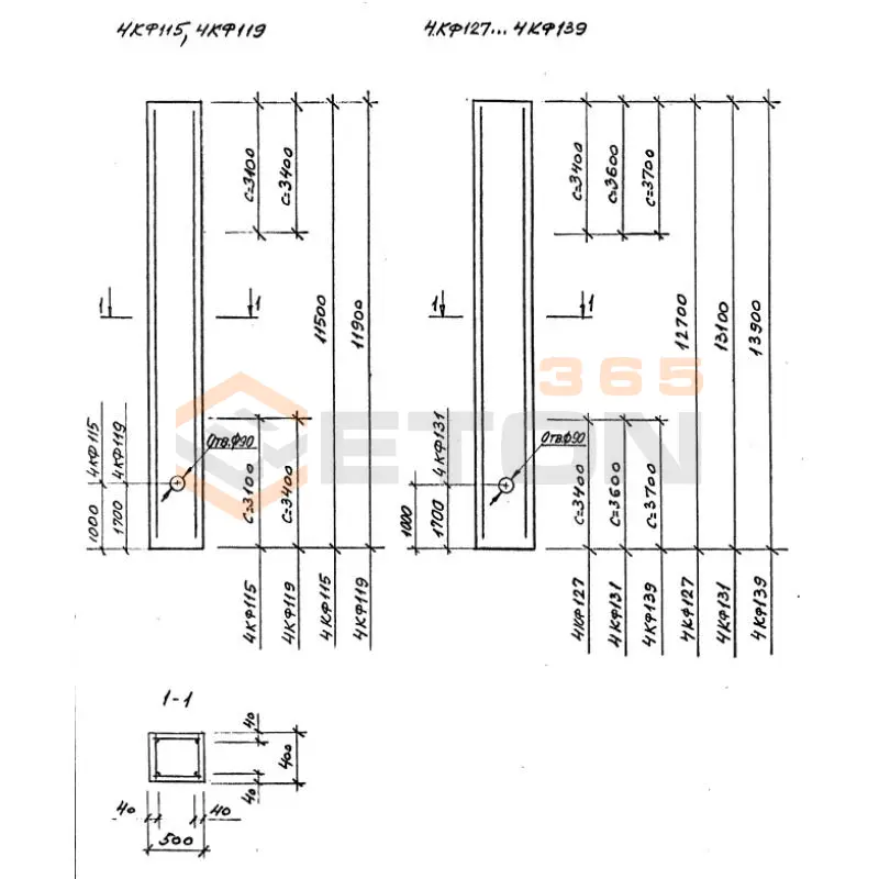
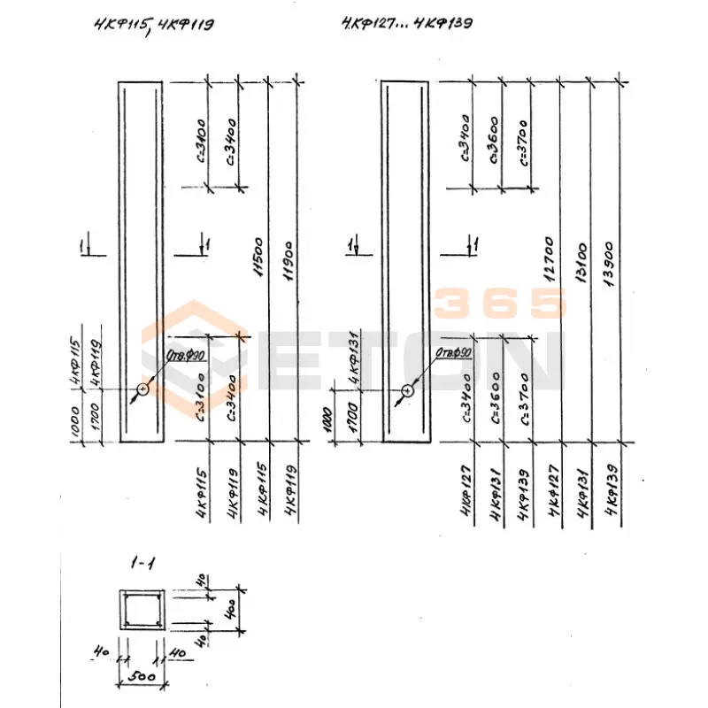
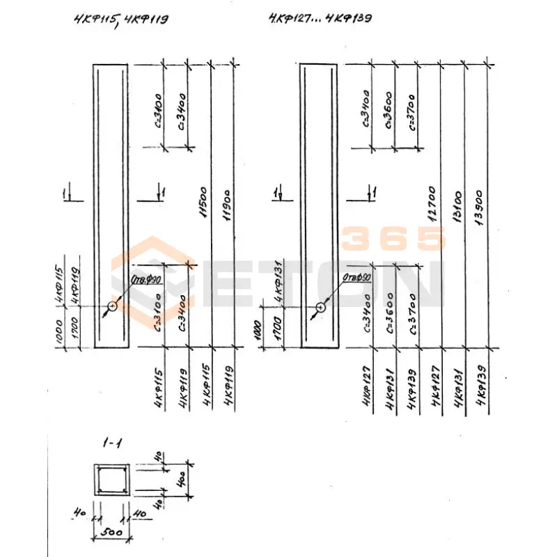
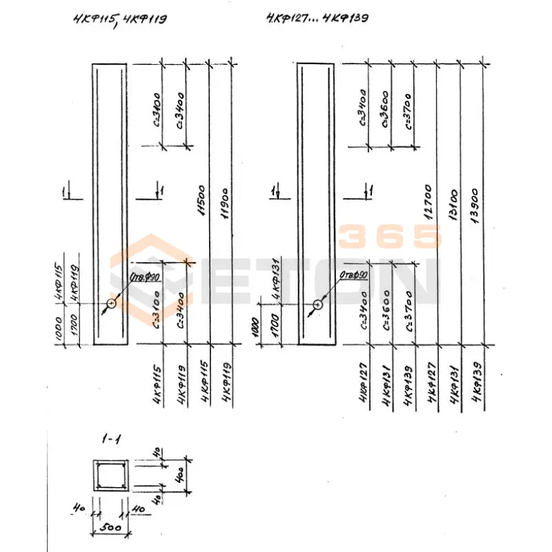
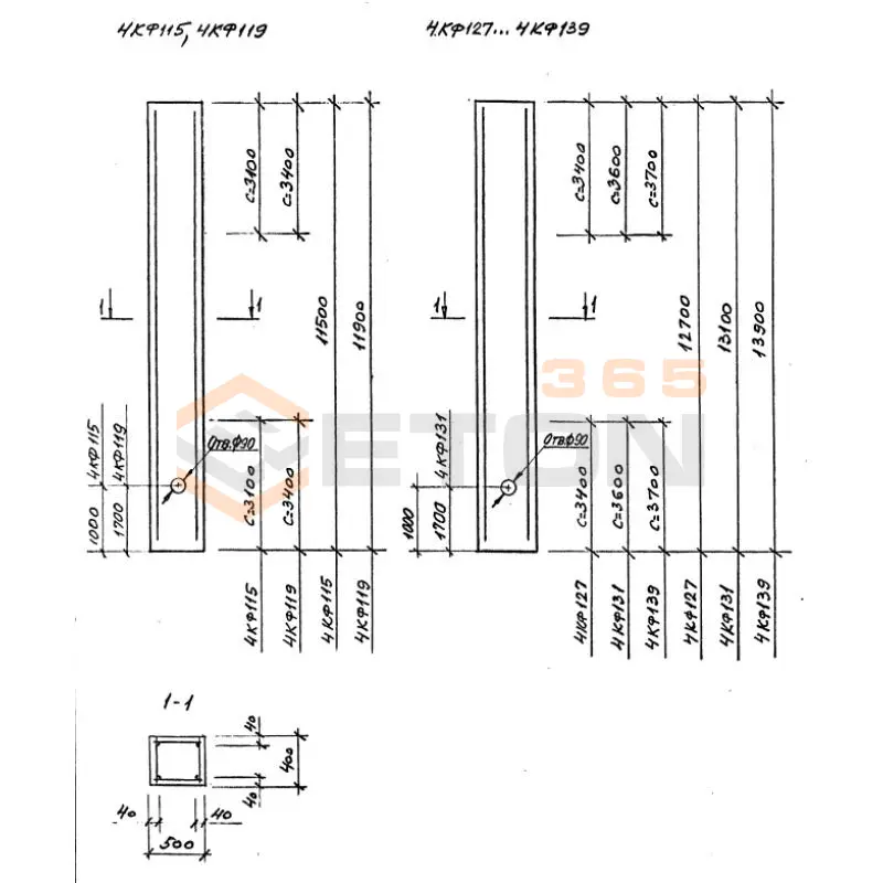
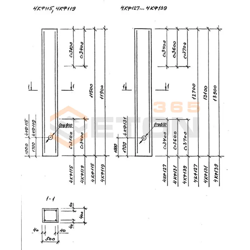
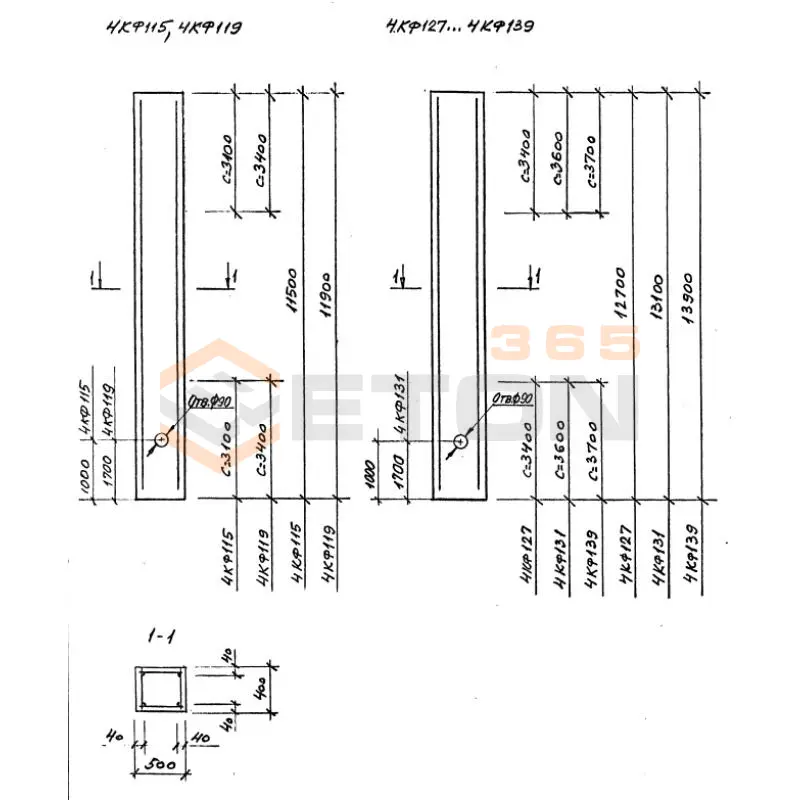
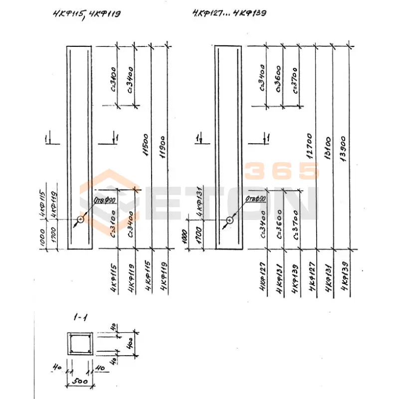
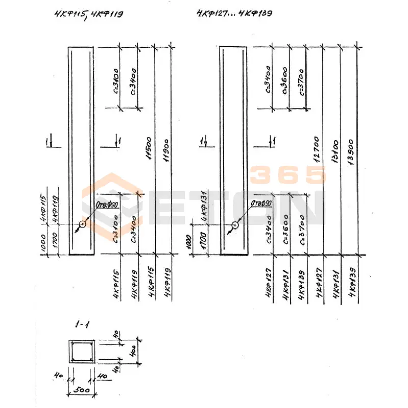
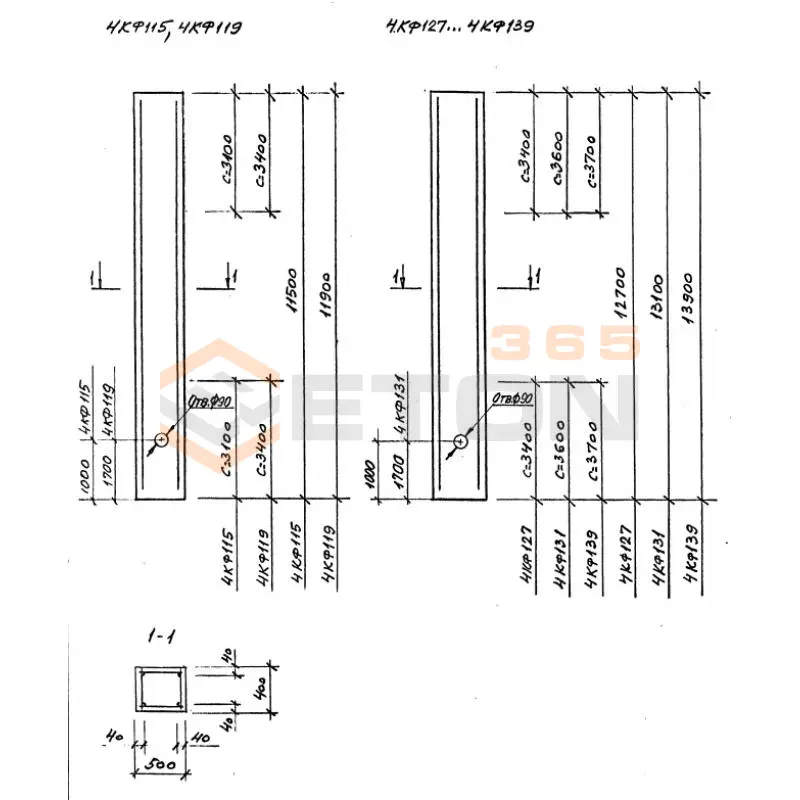
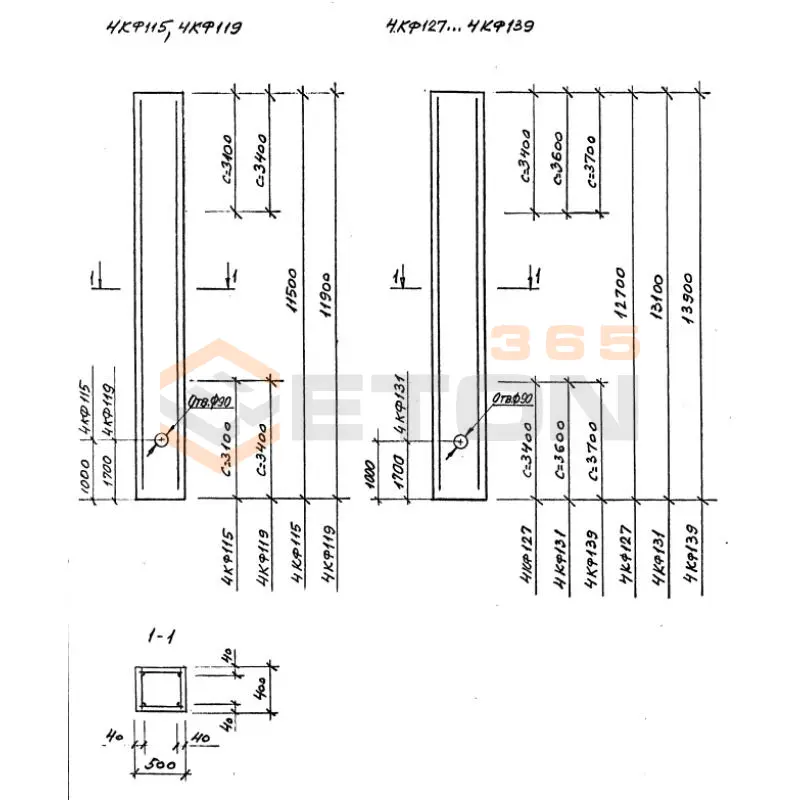
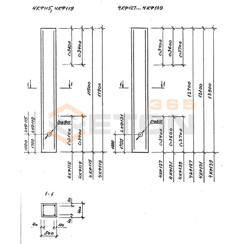
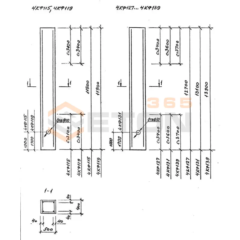
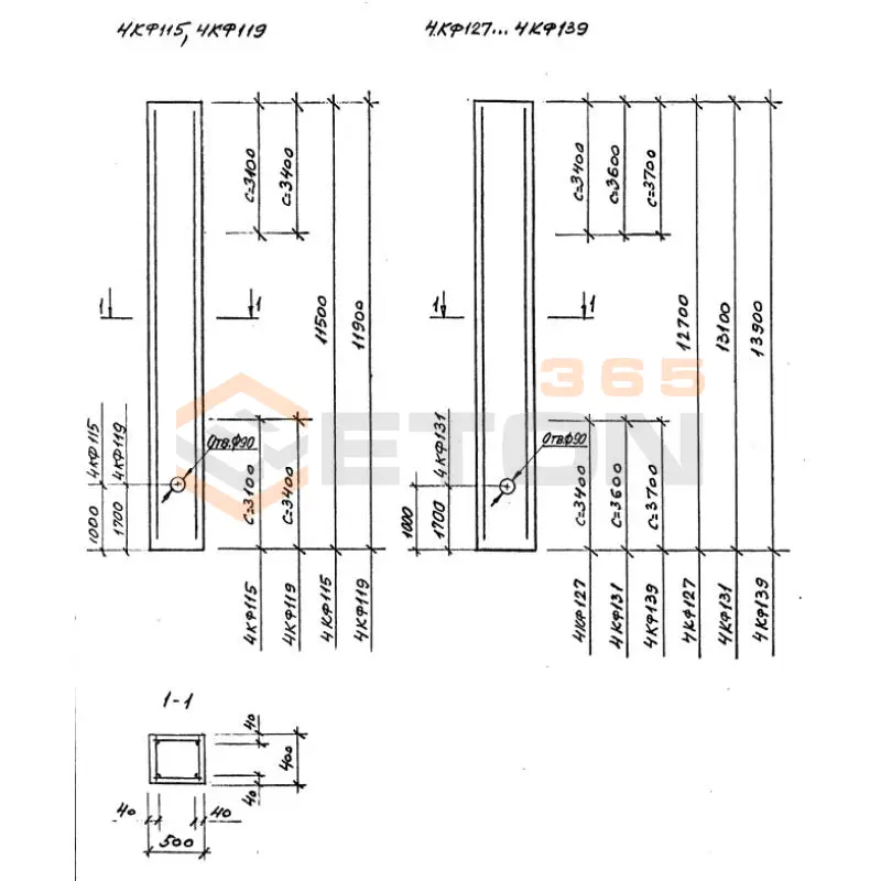
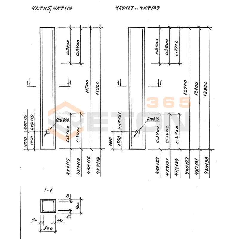
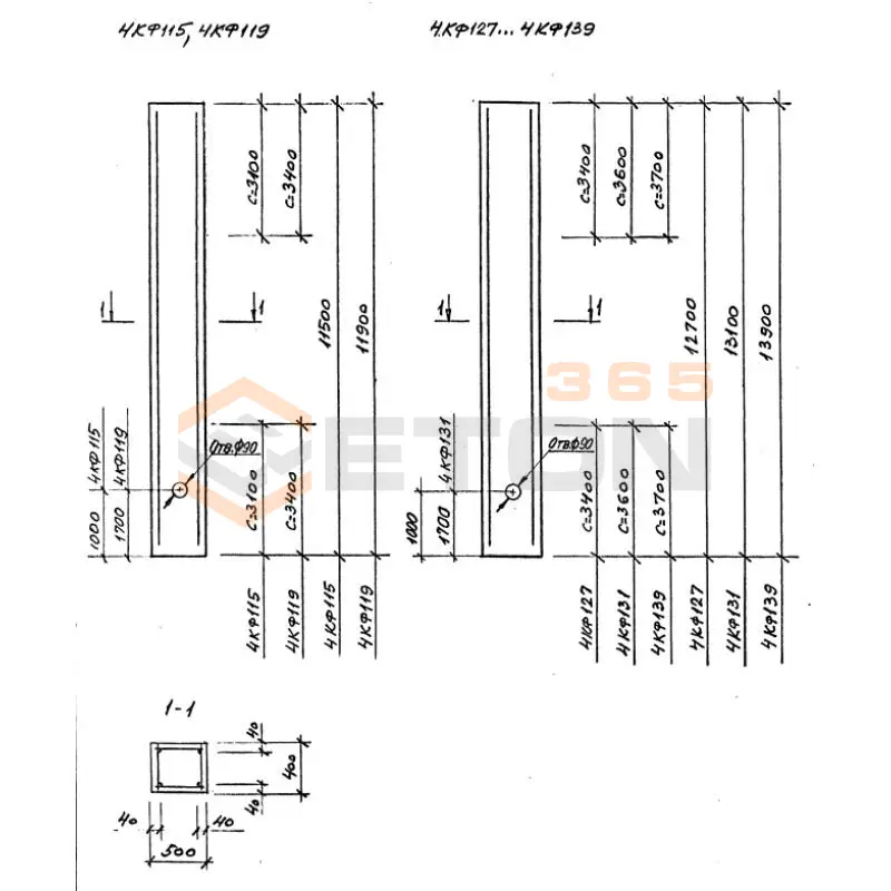
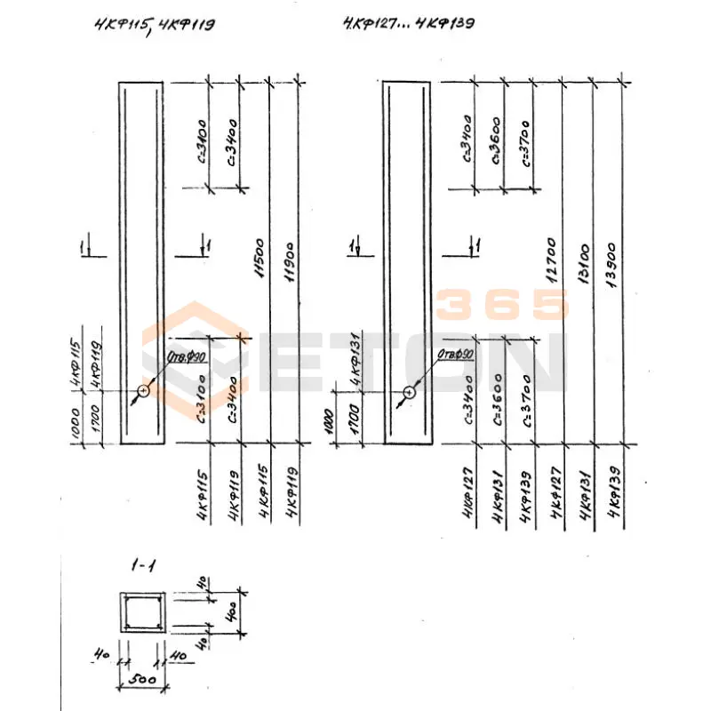
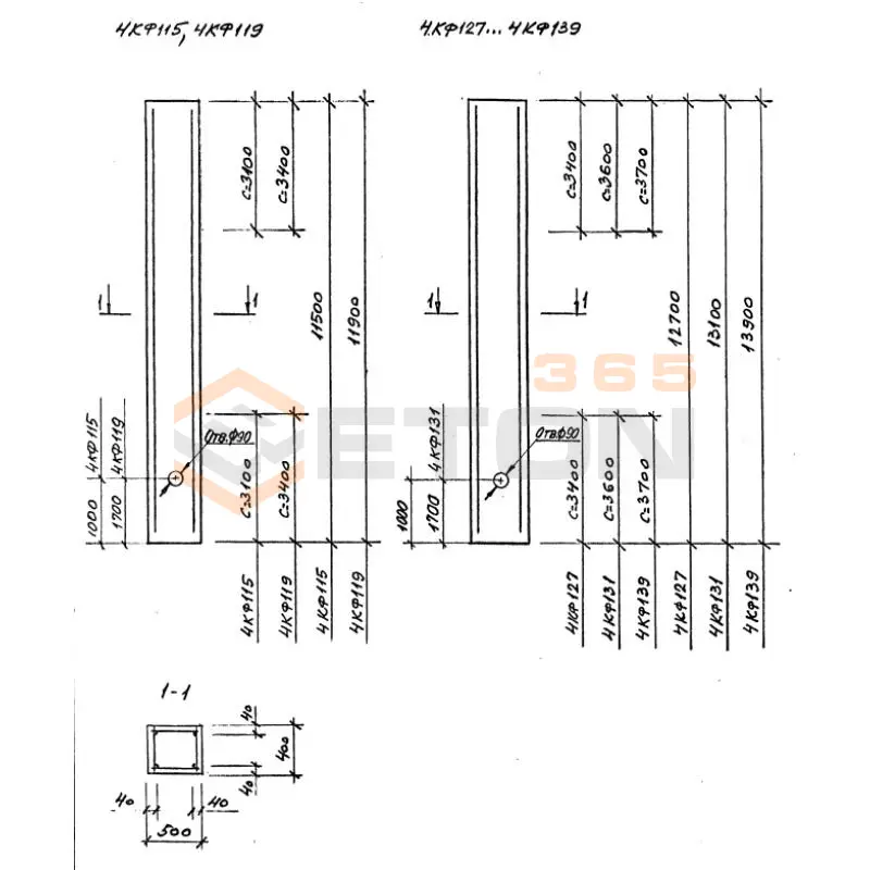
4КФ 115-1
Колонны для зданий высотой 9,0; 10,2; 11,44 12,6; 13,8 м Серия 1.427.1-3
  • Длина 11500 мм.
  • Ширина 500 мм.
  • Высота 400 мм.
  • Вес 5800 кг.
  • Объем бетона 2,3 м3
  • Геометрический объем 2,3 м3
Цена: 46851 руб.
Подробнее
4КФ 115-2
Колонны для зданий высотой 9,0; 10,2; 11,44 12,6; 13,8 м Серия 1.427.1-3
  • Длина 11500 мм.
  • Ширина 500 мм.
  • Высота 400 мм.
  • Вес 5800 кг.
  • Объем бетона 2,3 м3
  • Геометрический объем 2,3 м3
Цена: 46851 руб.
Подробнее
4КФ 119-1
Колонны для зданий высотой 9,0; 10,2; 11,44 12,6; 13,8 м Серия 1.427.1-3
  • Длина 11900 мм.
  • Ширина 500 мм.
  • Высота 400 мм.
  • Вес 6000 кг.
  • Объем бетона 2,38 м3
  • Геометрический объем 2,38 м3
Цена: 48481 руб.
Подробнее
4КФ 115-3
Колонны для зданий высотой 9,0; 10,2; 11,44 12,6; 13,8 м Серия 1.427.1-3
  • Длина 11500 мм.
  • Ширина 500 мм.
  • Высота 400 мм.
  • Вес 5800 кг.
  • Объем бетона 2,3 м3
  • Геометрический объем 2,3 м3
Цена: 46851 руб.
Подробнее
4КФ 115-4
Колонны для зданий высотой 9,0; 10,2; 11,44 12,6; 13,8 м Серия 1.427.1-3
  • Длина 11500 мм.
  • Ширина 500 мм.
  • Высота 400 мм.
  • Вес 5800 кг.
  • Объем бетона 2,3 м3
  • Геометрический объем 2,3 м3
Цена: 46851 руб.
Подробнее
4КФ 119-2
Колонны для зданий высотой 9,0; 10,2; 11,44 12,6; 13,8 м Серия 1.427.1-3
  • Длина 11900 мм.
  • Ширина 500 мм.
  • Высота 400 мм.
  • Вес 6000 кг.
  • Объем бетона 2,38 м3
  • Геометрический объем 2,38 м3
Цена: 48481 руб.
Подробнее
4КФ 119-3
Колонны для зданий высотой 9,0; 10,2; 11,44 12,6; 13,8 м Серия 1.427.1-3
  • Длина 11900 мм.
  • Ширина 500 мм.
  • Высота 400 мм.
  • Вес 6000 кг.
  • Объем бетона 2,38 м3
  • Геометрический объем 2,38 м3
Цена: 48481 руб.
Подробнее
4КФ 119-4
Колонны для зданий высотой 9,0; 10,2; 11,44 12,6; 13,8 м Серия 1.427.1-3
  • Длина 11900 мм.
  • Ширина 500 мм.
  • Высота 400 мм.
  • Вес 6000 кг.
  • Объем бетона 2,38 м3
  • Геометрический объем 2,38 м3
Цена: 48481 руб.
Подробнее
4КФ 119-5
Колонны для зданий высотой 9,0; 10,2; 11,44 12,6; 13,8 м Серия 1.427.1-3
  • Длина 11900 мм.
  • Ширина 500 мм.
  • Высота 400 мм.
  • Вес 6000 кг.
  • Объем бетона 2,38 м3
  • Геометрический объем 2,38 м3
Цена: 48481 руб.
Подробнее
4КФ 127-1
Колонны для зданий высотой 9,0; 10,2; 11,44 12,6; 13,8 м Серия 1.427.1-3
  • Длина 12700 мм.
  • Ширина 500 мм.
  • Высота 400 мм.
  • Вес 6400 кг.
  • Объем бетона 2,54 м3
  • Геометрический объем 2,54 м3
Цена: 51740 руб.
Подробнее
4КФ 127-2
Колонны для зданий высотой 9,0; 10,2; 11,44 12,6; 13,8 м Серия 1.427.1-3
  • Длина 12700 мм.
  • Ширина 500 мм.
  • Высота 400 мм.
  • Вес 6400 кг.
  • Объем бетона 2,54 м3
  • Геометрический объем 2,54 м3
Цена: 51740 руб.
Подробнее
4КФ 127-3
Колонны для зданий высотой 9,0; 10,2; 11,44 12,6; 13,8 м Серия 1.427.1-3
  • Длина 12700 мм.
  • Ширина 500 мм.
  • Высота 400 мм.
  • Вес 6400 кг.
  • Объем бетона 2,54 м3
  • Геометрический объем 2,54 м3
Цена: 51740 руб.
Подробнее
4КФ 127-4
Колонны для зданий высотой 9,0; 10,2; 11,44 12,6; 13,8 м Серия 1.427.1-3
  • Длина 12700 мм.
  • Ширина 500 мм.
  • Высота 400 мм.
  • Вес 6400 кг.
  • Объем бетона 2,54 м3
  • Геометрический объем 2,54 м3
Цена: 51740 руб.
Подробнее
4КФ 131-1
Колонны для зданий высотой 9,0; 10,2; 11,44 12,6; 13,8 м Серия 1.427.1-3
  • Длина 13100 мм.
  • Ширина 500 мм.
  • Высота 400 мм.
  • Вес 6600 кг.
  • Объем бетона 2,62 м3
  • Геометрический объем 2,62 м3
Цена: 53369 руб.
Подробнее
4КФ 131-3
Колонны для зданий высотой 9,0; 10,2; 11,44 12,6; 13,8 м Серия 1.427.1-3
  • Длина 13100 мм.
  • Ширина 500 мм.
  • Высота 400 мм.
  • Вес 6600 кг.
  • Объем бетона 2,62 м3
  • Геометрический объем 2,62 м3
Цена: 53369 руб.
Подробнее
4КФ 131-2
Колонны для зданий высотой 9,0; 10,2; 11,44 12,6; 13,8 м Серия 1.427.1-3
  • Длина 13100 мм.
  • Ширина 500 мм.
  • Высота 400 мм.
  • Вес 6600 кг.
  • Объем бетона 2,62 м3
  • Геометрический объем 2,62 м3
Цена: 53369 руб.
Подробнее
4КФ 131-4
Колонны для зданий высотой 9,0; 10,2; 11,44 12,6; 13,8 м Серия 1.427.1-3
  • Длина 13100 мм.
  • Ширина 500 мм.
  • Высота 400 мм.
  • Вес 6600 кг.
  • Объем бетона 2,62 м3
  • Геометрический объем 2,62 м3
Цена: 53369 руб.
Подробнее
4КФ 131-5
Колонны для зданий высотой 9,0; 10,2; 11,44 12,6; 13,8 м Серия 1.427.1-3
  • Длина 13100 мм.
  • Ширина 500 мм.
  • Высота 400 мм.
  • Вес 6600 кг.
  • Объем бетона 2,62 м3
  • Геометрический объем 2,62 м3
Цена: 53369 руб.
Подробнее
4КФ 139-1
Колонны для зданий высотой 9,0; 10,2; 11,44 12,6; 13,8 м Серия 1.427.1-3
  • Длина 13900 мм.
  • Ширина 500 мм.
  • Высота 400 мм.
  • Вес 7000 кг.
  • Объем бетона 2,78 м3
  • Геометрический объем 2,78 м3
Цена: 56629 руб.
Подробнее
4КФ 139-2
Колонны для зданий высотой 9,0; 10,2; 11,44 12,6; 13,8 м Серия 1.427.1-3
  • Длина 13900 мм.
  • Ширина 500 мм.
  • Высота 400 мм.
  • Вес 7000 кг.
  • Объем бетона 2,78 м3
  • Геометрический объем 2,78 м3
Цена: 56629 руб.
Подробнее
4КФ 139-4
Колонны для зданий высотой 9,0; 10,2; 11,44 12,6; 13,8 м Серия 1.427.1-3
  • Длина 13900 мм.
  • Ширина 500 мм.
  • Высота 400 мм.
  • Вес 7000 кг.
  • Объем бетона 2,78 м3
  • Геометрический объем 2,78 м3
Цена: 56629 руб.
Подробнее
4КФ 139-3
Колонны для зданий высотой 9,0; 10,2; 11,44 12,6; 13,8 м Серия 1.427.1-3
  • Длина 13900 мм.
  • Ширина 500 мм.
  • Высота 400 мм.
  • Вес 7000 кг.
  • Объем бетона 2,78 м3
  • Геометрический объем 2,78 м3
Цена: 56629 руб.
Подробнее
4КФ 139-5
Колонны для зданий высотой 9,0; 10,2; 11,44 12,6; 13,8 м Серия 1.427.1-3
  • Длина 13900 мм.
  • Ширина 500 мм.
  • Высота 400 мм.
  • Вес 7000 кг.
  • Объем бетона 2,78 м3
  • Геометрический объем 2,78 м3
Цена: 56629 руб.
Подробнее
5КФ 143-1
Колонны для зданий высотой 9,0; 10,2; 11,44 12,6; 13,8 м Серия 1.427.1-3
  • Длина 14300 мм.
  • Ширина 600 мм.
  • Высота 400 мм.
  • Вес 8600 кг.
  • Объем бетона 3,43 м3
  • Геометрический объем 3,432 м3
Цена: 69869 руб.
Подробнее
5КФ 143-3
Колонны для зданий высотой 9,0; 10,2; 11,44 12,6; 13,8 м Серия 1.427.1-3
  • Длина 14300 мм.
  • Ширина 600 мм.
  • Высота 400 мм.
  • Вес 8600 кг.
  • Объем бетона 3,43 м3
  • Геометрический объем 3,432 м3
Цена: 69869 руб.
Подробнее
5КФ 143-2
Колонны для зданий высотой 9,0; 10,2; 11,44 12,6; 13,8 м Серия 1.427.1-3
  • Длина 14300 мм.
  • Ширина 600 мм.
  • Высота 400 мм.
  • Вес 8600 кг.
  • Объем бетона 3,43 м3
  • Геометрический объем 3,432 м3
Цена: 69869 руб.
Подробнее
5КФ 143-4
Колонны для зданий высотой 9,0; 10,2; 11,44 12,6; 13,8 м Серия 1.427.1-3
  • Длина 14300 мм.
  • Ширина 600 мм.
  • Высота 400 мм.
  • Вес 8600 кг.
  • Объем бетона 3,43 м3
  • Геометрический объем 3,432 м3
Цена: 69869 руб.
Подробнее
5КФ 155-1
Колонны для зданий высотой 9,0; 10,2; 11,44 12,6; 13,8 м Серия 1.427.1-3
  • Длина 15500 мм.
  • Ширина 600 мм.
  • Высота 400 мм.
  • Вес 9300 кг.
  • Объем бетона 3,72 м3
  • Геометрический объем 3,72 м3
Цена: 75776 руб.
Подробнее
5КФ 143-5
Колонны для зданий высотой 9,0; 10,2; 11,44 12,6; 13,8 м Серия 1.427.1-3
  • Длина 14300 мм.
  • Ширина 600 мм.
  • Высота 400 мм.
  • Вес 8600 кг.
  • Объем бетона 3,43 м3
  • Геометрический объем 3,432 м3
Цена: 69869 руб.
Подробнее
5КФ 155-2
Колонны для зданий высотой 9,0; 10,2; 11,44 12,6; 13,8 м Серия 1.427.1-3
  • Длина 15500 мм.
  • Ширина 600 мм.
  • Высота 400 мм.
  • Вес 9300 кг.
  • Объем бетона 3,72 м3
  • Геометрический объем 3,72 м3
Цена: 75776 руб.
Подробнее
5КФ 155-3
Колонны для зданий высотой 9,0; 10,2; 11,44 12,6; 13,8 м Серия 1.427.1-3
  • Длина 15500 мм.
  • Ширина 600 мм.
  • Высота 400 мм.
  • Вес 9300 кг.
  • Объем бетона 3,72 м3
  • Геометрический объем 3,72 м3
Цена: 75776 руб.
Подробнее
5КФ 155-4
Колонны для зданий высотой 9,0; 10,2; 11,44 12,6; 13,8 м Серия 1.427.1-3
  • Длина 15500 мм.
  • Ширина 600 мм.
  • Высота 400 мм.
  • Вес 9300 кг.
  • Объем бетона 3,72 м3
  • Геометрический объем 3,72 м3
Цена: 75776 руб.
Подробнее
5КФ 155-5
Колонны для зданий высотой 9,0; 10,2; 11,44 12,6; 13,8 м Серия 1.427.1-3
  • Длина 15500 мм.
  • Ширина 600 мм.
  • Высота 400 мм.
  • Вес 9300 кг.
  • Объем бетона 3,72 м3
  • Геометрический объем 3,72 м3
Цена: 75776 руб.
Подробнее
7КФ 123-1
Колонны для зданий высотой 9,0; 10,2; 11,44 12,6; 13,8 м Серия 1.427.1-3
  • Длина 12300 мм.
  • Ширина 400 мм.
  • Высота 400 мм.
  • Вес 4800 кг.
  • Объем бетона 1,93 м3
  • Геометрический объем 1,968 м3
Цена: 39314 руб.
Подробнее

Уведомление о файлах cookie

Мы используем файлы cookie для улучшения вашего опыта просмотра и анализа трафика. Нажимая "Принять все", вы соглашаетесь с нашей политикой конфиденциальности и политикой обработки файлов cookie.

MAX Дзен Телеграм Вконтакте vk