mobile_sound +7 (930) 655-55-90

Железобетонные опоры линий электропередачи. Рабочие чертежи (Серия 1.424.1-5)

Поделиться:
Поделиться:

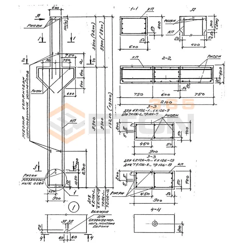
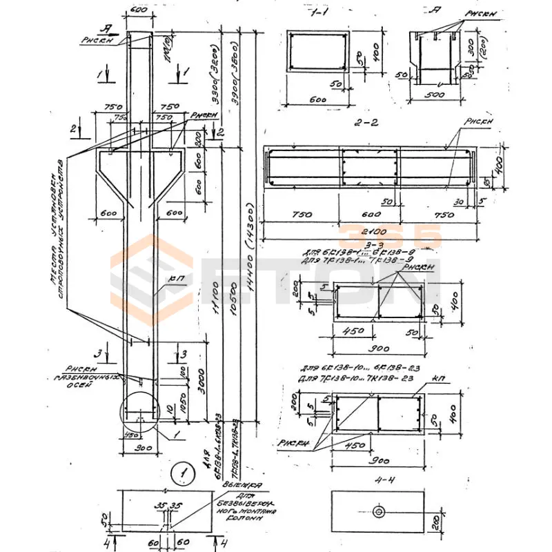
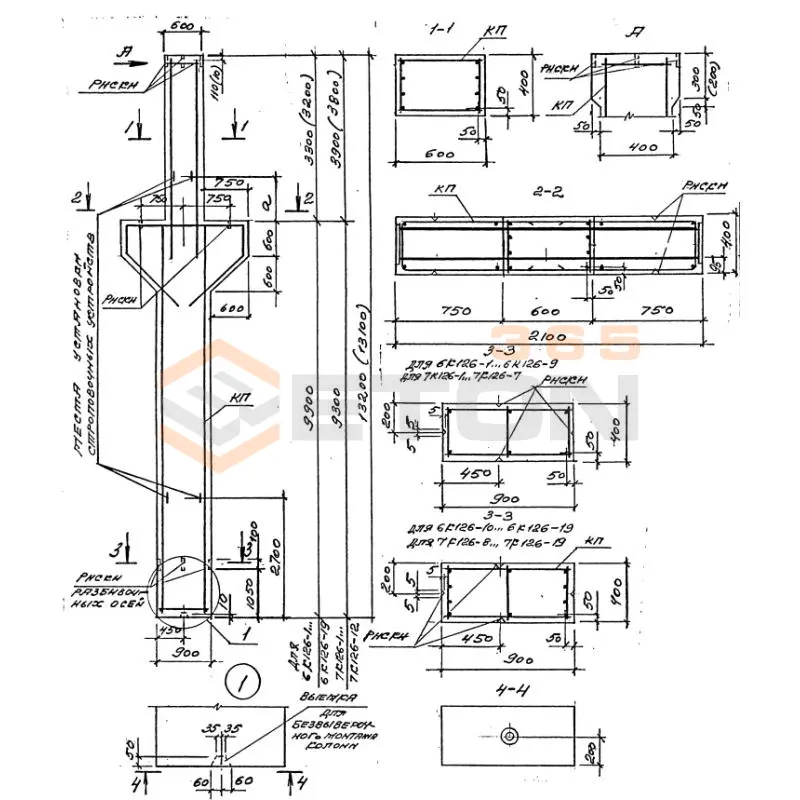
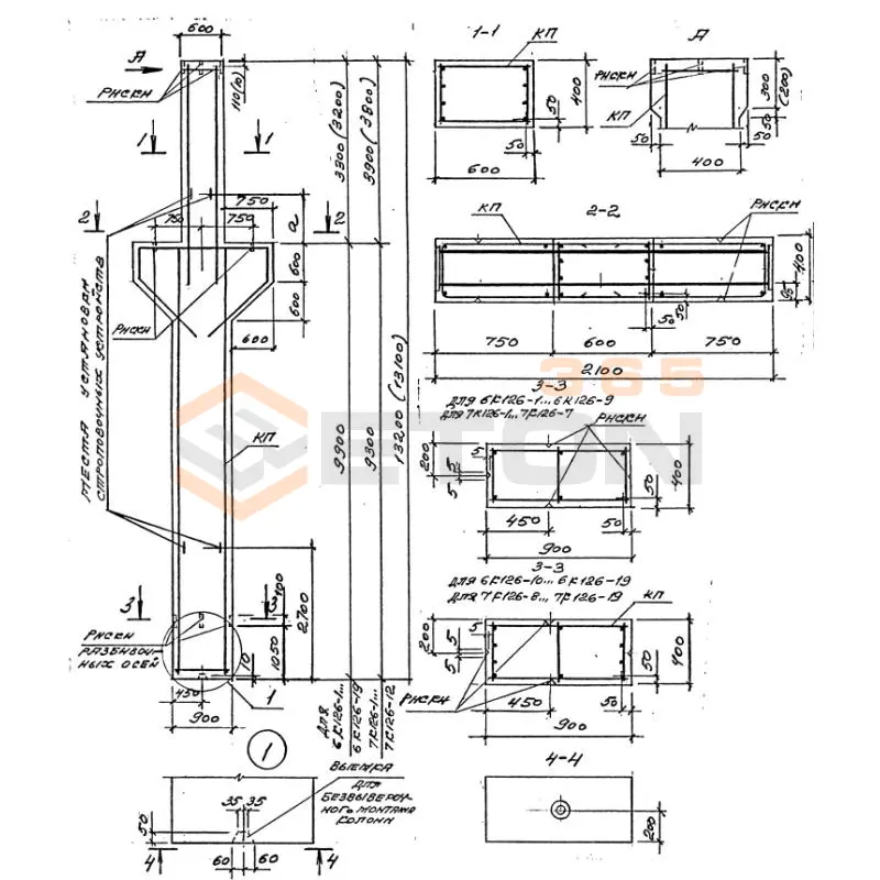
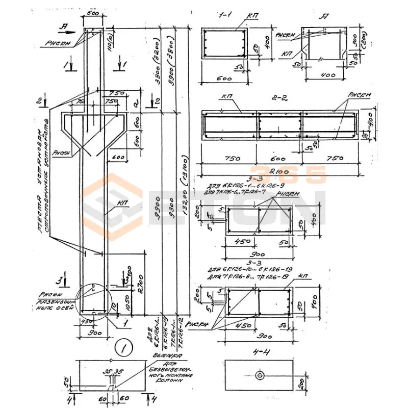
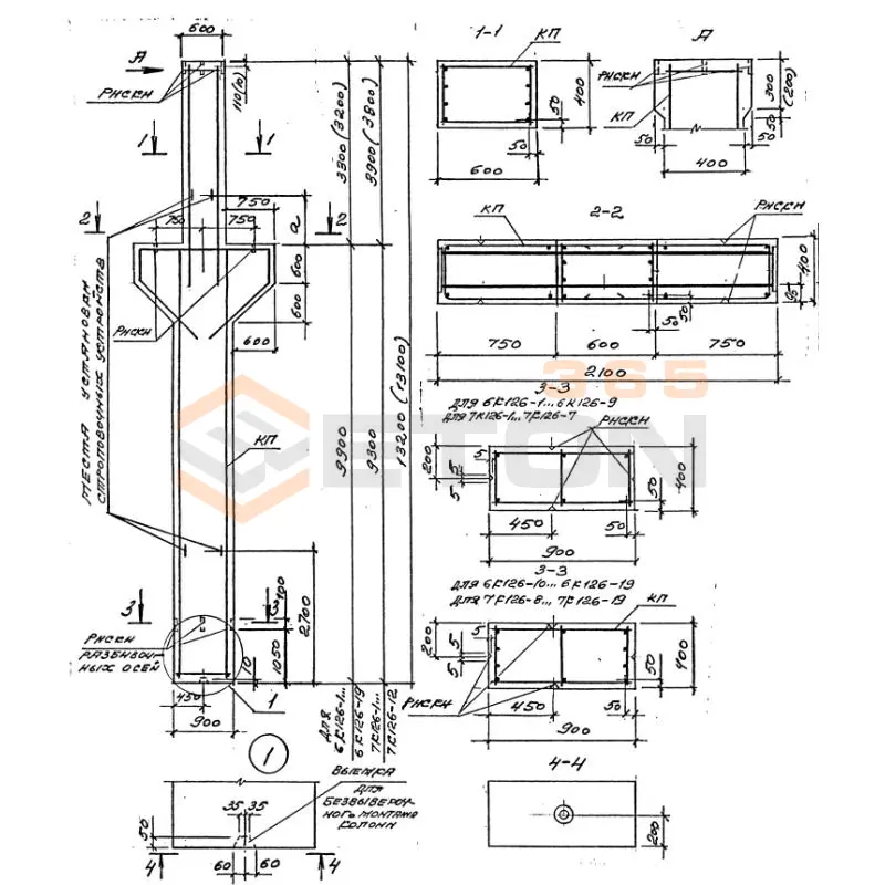
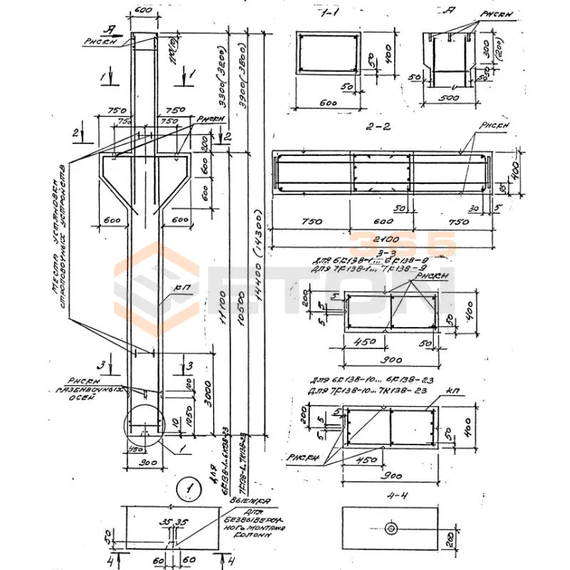
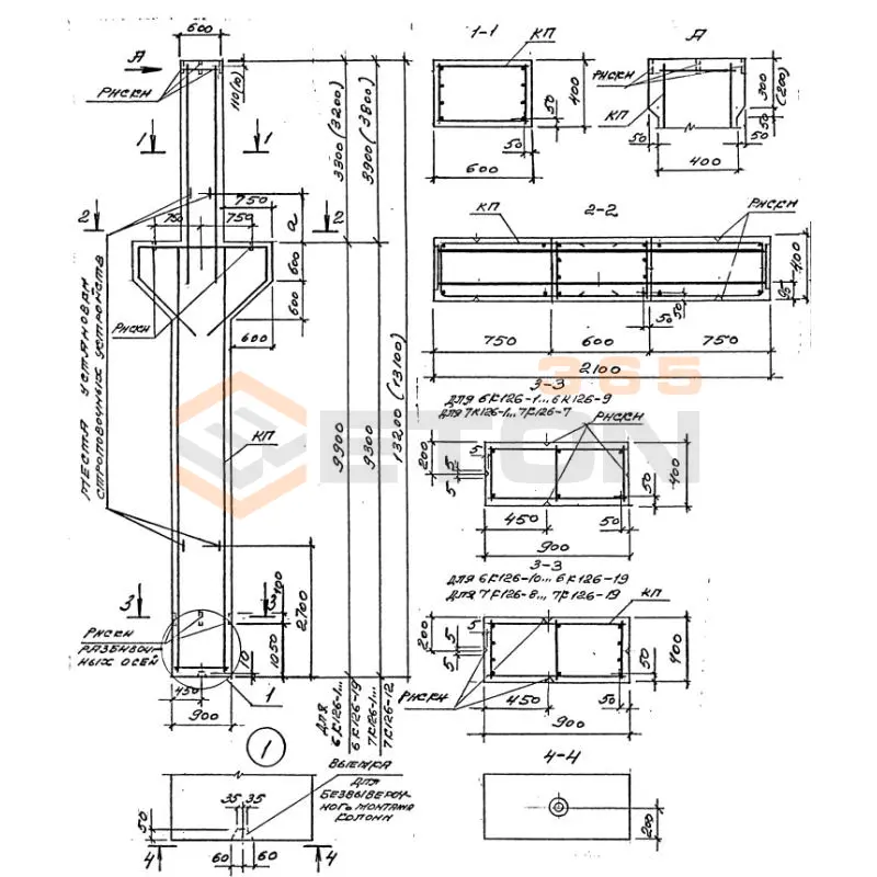
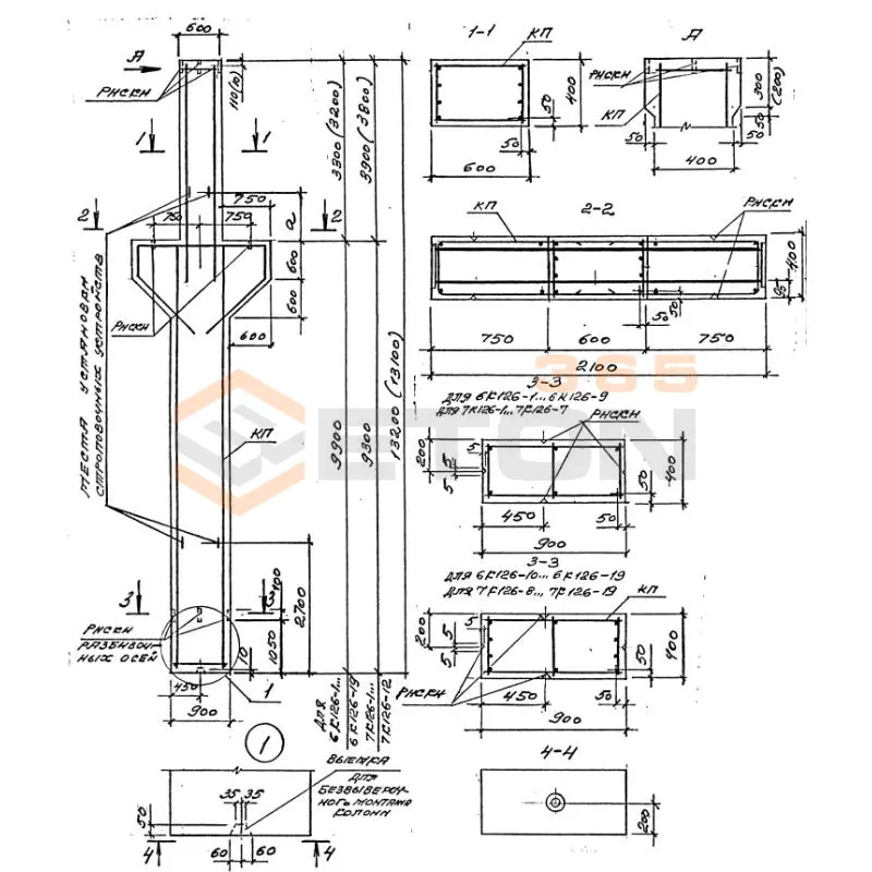
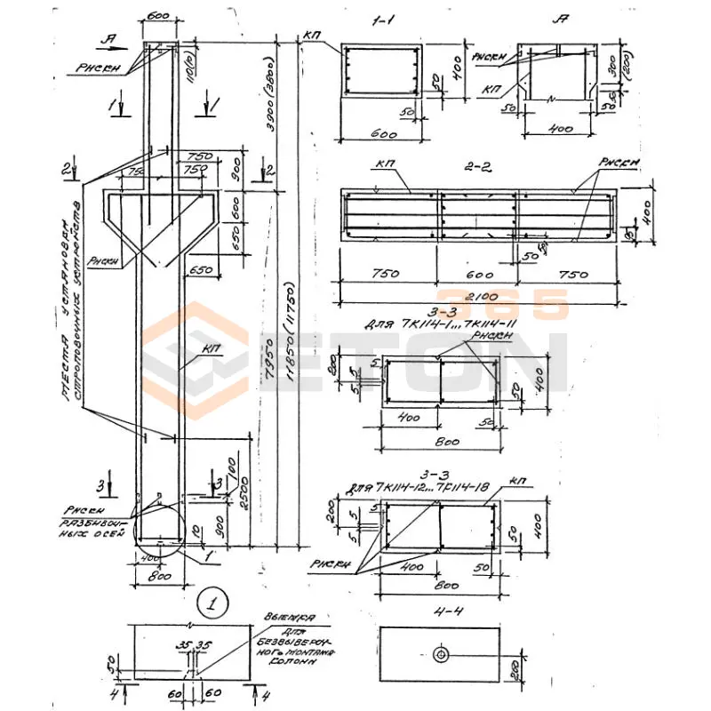
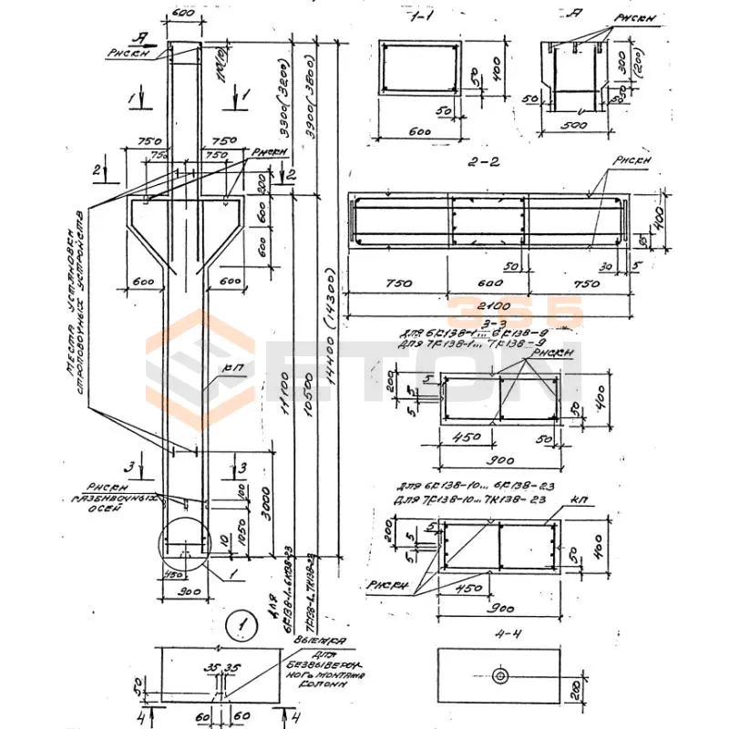
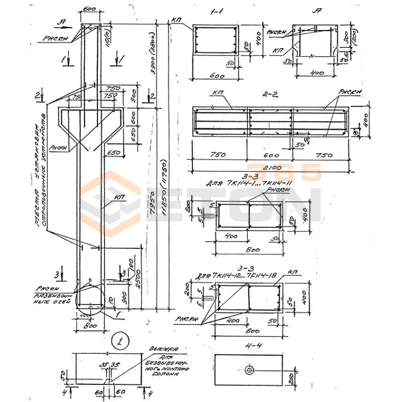
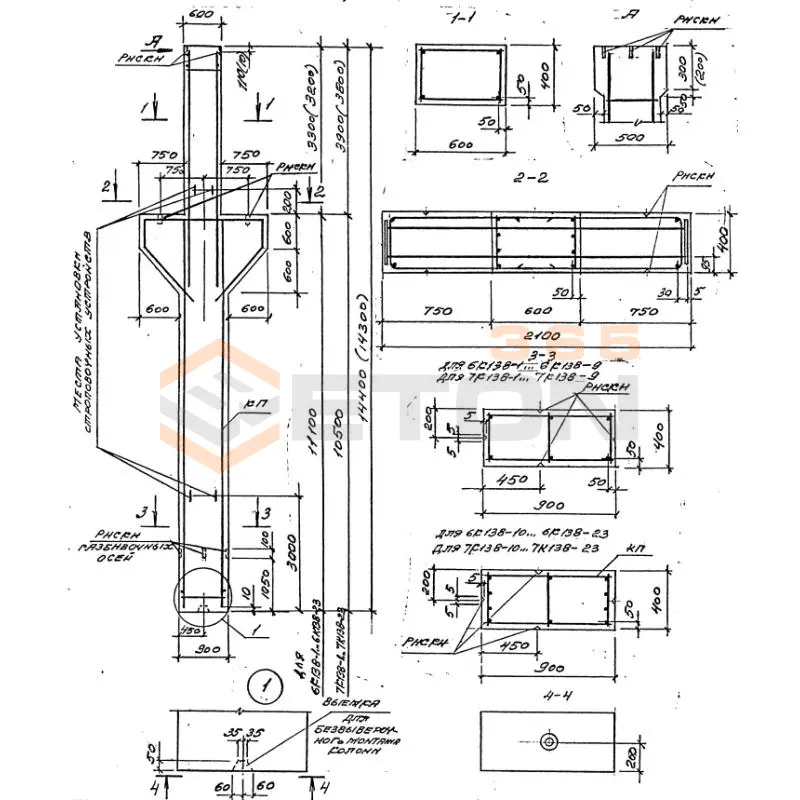
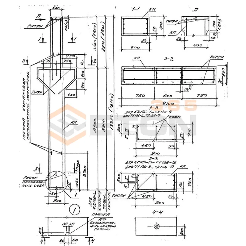
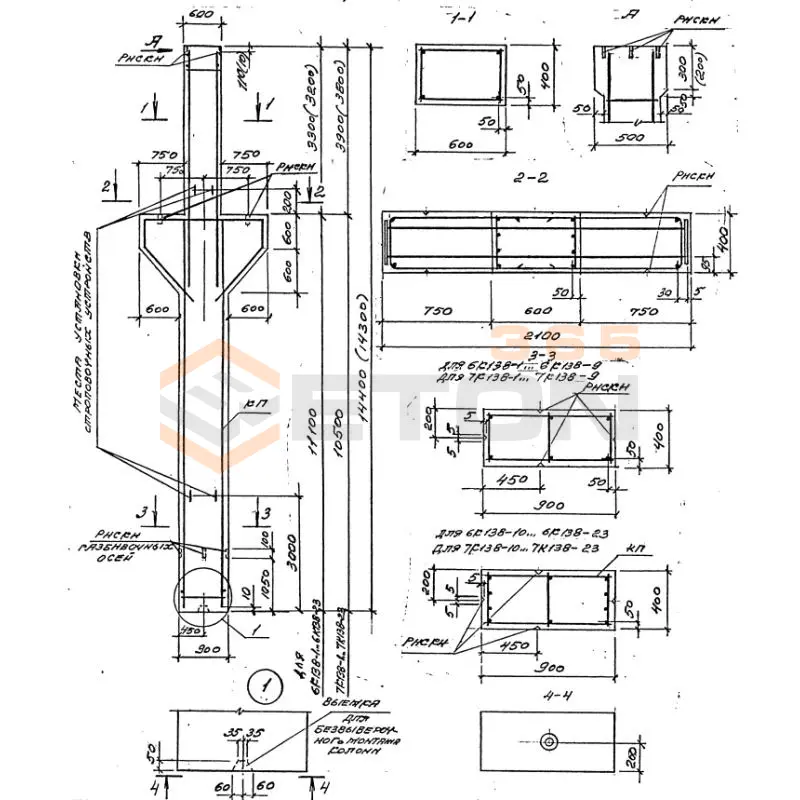
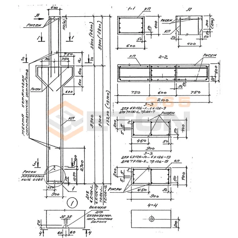
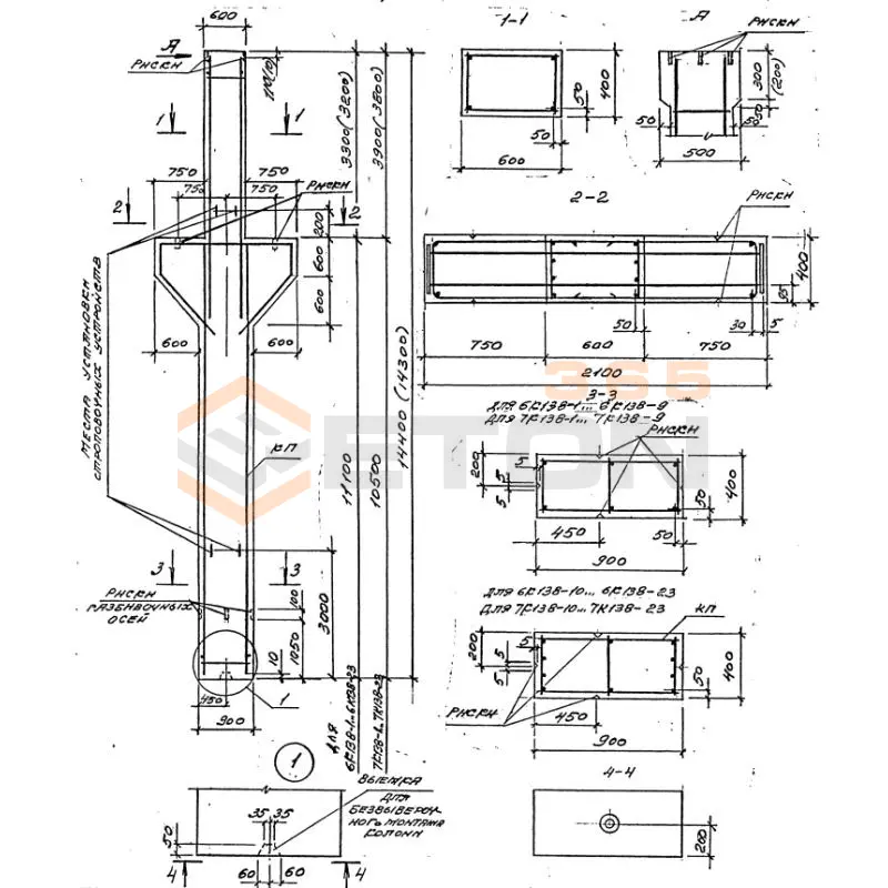
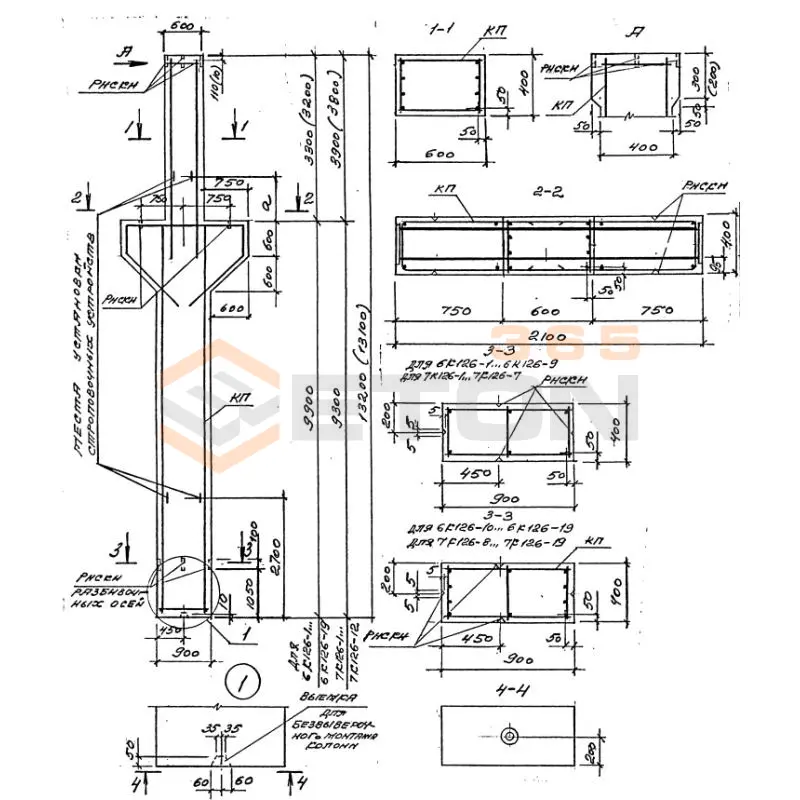
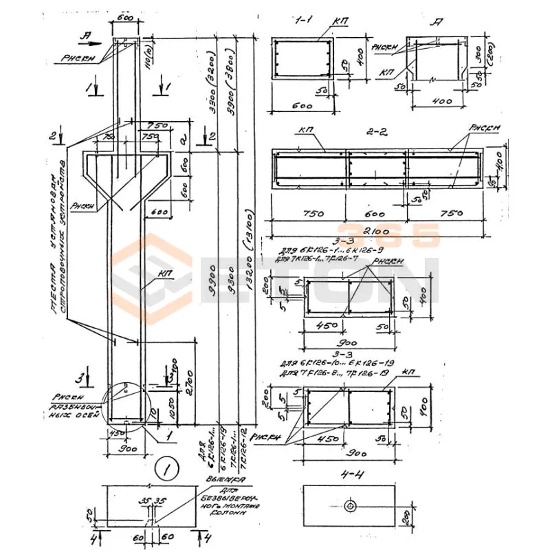
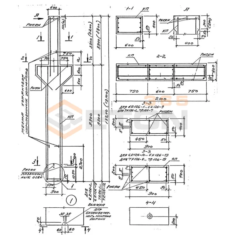
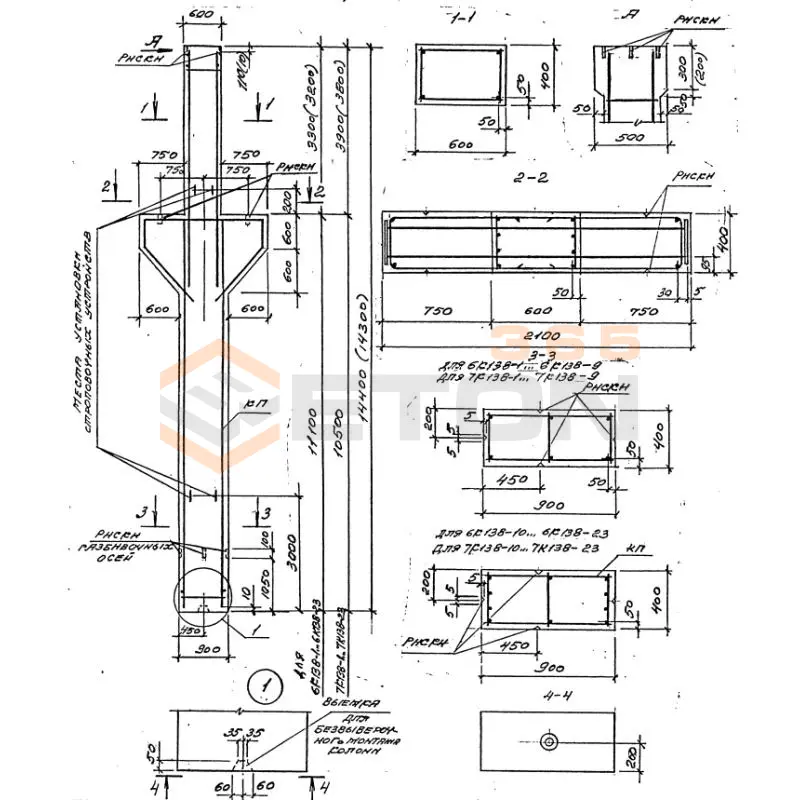
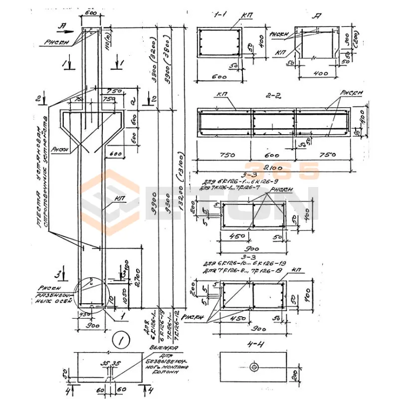
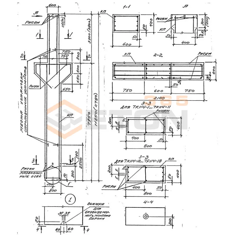
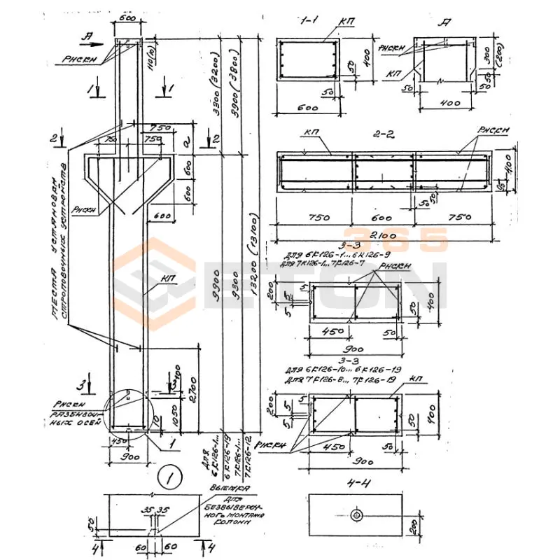
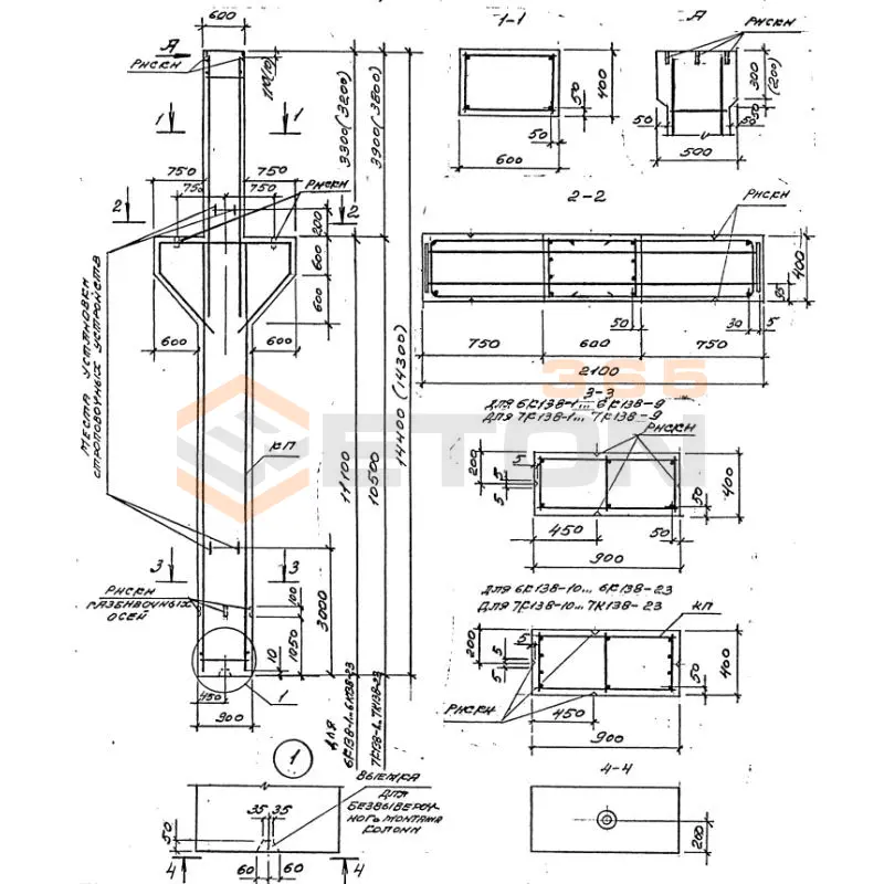
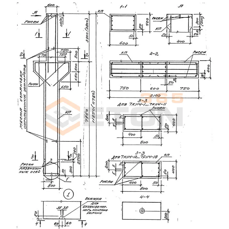
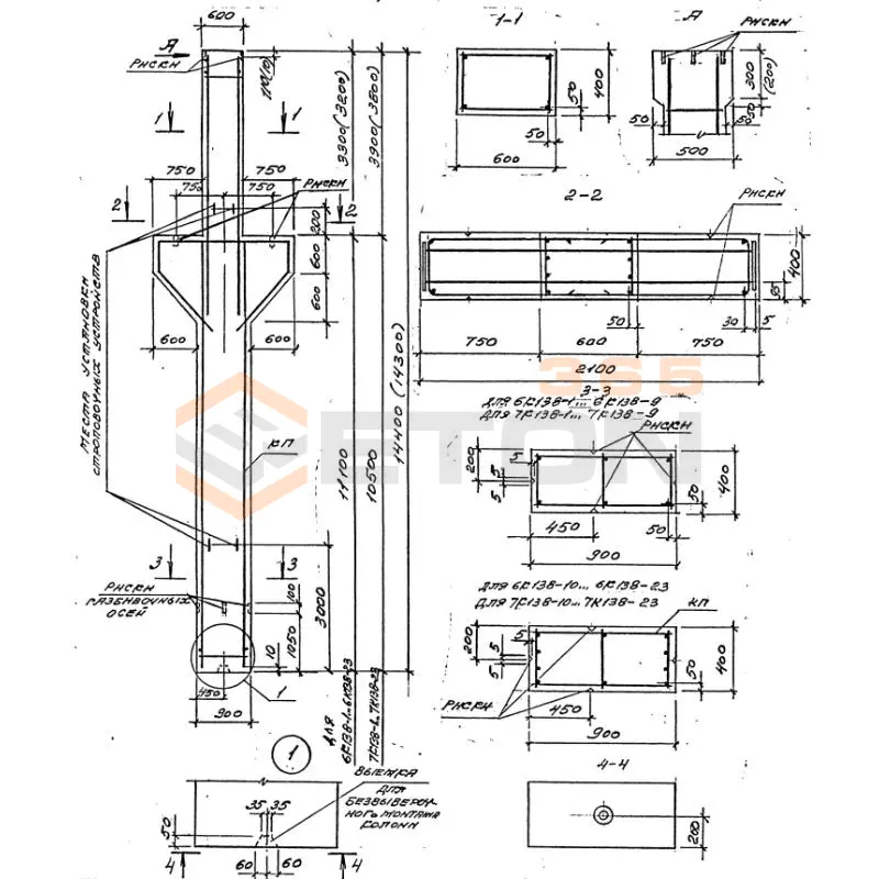
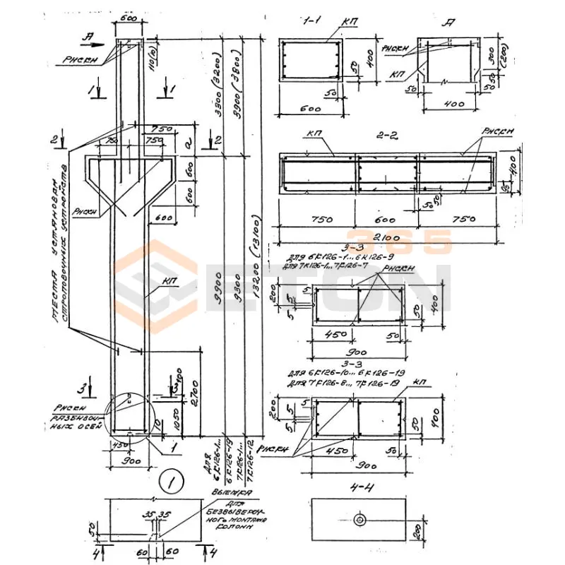
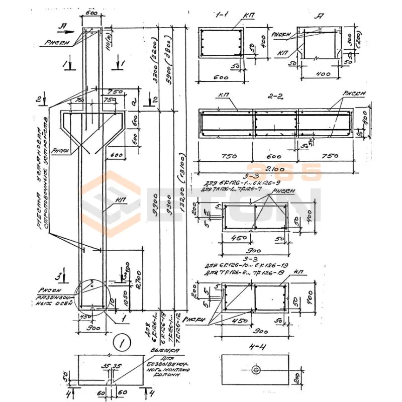
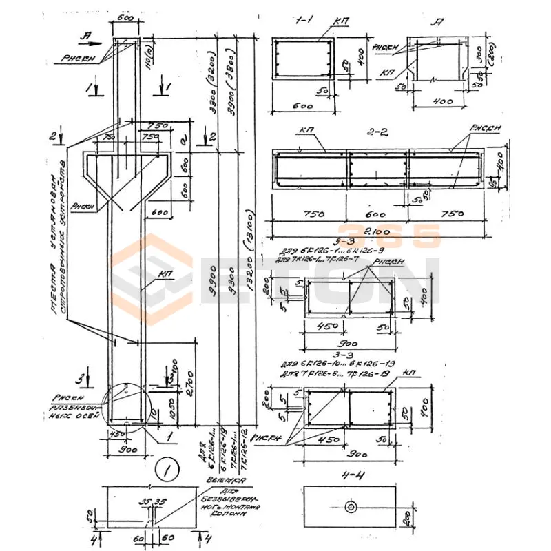
Документ Серия 1.424.1-5 описывает область применения, номенклатуру и ключевые требования, опираясь на действующие нормы и практику проектирования. В состав Серии 1.424.1-5 входит тридцать один выпуск, которые в совокупности отражают всю необходимую информацию для производства железобетонных колонн. Конструкции проектировались для применения в составе каркаса при возведении одноэтажных производственных сооружений, имеющих высоту от 8,4 до 14,4 метров. изделия и конструкции отличаются высокой прочностью, что позволяет оборудовать возводимые производственные комплексы мостовыми кранами, имеющими грузоподъемность до 32 тонн.

Файлы для скачивания:
picture_as_pdf

1137.pdf

1,852.8 KB

скачать
picture_as_pdf

1138.pdf

40,502.8 KB

скачать
picture_as_pdf

1139.pdf

5,325.1 KB

скачать
picture_as_pdf

1135.pdf

27,377.0 KB

скачать
picture_as_pdf

1136.pdf

12,406.4 KB

скачать
picture_as_pdf

1140.pdf

14,060.2 KB

скачать
picture_as_pdf

1141.pdf

5,281.8 KB

скачать
picture_as_pdf

1164.pdf

13,392.3 KB

скачать
picture_as_pdf

1165.pdf

29,694.5 KB

скачать
picture_as_pdf

1142.pdf

6,999.4 KB

скачать
picture_as_pdf

1143.pdf

21,105.6 KB

скачать
picture_as_pdf

1144.pdf

12,920.5 KB

скачать
picture_as_pdf

1145.pdf

12,730.8 KB

скачать
picture_as_pdf

1146.pdf

16,432.1 KB

скачать
picture_as_pdf

1147.pdf

21,293.3 KB

скачать
picture_as_pdf

1148.pdf

20,204.4 KB

скачать
picture_as_pdf

1149.pdf

23,349.7 KB

скачать
picture_as_pdf

1153.pdf

37,880.3 KB

скачать
picture_as_pdf

1154.pdf

10,221.7 KB

скачать
picture_as_pdf

1150.pdf

9,958.6 KB

скачать
picture_as_pdf

1151.pdf

18,581.8 KB

скачать
picture_as_pdf

1152.pdf

8,654.8 KB

скачать
picture_as_pdf

1155.pdf

6,274.8 KB

скачать
picture_as_pdf

1156.pdf

1,427.7 KB

скачать
picture_as_pdf

1157.pdf

1,607.5 KB

скачать
picture_as_pdf

1158.pdf

23,869.7 KB

скачать
picture_as_pdf

1159.pdf

16,834.5 KB

скачать
picture_as_pdf

1160.pdf

26,392.0 KB

скачать
picture_as_pdf

1161.pdf

5,163.7 KB

скачать
picture_as_pdf

1162.pdf

9,563.0 KB

скачать
picture_as_pdf

1163.pdf

4,319.0 KB

скачать
Товары Серия 1.424.1-5 (60)
7К 102-15
Колонны для зданий высотой 9,0; 10,2; 11,4; 12,6 и 13,8 м Серия 1.424.1-5
  • Длина 11250 мм.
  • Ширина 600 мм.
  • Высота 800 мм.
  • Вес 8600 кг.
  • Объем бетона 3,44 м3
  • Геометрический объем 5,4 м3
Цена: 70073 руб.
Подробнее
7К 102-17
Колонны для зданий высотой 9,0; 10,2; 11,4; 12,6 и 13,8 м Серия 1.424.1-5
  • Длина 11250 мм.
  • Ширина 600 мм.
  • Высота 800 мм.
  • Вес 8600 кг.
  • Объем бетона 3,44 м3
  • Геометрический объем 5,4 м3
Цена: 70073 руб.
Подробнее
7К 102-19
Колонны для зданий высотой 9,0; 10,2; 11,4; 12,6 и 13,8 м Серия 1.424.1-5
  • Длина 11250 мм.
  • Ширина 600 мм.
  • Высота 800 мм.
  • Вес 8600 кг.
  • Объем бетона 3,44 м3
  • Геометрический объем 5,4 м3
Цена: 70073 руб.
Подробнее
7К 102-2
Колонны для зданий высотой 9,0; 10,2; 11,4; 12,6 и 13,8 м Серия 1.424.1-5
  • Длина 11250 мм.
  • Ширина 600 мм.
  • Высота 800 мм.
  • Вес 8600 кг.
  • Объем бетона 3,44 м3
  • Геометрический объем 5,4 м3
Цена: 70073 руб.
Подробнее
7К 102-20
Колонны для зданий высотой 9,0; 10,2; 11,4; 12,6 и 13,8 м Серия 1.424.1-5
  • Длина 11250 мм.
  • Ширина 600 мм.
  • Высота 800 мм.
  • Вес 8600 кг.
  • Объем бетона 3,44 м3
  • Геометрический объем 5,4 м3
Цена: 70073 руб.
Подробнее
7К 102-3
Колонны для зданий высотой 9,0; 10,2; 11,4; 12,6 и 13,8 м Серия 1.424.1-5
  • Длина 11250 мм.
  • Ширина 600 мм.
  • Высота 800 мм.
  • Вес 8600 кг.
  • Объем бетона 3,44 м3
  • Геометрический объем 5,4 м3
Цена: 70073 руб.
Подробнее
7К 102-5
Колонны для зданий высотой 9,0; 10,2; 11,4; 12,6 и 13,8 м Серия 1.424.1-5
  • Длина 11250 мм.
  • Ширина 600 мм.
  • Высота 800 мм.
  • Вес 8600 кг.
  • Объем бетона 3,44 м3
  • Геометрический объем 5,4 м3
Цена: 70073 руб.
Подробнее
7К 102-4
Колонны для зданий высотой 9,0; 10,2; 11,4; 12,6 и 13,8 м Серия 1.424.1-5
  • Длина 11250 мм.
  • Ширина 600 мм.
  • Высота 800 мм.
  • Вес 8600 кг.
  • Объем бетона 3,44 м3
  • Геометрический объем 5,4 м3
Цена: 70073 руб.
Подробнее
7К 102-6
Колонны для зданий высотой 9,0; 10,2; 11,4; 12,6 и 13,8 м Серия 1.424.1-5
  • Длина 11250 мм.
  • Ширина 600 мм.
  • Высота 800 мм.
  • Вес 8600 кг.
  • Объем бетона 3,44 м3
  • Геометрический объем 5,4 м3
Цена: 70073 руб.
Подробнее
7К 102-7
Колонны для зданий высотой 9,0; 10,2; 11,4; 12,6 и 13,8 м Серия 1.424.1-5
  • Длина 11250 мм.
  • Ширина 600 мм.
  • Высота 800 мм.
  • Вес 8600 кг.
  • Объем бетона 3,44 м3
  • Геометрический объем 5,4 м3
Цена: 70073 руб.
Подробнее
7К 102-8
Колонны для зданий высотой 9,0; 10,2; 11,4; 12,6 и 13,8 м Серия 1.424.1-5
  • Длина 11250 мм.
  • Ширина 600 мм.
  • Высота 800 мм.
  • Вес 8600 кг.
  • Объем бетона 3,44 м3
  • Геометрический объем 5,4 м3
Цена: 70073 руб.
Подробнее
7К 114-10
Колонны для зданий высотой 9,0; 10,2; 11,4; 12,6 и 13,8 м Серия 1.424.1-5
  • Длина 11850 мм.
  • Ширина 600 мм.
  • Высота 800 мм.
  • Вес 9900 кг.
  • Объем бетона 3,95 м3
  • Геометрический объем 5,688 м3
Цена: 80462 руб.
Подробнее
7К 114-1
Колонны для зданий высотой 9,0; 10,2; 11,4; 12,6 и 13,8 м Серия 1.424.1-5
  • Длина 11850 мм.
  • Ширина 600 мм.
  • Высота 800 мм.
  • Вес 9900 кг.
  • Объем бетона 3,95 м3
  • Геометрический объем 5,688 м3
Цена: 80462 руб.
Подробнее
7К 114-12
Колонны для зданий высотой 9,0; 10,2; 11,4; 12,6 и 13,8 м Серия 1.424.1-5
  • Длина 11850 мм.
  • Ширина 600 мм.
  • Высота 800 мм.
  • Вес 9900 кг.
  • Объем бетона 3,95 м3
  • Геометрический объем 5,688 м3
Цена: 80462 руб.
Подробнее
7К 102-9
Колонны для зданий высотой 9,0; 10,2; 11,4; 12,6 и 13,8 м Серия 1.424.1-5
  • Длина 11250 мм.
  • Ширина 600 мм.
  • Высота 800 мм.
  • Вес 8600 кг.
  • Объем бетона 3,44 м3
  • Геометрический объем 5,4 м3
Цена: 70073 руб.
Подробнее
7К 114-11
Колонны для зданий высотой 9,0; 10,2; 11,4; 12,6 и 13,8 м Серия 1.424.1-5
  • Длина 11850 мм.
  • Ширина 600 мм.
  • Высота 800 мм.
  • Вес 9900 кг.
  • Объем бетона 3,95 м3
  • Геометрический объем 5,688 м3
Цена: 80462 руб.
Подробнее
7К 114-17
Колонны для зданий высотой 9,0; 10,2; 11,4; 12,6 и 13,8 м Серия 1.424.1-5
  • Длина 11850 мм.
  • Ширина 600 мм.
  • Высота 800 мм.
  • Вес 9900 кг.
  • Объем бетона 3,95 м3
  • Геометрический объем 5,688 м3
Цена: 80462 руб.
Подробнее
7К 114-15
Колонны для зданий высотой 9,0; 10,2; 11,4; 12,6 и 13,8 м Серия 1.424.1-5
  • Длина 11850 мм.
  • Ширина 600 мм.
  • Высота 800 мм.
  • Вес 9900 кг.
  • Объем бетона 3,95 м3
  • Геометрический объем 5,688 м3
Цена: 80462 руб.
Подробнее
7К 114-14
Колонны для зданий высотой 9,0; 10,2; 11,4; 12,6 и 13,8 м Серия 1.424.1-5
  • Длина 11850 мм.
  • Ширина 600 мм.
  • Высота 800 мм.
  • Вес 9900 кг.
  • Объем бетона 3,95 м3
  • Геометрический объем 5,688 м3
Цена: 80462 руб.
Подробнее
7К 114-16
Колонны для зданий высотой 9,0; 10,2; 11,4; 12,6 и 13,8 м Серия 1.424.1-5
  • Длина 11850 мм.
  • Ширина 600 мм.
  • Высота 800 мм.
  • Вес 9900 кг.
  • Объем бетона 3,95 м3
  • Геометрический объем 5,688 м3
Цена: 80462 руб.
Подробнее
7К 114-18
Колонны для зданий высотой 9,0; 10,2; 11,4; 12,6 и 13,8 м Серия 1.424.1-5
  • Длина 11850 мм.
  • Ширина 600 мм.
  • Высота 800 мм.
  • Вес 9900 кг.
  • Объем бетона 3,95 м3
  • Геометрический объем 5,688 м3
Цена: 80462 руб.
Подробнее
7К 114-13
Колонны для зданий высотой 9,0; 10,2; 11,4; 12,6 и 13,8 м Серия 1.424.1-5
  • Длина 11850 мм.
  • Ширина 600 мм.
  • Высота 800 мм.
  • Вес 9900 кг.
  • Объем бетона 3,95 м3
  • Геометрический объем 5,688 м3
Цена: 80462 руб.
Подробнее
7К 114-2
Колонны для зданий высотой 9,0; 10,2; 11,4; 12,6 и 13,8 м Серия 1.424.1-5
  • Длина 11850 мм.
  • Ширина 600 мм.
  • Высота 800 мм.
  • Вес 9900 кг.
  • Объем бетона 3,95 м3
  • Геометрический объем 5,688 м3
Цена: 80462 руб.
Подробнее
7К 114-3
Колонны для зданий высотой 9,0; 10,2; 11,4; 12,6 и 13,8 м Серия 1.424.1-5
  • Длина 11850 мм.
  • Ширина 600 мм.
  • Высота 800 мм.
  • Вес 9900 кг.
  • Объем бетона 3,95 м3
  • Геометрический объем 5,688 м3
Цена: 80462 руб.
Подробнее
7К 114-6
Колонны для зданий высотой 9,0; 10,2; 11,4; 12,6 и 13,8 м Серия 1.424.1-5
  • Длина 11850 мм.
  • Ширина 600 мм.
  • Высота 800 мм.
  • Вес 9900 кг.
  • Объем бетона 3,95 м3
  • Геометрический объем 5,688 м3
Цена: 80462 руб.
Подробнее
7К 114-5
Колонны для зданий высотой 9,0; 10,2; 11,4; 12,6 и 13,8 м Серия 1.424.1-5
  • Длина 11850 мм.
  • Ширина 600 мм.
  • Высота 800 мм.
  • Вес 9900 кг.
  • Объем бетона 3,95 м3
  • Геометрический объем 5,688 м3
Цена: 80462 руб.
Подробнее
7К 114-4
Колонны для зданий высотой 9,0; 10,2; 11,4; 12,6 и 13,8 м Серия 1.424.1-5
  • Длина 11850 мм.
  • Ширина 600 мм.
  • Высота 800 мм.
  • Вес 9900 кг.
  • Объем бетона 3,95 м3
  • Геометрический объем 5,688 м3
Цена: 80462 руб.
Подробнее
7К 114-7
Колонны для зданий высотой 9,0; 10,2; 11,4; 12,6 и 13,8 м Серия 1.424.1-5
  • Длина 11850 мм.
  • Ширина 600 мм.
  • Высота 800 мм.
  • Вес 9900 кг.
  • Объем бетона 3,95 м3
  • Геометрический объем 5,688 м3
Цена: 80462 руб.
Подробнее
7К 114-8
Колонны для зданий высотой 9,0; 10,2; 11,4; 12,6 и 13,8 м Серия 1.424.1-5
  • Длина 11850 мм.
  • Ширина 600 мм.
  • Высота 800 мм.
  • Вес 9900 кг.
  • Объем бетона 3,95 м3
  • Геометрический объем 5,688 м3
Цена: 80462 руб.
Подробнее
7К 126-1
Колонны для зданий высотой 9,0; 10,2; 11,4; 12,6 и 13,8 м Серия 1.424.1-5
  • Длина 13200 мм.
  • Ширина 600 мм.
  • Высота 900 мм.
  • Вес 11800 кг.
  • Объем бетона 4,73 м3
  • Геометрический объем 7,128 м3
Цена: 96350 руб.
Подробнее
7К 114-9
Колонны для зданий высотой 9,0; 10,2; 11,4; 12,6 и 13,8 м Серия 1.424.1-5
  • Длина 11850 мм.
  • Ширина 600 мм.
  • Высота 800 мм.
  • Вес 9900 кг.
  • Объем бетона 3,95 м3
  • Геометрический объем 5,688 м3
Цена: 80462 руб.
Подробнее
7К 126-12
Колонны для зданий высотой 9,0; 10,2; 11,4; 12,6 и 13,8 м Серия 1.424.1-5
  • Длина 13200 мм.
  • Ширина 600 мм.
  • Высота 900 мм.
  • Вес 11800 кг.
  • Объем бетона 4,73 м3
  • Геометрический объем 7,128 м3
Цена: 96350 руб.
Подробнее
7К 126-11
Колонны для зданий высотой 9,0; 10,2; 11,4; 12,6 и 13,8 м Серия 1.424.1-5
  • Длина 13200 мм.
  • Ширина 600 мм.
  • Высота 900 мм.
  • Вес 11800 кг.
  • Объем бетона 4,73 м3
  • Геометрический объем 7,128 м3
Цена: 96350 руб.
Подробнее
7К 126-10
Колонны для зданий высотой 9,0; 10,2; 11,4; 12,6 и 13,8 м Серия 1.424.1-5
  • Длина 13200 мм.
  • Ширина 600 мм.
  • Высота 900 мм.
  • Вес 11800 кг.
  • Объем бетона 4,73 м3
  • Геометрический объем 7,128 м3
Цена: 96350 руб.
Подробнее
7К 126-13
Колонны для зданий высотой 9,0; 10,2; 11,4; 12,6 и 13,8 м Серия 1.424.1-5
  • Длина 13200 мм.
  • Ширина 600 мм.
  • Высота 900 мм.
  • Вес 11800 кг.
  • Объем бетона 4,73 м3
  • Геометрический объем 7,128 м3
Цена: 96350 руб.
Подробнее
7К 126-16
Колонны для зданий высотой 9,0; 10,2; 11,4; 12,6 и 13,8 м Серия 1.424.1-5
  • Длина 13200 мм.
  • Ширина 600 мм.
  • Высота 900 мм.
  • Вес 11800 кг.
  • Объем бетона 4,73 м3
  • Геометрический объем 7,128 м3
Цена: 96350 руб.
Подробнее
7К 126-14
Колонны для зданий высотой 9,0; 10,2; 11,4; 12,6 и 13,8 м Серия 1.424.1-5
  • Длина 13200 мм.
  • Ширина 600 мм.
  • Высота 900 мм.
  • Вес 11800 кг.
  • Объем бетона 4,73 м3
  • Геометрический объем 7,128 м3
Цена: 96350 руб.
Подробнее
7К 126-15
Колонны для зданий высотой 9,0; 10,2; 11,4; 12,6 и 13,8 м Серия 1.424.1-5
  • Длина 13200 мм.
  • Ширина 600 мм.
  • Высота 900 мм.
  • Вес 11800 кг.
  • Объем бетона 4,73 м3
  • Геометрический объем 7,128 м3
Цена: 96350 руб.
Подробнее
7К 126-17
Колонны для зданий высотой 9,0; 10,2; 11,4; 12,6 и 13,8 м Серия 1.424.1-5
  • Длина 13200 мм.
  • Ширина 600 мм.
  • Высота 900 мм.
  • Вес 11800 кг.
  • Объем бетона 4,73 м3
  • Геометрический объем 7,128 м3
Цена: 96350 руб.
Подробнее
7К 126-18
Колонны для зданий высотой 9,0; 10,2; 11,4; 12,6 и 13,8 м Серия 1.424.1-5
  • Длина 13200 мм.
  • Ширина 600 мм.
  • Высота 900 мм.
  • Вес 11800 кг.
  • Объем бетона 4,73 м3
  • Геометрический объем 7,128 м3
Цена: 96350 руб.
Подробнее
7К 126-2
Колонны для зданий высотой 9,0; 10,2; 11,4; 12,6 и 13,8 м Серия 1.424.1-5
  • Длина 13200 мм.
  • Ширина 600 мм.
  • Высота 900 мм.
  • Вес 11800 кг.
  • Объем бетона 4,73 м3
  • Геометрический объем 7,128 м3
Цена: 96350 руб.
Подробнее
7К 126-19
Колонны для зданий высотой 9,0; 10,2; 11,4; 12,6 и 13,8 м Серия 1.424.1-5
  • Длина 13200 мм.
  • Ширина 600 мм.
  • Высота 900 мм.
  • Вес 11800 кг.
  • Объем бетона 4,73 м3
  • Геометрический объем 7,128 м3
Цена: 96350 руб.
Подробнее
7К 126-5
Колонны для зданий высотой 9,0; 10,2; 11,4; 12,6 и 13,8 м Серия 1.424.1-5
  • Длина 13200 мм.
  • Ширина 600 мм.
  • Высота 900 мм.
  • Вес 11800 кг.
  • Объем бетона 4,73 м3
  • Геометрический объем 7,128 м3
Цена: 96350 руб.
Подробнее
7К 126-4
Колонны для зданий высотой 9,0; 10,2; 11,4; 12,6 и 13,8 м Серия 1.424.1-5
  • Длина 13200 мм.
  • Ширина 600 мм.
  • Высота 900 мм.
  • Вес 11800 кг.
  • Объем бетона 4,73 м3
  • Геометрический объем 7,128 м3
Цена: 96350 руб.
Подробнее
7К 126-6
Колонны для зданий высотой 9,0; 10,2; 11,4; 12,6 и 13,8 м Серия 1.424.1-5
  • Длина 13200 мм.
  • Ширина 600 мм.
  • Высота 900 мм.
  • Вес 11800 кг.
  • Объем бетона 4,73 м3
  • Геометрический объем 7,128 м3
Цена: 96350 руб.
Подробнее
7К 126-3
Колонны для зданий высотой 9,0; 10,2; 11,4; 12,6 и 13,8 м Серия 1.424.1-5
  • Длина 13200 мм.
  • Ширина 600 мм.
  • Высота 900 мм.
  • Вес 11800 кг.
  • Объем бетона 4,73 м3
  • Геометрический объем 7,128 м3
Цена: 96350 руб.
Подробнее
7К 126-8
Колонны для зданий высотой 9,0; 10,2; 11,4; 12,6 и 13,8 м Серия 1.424.1-5
  • Длина 13200 мм.
  • Ширина 600 мм.
  • Высота 900 мм.
  • Вес 11800 кг.
  • Объем бетона 4,73 м3
  • Геометрический объем 7,128 м3
Цена: 96350 руб.
Подробнее
7К 138-10
Колонны для зданий высотой 9,0; 10,2; 11,4; 12,6 и 13,8 м Серия 1.424.1-5
  • Длина 14400 мм.
  • Ширина 600 мм.
  • Высота 900 мм.
  • Вес 12900 кг.
  • Объем бетона 5,16 м3
  • Геометрический объем 7,776 м3
Цена: 105109 руб.
Подробнее
7К 138-11
Колонны для зданий высотой 9,0; 10,2; 11,4; 12,6 и 13,8 м Серия 1.424.1-5
  • Длина 14400 мм.
  • Ширина 600 мм.
  • Высота 900 мм.
  • Вес 12900 кг.
  • Объем бетона 5,16 м3
  • Геометрический объем 7,776 м3
Цена: 105109 руб.
Подробнее
7К 126-9
Колонны для зданий высотой 9,0; 10,2; 11,4; 12,6 и 13,8 м Серия 1.424.1-5
  • Длина 13200 мм.
  • Ширина 600 мм.
  • Высота 900 мм.
  • Вес 11800 кг.
  • Объем бетона 4,73 м3
  • Геометрический объем 7,128 м3
Цена: 96350 руб.
Подробнее
7К 126-7
Колонны для зданий высотой 9,0; 10,2; 11,4; 12,6 и 13,8 м Серия 1.424.1-5
  • Длина 13200 мм.
  • Ширина 600 мм.
  • Высота 900 мм.
  • Вес 11800 кг.
  • Объем бетона 4,73 м3
  • Геометрический объем 7,128 м3
Цена: 96350 руб.
Подробнее
7К 138-1
Колонны для зданий высотой 9,0; 10,2; 11,4; 12,6 и 13,8 м Серия 1.424.1-5
  • Длина 14400 мм.
  • Ширина 600 мм.
  • Высота 900 мм.
  • Вес 12900 кг.
  • Объем бетона 5,16 м3
  • Геометрический объем 7,776 м3
Цена: 105109 руб.
Подробнее
7К 138-12
Колонны для зданий высотой 9,0; 10,2; 11,4; 12,6 и 13,8 м Серия 1.424.1-5
  • Длина 14400 мм.
  • Ширина 600 мм.
  • Высота 900 мм.
  • Вес 12900 кг.
  • Объем бетона 5,16 м3
  • Геометрический объем 7,776 м3
Цена: 105109 руб.
Подробнее
7К 138-16
Колонны для зданий высотой 9,0; 10,2; 11,4; 12,6 и 13,8 м Серия 1.424.1-5
  • Длина 14400 мм.
  • Ширина 600 мм.
  • Высота 900 мм.
  • Вес 12900 кг.
  • Объем бетона 5,16 м3
  • Геометрический объем 7,776 м3
Цена: 105109 руб.
Подробнее
7К 138-13
Колонны для зданий высотой 9,0; 10,2; 11,4; 12,6 и 13,8 м Серия 1.424.1-5
  • Длина 14400 мм.
  • Ширина 600 мм.
  • Высота 900 мм.
  • Вес 12900 кг.
  • Объем бетона 5,16 м3
  • Геометрический объем 7,776 м3
Цена: 105109 руб.
Подробнее
7К 138-17
Колонны для зданий высотой 9,0; 10,2; 11,4; 12,6 и 13,8 м Серия 1.424.1-5
  • Длина 14400 мм.
  • Ширина 600 мм.
  • Высота 900 мм.
  • Вес 12900 кг.
  • Объем бетона 5,16 м3
  • Геометрический объем 7,776 м3
Цена: 105109 руб.
Подробнее
7К 138-14
Колонны для зданий высотой 9,0; 10,2; 11,4; 12,6 и 13,8 м Серия 1.424.1-5
  • Длина 14400 мм.
  • Ширина 600 мм.
  • Высота 900 мм.
  • Вес 12900 кг.
  • Объем бетона 5,16 м3
  • Геометрический объем 7,776 м3
Цена: 105109 руб.
Подробнее
7К 138-15
Колонны для зданий высотой 9,0; 10,2; 11,4; 12,6 и 13,8 м Серия 1.424.1-5
  • Длина 14400 мм.
  • Ширина 600 мм.
  • Высота 900 мм.
  • Вес 12900 кг.
  • Объем бетона 5,16 м3
  • Геометрический объем 7,776 м3
Цена: 105109 руб.
Подробнее
7К 138-18
Колонны для зданий высотой 9,0; 10,2; 11,4; 12,6 и 13,8 м Серия 1.424.1-5
  • Длина 14400 мм.
  • Ширина 600 мм.
  • Высота 900 мм.
  • Вес 12900 кг.
  • Объем бетона 5,16 м3
  • Геометрический объем 7,776 м3
Цена: 105109 руб.
Подробнее
7К 138-19
Колонны для зданий высотой 9,0; 10,2; 11,4; 12,6 и 13,8 м Серия 1.424.1-5
  • Длина 14400 мм.
  • Ширина 600 мм.
  • Высота 900 мм.
  • Вес 12900 кг.
  • Объем бетона 5,16 м3
  • Геометрический объем 7,776 м3
Цена: 105109 руб.
Подробнее

Уведомление о файлах cookie

Мы используем файлы cookie для улучшения вашего опыта просмотра и анализа трафика. Нажимая "Принять все", вы соглашаетесь с нашей политикой конфиденциальности и политикой обработки файлов cookie.

MAX Дзен Телеграм Вконтакте vk