mobile_sound +7 (930) 655-55-90

Типовые конструкции и железобетонные изделия. Рабочие чертежи (Серия 1.423.1-5/88)

Поделиться:
Поделиться:

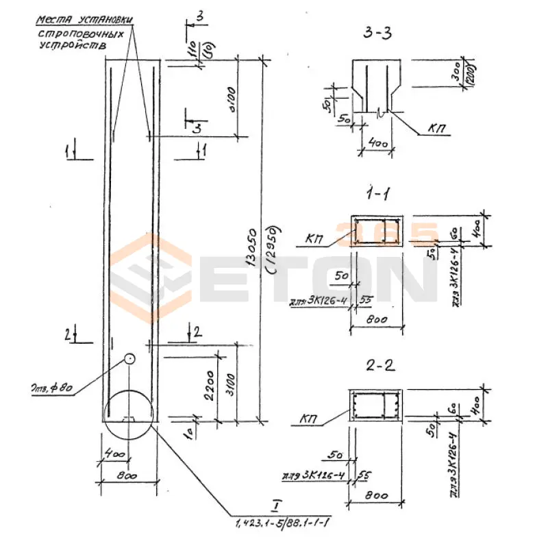
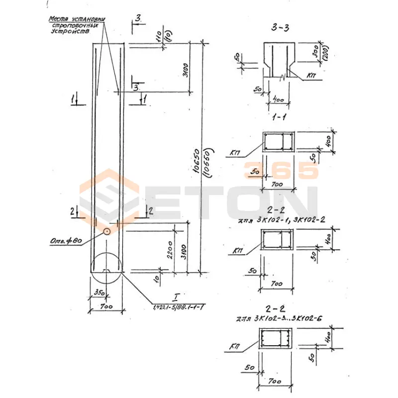
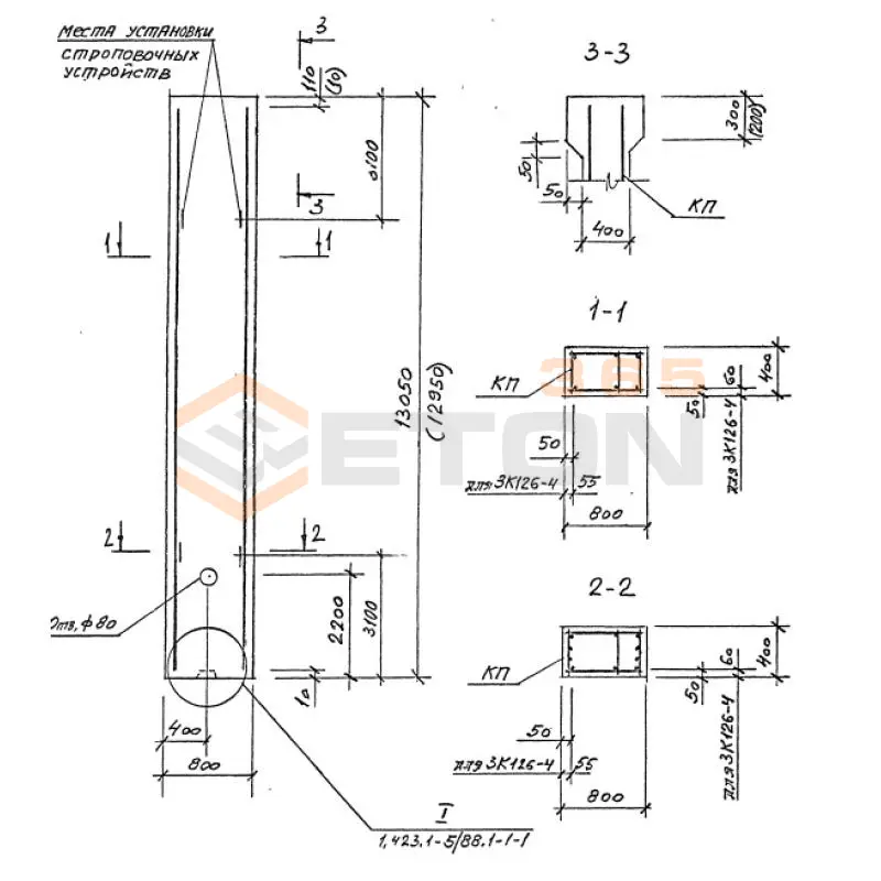
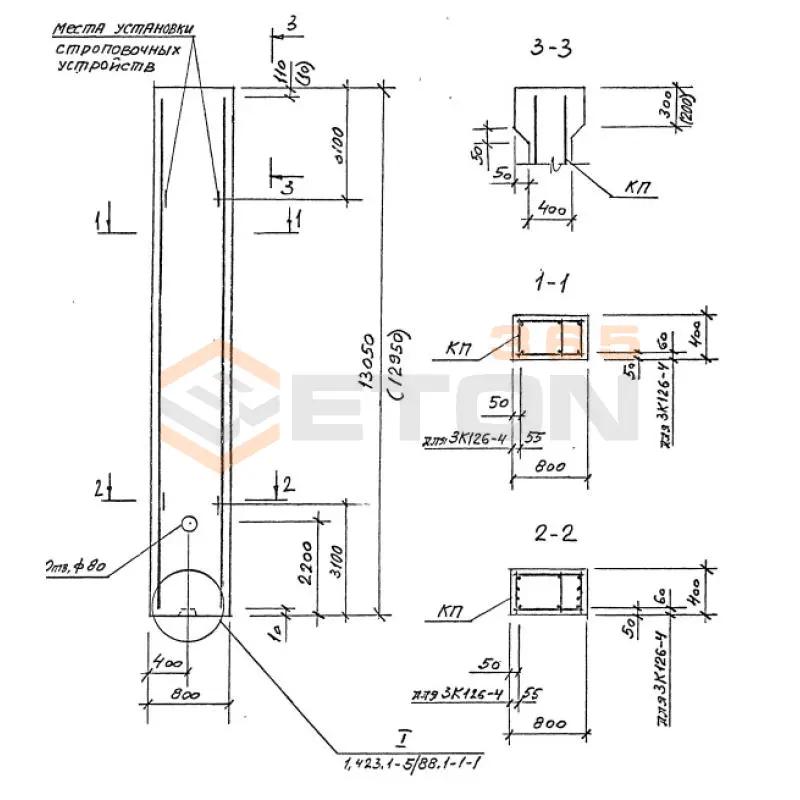
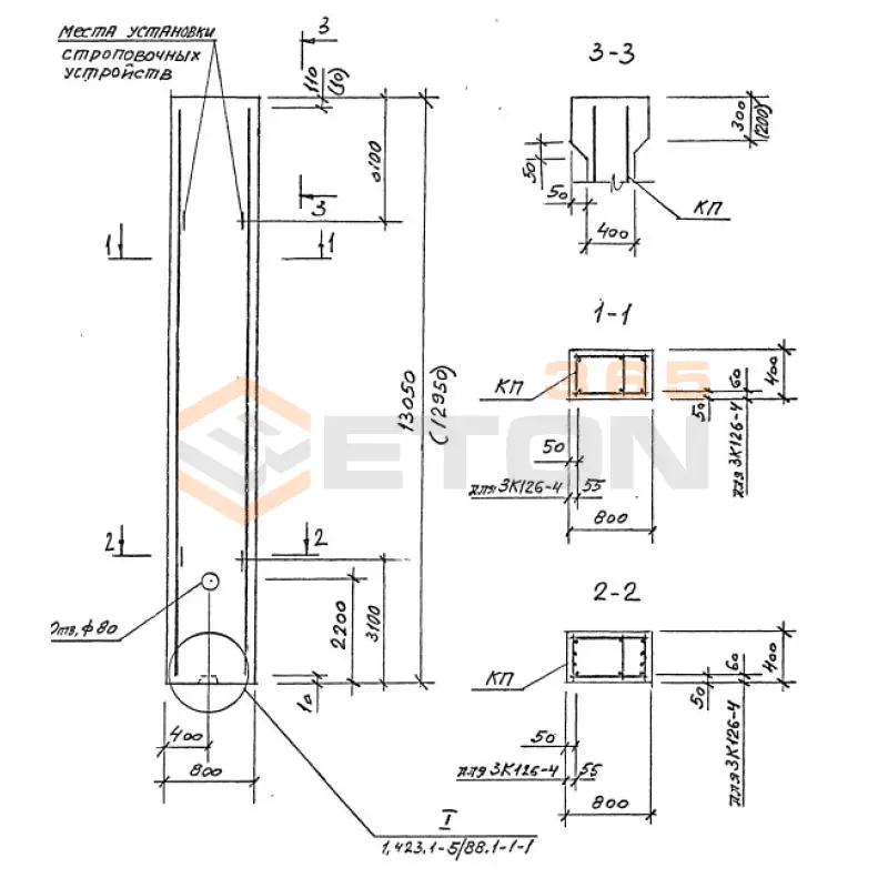
Документ Серия 1.423.1-5/88 описывает область применения, номенклатуру и ключевые требования, опираясь на действующие нормы и практику проектирования. Серия 1.423.1-5/88 была разработана институтом ЦНИИПРОМЗДАНИЙ и введён в действие после утверждения в эксплуатацию с 1 августа 1994 года приказом Госстроя России. Норматив состоит из семи выпусков и отражает подробную информацию, необходимую для производства колонн из железобетона, имеющих сечение в виде прямоугольника. изделия и конструкции рассчитаны на применение при строительстве одноэтажных промышленных сооружений, чья высота достигает 10,8; 12,0; 13,2 и 14,4 метра, а пролеты могут составлять 18; 24; 30 и 36 метров.

Файлы для скачивания:
picture_as_pdf

1111.pdf

6,549.5 KB

скачать
picture_as_pdf

1110.pdf

24,457.0 KB

скачать
picture_as_pdf

1113.pdf

9,764.4 KB

скачать
picture_as_pdf

1112.pdf

9,762.6 KB

скачать
picture_as_pdf

1115.pdf

13,622.3 KB

скачать
picture_as_pdf

1114.pdf

13,889.2 KB

скачать
picture_as_pdf

1116.pdf

38,000.6 KB

скачать
Товары Серия 1.423.1-5/88 (35)
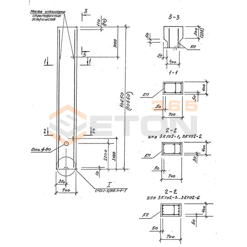
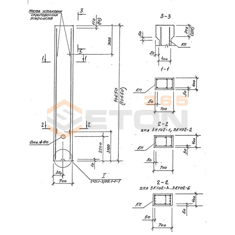
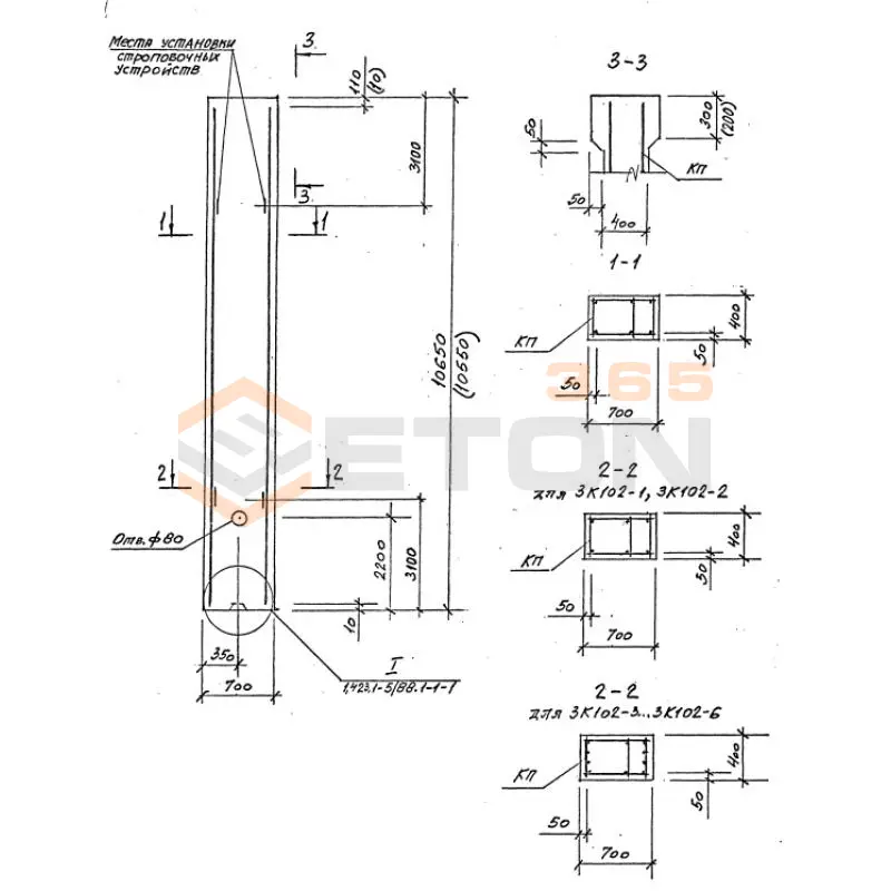
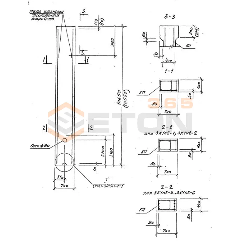
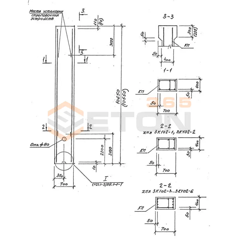
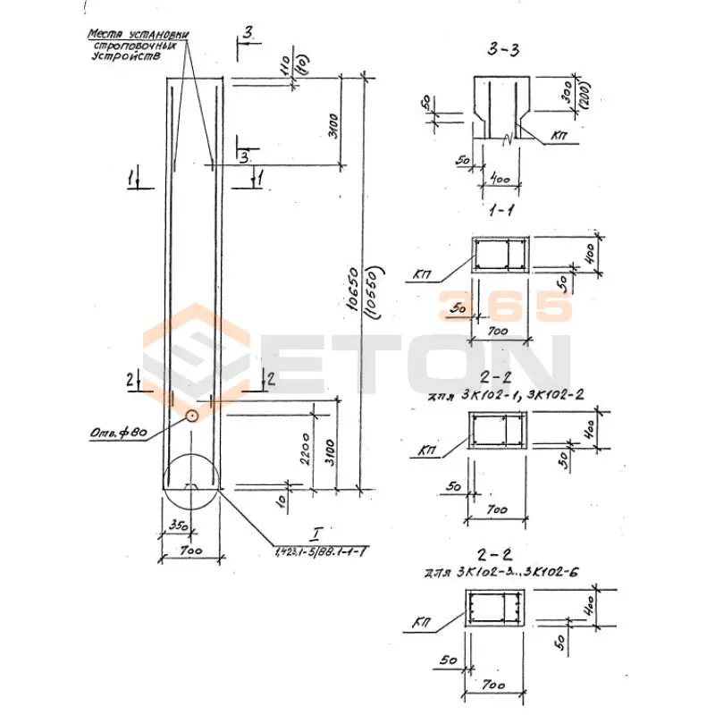
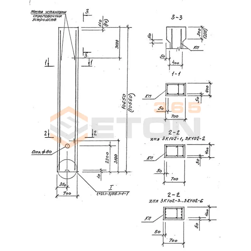
3К 102-3 м4
Колонны для зданий с промежуточными высотами Серия 1.423.1-5/88
  • Длина 10650 мм.
  • Ширина 700 мм.
  • Высота 400 мм.
  • Вес 7500 кг.
  • Объем бетона 3 м3
  • Геометрический объем 2,982 м3
Цена: 61110 руб.
Подробнее
3К 102-1 м3
Колонны для зданий с промежуточными высотами Серия 1.423.1-5/88
  • Длина 10650 мм.
  • Ширина 700 мм.
  • Высота 400 мм.
  • Вес 7500 кг.
  • Объем бетона 3 м3
  • Геометрический объем 2,982 м3
Цена: 61110 руб.
Подробнее
3К 102-4 м3
Колонны для зданий с промежуточными высотами Серия 1.423.1-5/88
  • Длина 10650 мм.
  • Ширина 700 мм.
  • Высота 400 мм.
  • Вес 7500 кг.
  • Объем бетона 3 м3
  • Геометрический объем 2,982 м3
Цена: 61110 руб.
Подробнее
3К 102-3 м3
Колонны для зданий с промежуточными высотами Серия 1.423.1-5/88
  • Длина 10650 мм.
  • Ширина 700 мм.
  • Высота 400 мм.
  • Вес 7500 кг.
  • Объем бетона 3 м3
  • Геометрический объем 2,982 м3
Цена: 61110 руб.
Подробнее
3К 102-4 м4
Колонны для зданий с промежуточными высотами Серия 1.423.1-5/88
  • Длина 10650 мм.
  • Ширина 700 мм.
  • Высота 400 мм.
  • Вес 7500 кг.
  • Объем бетона 3 м3
  • Геометрический объем 2,982 м3
Цена: 61110 руб.
Подробнее
3К 102-2 м3
Колонны для зданий с промежуточными высотами Серия 1.423.1-5/88
  • Длина 10650 мм.
  • Ширина 700 мм.
  • Высота 400 мм.
  • Вес 7500 кг.
  • Объем бетона 3 м3
  • Геометрический объем 2,982 м3
Цена: 61110 руб.
Подробнее
3К 102-5 м3
Колонны для зданий с промежуточными высотами Серия 1.423.1-5/88
  • Длина 10650 мм.
  • Ширина 700 мм.
  • Высота 400 мм.
  • Вес 7500 кг.
  • Объем бетона 3 м3
  • Геометрический объем 2,982 м3
Цена: 61110 руб.
Подробнее
3К 102-5 м4
Колонны для зданий с промежуточными высотами Серия 1.423.1-5/88
  • Длина 10650 мм.
  • Ширина 700 мм.
  • Высота 400 мм.
  • Вес 7500 кг.
  • Объем бетона 3 м3
  • Геометрический объем 2,982 м3
Цена: 61110 руб.
Подробнее
3К 102-6 м4
Колонны для зданий с промежуточными высотами Серия 1.423.1-5/88
  • Длина 10650 мм.
  • Ширина 700 мм.
  • Высота 400 мм.
  • Вес 7500 кг.
  • Объем бетона 3 м3
  • Геометрический объем 2,982 м3
Цена: 61110 руб.
Подробнее
3К 102-6 м3
Колонны для зданий с промежуточными высотами Серия 1.423.1-5/88
  • Длина 10650 мм.
  • Ширина 700 мм.
  • Высота 400 мм.
  • Вес 7500 кг.
  • Объем бетона 3 м3
  • Геометрический объем 2,982 м3
Цена: 61110 руб.
Подробнее
3К 114-1 м3
Колонны для зданий с промежуточными высотами Серия 1.423.1-5/88
  • Длина 11850 мм.
  • Ширина 700 мм.
  • Высота 400 мм.
  • Вес 8400 кг.
  • Объем бетона 3,3 м3
  • Геометрический объем 3,318 м3
Цена: 67221 руб.
Подробнее
3К 114-1 м4
Колонны для зданий с промежуточными высотами Серия 1.423.1-5/88
  • Длина 11850 мм.
  • Ширина 700 мм.
  • Высота 400 мм.
  • Вес 8400 кг.
  • Объем бетона 3,3 м3
  • Геометрический объем 3,318 м3
Цена: 67221 руб.
Подробнее
3К 114-2 м3
Колонны для зданий с промежуточными высотами Серия 1.423.1-5/88
  • Длина 11850 мм.
  • Ширина 700 мм.
  • Высота 400 мм.
  • Вес 8400 кг.
  • Объем бетона 3,3 м3
  • Геометрический объем 3,318 м3
Цена: 67221 руб.
Подробнее
3К 114-3 м3
Колонны для зданий с промежуточными высотами Серия 1.423.1-5/88
  • Длина 11850 мм.
  • Ширина 700 мм.
  • Высота 400 мм.
  • Вес 8400 кг.
  • Объем бетона 3,3 м3
  • Геометрический объем 3,318 м3
Цена: 67221 руб.
Подробнее
3К 114-4 м3
Колонны для зданий с промежуточными высотами Серия 1.423.1-5/88
  • Длина 11850 мм.
  • Ширина 700 мм.
  • Высота 400 мм.
  • Вес 8400 кг.
  • Объем бетона 3,3 м3
  • Геометрический объем 3,318 м3
Цена: 67221 руб.
Подробнее
3К 114-2 м4
Колонны для зданий с промежуточными высотами Серия 1.423.1-5/88
  • Длина 11850 мм.
  • Ширина 700 мм.
  • Высота 400 мм.
  • Вес 8400 кг.
  • Объем бетона 3,3 м3
  • Геометрический объем 3,318 м3
Цена: 67221 руб.
Подробнее
3К 114-4 м4
Колонны для зданий с промежуточными высотами Серия 1.423.1-5/88
  • Длина 11850 мм.
  • Ширина 700 мм.
  • Высота 400 мм.
  • Вес 8400 кг.
  • Объем бетона 3,3 м3
  • Геометрический объем 3,318 м3
Цена: 67221 руб.
Подробнее
3К 114-3 м4
Колонны для зданий с промежуточными высотами Серия 1.423.1-5/88
  • Длина 11850 мм.
  • Ширина 700 мм.
  • Высота 400 мм.
  • Вес 8400 кг.
  • Объем бетона 3,3 м3
  • Геометрический объем 3,318 м3
Цена: 67221 руб.
Подробнее
3К 114-5 м3
Колонны для зданий с промежуточными высотами Серия 1.423.1-5/88
  • Длина 11850 мм.
  • Ширина 700 мм.
  • Высота 400 мм.
  • Вес 8400 кг.
  • Объем бетона 3,3 м3
  • Геометрический объем 3,318 м3
Цена: 67221 руб.
Подробнее
3К 114-5 м5
Колонны для зданий с промежуточными высотами Серия 1.423.1-5/88
  • Длина 11850 мм.
  • Ширина 700 мм.
  • Высота 400 мм.
  • Вес 8400 кг.
  • Объем бетона 3,3 м3
  • Геометрический объем 3,318 м3
Цена: 67221 руб.
Подробнее
3К 114-6 м3
Колонны для зданий с промежуточными высотами Серия 1.423.1-5/88
  • Длина 11850 мм.
  • Ширина 700 мм.
  • Высота 400 мм.
  • Вес 8400 кг.
  • Объем бетона 3,3 м3
  • Геометрический объем 3,318 м3
Цена: 67221 руб.
Подробнее
3К 114-7 м3
Колонны для зданий с промежуточными высотами Серия 1.423.1-5/88
  • Длина 11850 мм.
  • Ширина 700 мм.
  • Высота 400 мм.
  • Вес 8400 кг.
  • Объем бетона 3,3 м3
  • Геометрический объем 3,318 м3
Цена: 67221 руб.
Подробнее
3К 114-5 м4
Колонны для зданий с промежуточными высотами Серия 1.423.1-5/88
  • Длина 11850 мм.
  • Ширина 700 мм.
  • Высота 400 мм.
  • Вес 8400 кг.
  • Объем бетона 3,3 м3
  • Геометрический объем 3,318 м3
Цена: 67221 руб.
Подробнее
3К 114-7 м5
Колонны для зданий с промежуточными высотами Серия 1.423.1-5/88
  • Длина 11850 мм.
  • Ширина 700 мм.
  • Высота 400 мм.
  • Вес 8400 кг.
  • Объем бетона 3,3 м3
  • Геометрический объем 3,318 м3
Цена: 67221 руб.
Подробнее
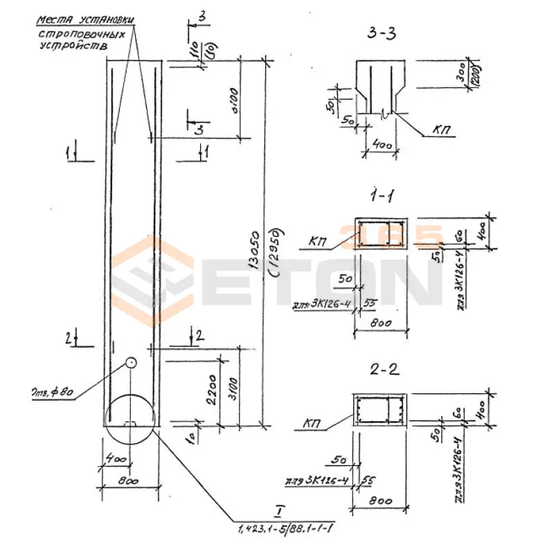
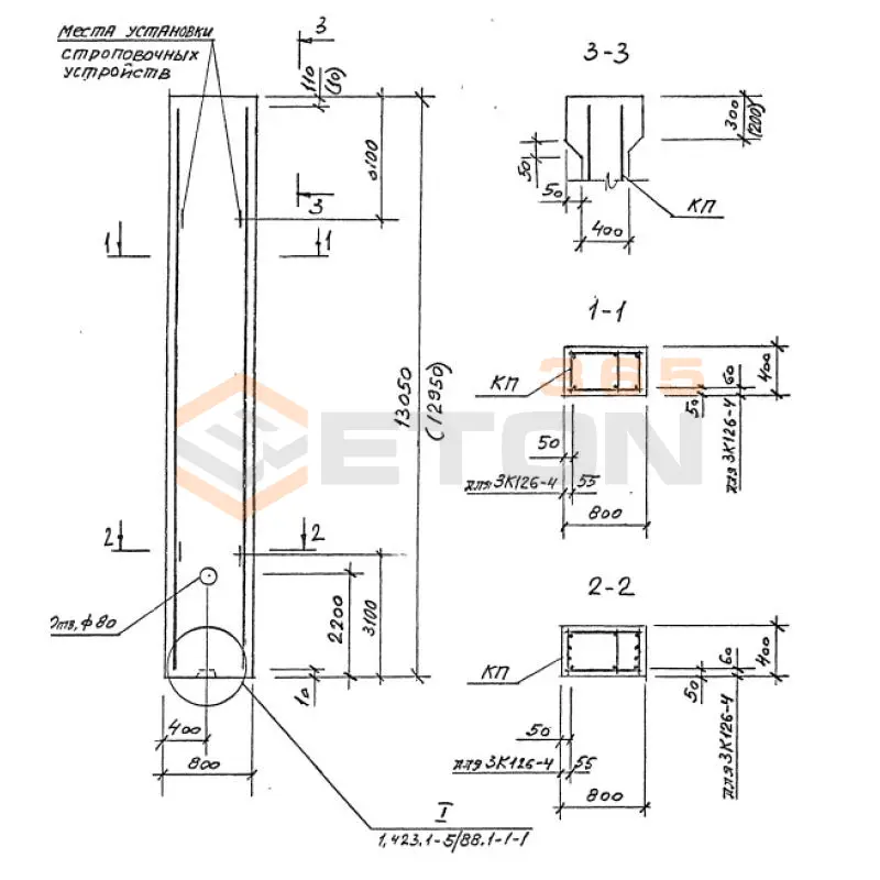
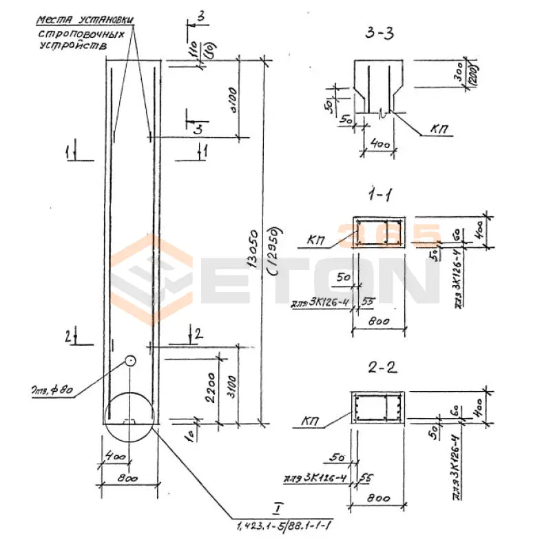
3К 126-1 м3
Колонны для зданий с промежуточными высотами Серия 1.423.1-5/88
  • Длина 13050 мм.
  • Ширина 800 мм.
  • Высота 400 мм.
  • Вес 10500 кг.
  • Объем бетона 4,2 м3
  • Геометрический объем 4,176 м3
Цена: 85554 руб.
Подробнее
3К 126-2 м3
Колонны для зданий с промежуточными высотами Серия 1.423.1-5/88
  • Длина 13050 мм.
  • Ширина 800 мм.
  • Высота 400 мм.
  • Вес 10500 кг.
  • Объем бетона 4,2 м3
  • Геометрический объем 4,176 м3
Цена: 85554 руб.
Подробнее
3К 126-2 м4
Колонны для зданий с промежуточными высотами Серия 1.423.1-5/88
  • Длина 13050 мм.
  • Ширина 800 мм.
  • Высота 400 мм.
  • Вес 10500 кг.
  • Объем бетона 4,2 м3
  • Геометрический объем 4,176 м3
Цена: 85554 руб.
Подробнее
3К 126-3 м3
Колонны для зданий с промежуточными высотами Серия 1.423.1-5/88
  • Длина 13050 мм.
  • Ширина 800 мм.
  • Высота 400 мм.
  • Вес 10500 кг.
  • Объем бетона 4,2 м3
  • Геометрический объем 4,176 м3
Цена: 85554 руб.
Подробнее
3К 126-4 м3
Колонны для зданий с промежуточными высотами Серия 1.423.1-5/88
  • Длина 13050 мм.
  • Ширина 800 мм.
  • Высота 400 мм.
  • Вес 10500 кг.
  • Объем бетона 4,2 м3
  • Геометрический объем 4,176 м3
Цена: 85554 руб.
Подробнее
3К 126-3 м4
Колонны для зданий с промежуточными высотами Серия 1.423.1-5/88
  • Длина 13050 мм.
  • Ширина 800 мм.
  • Высота 400 мм.
  • Вес 10500 кг.
  • Объем бетона 4,2 м3
  • Геометрический объем 4,176 м3
Цена: 85554 руб.
Подробнее
3К 126-4 м4
Колонны для зданий с промежуточными высотами Серия 1.423.1-5/88
  • Длина 13050 мм.
  • Ширина 800 мм.
  • Высота 400 мм.
  • Вес 10500 кг.
  • Объем бетона 4,2 м3
  • Геометрический объем 4,176 м3
Цена: 85554 руб.
Подробнее
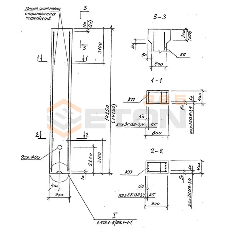
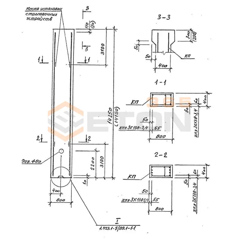
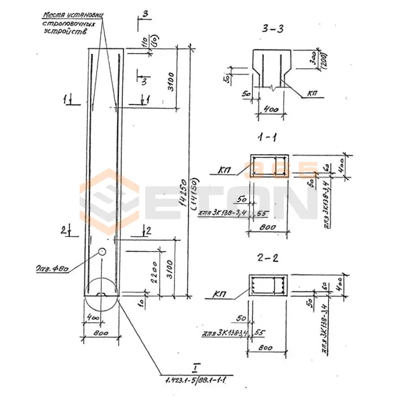
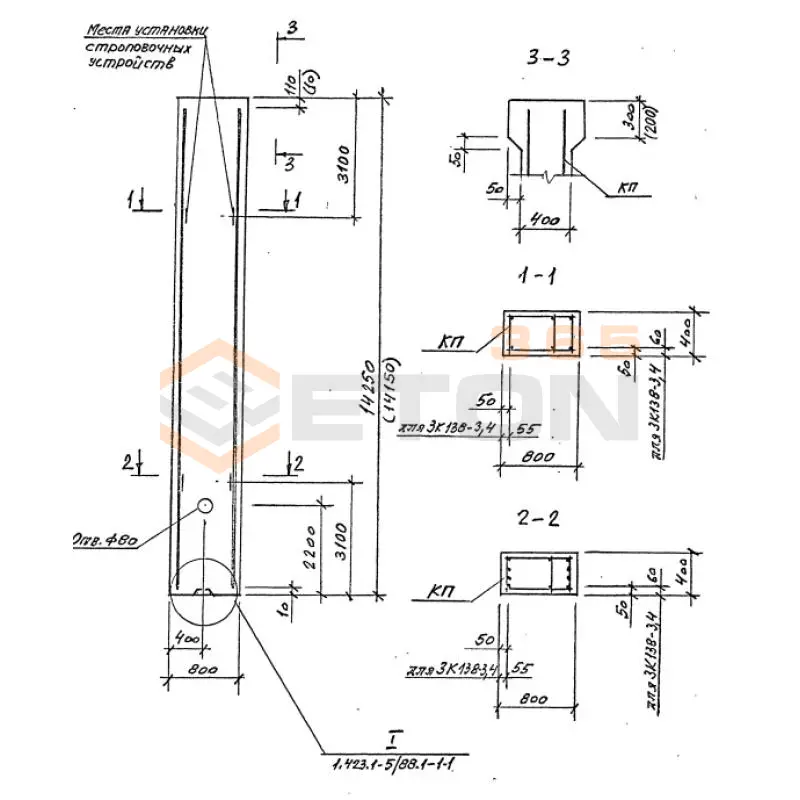
3К 138-1 м4
Колонны для зданий с промежуточными высотами Серия 1.423.1-5/88
  • Длина 14250 мм.
  • Ширина 800 мм.
  • Высота 400 мм.
  • Вес 11500 кг.
  • Объем бетона 4,6 м3
  • Геометрический объем 4,56 м3
Цена: 93702 руб.
Подробнее
3К 138-2 м4
Колонны для зданий с промежуточными высотами Серия 1.423.1-5/88
  • Длина 14250 мм.
  • Ширина 800 мм.
  • Высота 400 мм.
  • Вес 11500 кг.
  • Объем бетона 4,6 м3
  • Геометрический объем 4,56 м3
Цена: 93702 руб.
Подробнее
3К 138-3 м4
Колонны для зданий с промежуточными высотами Серия 1.423.1-5/88
  • Длина 14250 мм.
  • Ширина 800 мм.
  • Высота 400 мм.
  • Вес 11500 кг.
  • Объем бетона 4,6 м3
  • Геометрический объем 4,56 м3
Цена: 93702 руб.
Подробнее
3К 138-4 м4
Колонны для зданий с промежуточными высотами Серия 1.423.1-5/88
  • Длина 14250 мм.
  • Ширина 800 мм.
  • Высота 400 мм.
  • Вес 11500 кг.
  • Объем бетона 4,6 м3
  • Геометрический объем 4,56 м3
Цена: 93702 руб.
Подробнее

Уведомление о файлах cookie

Мы используем файлы cookie для улучшения вашего опыта просмотра и анализа трафика. Нажимая "Принять все", вы соглашаетесь с нашей политикой конфиденциальности и политикой обработки файлов cookie.

MAX Дзен Телеграм Вконтакте vk