mobile_sound +7 (930) 655-55-90

Типовые конструкции и железобетонные изделия. Рабочие чертежи (Серия 1.269-1)

Поделиться:
Поделиться:

Документ Серия 1.269-1 описывает область применения, номенклатуру и ключевые требования, опираясь на действующие нормы и практику проектирования. При строительстве общественных и административно бытовых зданий могут использоваться различные железобетонные строительные материалы, среди которых присутствуют фризовые камни. Их производство детально изложено в Серии 1.269-1, которая была разработана институтом ЦНИИЭП учебных зданий и введён в действие в действие с 1976 года. Регламент описывает технические условия двух видов конструкций: рядовых и угловых.

Файлы для скачивания:
picture_as_pdf

3644.pdf

2,630.2 KB

скачать
Товары Серия 1.269-1 (10)
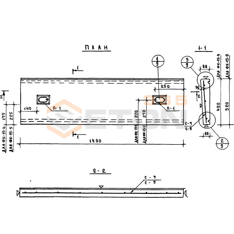
ФК 15-4
Камни фризовые Серия 1.269-1
  • Длина 1490 мм.
  • Ширина 420 мм.
  • Высота 80 мм.
  • Вес 100 кг.
  • Объем бетона 0,043 м3
  • Геометрический объем 0,0501 м3
Цена: 1251 руб.
Подробнее
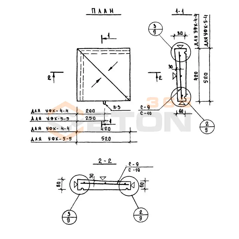
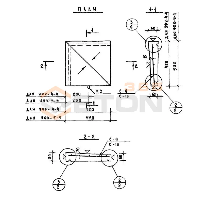
УФК 4-4
Камни фризовые Серия 1.269-1
  • Длина 420 мм.
  • Ширина 420 мм.
  • Высота 80 мм.
  • Вес 30 кг.
  • Объем бетона 0,012 м3
  • Геометрический объем 0,0141 м3
Цена: 349 руб.
Подробнее
ФК 15-5
Камни фризовые Серия 1.269-1
  • Длина 1490 мм.
  • Ширина 520 мм.
  • Высота 80 мм.
  • Вес 135 кг.
  • Объем бетона 0,054 м3
  • Геометрический объем 0,062 м3
Цена: 1571 руб.
Подробнее
ФК 15-7
Камни фризовые Серия 1.269-1
  • Длина 1490 мм.
  • Ширина 700 мм.
  • Высота 80 мм.
  • Вес 175 кг.
  • Объем бетона 0,073 м3
  • Геометрический объем 0,0834 м3
Цена: 2124 руб.
Подробнее
УФК 5-5
Камни фризовые Серия 1.269-1
  • Длина 520 мм.
  • Ширина 520 мм.
  • Высота 80 мм.
  • Вес 50 кг.
  • Объем бетона 0,02 м3
  • Геометрический объем 0,0216 м3
Цена: 582 руб.
Подробнее
ФК 15-8
Камни фризовые Серия 1.269-1
  • Длина 1490 мм.
  • Ширина 800 мм.
  • Высота 80 мм.
  • Вес 200 кг.
  • Объем бетона 0,083 м3
  • Геометрический объем 0,0954 м3
Цена: 2415 руб.
Подробнее
ФК 18-5
Камни фризовые Серия 1.269-1
  • Длина 1790 мм.
  • Ширина 520 мм.
  • Высота 80 мм.
  • Вес 157,5 кг.
  • Объем бетона 0,065 м3
  • Геометрический объем 0,0745 м3
Цена: 1892 руб.
Подробнее
ФК 18-4
Камни фризовые Серия 1.269-1
  • Длина 1790 мм.
  • Ширина 420 мм.
  • Высота 80 мм.
  • Вес 130 кг.
  • Объем бетона 0,052 м3
  • Геометрический объем 0,0601 м3
Цена: 1513 руб.
Подробнее
ФК 18-7
Камни фризовые Серия 1.269-1
  • Длина 1790 мм.
  • Ширина 700 мм.
  • Высота 80 мм.
  • Вес 225 кг.
  • Объем бетона 0,087 м3
  • Геометрический объем 0,1002 м3
Цена: 2532 руб.
Подробнее
ФК 18-8
Камни фризовые Серия 1.269-1
  • Длина 1790 мм.
  • Ширина 800 мм.
  • Высота 80 мм.
  • Вес 250 кг.
  • Объем бетона 0,101 м3
  • Геометрический объем 0,1146 м3
Цена: 2939 руб.
Подробнее

Уведомление о файлах cookie

Мы используем файлы cookie для улучшения вашего опыта просмотра и анализа трафика. Нажимая "Принять все", вы соглашаетесь с нашей политикой конфиденциальности и политикой обработки файлов cookie.

MAX Дзен Телеграм Вконтакте vk