mobile_sound +7 (930) 655-55-90

Типовые конструкции и железобетонные изделия. Рабочие чертежи (Серия 1.251.1-4)

Поделиться:
Поделиться:

Документ Серия 1.251.1-4 описывает область применения, номенклатуру и ключевые требования, опираясь на действующие нормы и практику проектирования. Начиная с 1 мая 1984 года вступил в силу нормативный документ, разработанный институтом ЦНИИЭП учебных зданий, Серия 1.251.1-4. Регламент повествует о производстве лестничных маршей, широко используемых при строительстве общественных зданий в качестве сборных элементов лестничных клеток, обеспечивающих комфортное перемещение людей между этажами. Нормативный документ определяет и регламентирует чертежи конструкций шириной 1200, 1350, 1500 и 1650 мм, отличающихся ребристой формой поперечного сечения и наличием фризовых ступеней.

Файлы для скачивания:
picture_as_pdf

976.pdf

8,628.9 KB

скачать
Товары Серия 1.251.1-4 (23)
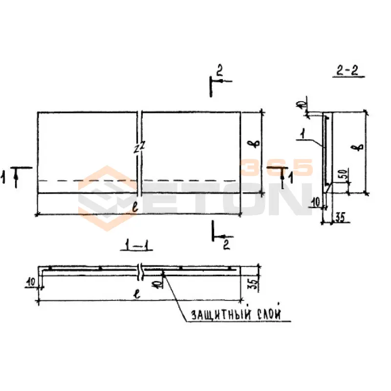
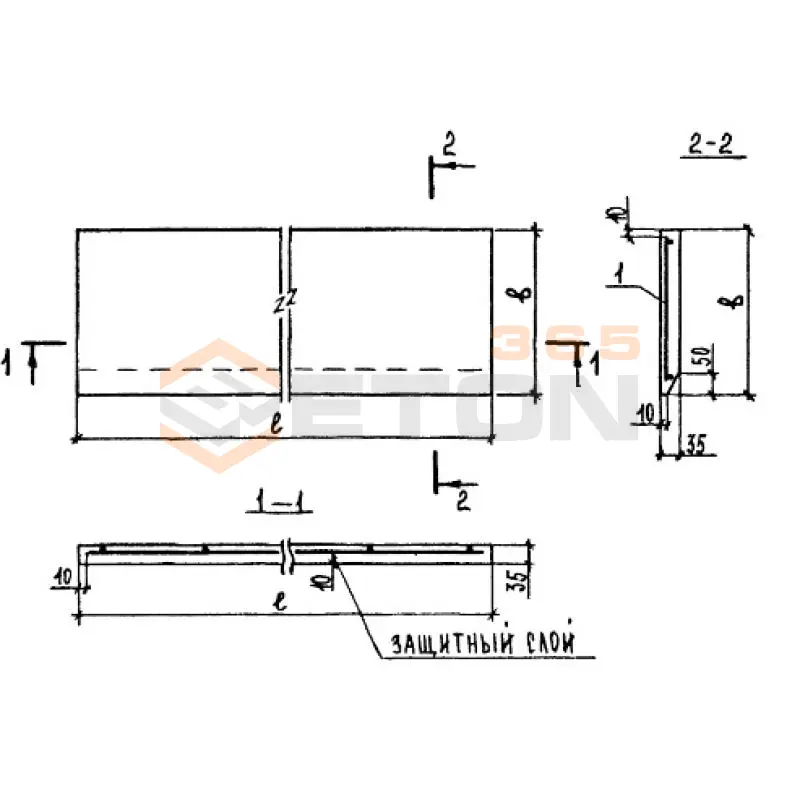
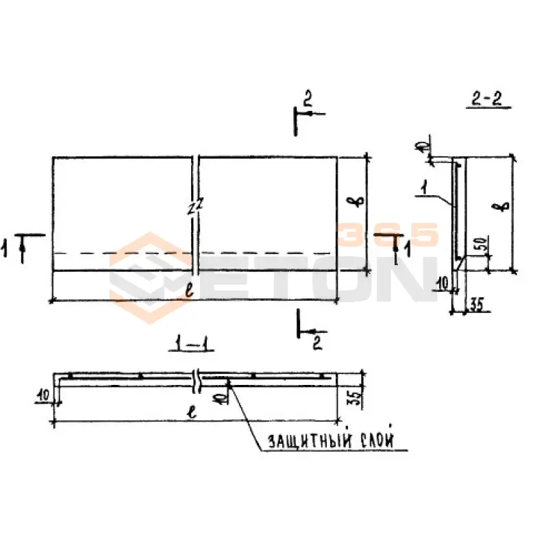
1ЛН 12-3
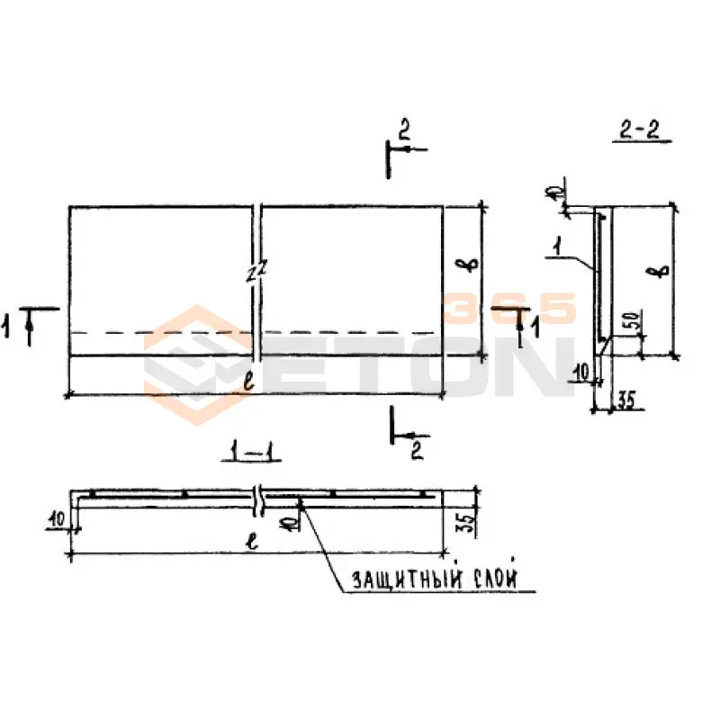
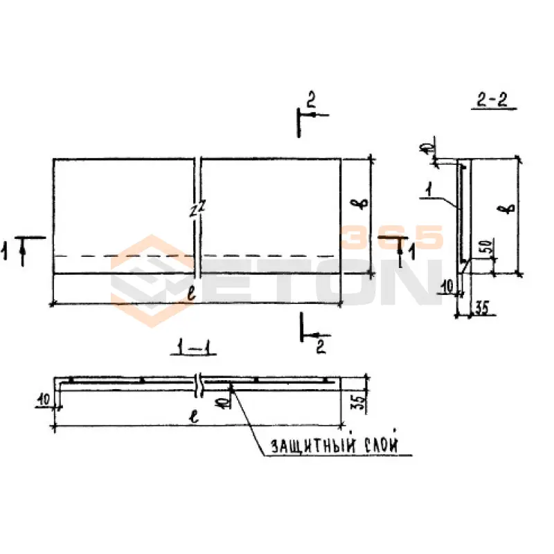
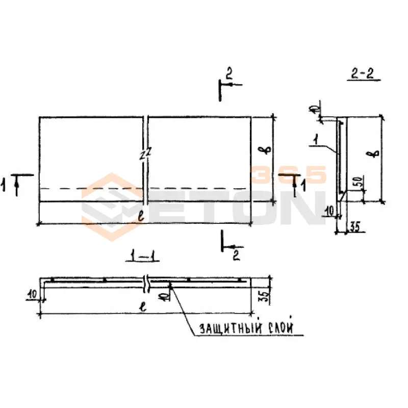
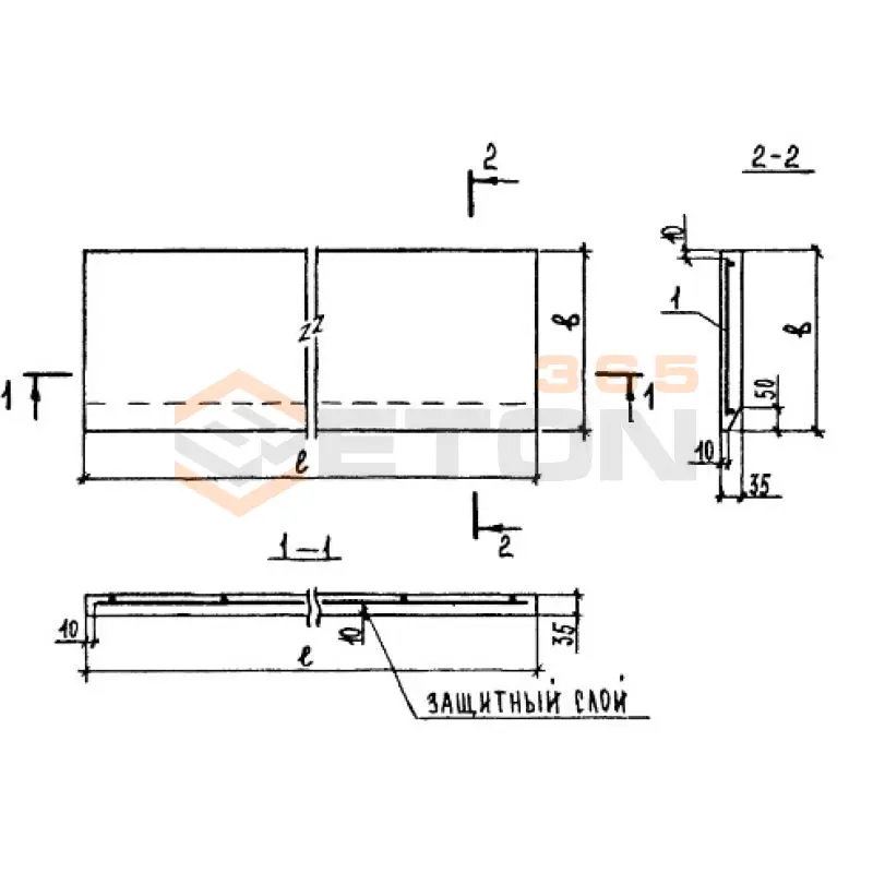
Накладные проступи для укладки на нижние и рядовые ступени маршей 1ЛН серия 1.251.1-4 ( 1.251-3, 1.250-1 )
  • Длина 1200 мм.
  • Ширина 325 мм.
  • Высота 35 мм.
  • Вес 35 кг.
  • Объем бетона 0,01 м3
  • Геометрический объем 0,0137 м3
Цена: 388 руб.
Подробнее
1ЛН 12-2
Накладные проступи для укладки на нижние и рядовые ступени маршей 1ЛН серия 1.251.1-4 ( 1.251-3, 1.250-1 )
  • Длина 1200 мм.
  • Ширина 220 мм.
  • Высота 35 мм.
  • Вес 23 кг.
  • Объем бетона 0,01 м3
  • Геометрический объем 0,0092 м3
Цена: 388 руб.
Подробнее
1ЛН 14-2
Накладные проступи для укладки на нижние и рядовые ступени маршей 1ЛН серия 1.251.1-4 ( 1.251-3, 1.250-1 )
  • Длина 1350 мм.
  • Ширина 220 мм.
  • Высота 35 мм.
  • Вес 25 кг.
  • Объем бетона 0,01 м3
  • Геометрический объем 0,0104 м3
Цена: 388 руб.
Подробнее
1ЛН 14-3
Накладные проступи для укладки на нижние и рядовые ступени маршей 1ЛН серия 1.251.1-4 ( 1.251-3, 1.250-1 )
  • Длина 1350 мм.
  • Ширина 325 мм.
  • Высота 35 мм.
  • Вес 38 кг.
  • Объем бетона 0,02 м3
  • Геометрический объем 0,0154 м3
Цена: 776 руб.
Подробнее
1ЛН 15-2
Накладные проступи для укладки на нижние и рядовые ступени маршей 1ЛН серия 1.251.1-4 ( 1.251-3, 1.250-1 )
  • Длина 1500 мм.
  • Ширина 220 мм.
  • Высота 35 мм.
  • Вес 30 кг.
  • Объем бетона 0,01 м3
  • Геометрический объем 0,0115 м3
Цена: 388 руб.
Подробнее
1ЛН 15-3
Накладные проступи для укладки на нижние и рядовые ступени маршей 1ЛН серия 1.251.1-4 ( 1.251-3, 1.250-1 )
  • Длина 1500 мм.
  • Ширина 325 мм.
  • Высота 35 мм.
  • Вес 43 кг.
  • Объем бетона 0,02 м3
  • Геометрический объем 0,0171 м3
Цена: 776 руб.
Подробнее
1ЛН 17-2
Накладные проступи для укладки на нижние и рядовые ступени маршей 1ЛН серия 1.251.1-4 ( 1.251-3, 1.250-1 )
  • Длина 1650 мм.
  • Ширина 220 мм.
  • Высота 35 мм.
  • Вес 33 кг.
  • Объем бетона 0,01 м3
  • Геометрический объем 0,0127 м3
Цена: 388 руб.
Подробнее
1ЛН 17-3
Накладные проступи для укладки на нижние и рядовые ступени маршей 1ЛН серия 1.251.1-4 ( 1.251-3, 1.250-1 )
  • Длина 1650 мм.
  • Ширина 325 мм.
  • Высота 35 мм.
  • Вес 48 кг.
  • Объем бетона 0,02 м3
  • Геометрический объем 0,0188 м3
Цена: 776 руб.
Подробнее
2ЛН 13-2
Накладные проступи для укладки на площадки и верхние ступени маршей 2ЛН серия 1.251.1-4 ( 1.251-3, 1.250-1 )
  • Длина 1310 мм.
  • Ширина 245 мм.
  • Высота 35 мм.
  • Вес 28 кг.
  • Объем бетона 0,01 м3
  • Геометрический объем 0,0112 м3
Цена: 340 руб.
Подробнее
2ЛН 12-2 в
Накладные проступи для укладки на площадки и верхние ступени маршей 2ЛН серия 1.251.1-4 ( 1.251-3, 1.250-1 )
  • Длина 1200 мм.
  • Ширина 245 мм.
  • Высота 35 мм.
  • Вес 26 кг.
  • Объем бетона 0,0104 м3
  • Геометрический объем 0,0103 м3
Цена: 353 руб.
Подробнее
2ЛН 12-2 ш
Накладные проступи для укладки на площадки и верхние ступени маршей 2ЛН серия 1.251.1-4 ( 1.251-3, 1.250-1 )
  • Длина 1200 мм.
  • Ширина 245 мм.
  • Высота 35 мм.
  • Вес 26 кг.
  • Объем бетона 0,0104 м3
  • Геометрический объем 0,0103 м3
Цена: 353 руб.
Подробнее
2ЛН 14-2 в
Накладные проступи для укладки на площадки и верхние ступени маршей 2ЛН серия 1.251.1-4 ( 1.251-3, 1.250-1 )
  • Длина 1350 мм.
  • Ширина 245 мм.
  • Высота 35 мм.
  • Вес 29 кг.
  • Объем бетона 0,0116 м3
  • Геометрический объем 0,0116 м3
Цена: 394 руб.
Подробнее
2ЛН 14-2
Накладные проступи для укладки на площадки и верхние ступени маршей 2ЛН серия 1.251.1-4 ( 1.251-3, 1.250-1 )
  • Длина 1350 мм.
  • Ширина 245 мм.
  • Высота 35 мм.
  • Вес 29 кг.
  • Объем бетона 0,0116 м3
  • Геометрический объем 0,0116 м3
Цена: 394 руб.
Подробнее
2ЛН 13-2 г
Накладные проступи для укладки на площадки и верхние ступени маршей 2ЛН серия 1.251.1-4 ( 1.251-3, 1.250-1 )
  • Длина 1310 мм.
  • Ширина 245 мм.
  • Высота 35 мм.
  • Вес 28 кг.
  • Объем бетона 0,0112 м3
  • Геометрический объем 0,0112 м3
Цена: 380 руб.
Подробнее
2ЛН 15-2
Накладные проступи для укладки на площадки и верхние ступени маршей 2ЛН серия 1.251.1-4 ( 1.251-3, 1.250-1 )
  • Длина 1470 мм.
  • Ширина 245 мм.
  • Высота 35 мм.
  • Вес 33 кг.
  • Объем бетона 0,01 м3
  • Геометрический объем 0,0126 м3
Цена: 340 руб.
Подробнее
2ЛН 15-2 в
Накладные проступи для укладки на площадки и верхние ступени маршей 2ЛН серия 1.251.1-4 ( 1.251-3, 1.250-1 )
  • Длина 1470 мм.
  • Ширина 245 мм.
  • Высота 35 мм.
  • Вес 32 кг.
  • Объем бетона 0,0128 м3
  • Геометрический объем 0,0126 м3
Цена: 435 руб.
Подробнее
2ЛН 15-2 в
Накладные проступи для укладки на площадки и верхние ступени маршей 2ЛН серия 1.251.1-4 ( 1.251-3, 1.250-1 )
  • Длина 1500 мм.
  • Ширина 245 мм.
  • Высота 35 мм.
  • Вес 32 кг.
  • Объем бетона 0,0128 м3
  • Геометрический объем 0,0129 м3
Цена: 435 руб.
Подробнее
2ЛН 16-2
Накладные проступи для укладки на площадки и верхние ступени маршей 2ЛН серия 1.251.1-4 ( 1.251-3, 1.250-1 )
  • Длина 1620 мм.
  • Ширина 245 мм.
  • Высота 35 мм.
  • Вес 35 кг.
  • Объем бетона 0,01 м3
  • Геометрический объем 0,0139 м3
Цена: 340 руб.
Подробнее
2ЛН 17-2 в
Накладные проступи для укладки на площадки и верхние ступени маршей 2ЛН серия 1.251.1-4 ( 1.251-3, 1.250-1 )
  • Длина 1650 мм.
  • Ширина 245 мм.
  • Высота 35 мм.
  • Вес 35 кг.
  • Объем бетона 0,014 м3
  • Геометрический объем 0,0141 м3
Цена: 475 руб.
Подробнее
2ЛН 17-2 г
Накладные проступи для укладки на площадки и верхние ступени маршей 2ЛН серия 1.251.1-4 ( 1.251-3, 1.250-1 )
  • Длина 1650 мм.
  • Ширина 245 мм.
  • Высота 35 мм.
  • Вес 35 кг.
  • Объем бетона 0,014 м3
  • Геометрический объем 0,0141 м3
Цена: 475 руб.
Подробнее
2ЛН 18-2
Накладные проступи для укладки на площадки и верхние ступени маршей 2ЛН серия 1.251.1-4 ( 1.251-3, 1.250-1 )
  • Длина 1870 мм.
  • Ширина 245 мм.
  • Высота 35 мм.
  • Вес 40 кг.
  • Объем бетона 0,016 м3
  • Геометрический объем 0,016 м3
Цена: 543 руб.
Подробнее
2ЛН 18-2 г
Накладные проступи для укладки на площадки и верхние ступени маршей 2ЛН серия 1.251.1-4 ( 1.251-3, 1.250-1 )
  • Длина 1870 мм.
  • Ширина 245 мм.
  • Высота 35 мм.
  • Вес 40 кг.
  • Объем бетона 0,016 м3
  • Геометрический объем 0,016 м3
Цена: 543 руб.
Подробнее
2ЛН 18-2 ш
Накладные проступи для укладки на площадки и верхние ступени маршей 2ЛН серия 1.251.1-4 ( 1.251-3, 1.250-1 )
  • Длина 1870 мм.
  • Ширина 245 мм.
  • Высота 35 мм.
  • Вес 40 кг.
  • Объем бетона 0,016 м3
  • Геометрический объем 0,016 м3
Цена: 543 руб.
Подробнее

Уведомление о файлах cookie

Мы используем файлы cookie для улучшения вашего опыта просмотра и анализа трафика. Нажимая "Принять все", вы соглашаетесь с нашей политикой конфиденциальности и политикой обработки файлов cookie.

MAX Дзен Телеграм Вконтакте vk