mobile_sound +7 (930) 655-55-90

Типовые конструкции и железобетонные изделия. Рабочие чертежи (Серия 1.220.1-3м)

Поделиться:
Поделиться:

Документ Серия 1.220.1-3м описывает область применения, номенклатуру и ключевые требования, опираясь на действующие нормы и практику проектирования. В суровых климатических условиях для строительства различных сооружений требуются высокопрочные материалы, отличающиеся надежностью и сопротивляемостью вредоносному воздействию низких температур. Для удовлетворения подобных запросов институтом ЛЕНЗНИИЭП был разработан и веден в 1988 году нормативный документ Серия 1.220.1-3м, в котором приведены конструкции, используемые при возведении каркасных общественных зданий на вечномерзлых грунтах. В номенклатурный перечень вошли фундаменты, балки, цокольные экраны, колонны и элементы лестничной клетки.

Файлы для скачивания:
picture_as_pdf

6101.pdf

1,726.1 KB

скачать
picture_as_pdf

6102.pdf

6,234.2 KB

скачать
picture_as_pdf

6103.pdf

4,453.3 KB

скачать
picture_as_pdf

6104.pdf

10,963.3 KB

скачать
picture_as_pdf

6105.pdf

13,690.4 KB

скачать
picture_as_pdf

6106.pdf

2,315.1 KB

скачать
picture_as_pdf

6107.pdf

4,224.6 KB

скачать
picture_as_pdf

6108.pdf

5,773.6 KB

скачать
picture_as_pdf

6109.pdf

1,000.9 KB

скачать
picture_as_pdf

6110.pdf

5,273.8 KB

скачать
picture_as_pdf

6111.pdf

4,862.3 KB

скачать
picture_as_pdf

6112.pdf

4,882.9 KB

скачать
picture_as_pdf

6113.pdf

2,281.9 KB

скачать
picture_as_pdf

6114.pdf

6,007.9 KB

скачать
picture_as_pdf

6115.pdf

2,769.4 KB

скачать
picture_as_pdf

6116.pdf

1,393.8 KB

скачать
picture_as_pdf

6117.pdf

1,636.0 KB

скачать
picture_as_pdf

6118.pdf

2,682.9 KB

скачать
picture_as_pdf

6119.pdf

3,950.5 KB

скачать
picture_as_pdf

6120.pdf

1,569.5 KB

скачать
picture_as_pdf

6121.pdf

3,834.3 KB

скачать
picture_as_pdf

6122.pdf

638.7 KB

скачать
Товары Серия 1.220.1-3м (60)
1ЦБ 23-3-4 п (1.220.1-3м)
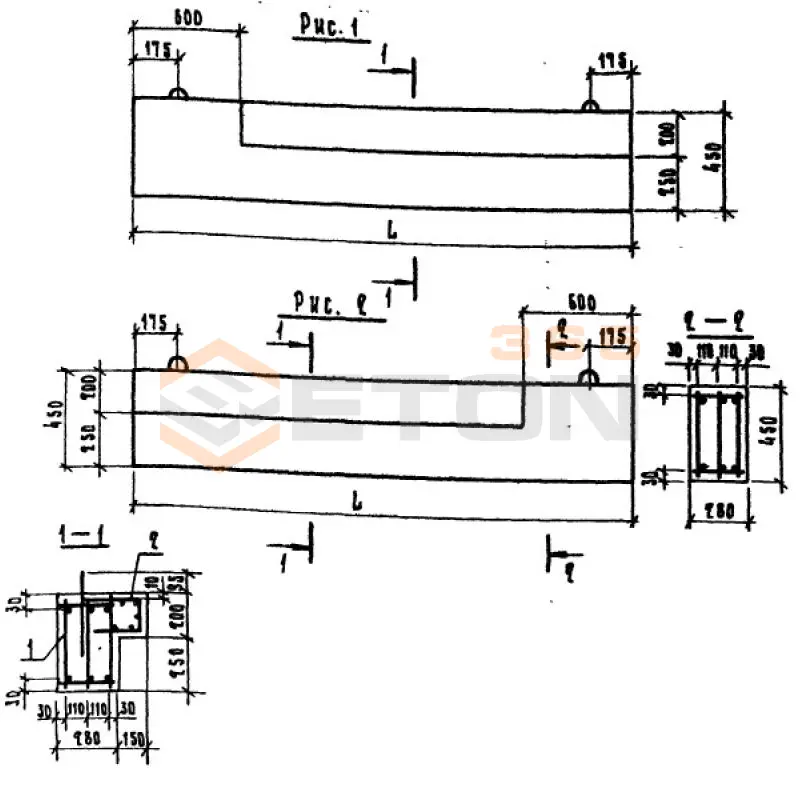
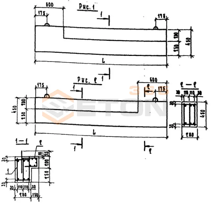
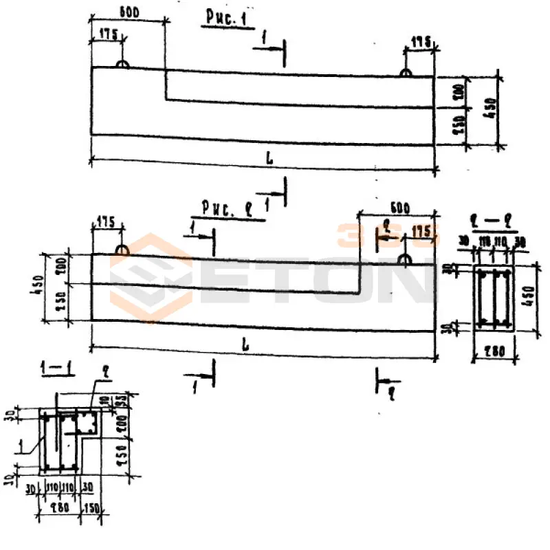
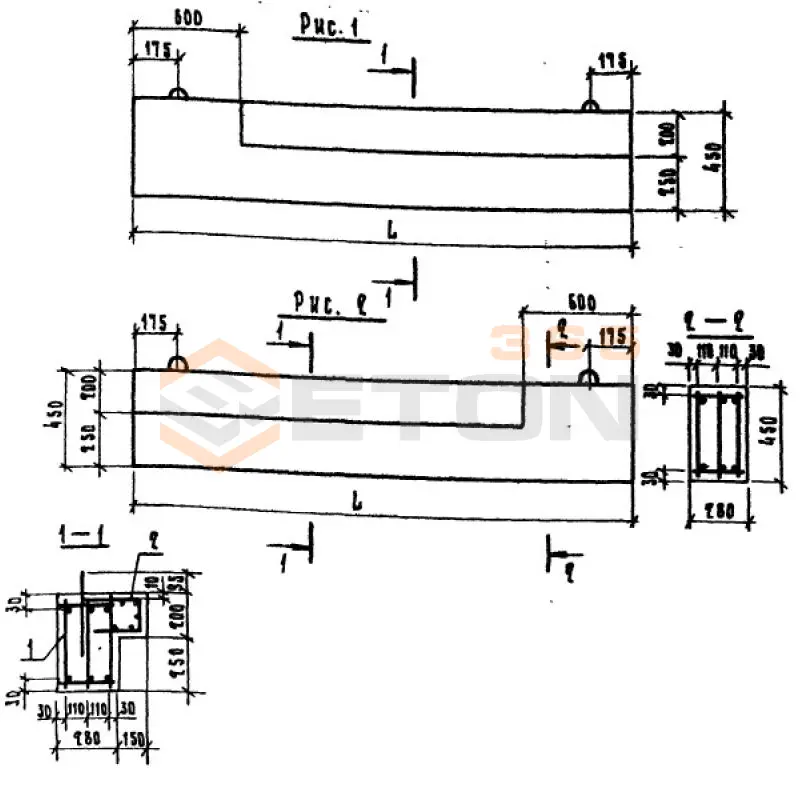
Балки под цокольные экраны Серия 1.220.1-3м
  • Длина 2300 мм.
  • Ширина 430 мм.
  • Высота 450 мм.
  • Вес 523 кг.
  • Объем бетона 0,349 м3
  • Геометрический объем 0,4451 м3
Цена: 16927 руб.
Подробнее
1ЦБ 53-3-4 п (1.220.1-3м)
Балки под цокольные экраны Серия 1.220.1-3м
  • Длина 5300 мм.
  • Ширина 430 мм.
  • Высота 450 мм.
  • Вес 1225 кг.
  • Объем бетона 0,817 м3
  • Геометрический объем 1,0255 м3
Цена: 39625 руб.
Подробнее
ЦБ 23-3-4 п (1.220.1-3м)
Балки под цокольные экраны Серия 1.220.1-3м
  • Длина 2300 мм.
  • Ширина 430 мм.
  • Высота 450 мм.
  • Вес 590 кг.
  • Объем бетона 0,359 м3
  • Геометрический объем 0,4451 м3
Цена: 17412 руб.
Подробнее
2ЦБ 23-3-4 п (1.220.1-3м)
Балки под цокольные экраны Серия 1.220.1-3м
  • Длина 2300 мм.
  • Ширина 430 мм.
  • Высота 450 мм.
  • Вес 523 кг.
  • Объем бетона 0,349 м3
  • Геометрический объем 0,4451 м3
Цена: 16927 руб.
Подробнее
ЦБ 30-3-4 п (1.220.1-3м)
Балки под цокольные экраны Серия 1.220.1-3м
  • Длина 2950 мм.
  • Ширина 430 мм.
  • Высота 450 мм.
  • Вес 636 кг.
  • Объем бетона 0,425 м3
  • Геометрический объем 0,5708 м3
Цена: 20613 руб.
Подробнее
2ЦБ 53-3-4 п (1.220.1-3м)
Балки под цокольные экраны Серия 1.220.1-3м
  • Длина 5300 мм.
  • Ширина 430 мм.
  • Высота 450 мм.
  • Вес 1225 кг.
  • Объем бетона 0,817 м3
  • Геометрический объем 1,0255 м3
Цена: 39625 руб.
Подробнее
ЦБ 53-3-4 п (1.220.1-3м)
Балки под цокольные экраны Серия 1.220.1-3м
  • Длина 5300 мм.
  • Ширина 430 мм.
  • Высота 450 мм.
  • Вес 1360 кг.
  • Объем бетона 0,827 м3
  • Геометрический объем 1,0255 м3
Цена: 40110 руб.
Подробнее
ЦБ 65-3-4 п (1.220.1-3м)
Балки под цокольные экраны Серия 1.220.1-3м
  • Длина 6500 мм.
  • Ширина 430 мм.
  • Высота 450 мм.
  • Вес 1665 кг.
  • Объем бетона 1,015 м3
  • Геометрический объем 1,2577 м3
Цена: 49228 руб.
Подробнее
ЦБ 60-3-4 п (1.220.1-3м)
Балки под цокольные экраны Серия 1.220.1-3м
  • Длина 5950 мм.
  • Ширина 430 мм.
  • Высота 450 мм.
  • Вес 1338 кг.
  • Объем бетона 0,893 м3
  • Геометрический объем 1,1513 м3
Цена: 43311 руб.
Подробнее
1Д 12-22 (1.220.1-3м)
Диафрагмы жесткости Серия 1.220.1-3м
  • Длина 1180 мм.
  • Ширина 265 мм.
  • Высота 2200 мм.
  • Вес 975 кг.
  • Объем бетона 0,62 м3
  • Геометрический объем 0,6879 м3
Цена: 13832 руб.
Подробнее
1Д 12-33 (1.220.1-3м)
Диафрагмы жесткости Серия 1.220.1-3м
  • Длина 1180 мм.
  • Ширина 265 мм.
  • Высота 3270 мм.
  • Вес 1420 кг.
  • Объем бетона 0,57 м3
  • Геометрический объем 1,0225 м3
Цена: 12717 руб.
Подробнее
1Д 27-33 (1.220.1-3м)
Диафрагмы жесткости Серия 1.220.1-3м
  • Длина 2660 мм.
  • Ширина 265 мм.
  • Высота 3270 мм.
  • Вес 3250 кг.
  • Объем бетона 1,3 м3
  • Геометрический объем 2,305 м3
Цена: 29003 руб.
Подробнее
1Д 27-22 (1.220.1-3м)
Диафрагмы жесткости Серия 1.220.1-3м
  • Длина 2660 мм.
  • Ширина 265 мм.
  • Высота 2200 мм.
  • Вес 2250 кг.
  • Объем бетона 0,9 м3
  • Геометрический объем 1,5508 м3
Цена: 20079 руб.
Подробнее
1Д 57-22 (1.220.1-3м)
Диафрагмы жесткости Серия 1.220.1-3м
  • Длина 5660 мм.
  • Ширина 265 мм.
  • Высота 2200 мм.
  • Вес 4775 кг.
  • Объем бетона 1,91 м3
  • Геометрический объем 3,2998 м3
Цена: 42612 руб.
Подробнее
1Д 57-33 (1.220.1-3м)
Диафрагмы жесткости Серия 1.220.1-3м
  • Длина 5660 мм.
  • Ширина 265 мм.
  • Высота 3270 мм.
  • Вес 6900 кг.
  • Объем бетона 2,76 м3
  • Геометрический объем 4,9047 м3
Цена: 61576 руб.
Подробнее
1ДП 27-22 (1.220.1-3м)
Диафрагмы жесткости Серия 1.220.1-3м
  • Длина 2660 мм.
  • Ширина 265 мм.
  • Высота 2200 мм.
  • Вес 1575 кг.
  • Объем бетона 0,63 м3
  • Геометрический объем 1,5508 м3
Цена: 14055 руб.
Подробнее
1Д 57-33 (1.220.1-3м)
Диафрагмы жесткости Серия 1.220.1-3м
  • Длина 5660 мм.
  • Ширина 140 мм.
  • Высота 3270 мм.
  • Вес 5038 кг.
  • Объем бетона 2,15 м3
  • Геометрический объем 2,5911 м3
Цена: 47967 руб.
Подробнее
1ДП 57-22 (1.220.1-3м)
Диафрагмы жесткости Серия 1.220.1-3м
  • Длина 5660 мм.
  • Ширина 265 мм.
  • Высота 2200 мм.
  • Вес 4100 кг.
  • Объем бетона 1,64 м3
  • Геометрический объем 3,2998 м3
Цена: 36588 руб.
Подробнее
1ДП 27-33 (1.220.1-3м)
Диафрагмы жесткости Серия 1.220.1-3м
  • Длина 2660 мм.
  • Ширина 265 мм.
  • Высота 3270 мм.
  • Вес 2225 кг.
  • Объем бетона 0,89 м3
  • Геометрический объем 2,305 м3
Цена: 19856 руб.
Подробнее
1ДП 57-33 (1.220.1-3м)
Диафрагмы жесткости Серия 1.220.1-3м
  • Длина 5660 мм.
  • Ширина 265 мм.
  • Высота 3270 мм.
  • Вес 5875 кг.
  • Объем бетона 2,35 м3
  • Геометрический объем 4,9047 м3
Цена: 52429 руб.
Подробнее
1ДПК 57-22 л (1.220.1-3м)
Диафрагмы жесткости Серия 1.220.1-3м
  • Длина 5660 мм.
  • Ширина 265 мм.
  • Высота 2200 мм.
  • Вес 4100 кг.
  • Объем бетона 1,64 м3
  • Геометрический объем 3,2998 м3
Цена: 36588 руб.
Подробнее
1ДПК 57-33 (1.220.1-3м)
Диафрагмы жесткости Серия 1.220.1-3м
  • Длина 5660 мм.
  • Ширина 265 мм.
  • Высота 3270 мм.
  • Вес 5875 кг.
  • Объем бетона 2,35 м3
  • Геометрический объем 4,9047 м3
Цена: 52429 руб.
Подробнее
1ДПК 57-22 п (1.220.1-3м)
Диафрагмы жесткости Серия 1.220.1-3м
  • Длина 5660 мм.
  • Ширина 265 мм.
  • Высота 2200 мм.
  • Вес 4100 кг.
  • Объем бетона 1,64 м3
  • Геометрический объем 3,2998 м3
Цена: 36588 руб.
Подробнее
1ДПК 57-33 п (1.220.1-3м)
Диафрагмы жесткости Серия 1.220.1-3м
  • Длина 5660 мм.
  • Ширина 265 мм.
  • Высота 3270 мм.
  • Вес 2875 кг.
  • Объем бетона 2,35 м3
  • Геометрический объем 4,9047 м3
Цена: 52429 руб.
Подробнее
Д 12-22 (1.220.1-3м)
Диафрагмы жесткости Серия 1.220.1-3м
  • Длина 1180 мм.
  • Ширина 140 мм.
  • Высота 2200 мм.
  • Вес 900 кг.
  • Объем бетона 0,36 м3
  • Геометрический объем 0,3634 м3
Цена: 8032 руб.
Подробнее
Д 27-22 (1.220.1-3м)
Диафрагмы жесткости Серия 1.220.1-3м
  • Длина 2660 мм.
  • Ширина 140 мм.
  • Высота 2200 мм.
  • Вес 2050 кг.
  • Объем бетона 0,82 м3
  • Геометрический объем 0,8193 м3
Цена: 18294 руб.
Подробнее
Д 12-33 (1.220.1-3м)
Диафрагмы жесткости Серия 1.220.1-3м
  • Длина 1180 мм.
  • Ширина 140 мм.
  • Высота 3270 мм.
  • Вес 1351 кг.
  • Объем бетона 0,54 м3
  • Геометрический объем 0,5402 м3
Цена: 12047 руб.
Подробнее
Д 27-33 (1.220.1-3м)
Диафрагмы жесткости Серия 1.220.1-3м
  • Длина 2660 мм.
  • Ширина 140 мм.
  • Высота 3270 мм.
  • Вес 3050 кг.
  • Объем бетона 1,22 м3
  • Геометрический объем 1,2177 м3
Цена: 27218 руб.
Подробнее
Д 27-7 (1.220.1-3м)
Диафрагмы жесткости Серия 1.220.1-3м
  • Длина 2660 мм.
  • Ширина 300 мм.
  • Высота 690 мм.
  • Вес 1325 кг.
  • Объем бетона 0,53 м3
  • Геометрический объем 0,5506 м3
Цена: 11824 руб.
Подробнее
Д 57-22 (1.220.1-3м)
Диафрагмы жесткости Серия 1.220.1-3м
  • Длина 5660 мм.
  • Ширина 140 мм.
  • Высота 2200 мм.
  • Вес 4350 кг.
  • Объем бетона 1,74 м3
  • Геометрический объем 1,7433 м3
Цена: 38819 руб.
Подробнее
Д 57-33 (1.220.1-3м)
Диафрагмы жесткости Серия 1.220.1-3м
  • Длина 5660 мм.
  • Ширина 140 мм.
  • Высота 3270 мм.
  • Вес 6475 кг.
  • Объем бетона 2,59 м3
  • Геометрический объем 2,5911 м3
Цена: 57783 руб.
Подробнее
ДП 27-22 (1.220.1-3м)
Диафрагмы жесткости Серия 1.220.1-3м
  • Длина 2660 мм.
  • Ширина 140 мм.
  • Высота 2200 мм.
  • Вес 1375 кг.
  • Объем бетона 0,55 м3
  • Геометрический объем 0,8193 м3
Цена: 12271 руб.
Подробнее
Д 69-7 (1.220.1-3м)
Диафрагмы жесткости Серия 1.220.1-3м
  • Длина 6860 мм.
  • Ширина 300 мм.
  • Высота 690 мм.
  • Вес 3450 кг.
  • Объем бетона 1,38 м3
  • Геометрический объем 1,42 м3
Цена: 30788 руб.
Подробнее
ДП 27-33 (1.220.1-3м)
Диафрагмы жесткости Серия 1.220.1-3м
  • Длина 2660 мм.
  • Ширина 140 мм.
  • Высота 3270 мм.
  • Вес 2050 кг.
  • Объем бетона 0,82 м3
  • Геометрический объем 1,2177 м3
Цена: 18294 руб.
Подробнее
ДП 57-22 (1.220.1-3м)
Диафрагмы жесткости Серия 1.220.1-3м
  • Длина 5660 мм.
  • Ширина 140 мм.
  • Высота 2200 мм.
  • Вес 3675 кг.
  • Объем бетона 1,47 м3
  • Геометрический объем 1,7433 м3
Цена: 32796 руб.
Подробнее
Д 57-7 (1.220.1-3м)
Диафрагмы жесткости Серия 1.220.1-3м
  • Длина 5660 мм.
  • Ширина 300 мм.
  • Высота 690 мм.
  • Вес 2850 кг.
  • Объем бетона 1,14 м3
  • Геометрический объем 1,1716 м3
Цена: 25433 руб.
Подробнее
ДПК 57-22 л (1.220.1-3м)
Диафрагмы жесткости Серия 1.220.1-3м
  • Длина 5660 мм.
  • Ширина 140 мм.
  • Высота 2200 мм.
  • Вес 3675 кг.
  • Объем бетона 1,47 м3
  • Геометрический объем 1,7433 м3
Цена: 32796 руб.
Подробнее
ДПК 57-33 п (1.220.1-3м)
Диафрагмы жесткости Серия 1.220.1-3м
  • Длина 5660 мм.
  • Ширина 140 мм.
  • Высота 3270 мм.
  • Вес 5038 кг.
  • Объем бетона 2,15 м3
  • Геометрический объем 2,5911 м3
Цена: 47967 руб.
Подробнее
ДПК 57-33 л (1.220.1-3м)
Диафрагмы жесткости Серия 1.220.1-3м
  • Длина 5660 мм.
  • Ширина 140 мм.
  • Высота 3270 мм.
  • Вес 5038 кг.
  • Объем бетона 2,15 м3
  • Геометрический объем 2,5911 м3
Цена: 47967 руб.
Подробнее
ДПК 57-22 п (1.220.1-3м)
Диафрагмы жесткости Серия 1.220.1-3м
  • Длина 5660 мм.
  • Ширина 140 мм.
  • Высота 2200 мм.
  • Вес 3675 кг.
  • Объем бетона 1,47 м3
  • Геометрический объем 1,7433 м3
Цена: 32796 руб.
Подробнее
К2С 3-33-30,2 (1.220.1-3м)
Колонны Серия 1.220.1-3м
  • Длина 7770 мм.
  • Ширина 300 мм.
  • Высота 300 мм.
  • Вес 1939 кг.
  • Объем бетона 0,74 м3
  • Геометрический объем 0,6993 м3
Цена: 16509 руб.
Подробнее
К3С 3-33-25,2 (1.220.1-3м)
Колонны Серия 1.220.1-3м
  • Длина 11070 мм.
  • Ширина 300 мм.
  • Высота 300 мм.
  • Вес 2717 кг.
  • Объем бетона 1,04 м3
  • Геометрический объем 0,9963 м3
Цена: 23202 руб.
Подробнее
К2С 3-33-30,1 (1.220.1-3м)
Колонны Серия 1.220.1-3м
  • Длина 7770 мм.
  • Ширина 300 мм.
  • Высота 300 мм.
  • Вес 1911 кг.
  • Объем бетона 0,74 м3
  • Геометрический объем 0,6993 м3
Цена: 16509 руб.
Подробнее
К2С 3-33-25,2 (1.220.1-3м)
Колонны Серия 1.220.1-3м
  • Длина 7770 мм.
  • Ширина 300 мм.
  • Высота 300 мм.
  • Вес 1939 кг.
  • Объем бетона 0,74 м3
  • Геометрический объем 0,6993 м3
Цена: 16509 руб.
Подробнее
К2С 3-33-25,1 (1.220.1-3м)
Колонны Серия 1.220.1-3м
  • Длина 7770 мм.
  • Ширина 300 мм.
  • Высота 300 мм.
  • Вес 1911 кг.
  • Объем бетона 0,74 м3
  • Геометрический объем 0,6993 м3
Цена: 16509 руб.
Подробнее
К3С 3-33-25,3 (1.220.1-3м)
Колонны Серия 1.220.1-3м
  • Длина 11070 мм.
  • Ширина 300 мм.
  • Высота 300 мм.
  • Вес 2776 кг.
  • Объем бетона 1,04 м3
  • Геометрический объем 0,9963 м3
Цена: 23202 руб.
Подробнее
К3С 3-33-30,2 (1.220.1-3м)
Колонны Серия 1.220.1-3м
  • Длина 11070 мм.
  • Ширина 300 мм.
  • Высота 300 мм.
  • Вес 2717 кг.
  • Объем бетона 1,04 м3
  • Геометрический объем 0,9963 м3
Цена: 23202 руб.
Подробнее
К3Т 3-33-25,2 (1.220.1-3м)
Колонны Серия 1.220.1-3м
  • Длина 9270 мм.
  • Ширина 300 мм.
  • Высота 300 мм.
  • Вес 2293 кг.
  • Объем бетона 0,87 м3
  • Геометрический объем 0,8343 м3
Цена: 19410 руб.
Подробнее
К3Т 3-33-25,3 (1.220.1-3м)
Колонны Серия 1.220.1-3м
  • Длина 9270 мм.
  • Ширина 300 мм.
  • Высота 300 мм.
  • Вес 2347 кг.
  • Объем бетона 0,87 м3
  • Геометрический объем 0,8343 м3
Цена: 19410 руб.
Подробнее
К3С 3-33-40,2 (1.220.1-3м)
Колонны Серия 1.220.1-3м
  • Длина 11070 мм.
  • Ширина 300 мм.
  • Высота 300 мм.
  • Вес 2717 кг.
  • Объем бетона 1,04 м3
  • Геометрический объем 0,9963 м3
Цена: 23202 руб.
Подробнее
К3С 3-33-30,3 (1.220.1-3м)
Колонны Серия 1.220.1-3м
  • Длина 11070 мм.
  • Ширина 300 мм.
  • Высота 300 мм.
  • Вес 2776 кг.
  • Объем бетона 1,04 м3
  • Геометрический объем 0,9963 м3
Цена: 23202 руб.
Подробнее
К3Т 3-33-30,2 (1.220.1-3м)
Колонны Серия 1.220.1-3м
  • Длина 9270 мм.
  • Ширина 300 мм.
  • Высота 300 мм.
  • Вес 2293 кг.
  • Объем бетона 0,87 м3
  • Геометрический объем 0,8343 м3
Цена: 19410 руб.
Подробнее
К3Т 3-33-30,1 (1.220.1-3м)
Колонны Серия 1.220.1-3м
  • Длина 9270 мм.
  • Ширина 300 мм.
  • Высота 300 мм.
  • Вес 2260 кг.
  • Объем бетона 0,87 м3
  • Геометрический объем 0,8343 м3
Цена: 19410 руб.
Подробнее
К3Т 3-33-40,2 (1.220.1-3м)
Колонны Серия 1.220.1-3м
  • Длина 9270 мм.
  • Ширина 300 мм.
  • Высота 300 мм.
  • Вес 2293 кг.
  • Объем бетона 0,87 м3
  • Геометрический объем 0,8343 м3
Цена: 19410 руб.
Подробнее
К4Т 3-33-30,2 (1.220.1-3м)
Колонны Серия 1.220.1-3м
  • Длина 12570 мм.
  • Ширина 300 мм.
  • Высота 300 мм.
  • Вес 3071 кг.
  • Объем бетона 1,2 м3
  • Геометрический объем 1,1313 м3
Цена: 26772 руб.
Подробнее
К3Т 3-33-30,3 (1.220.1-3м)
Колонны Серия 1.220.1-3м
  • Длина 9270 мм.
  • Ширина 300 мм.
  • Высота 300 мм.
  • Вес 2347 кг.
  • Объем бетона 0,87 м3
  • Геометрический объем 0,8343 м3
Цена: 19410 руб.
Подробнее
К4Т 3-33-40,2 (1.220.1-3м)
Колонны Серия 1.220.1-3м
  • Длина 12570 мм.
  • Ширина 300 мм.
  • Высота 300 мм.
  • Вес 3071 кг.
  • Объем бетона 1,2 м3
  • Геометрический объем 1,1313 м3
Цена: 26772 руб.
Подробнее
К4Т 3-33-40,6 (1.220.1-3м)
Колонны Серия 1.220.1-3м
  • Длина 12570 мм.
  • Ширина 300 мм.
  • Высота 300 мм.
  • Вес 3179 кг.
  • Объем бетона 1,2 м3
  • Геометрический объем 1,1313 м3
Цена: 26772 руб.
Подробнее
К4Т 3-33-40,3 (1.220.1-3м)
Колонны Серия 1.220.1-3м
  • Длина 12570 мм.
  • Ширина 300 мм.
  • Высота 300 мм.
  • Вес 3145 кг.
  • Объем бетона 1,2 м3
  • Геометрический объем 1,1313 м3
Цена: 26772 руб.
Подробнее
КД1С 3-33-25,1 (1.220.1-3м)
Колонны Серия 1.220.1-3м
  • Длина 4470 мм.
  • Ширина 300 мм.
  • Высота 300 мм.
  • Вес 1194 кг.
  • Объем бетона 0,45 м3
  • Геометрический объем 0,4023 м3
Цена: 10040 руб.
Подробнее

Уведомление о файлах cookie

Мы используем файлы cookie для улучшения вашего опыта просмотра и анализа трафика. Нажимая "Принять все", вы соглашаетесь с нашей политикой конфиденциальности и политикой обработки файлов cookie.

MAX Дзен Телеграм Вконтакте vk