mobile_sound +7 (930) 655-55-90

Железобетонные опоры линий электропередачи. Рабочие чертежи (Серия 1.220.1-2)

Поделиться:
Поделиться:

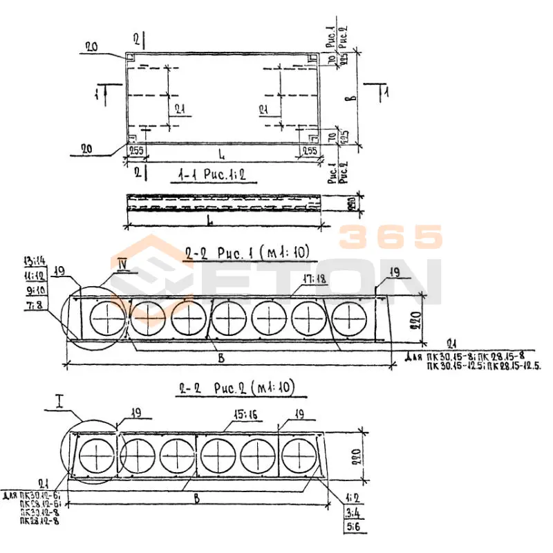
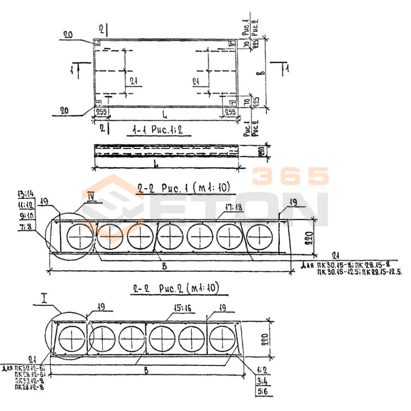
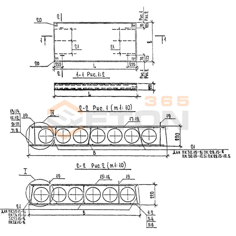
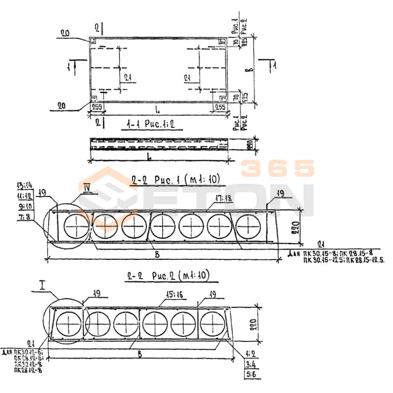
Документ Серия 1.220.1-2 описывает область применения, номенклатуру и ключевые требования, опираясь на действующие нормы и практику проектирования. Центральным институтом типового проектирования Госстроя СССР был разработан регламент Серия 1.220.1-2, введенный в действие с 1981 года. Он детально описывает производство различных сборных железобетонных конструкций, широко используемых при строительстве крупнопанельных общественных зданий, имеющих высоту этажа 3,3 метра. Максимально допустимая длина междуэтажных перекрытий не должна превышать 7,2 метра.

Файлы для скачивания:
picture_as_pdf

4651.pdf

18,459.5 KB

скачать
picture_as_pdf

4657.pdf

2,504.1 KB

скачать
picture_as_pdf

4659.pdf

9,514.7 KB

скачать
picture_as_pdf

4660.pdf

15,219.7 KB

скачать
picture_as_pdf

4658.pdf

5,997.0 KB

скачать
picture_as_pdf

4656.pdf

21,264.2 KB

скачать
picture_as_pdf

4655.pdf

17,847.3 KB

скачать
picture_as_pdf

4654.pdf

10,163.3 KB

скачать
picture_as_pdf

4653.pdf

9,423.8 KB

скачать
picture_as_pdf

4662.pdf

16,612.4 KB

скачать
picture_as_pdf

4652.pdf

16,361.0 KB

скачать
picture_as_pdf

4661.pdf

10,993.3 KB

скачать
Товары Серия 1.220.1-2 (60)
3ПСЦ 12-21-3,5 п
Панели наружных цокольных стен Серия 1.220.1-2
  • Длина 1190 мм.
  • Ширина 350 мм.
  • Высота 2100 мм.
  • Вес 1000 кг.
  • Объем бетона 0,83 м3
  • Геометрический объем 0,8747 м3
Цена: 28179 руб.
Подробнее
3ПСЦ 14-21-3,0 п
Панели наружных цокольных стен Серия 1.220.1-2
  • Длина 1415 мм.
  • Ширина 300 мм.
  • Высота 2100 мм.
  • Вес 1000 кг.
  • Объем бетона 0,83 м3
  • Геометрический объем 0,8914 м3
Цена: 28179 руб.
Подробнее
3ПСЦ 15-21-3,5 п
Панели наружных цокольных стен Серия 1.220.1-2
  • Длина 1465 мм.
  • Ширина 350 мм.
  • Высота 2100 мм.
  • Вес 1300 кг.
  • Объем бетона 1,02 м3
  • Геометрический объем 1,0768 м3
Цена: 34629 руб.
Подробнее
3ПСЦ 18-21-3,0 п
Панели наружных цокольных стен Серия 1.220.1-2
  • Длина 1790 мм.
  • Ширина 300 мм.
  • Высота 2100 мм.
  • Вес 1300 кг.
  • Объем бетона 1,05 м3
  • Геометрический объем 1,1277 м3
Цена: 35648 руб.
Подробнее
3ПСЦ 18-21-3,5 п
Панели наружных цокольных стен Серия 1.220.1-2
  • Длина 1790 мм.
  • Ширина 350 мм.
  • Высота 2100 мм.
  • Вес 1500 кг.
  • Объем бетона 1,24 м3
  • Геометрический объем 1,3156 м3
Цена: 42098 руб.
Подробнее
3ПСЦ 20-21-3,0 п
Панели наружных цокольных стен Серия 1.220.1-2
  • Длина 2015 мм.
  • Ширина 300 мм.
  • Высота 2100 мм.
  • Вес 1500 кг.
  • Объем бетона 1,19 м3
  • Геометрический объем 1,2694 м3
Цена: 40401 руб.
Подробнее
3ПСЦ 21-21-3,5 п
Панели наружных цокольных стен Серия 1.220.1-2
  • Длина 2065 мм.
  • Ширина 350 мм.
  • Высота 2100 мм.
  • Вес 1800 кг.
  • Объем бетона 1,43 м3
  • Геометрический объем 1,5178 м3
Цена: 48549 руб.
Подробнее
ПСЦ 12-21-3,0 п
Панели наружных цокольных стен Серия 1.220.1-2
  • Длина 1190 мм.
  • Ширина 300 мм.
  • Высота 2100 мм.
  • Вес 900 кг.
  • Объем бетона 0,7 м3
  • Геометрический объем 0,7497 м3
Цена: 23765 руб.
Подробнее
ПСЦ 12-21-3,5 п
Панели наружных цокольных стен Серия 1.220.1-2
  • Длина 1190 мм.
  • Ширина 350 мм.
  • Высота 2100 мм.
  • Вес 1000 кг.
  • Объем бетона 0,83 м3
  • Геометрический объем 0,8747 м3
Цена: 28179 руб.
Подробнее
ПСЦ 18-21-3,0 п
Панели наружных цокольных стен Серия 1.220.1-2
  • Длина 1790 мм.
  • Ширина 300 мм.
  • Высота 2100 мм.
  • Вес 1300 кг.
  • Объем бетона 1,05 м3
  • Геометрический объем 1,1277 м3
Цена: 35648 руб.
Подробнее
ПСЦ 18-21-3,5 п
Панели наружных цокольных стен Серия 1.220.1-2
  • Длина 1790 мм.
  • Ширина 350 мм.
  • Высота 2100 мм.
  • Вес 1500 кг.
  • Объем бетона 1,24 м3
  • Геометрический объем 1,3156 м3
Цена: 42098 руб.
Подробнее
ПСЦ 30-21-3,0 п
Панели наружных цокольных стен Серия 1.220.1-2
  • Длина 2990 мм.
  • Ширина 300 мм.
  • Высота 2100 мм.
  • Вес 2200 кг.
  • Объем бетона 1,76 м3
  • Геометрический объем 1,8837 м3
Цена: 59752 руб.
Подробнее
ПСЦ 30-21-3,5 п
Панели наружных цокольных стен Серия 1.220.1-2
  • Длина 2990 мм.
  • Ширина 350 мм.
  • Высота 2100 мм.
  • Вес 2600 кг.
  • Объем бетона 2,07 м3
  • Геометрический объем 2,1976 м3
Цена: 70277 руб.
Подробнее
ПСЦ 36-21-3,0 п
Панели наружных цокольных стен Серия 1.220.1-2
  • Длина 3590 мм.
  • Ширина 300 мм.
  • Высота 2100 мм.
  • Вес 2700 кг.
  • Объем бетона 2,11 м3
  • Геометрический объем 2,2617 м3
Цена: 71635 руб.
Подробнее
ПСЦ 60-21-3,0 п
Панели наружных цокольных стен Серия 1.220.1-2
  • Длина 5990 мм.
  • Ширина 300 мм.
  • Высота 2100 мм.
  • Вес 4400 кг.
  • Объем бетона 3,52 м3
  • Геометрический объем 3,7737 м3
Цена: 119504 руб.
Подробнее
ПСЦ 36-21-3,5 п
Панели наружных цокольных стен Серия 1.220.1-2
  • Длина 3590 мм.
  • Ширина 350 мм.
  • Высота 2100 мм.
  • Вес 3100 кг.
  • Объем бетона 2,49 м3
  • Геометрический объем 2,6387 м3
Цена: 84536 руб.
Подробнее
ПСЦ 60-21-3,5 п
Панели наружных цокольных стен Серия 1.220.1-2
  • Длина 5990 мм.
  • Ширина 350 мм.
  • Высота 2100 мм.
  • Вес 5100 кг.
  • Объем бетона 4,15 м3
  • Геометрический объем 4,4027 м3
Цена: 140893 руб.
Подробнее
1ПСР 58-30-1,6-3 т
Рамы внутренних стен Серия 1.220.1-2
  • Длина 5800 мм.
  • Ширина 160 мм.
  • Высота 3040 мм.
  • Вес 3950 кг.
  • Объем бетона 1,575 м3
  • Геометрический объем 2,8211 м3
Цена: 80971 руб.
Подробнее
ПСР 30-30-1,6-3 т
Рамы внутренних стен Серия 1.220.1-2
  • Длина 2980 мм.
  • Ширина 160 мм.
  • Высота 3040 мм.
  • Вес 2350 кг.
  • Объем бетона 0,927 м3
  • Геометрический объем 1,4495 м3
Цена: 47657 руб.
Подробнее
1ПСР 58-30-1,6-7 т
Рамы внутренних стен Серия 1.220.1-2
  • Длина 5800 мм.
  • Ширина 160 мм.
  • Высота 3040 мм.
  • Вес 3950 кг.
  • Объем бетона 1,575 м3
  • Геометрический объем 2,8211 м3
Цена: 80971 руб.
Подробнее
ПСР 58-30-1,6-7 т
Рамы внутренних стен Серия 1.220.1-2
  • Длина 5800 мм.
  • Ширина 160 мм.
  • Высота 3040 мм.
  • Вес 3950 кг.
  • Объем бетона 1,575 м3
  • Геометрический объем 2,8211 м3
Цена: 80971 руб.
Подробнее
ПСР 59-30-1,6-3 т
Рамы внутренних стен Серия 1.220.1-2
  • Длина 5890 мм.
  • Ширина 160 мм.
  • Высота 3040 мм.
  • Вес 4050 кг.
  • Объем бетона 1,62 м3
  • Геометрический объем 2,8649 м3
Цена: 83284 руб.
Подробнее
ПСР 58-30-1,6-3 т
Рамы внутренних стен Серия 1.220.1-2
  • Длина 5800 мм.
  • Ширина 160 мм.
  • Высота 3040 мм.
  • Вес 3950 кг.
  • Объем бетона 1,575 м3
  • Геометрический объем 2,8211 м3
Цена: 80971 руб.
Подробнее
ПСР 59-30-1,6-7 т
Рамы внутренних стен Серия 1.220.1-2
  • Длина 5890 мм.
  • Ширина 160 мм.
  • Высота 3040 мм.
  • Вес 4050 кг.
  • Объем бетона 1,62 м3
  • Геометрический объем 2,8649 м3
Цена: 83284 руб.
Подробнее
ПСР 60-30-1,6-7 т
Рамы внутренних стен Серия 1.220.1-2
  • Длина 5890 мм.
  • Ширина 160 мм.
  • Высота 3040 мм.
  • Вес 4200 кг.
  • Объем бетона 1,62 м3
  • Геометрический объем 2,8649 м3
Цена: 83284 руб.
Подробнее
ПСР 60-30-1,6-3 т
Рамы внутренних стен Серия 1.220.1-2
  • Длина 5890 мм.
  • Ширина 160 мм.
  • Высота 3040 мм.
  • Вес 4200 кг.
  • Объем бетона 1,62 м3
  • Геометрический объем 2,8649 м3
Цена: 83284 руб.
Подробнее
1ПК 72-12-6 АтVт
Панели перекрытий многопустотные Серия 1.202.1-2
  • Длина 7180 мм.
  • Ширина 1190 мм.
  • Высота 220 мм.
  • Вес 2400 кг.
  • Объем бетона 0,96 м3
  • Геометрический объем 1,8797 м3
Цена: 16762 руб.
Подробнее
1ПК 60-30-6 АтVт
Панели перекрытий многопустотные Серия 1.202.1-2
  • Длина 5980 мм.
  • Ширина 2980 мм.
  • Высота 220 мм.
  • Вес 5430 кг.
  • Объем бетона 2,17 м3
  • Геометрический объем 3,9205 м3
Цена: 37888 руб.
Подробнее
1ПК 60-30-4,5 АтVт
Панели перекрытий многопустотные Серия 1.202.1-2
  • Длина 5980 мм.
  • Ширина 2980 мм.
  • Высота 220 мм.
  • Вес 5430 кг.
  • Объем бетона 2,17 м3
  • Геометрический объем 3,9205 м3
Цена: 37888 руб.
Подробнее
1ПК 72-30-4,5 АтVт
Панели перекрытий многопустотные Серия 1.202.1-2
  • Длина 7180 мм.
  • Ширина 2980 мм.
  • Высота 220 мм.
  • Вес 6800 кг.
  • Объем бетона 2,72 м3
  • Геометрический объем 4,7072 м3
Цена: 47491 руб.
Подробнее
1ПК 72-30-6 АтVт
Панели перекрытий многопустотные Серия 1.202.1-2
  • Длина 7180 мм.
  • Ширина 2980 мм.
  • Высота 220 мм.
  • Вес 6800 кг.
  • Объем бетона 2,72 м3
  • Геометрический объем 4,7072 м3
Цена: 47491 руб.
Подробнее
2ПК 60-30-4,5 АтVт
Панели перекрытий многопустотные Серия 1.202.1-2
  • Длина 5980 мм.
  • Ширина 2980 мм.
  • Высота 220 мм.
  • Вес 5430 кг.
  • Объем бетона 2,17 м3
  • Геометрический объем 3,9205 м3
Цена: 37888 руб.
Подробнее
2ПК 60-30-6 АтVт
Панели перекрытий многопустотные Серия 1.202.1-2
  • Длина 5980 мм.
  • Ширина 2980 мм.
  • Высота 220 мм.
  • Вес 5430 кг.
  • Объем бетона 2,17 м3
  • Геометрический объем 3,9205 м3
Цена: 37888 руб.
Подробнее
ПК 28-12-6 АIIIт
Панели перекрытий многопустотные Серия 1.202.1-2
  • Длина 2820 мм.
  • Ширина 1190 мм.
  • Высота 220 мм.
  • Вес 1000 кг.
  • Объем бетона 0,4 м3
  • Геометрический объем 0,7383 м3
Цена: 6984 руб.
Подробнее
2ПК 72-30-4,5 АтVт
Панели перекрытий многопустотные Серия 1.202.1-2
  • Длина 7180 мм.
  • Ширина 2980 мм.
  • Высота 220 мм.
  • Вес 6800 кг.
  • Объем бетона 2,72 м3
  • Геометрический объем 4,7072 м3
Цена: 47491 руб.
Подробнее
ПК 28-12-8 АIIIт
Панели перекрытий многопустотные Серия 1.202.1-2
  • Длина 2820 мм.
  • Ширина 1190 мм.
  • Высота 220 мм.
  • Вес 1000 кг.
  • Объем бетона 0,4 м3
  • Геометрический объем 0,7383 м3
Цена: 6984 руб.
Подробнее
ПК 28-12-4,5 АIIIт
Панели перекрытий многопустотные Серия 1.202.1-2
  • Длина 2820 мм.
  • Ширина 1190 мм.
  • Высота 220 мм.
  • Вес 1000 кг.
  • Объем бетона 0,4 м3
  • Геометрический объем 0,7383 м3
Цена: 6984 руб.
Подробнее
ПК 28-15-12,5 АIIIт
Панели перекрытий многопустотные Серия 1.202.1-2
  • Длина 2820 мм.
  • Ширина 1490 мм.
  • Высота 220 мм.
  • Вес 1300 кг.
  • Объем бетона 0,52 м3
  • Геометрический объем 0,9244 м3
Цена: 9079 руб.
Подробнее
ПК 28-15-4,5 АIIIт
Панели перекрытий многопустотные Серия 1.202.1-2
  • Длина 2820 мм.
  • Ширина 1490 мм.
  • Высота 220 мм.
  • Вес 1300 кг.
  • Объем бетона 0,52 м3
  • Геометрический объем 0,9244 м3
Цена: 9079 руб.
Подробнее
ПК 28-15-6 АIIIт
Панели перекрытий многопустотные Серия 1.202.1-2
  • Длина 2820 мм.
  • Ширина 1490 мм.
  • Высота 220 мм.
  • Вес 1300 кг.
  • Объем бетона 0,52 м3
  • Геометрический объем 0,9244 м3
Цена: 9079 руб.
Подробнее
ПК 28-15-8 АIIIт
Панели перекрытий многопустотные Серия 1.202.1-2
  • Длина 2820 мм.
  • Ширина 1490 мм.
  • Высота 220 мм.
  • Вес 1300 кг.
  • Объем бетона 0,52 м3
  • Геометрический объем 0,9244 м3
Цена: 9079 руб.
Подробнее
ПК 30-12-6 АIIIт
Панели перекрытий многопустотные Серия 1.202.1-2
  • Длина 2980 мм.
  • Ширина 1190 мм.
  • Высота 220 мм.
  • Вес 1050 кг.
  • Объем бетона 0,42 м3
  • Геометрический объем 0,7802 м3
Цена: 7333 руб.
Подробнее
ПК 30-12-4,5 АIIIт
Панели перекрытий многопустотные Серия 1.202.1-2
  • Длина 2980 мм.
  • Ширина 1190 мм.
  • Высота 220 мм.
  • Вес 1050 кг.
  • Объем бетона 0,42 м3
  • Геометрический объем 0,7802 м3
Цена: 7333 руб.
Подробнее
ПК 30-15-12,5 АIIIт
Панели перекрытий многопустотные Серия 1.202.1-2
  • Длина 2980 мм.
  • Ширина 1490 мм.
  • Высота 220 мм.
  • Вес 1380 кг.
  • Объем бетона 0,55 м3
  • Геометрический объем 0,9768 м3
Цена: 9603 руб.
Подробнее
ПК 30-15-4,5 АIIIт
Панели перекрытий многопустотные Серия 1.202.1-2
  • Длина 2980 мм.
  • Ширина 1490 мм.
  • Высота 220 мм.
  • Вес 1380 кг.
  • Объем бетона 0,55 м3
  • Геометрический объем 0,9768 м3
Цена: 9603 руб.
Подробнее
ПК 30-12-8 АIIIт
Панели перекрытий многопустотные Серия 1.202.1-2
  • Длина 2980 мм.
  • Ширина 1190 мм.
  • Высота 220 мм.
  • Вес 1050 кг.
  • Объем бетона 0,42 м3
  • Геометрический объем 0,7802 м3
Цена: 7333 руб.
Подробнее
ПК 30-15-6 АIIIт
Панели перекрытий многопустотные Серия 1.202.1-2
  • Длина 2980 мм.
  • Ширина 1490 мм.
  • Высота 220 мм.
  • Вес 1380 кг.
  • Объем бетона 0,55 м3
  • Геометрический объем 0,9768 м3
Цена: 9603 руб.
Подробнее
ПК 30-15-8 АIIIт
Панели перекрытий многопустотные Серия 1.202.1-2
  • Длина 2980 мм.
  • Ширина 1490 мм.
  • Высота 220 мм.
  • Вес 1380 кг.
  • Объем бетона 0,55 м3
  • Геометрический объем 0,9768 м3
Цена: 9603 руб.
Подробнее
ПК 58-12-4,5 АтVт
Панели перекрытий многопустотные Серия 1.202.1-2
  • Длина 5820 мм.
  • Ширина 1190 мм.
  • Высота 220 мм.
  • Вес 2075 кг.
  • Объем бетона 0,83 м3
  • Геометрический объем 1,5237 м3
Цена: 14492 руб.
Подробнее
ПК 58-12-6 АтVт
Панели перекрытий многопустотные Серия 1.202.1-2
  • Длина 5820 мм.
  • Ширина 1190 мм.
  • Высота 220 мм.
  • Вес 2075 кг.
  • Объем бетона 0,83 м3
  • Геометрический объем 1,5237 м3
Цена: 14492 руб.
Подробнее
ПК 58-12-8 АтVт
Панели перекрытий многопустотные Серия 1.202.1-2
  • Длина 5820 мм.
  • Ширина 1190 мм.
  • Высота 220 мм.
  • Вес 2075 кг.
  • Объем бетона 0,83 м3
  • Геометрический объем 1,5237 м3
Цена: 14492 руб.
Подробнее
ПК 58-15-12,5 АтVт
Панели перекрытий многопустотные Серия 1.202.1-2
  • Длина 5820 мм.
  • Ширина 1490 мм.
  • Высота 220 мм.
  • Вес 2725 кг.
  • Объем бетона 1,09 м3
  • Геометрический объем 1,9078 м3
Цена: 19031 руб.
Подробнее
ПК 58-15-4,5 АтVт
Панели перекрытий многопустотные Серия 1.202.1-2
  • Длина 5820 мм.
  • Ширина 1490 мм.
  • Высота 220 мм.
  • Вес 2725 кг.
  • Объем бетона 1,09 м3
  • Геометрический объем 1,9078 м3
Цена: 19031 руб.
Подробнее
ПК 58-15-6 АтVт
Панели перекрытий многопустотные Серия 1.202.1-2
  • Длина 5820 мм.
  • Ширина 1490 мм.
  • Высота 220 мм.
  • Вес 2725 кг.
  • Объем бетона 1,09 м3
  • Геометрический объем 1,9078 м3
Цена: 19031 руб.
Подробнее
ПК 58-15-8 АтVт
Панели перекрытий многопустотные Серия 1.202.1-2
  • Длина 5820 мм.
  • Ширина 1490 мм.
  • Высота 220 мм.
  • Вес 2725 кг.
  • Объем бетона 1,09 м3
  • Геометрический объем 1,9078 м3
Цена: 19031 руб.
Подробнее
ПК 58-30-4,5 АтVт
Панели перекрытий многопустотные Серия 1.202.1-2
  • Длина 5820 мм.
  • Ширина 2980 мм.
  • Высота 220 мм.
  • Вес 5400 кг.
  • Объем бетона 2,16 м3
  • Геометрический объем 3,8156 м3
Цена: 37714 руб.
Подробнее
ПК 58-30-6 АтVт
Панели перекрытий многопустотные Серия 1.202.1-2
  • Длина 5820 мм.
  • Ширина 2980 мм.
  • Высота 220 мм.
  • Вес 5400 кг.
  • Объем бетона 2,16 м3
  • Геометрический объем 3,8156 м3
Цена: 37714 руб.
Подробнее
ПК 58-30-8 АтVт
Панели перекрытий многопустотные Серия 1.202.1-2
  • Длина 5820 мм.
  • Ширина 2980 мм.
  • Высота 220 мм.
  • Вес 5400 кг.
  • Объем бетона 2,16 м3
  • Геометрический объем 3,8156 м3
Цена: 37714 руб.
Подробнее
ПК 6-54-12-1
Панели перекрытий многопустотные Серия 1.202.1-2
  • Длина 5380 мм.
  • Ширина 1190 мм.
  • Высота 220 мм.
  • Вес 1900 кг.
  • Объем бетона 0,76 м3
  • Геометрический объем 1,4085 м3
Цена: 13270 руб.
Подробнее
ПК 60-12-4,5 АтVт
Панели перекрытий многопустотные Серия 1.202.1-2
  • Длина 5980 мм.
  • Ширина 1190 мм.
  • Высота 220 мм.
  • Вес 2125 кг.
  • Объем бетона 0,85 м3
  • Геометрический объем 1,5656 м3
Цена: 14841 руб.
Подробнее

Уведомление о файлах cookie

Мы используем файлы cookie для улучшения вашего опыта просмотра и анализа трафика. Нажимая "Принять все", вы соглашаетесь с нашей политикой конфиденциальности и политикой обработки файлов cookie.

MAX Дзен Телеграм Вконтакте vk