mobile_sound +7 (930) 655-55-90

Лестничные марши и площадки. Рабочие чертежи (Серия 1.152.1-9с)

Поделиться:
Поделиться:

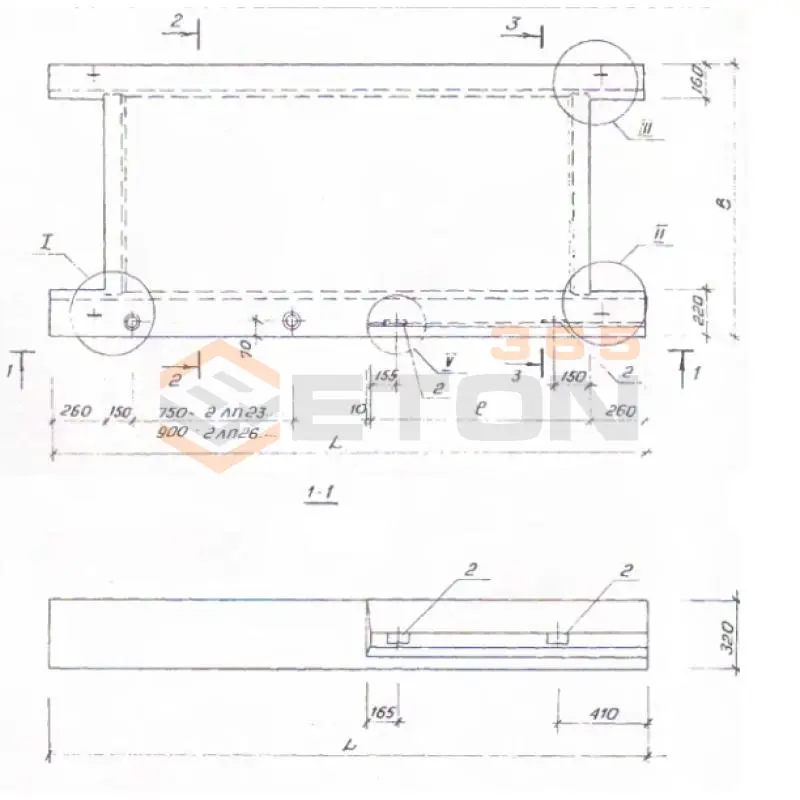
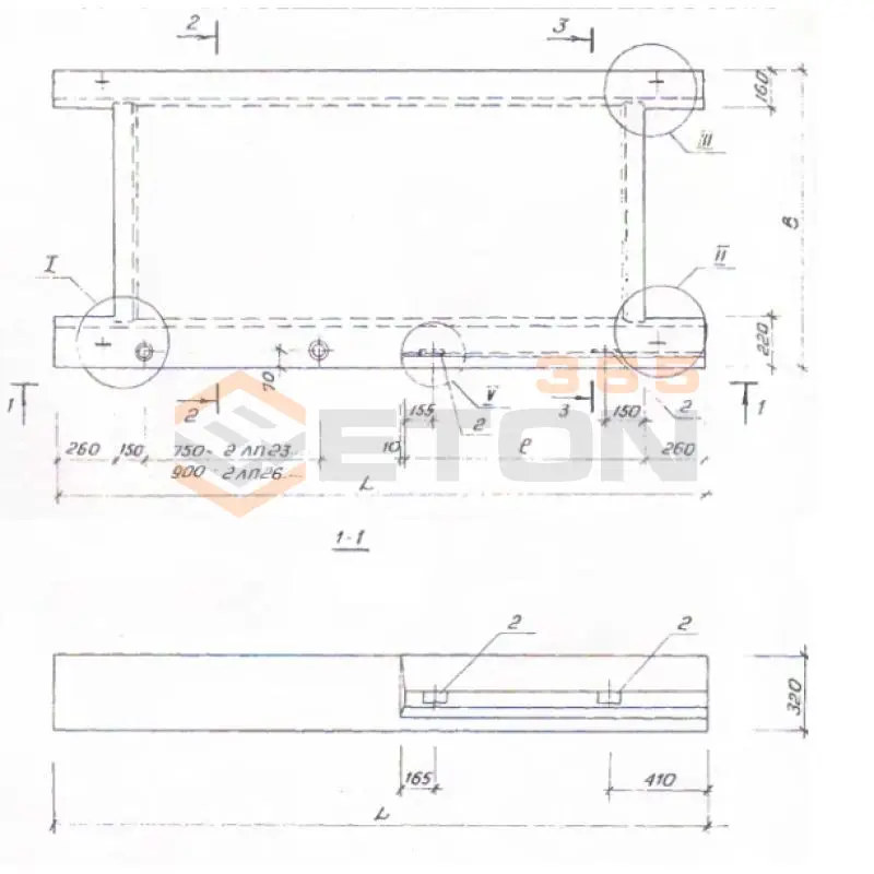
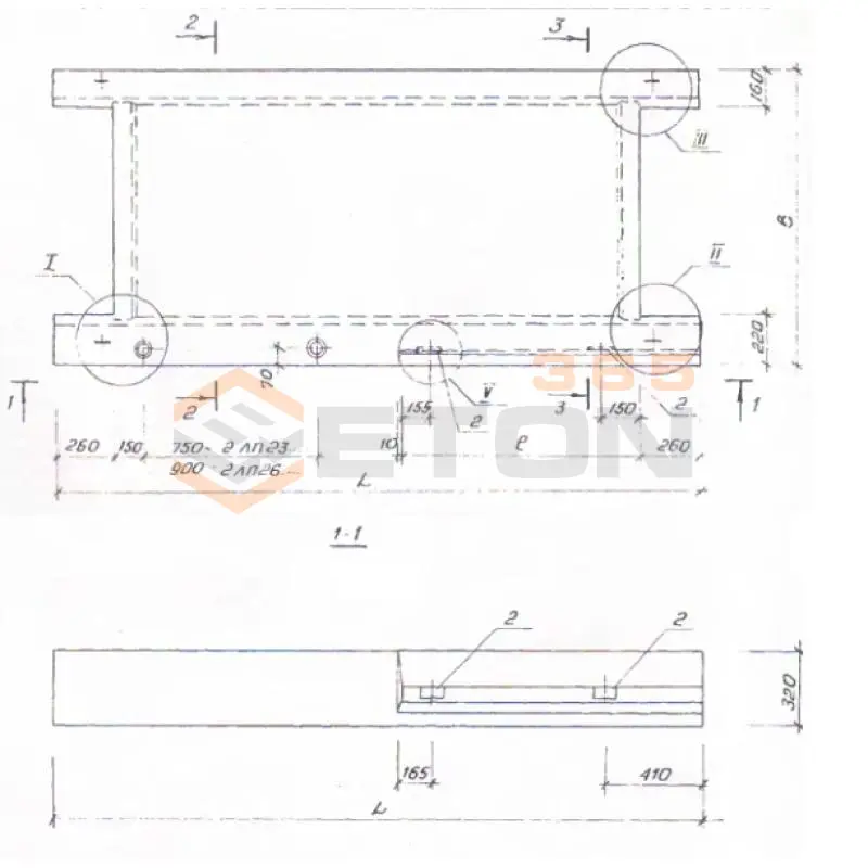
Документ Серия 1.152.1-9с описывает область применения, номенклатуру и ключевые требования, опираясь на действующие нормы и практику проектирования. Нормативный документ Серия 1.152.1-9с был разработан ТашЗНИИЭП и введён в действие в действие с 1988 года после утверждения приказом ГОСКОМАРХИТЕКТУРЫ. Регламент детально разъясняет производство железобетонных лестничных площадок, которые применяются для обустройства межэтажных пролетов в жилых домах с высотой этажа 3 метра. Элементы обладают высокой прочностью и рассчитаны на применение в сейсмически активных районах, где сила толчков достигает 9 баллов.

Файлы для скачивания:
picture_as_pdf

882.pdf

4,524.6 KB

скачать
Товары Серия 1.152.1-9с (27)
2ЛП 23-13-4 кшс
Лестничные площадки Серия 1.152.1-9 с
  • Длина 2820 мм.
  • Ширина 1300 мм.
  • Высота 320 мм.
  • Вес 1230 кг.
  • Объем бетона 0,49 м3
  • Геометрический объем 1,1731 м3
Цена: 11883 руб.
Подробнее
2ЛП 23-13-4 кшс-1
Лестничные площадки Серия 1.152.1-9 с
  • Длина 2820 мм.
  • Ширина 1300 мм.
  • Высота 320 мм.
  • Вес 1230 кг.
  • Объем бетона 0,49 м3
  • Геометрический объем 1,1731 м3
Цена: 11883 руб.
Подробнее
2ЛП 23-13в-4 кшс
Лестничные площадки Серия 1.152.1-9 с
  • Длина 2820 мм.
  • Ширина 1300 мм.
  • Высота 320 мм.
  • Вес 1250 кг.
  • Объем бетона 0,5 м3
  • Геометрический объем 1,1731 м3
Цена: 12125 руб.
Подробнее
2ЛП 23-13в-4 кшс-1
Лестничные площадки Серия 1.152.1-9 с
  • Длина 2820 мм.
  • Ширина 1300 мм.
  • Высота 320 мм.
  • Вес 1250 кг.
  • Объем бетона 0,5 м3
  • Геометрический объем 1,1731 м3
Цена: 12125 руб.
Подробнее
2ЛП 23-16-4 кшс
Лестничные площадки Серия 1.152.1-9 с
  • Длина 2820 мм.
  • Ширина 1600 мм.
  • Высота 320 мм.
  • Вес 1150 кг.
  • Объем бетона 0,46 м3
  • Геометрический объем 1,4438 м3
Цена: 11155 руб.
Подробнее
2ЛП 23-16-4 кшс-1
Лестничные площадки Серия 1.152.1-9 с
  • Длина 2820 мм.
  • Ширина 1600 мм.
  • Высота 320 мм.
  • Вес 1400 кг.
  • Объем бетона 0,56 м3
  • Геометрический объем 1,4438 м3
Цена: 13580 руб.
Подробнее
2ЛП 23-16в-4 кшс
Лестничные площадки Серия 1.152.1-9 с
  • Длина 2820 мм.
  • Ширина 1600 мм.
  • Высота 320 мм.
  • Вес 1430 кг.
  • Объем бетона 0,57 м3
  • Геометрический объем 1,4438 м3
Цена: 13823 руб.
Подробнее
2ЛП 23-16в-4 кшс-1
Лестничные площадки Серия 1.152.1-9 с
  • Длина 2820 мм.
  • Ширина 1600 мм.
  • Высота 320 мм.
  • Вес 1430 кг.
  • Объем бетона 0,57 м3
  • Геометрический объем 1,4438 м3
Цена: 13823 руб.
Подробнее
2ЛП 23-19-4 кшс
Лестничные площадки Серия 1.152.1-9 с
  • Длина 2820 мм.
  • Ширина 1900 мм.
  • Высота 320 мм.
  • Вес 1580 кг.
  • Объем бетона 0,63 м3
  • Геометрический объем 1,7146 м3
Цена: 15278 руб.
Подробнее
2ЛП 23-19-4 кшс-1
Лестничные площадки Серия 1.152.1-9 с
  • Длина 2820 мм.
  • Ширина 1900 мм.
  • Высота 320 мм.
  • Вес 1580 кг.
  • Объем бетона 0,63 м3
  • Геометрический объем 1,7146 м3
Цена: 15278 руб.
Подробнее
2ЛП 23-19в-4 кшс
Лестничные площадки Серия 1.152.1-9 с
  • Длина 2820 мм.
  • Ширина 1900 мм.
  • Высота 320 мм.
  • Вес 1600 кг.
  • Объем бетона 0,64 м3
  • Геометрический объем 1,7146 м3
Цена: 15520 руб.
Подробнее
2ЛП 23-19в-4 кшс-1
Лестничные площадки Серия 1.152.1-9 с
  • Длина 2820 мм.
  • Ширина 1900 мм.
  • Высота 320 мм.
  • Вес 1600 кг.
  • Объем бетона 0,64 м3
  • Геометрический объем 1,7146 м3
Цена: 15520 руб.
Подробнее
2ЛП 26-13-4 кшс
Лестничные площадки Серия 1.152.1-9 с
  • Длина 3120 мм.
  • Ширина 1300 мм.
  • Высота 320 мм.
  • Вес 1400 кг.
  • Объем бетона 0,56 м3
  • Геометрический объем 1,2979 м3
Цена: 13580 руб.
Подробнее
2ЛП 26-13-4 кс
Лестничные площадки Серия 1.152.1-9 с
  • Длина 3120 мм.
  • Ширина 1300 мм.
  • Высота 320 мм.
  • Вес 1225 кг.
  • Объем бетона 0,49 м3
  • Геометрический объем 1,2979 м3
Цена: 11883 руб.
Подробнее
2ЛП 26-13-4 кшс-1
Лестничные площадки Серия 1.152.1-9 с
  • Длина 3120 мм.
  • Ширина 1300 мм.
  • Высота 320 мм.
  • Вес 1400 кг.
  • Объем бетона 0,56 м3
  • Геометрический объем 1,2979 м3
Цена: 13580 руб.
Подробнее
2ЛП 26-13в-4 кшс
Лестничные площадки Серия 1.152.1-9 с
  • Длина 3120 мм.
  • Ширина 1300 мм.
  • Высота 320 мм.
  • Вес 1430 кг.
  • Объем бетона 0,57 м3
  • Геометрический объем 1,2979 м3
Цена: 13823 руб.
Подробнее
2ЛП 26-13в-4 кшс-1
Лестничные площадки Серия 1.152.1-9 с
  • Длина 3120 мм.
  • Ширина 1300 мм.
  • Высота 320 мм.
  • Вес 1430 кг.
  • Объем бетона 0,57 м3
  • Геометрический объем 1,2979 м3
Цена: 13823 руб.
Подробнее
2ЛП 26-16-4 кс
Лестничные площадки Серия 1.152.1-9 с
  • Длина 3120 мм.
  • Ширина 1600 мм.
  • Высота 320 мм.
  • Вес 1600 кг.
  • Объем бетона 0,64 м3
  • Геометрический объем 1,5974 м3
Цена: 15520 руб.
Подробнее
2ЛП 26-16-4 кшс
Лестничные площадки Серия 1.152.1-9 с
  • Длина 2600 мм.
  • Ширина 1600 мм.
  • Высота 300 мм.
  • Вес 1380 кг.
  • Объем бетона 0,55 м3
  • Геометрический объем 1,248 м3
Цена: 13338 руб.
Подробнее
2ЛП 26-16-4 кшс
Лестничные площадки Серия 1.152.1-9 с
  • Длина 3120 мм.
  • Ширина 1600 мм.
  • Высота 320 мм.
  • Вес 1375 кг.
  • Объем бетона 0,55 м3
  • Геометрический объем 1,5974 м3
Цена: 13338 руб.
Подробнее
2ЛП 26-16-4 кшс-1
Лестничные площадки Серия 1.152.1-9 с
  • Длина 3120 мм.
  • Ширина 1600 мм.
  • Высота 320 мм.
  • Вес 1600 кг.
  • Объем бетона 0,64 м3
  • Геометрический объем 1,5974 м3
Цена: 15520 руб.
Подробнее
2ЛП 26-16в-4 кшс
Лестничные площадки Серия 1.152.1-9 с
  • Длина 3120 мм.
  • Ширина 1600 мм.
  • Высота 320 мм.
  • Вес 1630 кг.
  • Объем бетона 0,65 м3
  • Геометрический объем 1,5974 м3
Цена: 15763 руб.
Подробнее
2ЛП 26-16в-4 кшс-1
Лестничные площадки Серия 1.152.1-9 с
  • Длина 3120 мм.
  • Ширина 1600 мм.
  • Высота 320 мм.
  • Вес 1630 кг.
  • Объем бетона 0,65 м3
  • Геометрический объем 1,5974 м3
Цена: 15763 руб.
Подробнее
2ЛП 26-19-4 кшс
Лестничные площадки Серия 1.152.1-9 с
  • Длина 3120 мм.
  • Ширина 1900 мм.
  • Высота 320 мм.
  • Вес 1830 кг.
  • Объем бетона 0,73 м3
  • Геометрический объем 1,897 м3
Цена: 17703 руб.
Подробнее
2ЛП 26-19-4 кшс-1
Лестничные площадки Серия 1.152.1-9 с
  • Длина 3120 мм.
  • Ширина 1900 мм.
  • Высота 320 мм.
  • Вес 1830 кг.
  • Объем бетона 0,73 м3
  • Геометрический объем 1,897 м3
Цена: 17703 руб.
Подробнее
2ЛП 26-19в-4 кшс
Лестничные площадки Серия 1.152.1-9 с
  • Длина 3120 мм.
  • Ширина 1900 мм.
  • Высота 320 мм.
  • Вес 1850 кг.
  • Объем бетона 0,74 м3
  • Геометрический объем 1,897 м3
Цена: 17945 руб.
Подробнее
2ЛП 26-19в-4 кшс-1
Лестничные площадки Серия 1.152.1-9 с
  • Длина 3120 мм.
  • Ширина 1900 мм.
  • Высота 320 мм.
  • Вес 1850 кг.
  • Объем бетона 0,74 м3
  • Геометрический объем 1,897 м3
Цена: 17945 руб.
Подробнее

Уведомление о файлах cookie

Мы используем файлы cookie для улучшения вашего опыта просмотра и анализа трафика. Нажимая "Принять все", вы соглашаетесь с нашей политикой конфиденциальности и политикой обработки файлов cookie.

MAX Дзен Телеграм Вконтакте vk