mobile_sound +7 (930) 655-55-90

Типовые конструкции и железобетонные изделия. Рабочие чертежи (Серия 1.137.1-6)

Поделиться:
Поделиться:

Документ Серия 1.137.1-6 описывает область применения, номенклатуру и ключевые требования, опираясь на действующие нормы и практику проектирования. Центральным институтом типового проектирования ГОССТРОЯ СССР в 1989 году был разработан и введён в действие в эксплуатацию нормативный документ Серия 1.137.1-6. Регламент описывает производство и отражает опалубочные чертежи панелей перекрытий для лоджий. изделия и конструкции применяются при возведении жилых домов, имеющих 5 и 9 этажей в высоту, стены которых выполнены из кирпича или крупных блоков из легких бетонов.

Файлы для скачивания:
picture_as_pdf

3835.pdf

13,844.5 KB

скачать
Товары Серия 1.137.1-6 (27)
ПРЛ 30-12-3
Панели перекрытия лоджий Серия 1.137.1-6
  • Длина 2980 мм.
  • Ширина 1190 мм.
  • Высота 300 мм.
  • Вес 1180 кг.
  • Объем бетона 0,472 м3
  • Геометрический объем 1,0639 м3
Цена: 32049 руб.
Подробнее
ПРЛ 27-12-3
Панели перекрытия лоджий Серия 1.137.1-6
  • Длина 2680 мм.
  • Ширина 1190 мм.
  • Высота 300 мм.
  • Вес 1080 кг.
  • Объем бетона 0,432 м3
  • Геометрический объем 0,9568 м3
Цена: 29333 руб.
Подробнее
ПРЛ 42-12-3 л
Панели перекрытия лоджий Серия 1.137.1-6
  • Длина 4180 мм.
  • Ширина 1190 мм.
  • Высота 300 мм.
  • Вес 1600 кг.
  • Объем бетона 0,64 м3
  • Геометрический объем 1,4923 м3
Цена: 43456 руб.
Подробнее
ПРЛ 42-12-3 п
Панели перекрытия лоджий Серия 1.137.1-6
  • Длина 4180 мм.
  • Ширина 1190 мм.
  • Высота 300 мм.
  • Вес 1600 кг.
  • Объем бетона 0,64 м3
  • Геометрический объем 1,4923 м3
Цена: 43456 руб.
Подробнее
ПРЛ 36-12-3
Панели перекрытия лоджий Серия 1.137.1-6
  • Длина 3580 мм.
  • Ширина 1190 мм.
  • Высота 300 мм.
  • Вес 1400 кг.
  • Объем бетона 0,56 м3
  • Геометрический объем 1,2781 м3
Цена: 38024 руб.
Подробнее
ПРЛ 45-12-3
Панели перекрытия лоджий Серия 1.137.1-6
  • Длина 4480 мм.
  • Ширина 1190 мм.
  • Высота 300 мм.
  • Вес 1700 кг.
  • Объем бетона 0,68 м3
  • Геометрический объем 1,5994 м3
Цена: 46172 руб.
Подробнее
ПРЛ 42-12-3
Панели перекрытия лоджий Серия 1.137.1-6
  • Длина 4180 мм.
  • Ширина 1190 мм.
  • Высота 300 мм.
  • Вес 1600 кг.
  • Объем бетона 0,64 м3
  • Геометрический объем 1,4923 м3
Цена: 43456 руб.
Подробнее
ПРЛ 48-12-3 п
Панели перекрытия лоджий Серия 1.137.1-6
  • Длина 4780 мм.
  • Ширина 1190 мм.
  • Высота 300 мм.
  • Вес 1750 кг.
  • Объем бетона 0,7 м3
  • Геометрический объем 1,7065 м3
Цена: 47530 руб.
Подробнее
ПРЛ 45-12-3 п
Панели перекрытия лоджий Серия 1.137.1-6
  • Длина 4480 мм.
  • Ширина 1190 мм.
  • Высота 300 мм.
  • Вес 1650 кг.
  • Объем бетона 0,66 м3
  • Геометрический объем 1,5994 м3
Цена: 44814 руб.
Подробнее
ПРЛ 48-12-3 л
Панели перекрытия лоджий Серия 1.137.1-6
  • Длина 4780 мм.
  • Ширина 1190 мм.
  • Высота 300 мм.
  • Вес 1750 кг.
  • Объем бетона 0,7 м3
  • Геометрический объем 1,7065 м3
Цена: 47530 руб.
Подробнее
ПРЛ 48-12-3
Панели перекрытия лоджий Серия 1.137.1-6
  • Длина 4780 мм.
  • Ширина 1190 мм.
  • Высота 300 мм.
  • Вес 1800 кг.
  • Объем бетона 0,72 м3
  • Геометрический объем 1,7065 м3
Цена: 48888 руб.
Подробнее
ПРЛ 45-12-3 л
Панели перекрытия лоджий Серия 1.137.1-6
  • Длина 4480 мм.
  • Ширина 1190 мм.
  • Высота 300 мм.
  • Вес 1650 кг.
  • Объем бетона 0,66 м3
  • Геометрический объем 1,5994 м3
Цена: 44814 руб.
Подробнее
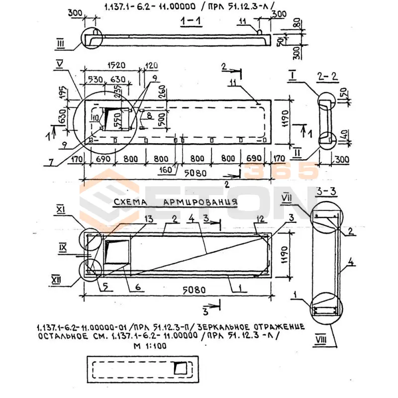
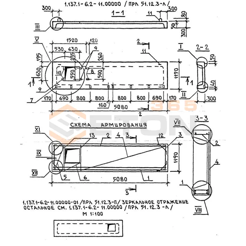
ПРЛ 51-12-3
Панели перекрытия лоджий Серия 1.137.1-6
  • Длина 5080 мм.
  • Ширина 1190 мм.
  • Высота 300 мм.
  • Вес 1930 кг.
  • Объем бетона 0,77 м3
  • Геометрический объем 1,8136 м3
Цена: 52283 руб.
Подробнее
ПРЛ 51-12-3 л
Панели перекрытия лоджий Серия 1.137.1-6
  • Длина 5080 мм.
  • Ширина 1190 мм.
  • Высота 300 мм.
  • Вес 1880 кг.
  • Объем бетона 0,75 м3
  • Геометрический объем 1,8136 м3
Цена: 50925 руб.
Подробнее
ПРЛ 51-12-3 п
Панели перекрытия лоджий Серия 1.137.1-6
  • Длина 5080 мм.
  • Ширина 1190 мм.
  • Высота 300 мм.
  • Вес 1880 кг.
  • Объем бетона 0,75 м3
  • Геометрический объем 1,8136 м3
Цена: 50925 руб.
Подробнее
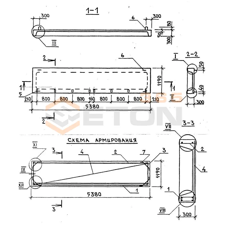
ПРЛ 54-12-3
Панели перекрытия лоджий Серия 1.137.1-6
  • Длина 5380 мм.
  • Ширина 1190 мм.
  • Высота 300 мм.
  • Вес 2030 кг.
  • Объем бетона 0,812 м3
  • Геометрический объем 1,9207 м3
Цена: 55135 руб.
Подробнее
ПРЛ 54-12-3 л
Панели перекрытия лоджий Серия 1.137.1-6
  • Длина 5380 мм.
  • Ширина 1190 мм.
  • Высота 300 мм.
  • Вес 1980 кг.
  • Объем бетона 0,792 м3
  • Геометрический объем 1,9207 м3
Цена: 53777 руб.
Подробнее
ПРЛ 54-15-3
Панели перекрытия лоджий Серия 1.137.1-6
  • Длина 5380 мм.
  • Ширина 1490 мм.
  • Высота 300 мм.
  • Вес 2300 кг.
  • Объем бетона 0,92 м3
  • Геометрический объем 2,4049 м3
Цена: 62468 руб.
Подробнее
ПРЛ 54-15-3 п
Панели перекрытия лоджий Серия 1.137.1-6
  • Длина 5380 мм.
  • Ширина 1490 мм.
  • Высота 300 мм.
  • Вес 2250 кг.
  • Объем бетона 0,9 м3
  • Геометрический объем 2,4049 м3
Цена: 61110 руб.
Подробнее
ПРЛ 54-12-3 п
Панели перекрытия лоджий Серия 1.137.1-6
  • Длина 5380 мм.
  • Ширина 1190 мм.
  • Высота 300 мм.
  • Вес 1980 кг.
  • Объем бетона 0,792 м3
  • Геометрический объем 1,9207 м3
Цена: 53777 руб.
Подробнее
ПРЛ 54-15-3 л
Панели перекрытия лоджий Серия 1.137.1-6
  • Длина 5380 мм.
  • Ширина 1490 мм.
  • Высота 300 мм.
  • Вес 2250 кг.
  • Объем бетона 0,9 м3
  • Геометрический объем 2,4049 м3
Цена: 61110 руб.
Подробнее
ПРЛ 57-12-3
Панели перекрытия лоджий Серия 1.137.1-6
  • Длина 5680 мм.
  • Ширина 1190 мм.
  • Высота 300 мм.
  • Вес 2130 кг.
  • Объем бетона 0,852 м3
  • Геометрический объем 2,0278 м3
Цена: 57851 руб.
Подробнее
ПРЛ 57-12-3 п
Панели перекрытия лоджий Серия 1.137.1-6
  • Длина 5680 мм.
  • Ширина 1190 мм.
  • Высота 300 мм.
  • Вес 2080 кг.
  • Объем бетона 0,832 м3
  • Геометрический объем 2,0278 м3
Цена: 56493 руб.
Подробнее
ПРЛ 60-12-3 п
Панели перекрытия лоджий Серия 1.137.1-6
  • Длина 5980 мм.
  • Ширина 1190 мм.
  • Высота 300 мм.
  • Вес 2180 кг.
  • Объем бетона 0,872 м3
  • Геометрический объем 2,1349 м3
Цена: 59209 руб.
Подробнее
ПРЛ 60-12-3 л
Панели перекрытия лоджий Серия 1.137.1-6
  • Длина 5980 мм.
  • Ширина 1190 мм.
  • Высота 300 мм.
  • Вес 2180 кг.
  • Объем бетона 0,872 м3
  • Геометрический объем 2,1349 м3
Цена: 59209 руб.
Подробнее
ПРЛ 57-12-3 л
Панели перекрытия лоджий Серия 1.137.1-6
  • Длина 5680 мм.
  • Ширина 1190 мм.
  • Высота 300 мм.
  • Вес 2080 кг.
  • Объем бетона 0,832 м3
  • Геометрический объем 2,0278 м3
Цена: 56493 руб.
Подробнее
ПРЛ 60-12-3
Панели перекрытия лоджий Серия 1.137.1-6
  • Длина 5980 мм.
  • Ширина 1190 мм.
  • Высота 300 мм.
  • Вес 2230 кг.
  • Объем бетона 0,892 м3
  • Геометрический объем 2,1349 м3
Цена: 60567 руб.
Подробнее

Уведомление о файлах cookie

Мы используем файлы cookie для улучшения вашего опыта просмотра и анализа трафика. Нажимая "Принять все", вы соглашаетесь с нашей политикой конфиденциальности и политикой обработки файлов cookie.

MAX Дзен Телеграм Вконтакте vk