mobile_sound +7 (930) 655-55-90

Типовые конструкции и железобетонные изделия. Рабочие чертежи (Серия 1.131.1-23)

Поделиться:
Поделиться:

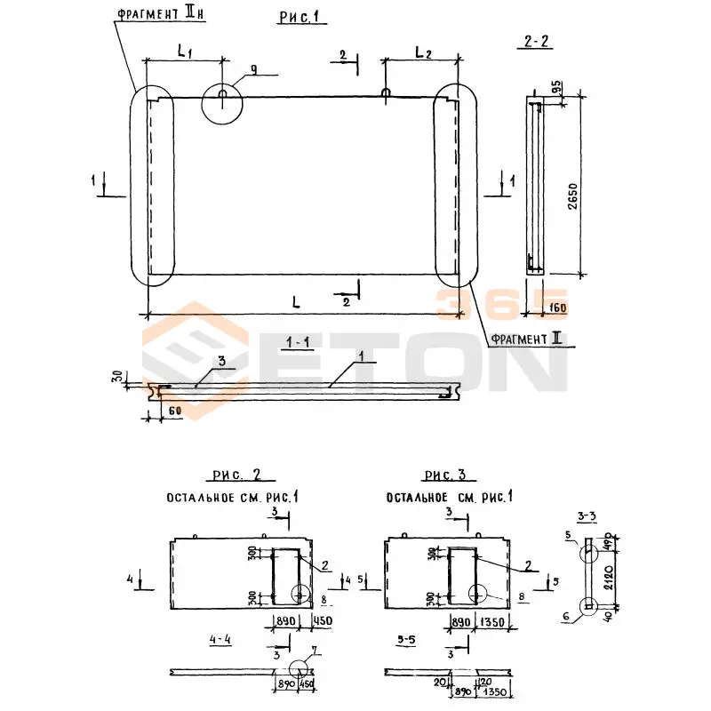
Документ Серия 1.131.1-23 описывает область применения, номенклатуру и ключевые требования, опираясь на действующие нормы и практику проектирования. Строительные каталоги типовых конструкций отличаются большим многообразием входящих в состав нормативных документов. Не осталась незамеченной Серия 1.131.1-23, разработанная институтом ЦНИИЭП жилища в 1986 году. Она определяет и регламентирует рабочие чертежи железобетонных панелей внутренних продольных и поперечных стен, которые часто используются при строительстве многоэтажных крупнопанельных жилых домов с шагом поперечных стен 3,0 и 3,6 метров, имеющих высоту этажа 2,8 метра.

Файлы для скачивания:
picture_as_pdf

2432.pdf

16,027.1 KB

скачать
Товары Серия 1.131.1-23 (10)
ПСВ 71-27-12-150 т-1,1
Панели стеновые Серия 1.131.1-23
  • Длина 7090 мм.
  • Ширина 120 мм.
  • Высота 2650 мм.
  • Вес 5600 кг.
  • Объем бетона 2,24 м3
  • Геометрический объем 2,2546 м3
Цена: 86912 руб.
Подробнее
ПСВ 66-27-16-150 т-2,1
Панели стеновые Серия 1.131.1-23
  • Длина 6520 мм.
  • Ширина 160 мм.
  • Высота 2650 мм.
  • Вес 6870 кг.
  • Объем бетона 2,748 м3
  • Геометрический объем 2,7645 м3
Цена: 106622 руб.
Подробнее
ПСВ 71-27-16-150 т-1,2-1,2
Панели стеновые Серия 1.131.1-23
  • Длина 7090 мм.
  • Ширина 160 мм.
  • Высота 2650 мм.
  • Вес 6720 кг.
  • Объем бетона 2,688 м3
  • Геометрический объем 3,0062 м3
Цена: 104294 руб.
Подробнее
ПСВ 71-27-16-150 т-1,1
Панели стеновые Серия 1.131.1-23
  • Длина 7090 мм.
  • Ширина 160 мм.
  • Высота 2650 мм.
  • Вес 7470 кг.
  • Объем бетона 2,98 м3
  • Геометрический объем 3,0062 м3
Цена: 115624 руб.
Подробнее
ПСВ 72-27-12-150 т-2,1
Панели стеновые Серия 1.131.1-23
  • Длина 7120 мм.
  • Ширина 120 мм.
  • Высота 2650 мм.
  • Вес 5650 кг.
  • Объем бетона 2,26 м3
  • Геометрический объем 2,2642 м3
Цена: 87688 руб.
Подробнее
ПСВ 72-27-12-150 т-2,2-1,2
Панели стеновые Серия 1.131.1-23
  • Длина 7120 мм.
  • Ширина 120 мм.
  • Высота 2650 мм.
  • Вес 5100 кг.
  • Объем бетона 2,04 м3
  • Геометрический объем 2,2642 м3
Цена: 79152 руб.
Подробнее
ПСВ 71-27-16-150 т-1,2-1,4
Панели стеновые Серия 1.131.1-23
  • Длина 7090 мм.
  • Ширина 160 мм.
  • Высота 2650 мм.
  • Вес 6720 кг.
  • Объем бетона 2,688 м3
  • Геометрический объем 3,0062 м3
Цена: 104294 руб.
Подробнее
ПСВ 72-27-16-150 т-2,2-1,2
Панели стеновые Серия 1.131.1-23
  • Длина 7120 мм.
  • Ширина 160 мм.
  • Высота 2650 мм.
  • Вес 6770 кг.
  • Объем бетона 2,7 м3
  • Геометрический объем 3,0189 м3
Цена: 104760 руб.
Подробнее
ПСВ 72-27-16-150 т-2,1
Панели стеновые Серия 1.131.1-23
  • Длина 7120 мм.
  • Ширина 160 мм.
  • Высота 2650 мм.
  • Вес 7530 кг.
  • Объем бетона 3,012 м3
  • Геометрический объем 3,0189 м3
Цена: 116866 руб.
Подробнее
ПСВ 72-27-16-150 т-2,2-1,4
Панели стеновые Серия 1.131.1-23
  • Длина 7120 мм.
  • Ширина 160 мм.
  • Высота 2650 мм.
  • Вес 6770 кг.
  • Объем бетона 2,7 м3
  • Геометрический объем 3,0189 м3
Цена: 104760 руб.
Подробнее

Уведомление о файлах cookie

Мы используем файлы cookie для улучшения вашего опыта просмотра и анализа трафика. Нажимая "Принять все", вы соглашаетесь с нашей политикой конфиденциальности и политикой обработки файлов cookie.

Дзен Телеграм Вконтакте vk