mobile_sound +7 (930) 655-55-90

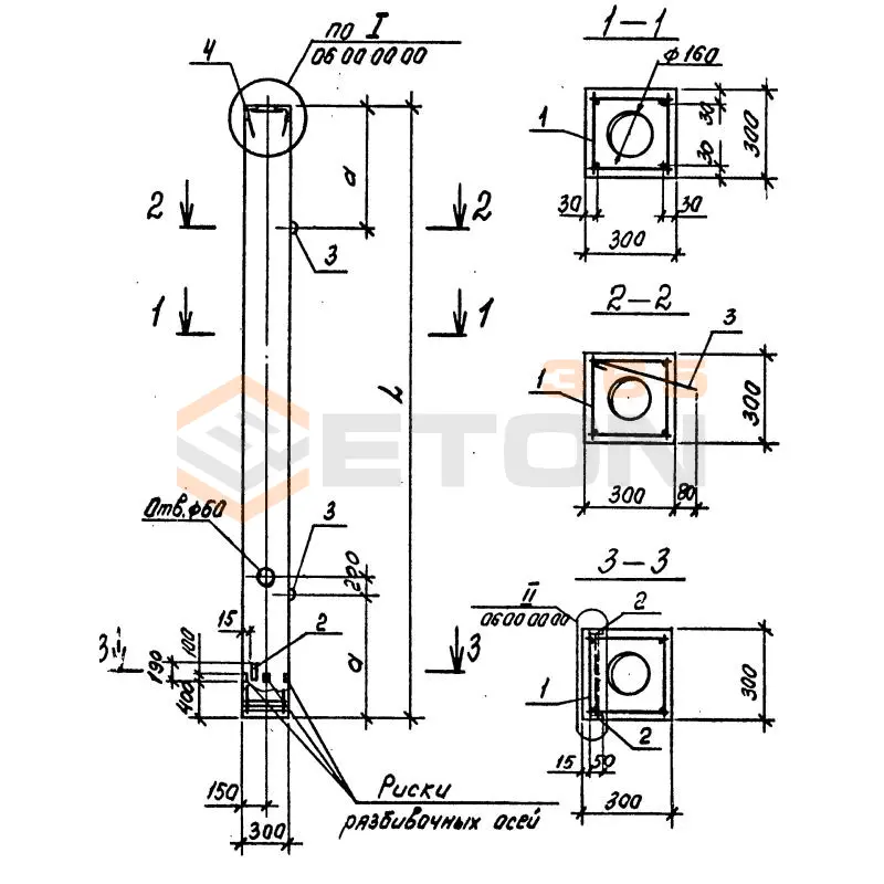
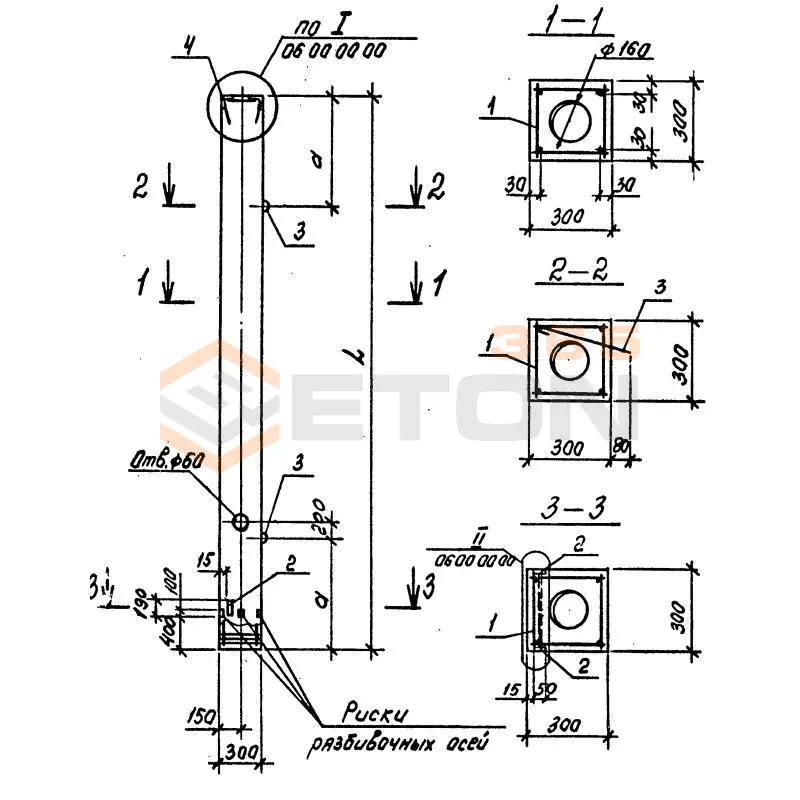
Сваи-колонны Серия 3.016.1-9

Поделиться:
Фильтр по характеристикам
Длина (мм.)
keyboard_arrow_down
мм.
мм.
Ширина (мм.)
keyboard_arrow_down
мм.
мм.
Высота (мм.)
keyboard_arrow_down
мм.
мм.
Вес (кг.)
keyboard_arrow_down
кг.
кг.
Поделиться:

Завод "Бетон365" производит сваи-колонны Серия 3.016.1-9 – универсальные железобетонные конструкции, которые одновременно выполняют функции несущих опор и вертикальных элементов каркаса зданий. Эти изделия соответствуют строгим требованиям ГОСТ и отличаются повышенной несущей способностью, что позволяет эффективно распределять нагрузки от вышележащих конструкций и обеспечивать устойчивость всего сооружения. Применение готовых свай-колонн значительно сокращает сроки монтажа и повышает надежность промышленных, гражданских и сельскохозяйственных объектов.

Мы реализуем сваи-колонны Серия 3.016.1-9 в Москве и Московской области по конкурентной цене от производителя, с гарантией качества и полным пакетом документации. Предлагаем оперативную доставку на объект и профессиональные консультации по выбору оптимальных решений для вашего строительного проекта. Свяжитесь с нами для расчета стоимости и оформления заказа!

СН 10-30-2
Сваи-колонны Серия 3.016.1-9
  • Длина 10000 мм.
  • Ширина 300 мм.
  • Высота 300 мм.
  • Вес 2280 кг.
  • Объем бетона 0,91 м3
  • Геометрический объем 0,9 м3
Цена: 15006 руб.
Подробнее
СН 10-30-1
Сваи-колонны Серия 3.016.1-9
  • Длина 10000 мм.
  • Ширина 300 мм.
  • Высота 300 мм.
  • Вес 2280 кг.
  • Объем бетона 0,91 м3
  • Геометрический объем 0,9 м3
Цена: 15006 руб.
Подробнее
СН 9-30-1
Сваи-колонны Серия 3.016.1-9
  • Длина 9000 мм.
  • Ширина 300 мм.
  • Высота 300 мм.
  • Вес 2050 кг.
  • Объем бетона 0,82 м3
  • Геометрический объем 0,81 м3
Цена: 13522 руб.
Подробнее
СП 3-30-1
Сваи-колонны Серия 3.016.1-9
  • Длина 3000 мм.
  • Ширина 300 мм.
  • Высота 300 мм.
  • Вес 520 кг.
  • Объем бетона 0,21 м3
  • Геометрический объем 0,27 м3
Цена: 3463 руб.
Подробнее
СН 12-30-1
Сваи-колонны Серия 3.016.1-9
  • Длина 12000 мм.
  • Ширина 300 мм.
  • Высота 300 мм.
  • Вес 2730 кг.
  • Объем бетона 1,09 м3
  • Геометрический объем 1,08 м3
Цена: 17974 руб.
Подробнее
СП 3-30-2
Сваи-колонны Серия 3.016.1-9
  • Длина 3000 мм.
  • Ширина 300 мм.
  • Высота 300 мм.
  • Вес 520 кг.
  • Объем бетона 0,21 м3
  • Геометрический объем 0,27 м3
Цена: 3463 руб.
Подробнее
СП 5,5-30-1
Сваи-колонны Серия 3.016.1-9
  • Длина 5500 мм.
  • Ширина 300 мм.
  • Высота 300 мм.
  • Вес 960 кг.
  • Объем бетона 0,38 м3
  • Геометрический объем 0,495 м3
Цена: 6266 руб.
Подробнее
СП 5,5-30-2
Сваи-колонны Серия 3.016.1-9
  • Длина 5500 мм.
  • Ширина 300 мм.
  • Высота 300 мм.
  • Вес 960 кг.
  • Объем бетона 0,38 м3
  • Геометрический объем 0,495 м3
Цена: 6266 руб.
Подробнее
СП 5,5-40-1
Сваи-колонны Серия 3.016.1-9
  • Длина 5500 мм.
  • Ширина 400 мм.
  • Высота 400 мм.
  • Вес 1380 кг.
  • Объем бетона 0,55 м3
  • Геометрический объем 0,88 м3
Цена: 9070 руб.
Подробнее
СП 6-30-2
Сваи-колонны Серия 3.016.1-9
  • Длина 6000 мм.
  • Ширина 300 мм.
  • Высота 300 мм.
  • Вес 1050 кг.
  • Объем бетона 0,42 м3
  • Геометрический объем 0,54 м3
Цена: 6926 руб.
Подробнее
СП 5,5-40-2
Сваи-колонны Серия 3.016.1-9
  • Длина 5500 мм.
  • Ширина 400 мм.
  • Высота 400 мм.
  • Вес 1380 кг.
  • Объем бетона 0,55 м3
  • Геометрический объем 0,88 м3
Цена: 9070 руб.
Подробнее
СП 5,5-30-3
Сваи-колонны Серия 3.016.1-9
  • Длина 5500 мм.
  • Ширина 300 мм.
  • Высота 300 мм.
  • Вес 960 кг.
  • Объем бетона 0,38 м3
  • Геометрический объем 0,495 м3
Цена: 6266 руб.
Подробнее
СУ 10-35-1
Сваи-колонны Серия 3.016.1-9
  • Длина 10000 мм.
  • Ширина 350 мм.
  • Высота 350 мм.
  • Вес 3100 кг.
  • Объем бетона 1,24 м3
  • Геометрический объем 1,225 м3
Цена: 20448 руб.
Подробнее
СП 6-30-1
Сваи-колонны Серия 3.016.1-9
  • Длина 6000 мм.
  • Ширина 300 мм.
  • Высота 300 мм.
  • Вес 1050 кг.
  • Объем бетона 0,42 м3
  • Геометрический объем 0,54 м3
Цена: 6926 руб.
Подробнее
СУ 10-35-2
Сваи-колонны Серия 3.016.1-9
  • Длина 10000 мм.
  • Ширина 350 мм.
  • Высота 350 мм.
  • Вес 3100 кг.
  • Объем бетона 1,24 м3
  • Геометрический объем 1,225 м3
Цена: 20448 руб.
Подробнее
СУ 11-35-2
Сваи-колонны Серия 3.016.1-9
  • Длина 11000 мм.
  • Ширина 350 мм.
  • Высота 350 мм.
  • Вес 3400 кг.
  • Объем бетона 1,36 м3
  • Геометрический объем 1,3475 м3
Цена: 22426 руб.
Подробнее
СУ 11-35-1
Сваи-колонны Серия 3.016.1-9
  • Длина 11000 мм.
  • Ширина 350 мм.
  • Высота 350 мм.
  • Вес 3400 кг.
  • Объем бетона 1,36 м3
  • Геометрический объем 1,3475 м3
Цена: 22426 руб.
Подробнее
СУ 11-40-2
Сваи-колонны Серия 3.016.1-9
  • Длина 11000 мм.
  • Ширина 400 мм.
  • Высота 400 мм.
  • Вес 4450 кг.
  • Объем бетона 1,78 м3
  • Геометрический объем 1,76 м3
Цена: 29352 руб.
Подробнее
СУ 11-40-3
Сваи-колонны Серия 3.016.1-9
  • Длина 11000 мм.
  • Ширина 400 мм.
  • Высота 400 мм.
  • Вес 4450 кг.
  • Объем бетона 1,78 м3
  • Геометрический объем 1,76 м3
Цена: 29352 руб.
Подробнее
СУ 11-40-1
Сваи-колонны Серия 3.016.1-9
  • Длина 11000 мм.
  • Ширина 400 мм.
  • Высота 400 мм.
  • Вес 4450 кг.
  • Объем бетона 1,78 м3
  • Геометрический объем 1,76 м3
Цена: 29352 руб.
Подробнее
СУ 12-35-1
Сваи-колонны Серия 3.016.1-9
  • Длина 12000 мм.
  • Ширина 350 мм.
  • Высота 350 мм.
  • Вес 3730 кг.
  • Объем бетона 1,49 м3
  • Геометрический объем 1,47 м3
Цена: 24570 руб.
Подробнее
СУ 12-40-1
Сваи-колонны Серия 3.016.1-9
  • Длина 12000 мм.
  • Ширина 400 мм.
  • Высота 400 мм.
  • Вес 4850 кг.
  • Объем бетона 1,94 м3
  • Геометрический объем 1,92 м3
Цена: 31991 руб.
Подробнее
СУ 12-40-2
Сваи-колонны Серия 3.016.1-9
  • Длина 12000 мм.
  • Ширина 400 мм.
  • Высота 400 мм.
  • Вес 4850 кг.
  • Объем бетона 1,94 м3
  • Геометрический объем 1,92 м3
Цена: 31991 руб.
Подробнее
СУ 13-35-1
Сваи-колонны Серия 3.016.1-9
  • Длина 13000 мм.
  • Ширина 350 мм.
  • Высота 350 мм.
  • Вес 4030 кг.
  • Объем бетона 1,61 м3
  • Геометрический объем 1,5925 м3
Цена: 26549 руб.
Подробнее
СУ 7-30-1-1
Сваи-колонны Серия 3.016.1-9
  • Длина 7000 мм.
  • Ширина 300 мм.
  • Высота 300 мм.
  • Вес 1620 кг.
  • Объем бетона 0,64 м3
  • Геометрический объем 0,63 м3
Цена: 10554 руб.
Подробнее
СУ 7-30-1-2
Сваи-колонны Серия 3.016.1-9
  • Длина 7000 мм.
  • Ширина 300 мм.
  • Высота 300 мм.
  • Вес 1620 кг.
  • Объем бетона 0,64 м3
  • Геометрический объем 0,63 м3
Цена: 10554 руб.
Подробнее
СУ 9-35-1-2
Сваи-колонны Серия 3.016.1-9
  • Длина 9000 мм.
  • Ширина 350 мм.
  • Высота 350 мм.
  • Вес 2800 кг.
  • Объем бетона 1,12 м3
  • Геометрический объем 1,1025 м3
Цена: 18469 руб.
Подробнее
СУ 9-35-1-1
Сваи-колонны Серия 3.016.1-9
  • Длина 9000 мм.
  • Ширина 350 мм.
  • Высота 350 мм.
  • Вес 2800 кг.
  • Объем бетона 1,12 м3
  • Геометрический объем 1,1025 м3
Цена: 18469 руб.
Подробнее
СУ 9-35-2
Сваи-колонны Серия 3.016.1-9
  • Длина 9000 мм.
  • Ширина 350 мм.
  • Высота 350 мм.
  • Вес 2800 кг.
  • Объем бетона 1,12 м3
  • Геометрический объем 1,1025 м3
Цена: 18469 руб.
Подробнее

Как правильно выбрать - Сваи-колонны Серия 3.016.1-9

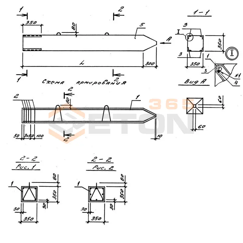
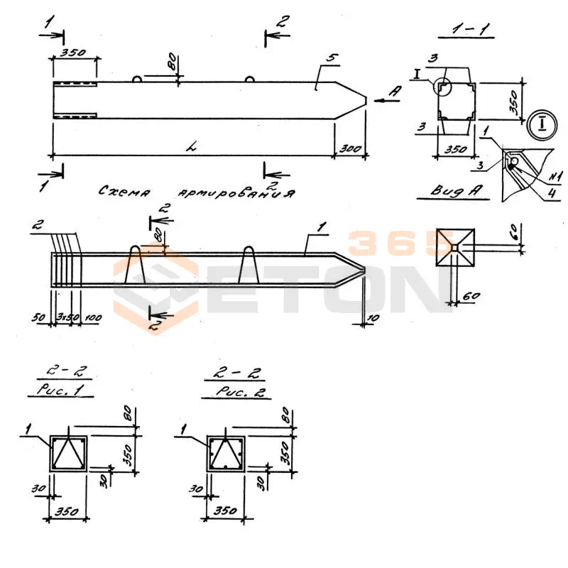
Сваи-колонны Серия 3.016.1-9 представляют собой комбинированные железобетонные элементы, выполняющие функции сваи и колонны одновременно. Они применяются в каркасах одноэтажных промышленных зданий, сельскохозяйственных сооружений и складских комплексов, передавая нагрузку от надземной конструкции непосредственно на грунтовое основание. Эффективность и долговечность всей строительной системы в значительной степени определяются грамотным подбором параметров свай-колонн в соответствии с проектным заданием и геологическими условиями площадки.

Критерии выбора

  • Типоразмер и несущая способность: Определите требуемое сечение (например, 300x300 мм или 400x400 мм) и длину изделия, исходя из расчетных вертикальных и горизонтальных нагрузок, а также глубины заложения.
  • Марка бетона и эксплуатационные характеристики: Убедитесь, что бетон соответствует марке не ниже М300, с морозостойкостью F150-F200 и водонепроницаемостью W4-W6 для работы в агрессивных грунтовых условиях.
  • Арматурный каркас: Проверьте класс применяемой арматуры (А-III, А400С) и конфигурацию каркаса, обеспечивающую восприятие монтажных и эксплуатационных усилий.
  • Конфигурация оголовка: Обратите внимание на наличие и тип закладных деталей или выпусков арматуры для последующего крепления подкрановых балок, ферм или других элементов каркаса.
  • Соответствие нормам: Изделие должно строго соответствовать требованиям серии 3.016.1-9 и действующим ГОСТам на железобетонные конструкции.

Рекомендации по подбору и монтажу

При составлении спецификации на сваи-колонны Серия 3.016.1-9 обязательно учитывайте данные инженерно-геологических изысканий. Неправильная оценка несущей способности грунта – наиболее частая причина последующих деформаций. Требуйте от производителя паспорт качества с указанием фактических прочностных характеристик бетона и результатов испытаний. При монтаже свай-колонн Серия 3.016.1-9 критически важна точная геодезическая выверка положения до бетонирования стакана фундамента или замоноличивания. Любые отклонения по вертикали приведут к перераспределению нагрузок в каркасе здания. Обеспечьте надежное антикоррозионное покрытие закладных деталей, особенно в условиях повышенной влажности.

Ответы экспертов на ваши вопросы

Сваи-колонны серии 3.016.1-9 представляют собой комбинированные конструкции, которые выполняют одновременно функции свайного фундамента и несущих колонн каркаса здания. Они применяются преимущественно в одноэтажных промышленных зданиях, сельскохозяйственных постройках, складских комплексах и других сооружениях каркасного типа с мостовыми кранами грузоподъемностью до 50 тонн. Основное преимущество - совмещение фундаментных и каркасных функций, что позволяет сократить сроки строительства и снизить материалоемкость.

Серия 3.016.1-9 включает сваи-колонны квадратного сечения размером 300×300 мм и 400×400 мм. Длина конструкций варьируется от 6 до 12 метров в зависимости от проектных требований. Несущая способность составляет от 50 до 150 тонн на одну сваю-колонну, что определяется сечением, армированием и характеристиками грунта. Конкретные параметры подбираются в зависимости от расчетных нагрузок от здания и геологических условий площадки строительства.

Монтаж осуществляется с соблюдением строгих требований: обязательная проверка отметки дна котлована, вертикальности установки (допустимое отклонение не более 1% от длины), точности позиционирования по осям здания. Установка производится кранами соответствующей грузоподъемности с использованием специальных траверс. После погружения выполняется бетонирование стыков и проверка фактического положения конструкций. Особое внимание уделяется качеству заделки стыков между сваями-колоннами и ригелями.

Сваи-колонны изготавливаются из тяжелого бетона марки не ниже М300 (В22,5) с морозостойкостью F150-F200. Армирование выполняется пространственными каркасами из стальной арматуры классов А-III (А400) и А-I (А240). В верхней части предусмотрены закладные детали и выпуски арматуры для соединения с ригелями и другими элементами каркаса. Защитный слой бетона составляет не менее 30 мм для обеспечения долговечности конструкции.

Основные преимущества: сокращение сроков строительства на 20-30% за счет совмещения операций, уменьшение материалоемкости на 15-20%, снижение трудозатрат, повышение точности монтажа каркаса, улучшение пространственной жесткости конструкции. Также отмечается экономия на опалубочных работах и сокращение объема земляных работ. Конструктивная схема позволяет эффективно распределять нагрузки от кранового оборудования и ветровые воздействия.

Ранее смотрели
Откосные стенки Серия 3.501.1-179.94 СТ 6 пл м
СТ 6 пл м
Откосные стенки Серия 3.501.1-179.94
Межколонные плиты (МП) Серия 1.420.1-25 МП 1-5
МП 1-5
Межколонные плиты (МП) Серия 1.420.1-25
2ПР 4 АтIVс (ГОСТ 26992-86)
2ПР 4 АтIVс (ГОСТ 26992-86)
Прогоны железобетонные ГОСТ 26992-86
Фундаментные блоки сплошные с вырезом ФБВ серия 1.116.1-8 и ГОСТ 13579-78 ФБВ 9-5-6 т
ФБВ 9-5-6 т
Фундаментные блоки сплошные с вырезом ФБВ серия 1.116.1-8 и ГОСТ 13579-78
2ПР 3 АтIVс (ГОСТ 26992-86)
2ПР 3 АтIVс (ГОСТ 26992-86)
Прогоны железобетонные ГОСТ 26992-86
Камни для кладки стен ТУ 5741-004-18576628-99 СКЦ 2 уд
СКЦ 2 уд
Камни для кладки стен ТУ 5741-004-18576628-99
СВ 105-3,6 I (Арх 9.0274)
СВ 105-3,6 I (Арх 9.0274)
Стойки Арх 9.0274
СВ 110-3,5 А (ЛЭП 00.10)
СВ 110-3,5 А (ЛЭП 00.10)
Стойки Арх ЛЭП 00.10

Уведомление о файлах cookie

Мы используем файлы cookie для улучшения вашего опыта просмотра и анализа трафика. Нажимая "Принять все", вы соглашаетесь с нашей политикой конфиденциальности и политикой обработки файлов cookie.

Дзен Телеграм Вконтакте vk