mobile_sound +7 (930) 655-55-90

Тумбы Серия 1.189.1-9

Поделиться:
Фильтр по характеристикам
Длина (мм.)
keyboard_arrow_down
мм.
мм.
Ширина (мм.)
keyboard_arrow_down
мм.
мм.
Высота (мм.)
keyboard_arrow_down
мм.
мм.
Поделиться:

Завод "Бетон365" производит тумбы серии 1.189.1-9 — специализированные железобетонные изделия, которые служат надежной опорой для ограждающих конструкций и элементов благоустройства. Эти конструкции отличаются повышенной устойчивостью к внешним воздействиям и соответствуют строгим требованиям ГОСТ, что гарантирует их долговечность даже в сложных эксплуатационных условиях. Применение готовых тумб оптимизирует процесс монтажа и обеспечивает равномерное распределение нагрузок, значительно повышая надежность всего объекта.

В Москве и Московской области вы можете купить тумбы серии 1.189.1-9 непосредственно от производителя по конкурентной цене, без посреднических надбавок. Мы обеспечиваем оперативную доставку на объект и предоставляем сертификаты качества на всю продукцию. Для уточнения характеристик и оформления заказа обратитесь к нашим специалистам — поможем подобрать оптимальное решение для ваших строительных задач.

ТЛ 4-32 (1.189.1-9)
Тумбы Серия 1.189.1-9
  • Длина 250 мм.
  • Ширина 250 мм.
  • Высота 425 мм.
  • Вес 66,5 кг.
  • Объем бетона 0,027 м3
  • Геометрический объем 0,0266 м3
Цена: 1048 руб.
Подробнее
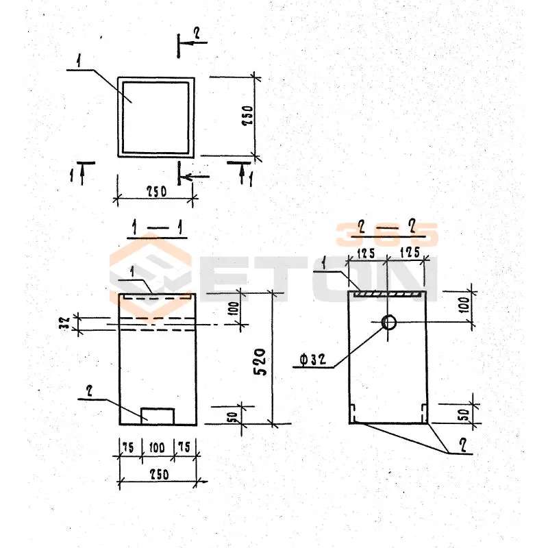
ТЛ 5-32 (1.189.1-9)
Тумбы Серия 1.189.1-9
  • Длина 250 мм.
  • Ширина 250 мм.
  • Высота 520 мм.
  • Вес 82,5 кг.
  • Объем бетона 0,033 м3
  • Геометрический объем 0,0325 м3
Цена: 1280 руб.
Подробнее

Как правильно выбрать - Тумбы Серия 1.189.1-9

Тумбы Серия 1.189.1-9 представляют собой фундаментные опоры, предназначенные для установки и крепления ограждающих конструкций, таких как металлические сетчатые или железобетонные заборы. Они обеспечивают стабильность и воспринимают ветровые нагрузки, предотвращая опрокидывание секций. Надежность и долговечность всего ограждения напрямую зависят от соответствия выбранных тумб проектным нагрузкам и геологическим условиям участка.

Критерии выбора

  • Марка бетона и прочностные характеристики: Изделия изготавливаются из тяжелого бетона марки не ниже М200, что обеспечивает необходимую прочность на сжатие. Обращайте внимание на показатели морозостойкости (F100-F150) и водонепроницаемости (W4), критичные для долговечности в условиях сезонного промерзания грунта.
  • Класс и конфигурация арматуры: Каркас тумб выполнен из стальной арматуры класса А-I, А-III. Проверяйте наличие и правильное расположение закладных деталей или монтажных петель для надежного крепления секций ограждения.
  • Геометрические параметры и типоразмер: Серия 1.189.1-9 включает тумбы различной высоты и сечения. Сверяйте габаритные размеры (высоту, ширину, глубину) с проектными требованиями, учитывая глубину заложения и высоту цоколя.
  • Расчетные эксплуатационные нагрузки: Убедитесь, что несущая способность выбранных тумб Серии 1.189.1-9 соответствует ветровым и статическим нагрузкам от конкретного типа заполнения ограждения (сетка, профлист, ЖБИ-панели).
  • Соответствие нормативной документации: Все изделия должны строго соответствовать требованиям серии 1.189.1-9 и сопровождаться паспортом качества, подтверждающим их параметры.

Рекомендации по подбору и монтажу

При составлении спецификации на тумбы Серии 1.189.1-9 обязательно учитывайте тип грунта на объекте. На пучинистых грунтах рекомендуется увеличить глубину заложения тумбы ниже глубины промерзания или устроить песчано-гравийную подушку для компенсации сил морозного пучения. При закупке проверяйте комплектность – наличие всех необходимых закладных для крепления именно вашего типа секций.

Монтаж начинайте с точной разбивки осей и проверки отметок. После установки тумбы в подготовленный котлован обязательна обратная засыпка с послойным трамбованием грунта. Для обеспечения строгой вертикальности используйте временные распорки до момента полного схватывания бетона в монолитных участках или стабилизации конструкции. Правильная анкеровка секций к закладным деталям тумбы исключит их люфт и расшатывание в процессе эксплуатации.

Ответы экспертов на ваши вопросы

Тумбы серии 1.189.1-9 представляют собой сборные железобетонные изделия, предназначенные для использования в качестве опорных элементов в конструкциях ограждений, перил, поручней, а также для установки различного технологического и осветительного оборудования (например, светильников, камер видеонаблюдения, знаков). Они обеспечивают надежное крепление и устойчивость монтируемых на них конструкций.

Тумбы изготавливаются из тяжелого бетона класса по прочности на сжатие не ниже В25 (М350) и армируются стальным каркасом. Стандартная высота тумб по данной серии составляет 800 мм. Сечение, как правило, квадратное (например, 200x200 мм или 300x300 мм, в зависимости от типа). Масса изделия варьируется в зависимости от его типоразмера и может составлять от 70 до 150 кг и более. Конкретные параметры (марка бетона, точные габариты, масса, марка и диаметр арматуры) указываются в рабочих чертежах проекта.

Конструкция тумб серии 1.189.1-9 предусматривает наличие закладных деталей (анкерных пластин, шпилек или гильз), которые устанавливаются в тело тумбы на стадии изготовления. Эти стальные элементы (обычно из стали марки Ст3) служат для последующего болтового или сварного соединения со стойками ограждений, кронштейнами осветительных приборов или другим навесным оборудованием. Расположение и тип закладных деталей регламентированы серией и проектной документацией.

Тумбы серии 1.189.1-9 предназначены для эксплуатации в неагрессивной среде (например, для наружных установок на территориях предприятий, складов, автостоянок, пешеходных зон, мостов, эстакад). Они рассчитаны на сейсмичность до 9 баллов, воздействие ветровых и других эксплуатационных нагрузок. Бетон обладает достаточной морозостойкостью (F150-F200) и водонепроницаемостью (W4-W6) для долговечной службы в условиях открытой атмосферы.

Монтаж тумбы осуществляется на заранее подготовленное основание (фундамент, бетонную плиту, балку). Тумба устанавливается в проектное положение, выверяется по вертикали и горизонтали. После выверки производится ее окончательное закрепление. Чаще всего это осуществляется путем замоноличивания нижней части тумбы в стакане фундамента или на анкерных болтах, забетонированных в основании. Далее к закладным деталям тумбы крепятся элементы ограждения или оборудование.

Уведомление о файлах cookie

Мы используем файлы cookie для улучшения вашего опыта просмотра и анализа трафика. Нажимая "Принять все", вы соглашаетесь с нашей политикой конфиденциальности и политикой обработки файлов cookie.

MAX Дзен Телеграм Вконтакте vk