mobile_sound +7 (930) 655-55-90

Тумбы Серия 1.189.1-8

Поделиться:
Фильтр по характеристикам
Длина (мм.)
keyboard_arrow_down
мм.
мм.
Ширина (мм.)
keyboard_arrow_down
мм.
мм.
Высота (мм.)
keyboard_arrow_down
мм.
мм.
Вес (кг.)
keyboard_arrow_down
кг.
кг.
Поделиться:

Завод "Бетон365" представляет тумбы серии 1.189.1-8 – специализированные железобетонные изделия для создания устойчивых опорных конструкций в гражданском и промышленном строительстве. Данная продукция изготавливается в строгом соответствии с ГОСТ, обладает повышенной несущей способностью и устойчивостью к агрессивным средам, что обеспечивает долговечность возводимых объектов. Применение готовых тумб существенно оптимизирует монтажный процесс, позволяя равномерно распределять нагрузку и создавать надежные архитектурные формы.

Реализуем тумбы серии 1.189.1-8 напрямую от производителя в Москве и Московской области – это гарантирует конкурентную цену без посреднических надбавок. Предлагаем оперативную доставку на объект и профессиональные консультации по выбору оптимальных технических решений. Чтобы купить качественные железобетонные тумбы с полным пакетом документации, свяжитесь с нашими специалистами для уточнения деталей заказа.

ТЛ 5-32
Тумбы Серия 1.189.1-8
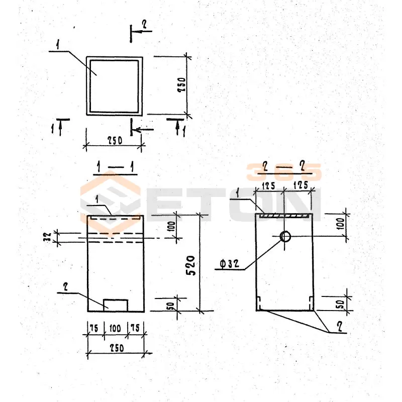
  • Длина 250 мм.
  • Ширина 250 мм.
  • Высота 520 мм.
  • Вес 85 кг.
  • Объем бетона 0,034 м3
  • Геометрический объем 0,0325 м3
Цена: 1319 руб.
Подробнее

Как правильно выбрать - Тумбы Серия 1.189.1-8

Тумбы Серия 1.189.1-8 представляют собой фундаментные опоры, предназначенные для монтажа железобетонных ограждающих конструкций, таких как плиты и панели ограждений балконов, лоджий и эвакуационных лестниц. Они обеспечивают стабильное и надежное крепление вертикальных элементов к несущим конструкциям зданий. Долговечность и безопасность всей ограждающей системы напрямую зависят от соответствия параметров тумбы проектным нагрузкам и условиям эксплуатации.

Критерии выбора

  • Марка бетона и прочностные характеристики: Изделия серии 1.189.1-8 изготавливаются из тяжелого бетона марки не ниже М200. Обязательно проверяйте показатели морозостойкости (F150) и водонепроницаемости (W4), особенно для фасадных систем.
  • Класс и конфигурация арматуры: Каркас тумбы должен быть выполнен из стальной арматуры класса А-I и А-III, что обеспечивает необходимую прочность на изгиб и срез.
  • Геометрические параметры и наличие закладных: Сверяйте габаритные размеры (высоту, сечение) с проектом. Ключевой элемент – наличие и расположение закладных деталей (анкерных выпусков) для крепления ограждений.
  • Расчетная нагрузка: Уточняйте расчетную нагрузку, которую должна воспринимать тумба. Этот параметр определяется проектом исходя из ветровых и эксплуатационных воздействий.
  • Соответствие нормативной документации: Все тумбы Серия 1.189.1-8 должны строго соответствовать требованиям серии и сопровождаться паспортом качества.

Рекомендации по подбору и монтажу

При составлении спецификации на тумбы Серии 1.189.1-8 обращайте внимание на комплектность поставки и маркировку, сверяя ее с рабочими чертежами. Перед монтажом проверьте паспорт изделия на соответствие заявленным характеристикам бетона и арматуры. Для проектировщиков критически важно выполнить расчет анкеровки, учитывая материал несущей конструкции (железобетон, кирпич) и возможные коррозионные воздействия.

Монтаж тумб 1.189.1-8 требует тщательной подготовки основания. Поверхность должна быть выровнена, очищена от пыли и мусора. Закладные детали тумбы должны быть точно совмещены с монтажными отверстиями ограждающей конструкции. Фиксация осуществляется с помощью сварки, после чего все швы и оголенная арматура должны быть защищены антикоррозионным покрытием для предотвращения разрушения.

Ответы экспертов на ваши вопросы

Тумбы серии 1.189.1-8 представляют собой железобетонные конструкции с размерами 400×400×900 мм. Изготавливаются из тяжелого бетона класса В15-В25, имеют расчетную нагрузку 3-5 кН. Оснащены закладными деталями для крепления к полу и между собой. Предназначены для установки технологического оборудования в промышленных зданиях.

Монтаж осуществляется на подготовленное основание с выверкой по вертикали и горизонтали. Крепление к полу выполняется через анкерные отверстия с использованием соответствующих метизов. При установке ряда тумб необходимо обеспечить их взаимное крепление через предусмотренные закладные элементы. Обязательна проверка надежности фиксации перед эксплуатацией.

Тумбы серии 1.189.1-8 применяются в промышленных зданиях с железобетонным каркасом для установки станков, технологического оборудования, приборов контроля. Используются в машиностроительных цехах, приборостроительных предприятиях, лабораториях и других производственных помещениях.

Основные преимущества: высокая устойчивость к вибрационным нагрузкам, негорючесть, долговечность (срок службы до 50 лет), стойкость к коррозии и агрессивным средам, минимальные требования к обслуживанию. Железобетонные тумбы обеспечивают лучшую звукоизоляцию и не требуют периодической окраски.

Производство и применение регламентируется серией 1.189.1-8, ГОСТ 13015-2012 "Изделия бетонные и железобетонные для строительства", СТО 36554501-006-2008, а также проектной документацией на конкретное здание. При монтаже должны соблюдаться требования СП 70.13330.2012 "Несущие и ограждающие конструкции".

Ранее смотрели
Лестничные косоуры ТП 310-4-1 МЖ 3-13 н
МЖ 3-13 н
Лестничные косоуры ТП 310-4-1
РПС 18-37,5-6 АIII
РПС 18-37,5-6 АIII
Полурамы Серия 1.822.1-6
Фундаментные блоки сплошные с вырезом ФБВ Серия 1.116.1-8 ФБВ 9-4-6 с (1.116.1-8)
ФБВ 9-4-6 с (1.116.1-8)
Фундаментные блоки сплошные с вырезом ФБВ Серия 1.116.1-8
Межколонные плиты (МП) Серия 1.420.1-25 МП 1-4
МП 1-4
Межколонные плиты (МП) Серия 1.420.1-25
Плиты тротуарные Серия 3.501.1-175.93 П 2 м
П 2 м
Плиты тротуарные Серия 3.501.1-175.93
Лежни Серия 3.503.1-96 Л 330-63-50-4 АIII
Л 330-63-50-4 АIII
Лежни Серия 3.503.1-96
1ПР 3 н (ГОСТ 26992-86)
1ПР 3 н (ГОСТ 26992-86)
Прогоны железобетонные ГОСТ 26992-86
Вставки Серия 3.015-2/82 В 1-1 АтIVс
В 1-1 АтIVс
Вставки Серия 3.015-2/82

Уведомление о файлах cookie

Мы используем файлы cookie для улучшения вашего опыта просмотра и анализа трафика. Нажимая "Принять все", вы соглашаетесь с нашей политикой конфиденциальности и политикой обработки файлов cookie.

Дзен Телеграм Вконтакте vk