mobile_sound +7 (930) 655-55-90

Плиты приямка Серия 1.189.1-12с

Поделиться:
Фильтр по характеристикам
Длина (мм.)
keyboard_arrow_down
мм.
мм.
Ширина (мм.)
keyboard_arrow_down
мм.
мм.
Высота (мм.)
keyboard_arrow_down
мм.
мм.
Вес (кг.)
keyboard_arrow_down
кг.
кг.
Поделиться:

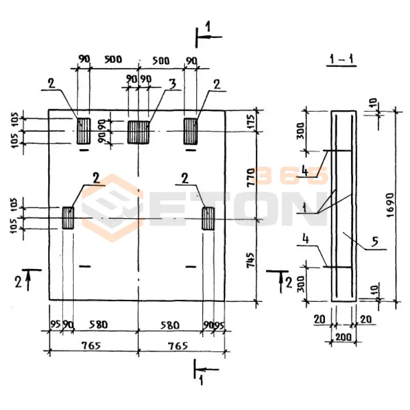
Завод "Бетон365" производит плиты приямка серии 1.189.1-12с — специализированные железобетонные изделия для обустройства приямков и технологических углублений в строительных конструкциях. Эти плиты обеспечивают надежную защиту подвальных и цокольных помещений от влаги и механических повреждений, отличаясь повышенной прочностью и долговечностью благодаря строгому соблюдению ГОСТов. Их применение позволяет создать герметичные и устойчивые конструкции, что особенно важно при строительстве объектов с повышенными требованиями к гидроизоляции.

Мы реализуем плиты приямка серии 1.189.1-12с в Москве и МО по конкурентной цене от производителя, что гарантирует отсутствие посреднических наценок. Предлагаем оперативную доставку на объект и профессиональные консультации по выбору оптимальных решений для вашего проекта. Чтобы купить качественные ЖБИ с гарантией и сэкономить время на строительстве, обращайтесь к нашим специалистам для оформления заказа!

ПП 15-17-40 с (1.189.1-12с)
Плиты приямка Серия 1.189.1-12с
  • Длина 1530 мм.
  • Ширина 1690 мм.
  • Высота 200 мм.
  • Вес 1300 кг.
  • Объем бетона 0,52 м3
  • Геометрический объем 0,5171 м3
Цена: 17654 руб.
Подробнее
ПП 15-17-40,1 с (1.189.1-12с)
Плиты приямка Серия 1.189.1-12с
  • Длина 1530 мм.
  • Ширина 1690 мм.
  • Высота 200 мм.
  • Вес 1300 кг.
  • Объем бетона 0,52 м3
  • Геометрический объем 0,5171 м3
Цена: 17654 руб.
Подробнее

Как правильно выбрать - Плиты приямка Серия 1.189.1-12с

Плиты приямка Серия 1.189.1-12с предназначены для устройства смотровых камер, приямков и технологических углублений в подземных инженерных сетях. Они формируют стенки и перекрытия конструкций, обеспечивая доступ к запорной арматуре и узлам коммуникаций. Долговечность всей подземной конструкции в агрессивной среде определяется точным соответствием характеристик плит приямка проектным нагрузкам и гидрогеологическим условиям.

Критерии выбора

  • Класс бетона и защитные свойства: Изделия изготавливаются из тяжелого бетона класса не ниже В25. Ключевые параметры — водонепроницаемость W6 и морозостойкость F200, что критично для работы в обводненных грунтах.
  • Типоразмеры и конфигурация: Серия включает прямые и доборные плиты приямка различных габаритов. Необходимо сверять проектную маркировку с рабочими чертежами серии 1.189.1-12.
  • Армирование и монтажные элементы: Каркасы из стальной арматуры класса А-III. Обязательно наличие закладных деталей и монтажных петель, обеспечивающих надежную строповку и соединение смежных плит.
  • Эксплуатационная нагрузка: Учитывайте нагрузку от обратной засыпки грунта и возможное воздействие от транспорта на поверхности, особенно для плит перекрытия приямка.
  • Соответствие нормам: Проверяйте наличие паспорта качества, подтверждающего изготовление по серии 1.189.1-12с и ГОСТ 13015-2012.

Рекомендации по подбору и монтажу

При закупке плит приямка Серия 1.189.1-12с требуйте полный комплект, включая доборные элементы, согласно спецификации. Это исключит простои из-за нехватки нестандартных плит. Особое внимание уделите подготовке основания – оно должно быть выровнено и уплотнено, чтобы избежать неравномерной осадки и раскрытия швов между элементами.

Монтаж плит приямка ведите на цементно-песчаный раствор, обеспечивая плотное прилегание и герметизацию стыков. Для защиты от смещения в процессе обратной засыпки предусмотрите временные распорки. Анкеровка смежных плит между собой с помощью закладных деталей является обязательным условием создания монолитной и устойчивой конструкции.

Ответы экспертов на ваши вопросы

Плиты приямка серии 1.189.1-12с предназначены для устройства приямков (световых и технологических) у окон и дверей подвальных и цокольных этажей зданий. Основные функции: обеспечение естественного освещения подвальных помещений, защита от проникновения поверхностных вод, организация доступа для обслуживания подвальных окон и коммуникаций. Применяются в гражданском и промышленном строительстве при устройстве подвалов, технических подполий и цокольных этажей.

Плиты изготавливаются из тяжелого бетона классов по прочности на сжатие В15-В25 (марка М200-М350) с обязательным армированием стальной арматурой. Морозостойкость бетона составляет не менее F100, водонепроницаемость - W6. Стандартная толщина плит - 80-100 мм. Изделия имеют строго регламентированные геометрические размеры согласно серии, предусмотрены монтажные петли для удобства установки.

Серия 1.189.1-12с включает плиты различных типоразмеров: ПП1 (1000×600 мм), ПП2 (1200×600 мм), ПП3 (1500×600 мм), ПП4 (2000×600 мм). Выбор размера зависит от габаритов оконного или дверного проема в подвале, а также от требуемой глубины приямка. При подборе необходимо учитывать, что плиты должны перекрывать проем с запасом не менее 100 мм с каждой стороны для обеспечения надежной гидроизоляции.

Монтаж выполняется на предварительно подготовленное и уплотненное песчано-гравийное основание толщиной 100-150 мм. Плиты устанавливаются с уклоном 2-3% в сторону от здания для обеспечения стока воды. Стыки между плитами и примыкания к стене здания герметизируются гидроизоляционными материалами (битумными мастиками, герметиками). Обязательно устройство дренажа в основании приямка для отвода грунтовых вод.

Производство регламентируется ГОСТ 26633-2015 "Бетоны тяжелые и мелкозернистые", серией 1.189.1-12с и проектной документацией. Каждая партия изделий сопровождается паспортом качества, где указаны: марка бетона, класс арматуры, дата изготовления, результаты испытаний. Гарантийный срок эксплуатации составляет 50 лет при соблюдении условий монтажа и эксплуатации.

Ранее смотрели
Колонны высотой 4,8; 6,0-4,8 м Серия 1.420.1-20с К 1-6 с
К 1-6 с
Колонны высотой 4,8; 6,0-4,8 м Серия 1.420.1-20с
Колонны высотой 4,8; 6,0-4,8 м Серия 1.420.1-20с К 10-7 с
К 10-7 с
Колонны высотой 4,8; 6,0-4,8 м Серия 1.420.1-20с
Лотки водоотводные ГОСТ 21509-76 Л 1-7
Л 1-7
Мотки водоотводные ГОСТ 21509-76
Козырьки входов Серия 1.238-1 КВ 30-19-6-1
КВ 30-19-6-1
Козырьки входов Серия 1.238-1
2ПР 2 АтV (ГОСТ 26992-86)
2ПР 2 АтV (ГОСТ 26992-86)
Прогоны железобетонные ГОСТ 26992-86
Лотки водоотводные ГОСТ 21509-76 Л 20-3-1
Л 20-3-1
Мотки водоотводные ГОСТ 21509-76
Звенья железобетонные круглых водопропускных труб для автомобильных дорог Серия 3.501-59 и 3.501.1-144, шифр 1484 Блок 12 (D=1м)
Блок 12 (D=1м)
Звенья железобетонные круглых водопропускных труб для автомобильных дорог Серия 3.501-59 и 3.501.1-144, шифр 1484
Откосные стенки Серия 3.501.1-179.94 СТ 7 п
СТ 7 п
Откосные стенки Серия 3.501.1-179.94

Уведомление о файлах cookie

Мы используем файлы cookie для улучшения вашего опыта просмотра и анализа трафика. Нажимая "Принять все", вы соглашаетесь с нашей политикой конфиденциальности и политикой обработки файлов cookie.

Дзен Телеграм Вконтакте vk