mobile_sound +7 (930) 655-55-90

Плиты перекрытия Серия 1.189.1-8

Поделиться:
Фильтр по характеристикам
Длина (мм.)
keyboard_arrow_down
мм.
мм.
Ширина (мм.)
keyboard_arrow_down
мм.
мм.
Высота (мм.)
keyboard_arrow_down
мм.
мм.
Вес (кг.)
keyboard_arrow_down
кг.
кг.
Поделиться:

Завод "Бетон365" производит плиты перекрытия Серия 1.189.1-8 – ключевые элементы для создания прочных междуэтажных перекрытий в жилых и промышленных зданиях. Эти железобетонные конструкции обеспечивают равномерное распределение нагрузок, повышают жесткость сооружения и соответствуют строгим требованиям ГОСТ. Использование готовых плит значительно сокращает сроки строительства, гарантируя при этом долговечность и безопасность эксплуатации объекта.

В Москве и МО вы можете купить плиты перекрытия напрямую от производителя по конкурентной цене, что обеспечивает существенную экономию без потери качества. Мы организуем оперативную доставку на вашу строительную площадку и предоставляем гарантию на всю продукцию. Для расчета стоимости и оформления заказа просто свяжитесь с нашими специалистами!

ПЛ 18-20-40
Плиты перекрытия Серия 1.189.1-8
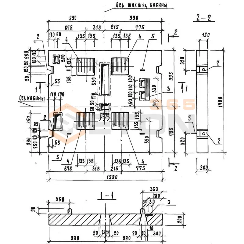
  • Длина 1780 мм.
  • Ширина 1980 мм.
  • Высота 200 мм.
  • Вес 1700 кг.
  • Объем бетона 0,68 м3
  • Геометрический объем 0,7049 м3
Цена: 23086 руб.
Подробнее

Как правильно выбрать - Плиты перекрытия Серия 1.189.1-8

Плиты перекрытия Серия 1.189.1-8 предназначены для устройства междуэтажных перекрытий в жилых, общественных и промышленных зданиях с кирпичными и блочными стенами. Они воспринимают и передают нагрузки от людей, оборудования и мебели на несущие стены, обеспечивая пространственную жесткость всей коробки здания. Долговечность и безопасность эксплуатации напрямую зависят от грамотного подбора параметров плит перекрытия Серия 1.189.1-8 в соответствии с проектными расчетами.

Критерии выбора

  • Марка бетона и прочность: Изделия изготавливаются из тяжелого бетона марки не ниже М300 (класс прочности на сжатие В22,5). Обязательно уточняйте паспортную прочность при приемке.
  • Нагрузка и маркировка: Обращайте внимание на расчетную нагрузку, указанную в маркировке (например, ПК 63.15-8). Цифра "8" означает нагрузку 800 кгс/м² (8 кПа) без учета собственного веса плиты.
  • Геометрические параметры: Строго сверяйте длину, ширину и толщину с проектной спецификацией. Номинальная толщина плит данной серии составляет 220 мм.
  • Армирование: Конструкция армируется предварительно напряженной арматурой (класс Ат-V, Ат-VI) для обеспечения требуемой трещиностойкости и прогибов.
  • Наличие и тип монтажных петель: Проверяйте наличие закладных деталей (петель) для строповки. Их отсутствие или повреждение усложняет монтаж и делает его небезопасным.
  • Соответствие нормам: Убедитесь, что плиты перекрытия Серия 1.189.1-8 изготовлены в соответствии с требованиями ГОСТ 9561-91 и имеют сопроводительный паспорт качества.

Рекомендации по подбору и монтажу

При составлении спецификации на плиты перекрытия Серия 1.189.1-8 учитывайте не только статические, но и динамические нагрузки (например, от вибрирующего оборудования), а также возможные точечные воздействия. Это может потребовать применения плит с более высоким классом нагрузки или дополнительного локального усиления. Перед монтажом подготовьте проект производства работ (ППР), в котором должны быть указаны схемы строповки, точки опирания и порядок укладки.

Критически важным этапом является подготовка опорной поверхности. Кладка несущих стен должна быть выведена в один уровень, а растворная постель – равномерно распределена по всей площади опирания. Запрещается монтировать плиты на свежий, не набравший прочность раствор или кладку. Минимальная глубина опирания на кирпичные стены должна составлять не менее 120 мм. После укладки обязательно замоноличьте стыки и анкерные связи между плитами для создания жесткого диска перекрытия.

Ответы экспертов на ваши вопросы

Плиты перекрытия серии 1.189.1-8 - это железобетонные изделия, предназначенные для устройства междуэтажных перекрытий в жилых, общественных и промышленных зданиях. Основные характеристики: длина от 1,18 до 6,28 м, ширина 0,99-1,49 м, толщина 220 мм, масса от 0,48 до 2,1 тонн. Изготавливаются из тяжелого бетона классов В15-В25, имеют расчетную нагрузку 300-800 кгс/м². Отличаются наличием круглых пустот диаметром 159 мм, что снижает вес конструкции при сохранении прочности.

Маркировка плит серии 1.189.1-8 состоит из буквенно-цифровых обозначений. Например, ПК 63.15-8 означает: ПК - плита перекрытия многопустотная; 63 - длина в дециметрах (6,3 м); 15 - ширина в дециметрах (1,5 м); 8 - несущая способность в сотнях кгс/м² (800 кгс/м²). Также встречаются обозначения с дополнительными индексами, указывающими на наличие дополнительных элементов или особенности конструкции.

Монтаж плит перекрытия серии 1.189.1-8 требует соблюдения следующих правил: опирание на несущие стены должно быть не менее 120 мм; укладка производится на выровненное основание с использованием цементно-песчаного раствора; перед монтажом пустоты на концах плит необходимо заделать для предотвращения промерзания; анкеровка плит между собой и со стенами обязательна; максимальный прогиб при монтаже не должен превышать 1/200 пролета.

Основные преимущества: высокая заводская готовность и скорость монтажа; хорошие тепло- и звукоизоляционные свойства благодаря пустотам; снижение нагрузки на фундамент за счет облегченной конструкции; высокая несущая способность и долговечность; унификация размеров позволяет проектировать стандартные решения; возможность устройства различных видов отделки потолка; устойчивость к воздействию влаги и температурным перепадам.

Ограничения и особенности эксплуатации: не допускается использование в условиях агрессивной химической среды без дополнительной защиты; запрещается вырезание отверстий в плитах без предварительного расчета и усиления конструкции; максимальная расчетная нагрузка не должна превышать указанную в маркировке; при устройстве теплых полов требуется дополнительная теплоизоляция; в сейсмических районах требуется дополнительное армирование и анкеровка; необходимо соблюдение условий хранения и транспортировки для предотвращения образования трещин.

Ранее смотрели
Анкера трехлучевые Серия 3.501.1-149 ТА 4,0 с (3.501.1-149)
ТА 4,0 с (3.501.1-149)
Анкера трехлучевые Серия 3.501.1-149
Анкера Шифр 26.0008 АВ 1 (Шифр 26.0008)
АВ 1 (Шифр 26.0008)
Анкера Шифр 26.0008
Межколонные плиты (МП) Серия 1.420.1-25 МП 1-3
МП 1-3
Межколонные плиты (МП) Серия 1.420.1-25
Кормушки Серия 3.818.9-2 КТИ 45-49-25
КТИ 45-49-25
Кормушки Серия 3.818.9-2
Колонны высотой 4,8; 6,0-4,8 м Серия 1.420.1-20с К 10-1 с
К 10-1 с
Колонны высотой 4,8; 6,0-4,8 м Серия 1.420.1-20с
1ПР 1 н (ГОСТ 26992-86)
1ПР 1 н (ГОСТ 26992-86)
Прогоны железобетонные ГОСТ 26992-86
Звенья железобетонные круглых водопропускных труб для автомобильных дорог Серия 3.501-59 и 3.501.1-144, шифр 1484 Блок 73
Блок 73
Звенья железобетонные круглых водопропускных труб для автомобильных дорог Серия 3.501-59 и 3.501.1-144, шифр 1484
РПС 18-5
РПС 18-5
Полурамы Серия 1.822.1-2/82

Уведомление о файлах cookie

Мы используем файлы cookie для улучшения вашего опыта просмотра и анализа трафика. Нажимая "Принять все", вы соглашаетесь с нашей политикой конфиденциальности и политикой обработки файлов cookie.

Дзен Телеграм Вконтакте vk