mobile_sound +7 (930) 655-55-90

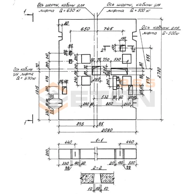
Плиты перекрытия шахт лифтов Серия 1.189.1-9

Поделиться:
Фильтр по характеристикам
Длина (мм.)
keyboard_arrow_down
мм.
мм.
Ширина (мм.)
keyboard_arrow_down
мм.
мм.
Высота (мм.)
keyboard_arrow_down
мм.
мм.
Вес (кг.)
keyboard_arrow_down
кг.
кг.
Поделиться:

Завод "Бетон365" производит плиты перекрытия шахт лифтов серии 1.189.1-9 — специализированные железобетонные конструкции, обеспечивающие безопасную эксплуатацию лифтовых систем в многоэтажных зданиях. Эти изделия отличаются повышенной несущей способностью и точным соответствием требованиям ГОСТ, что гарантирует равномерное распределение нагрузок и устойчивость всей шахтной конструкции. Применение готовых плит значительно сокращает сроки монтажа и повышает надежность объекта в процессе эксплуатации.

Мы реализуем плиты перекрытия шахт лифтов серии 1.189.1-9 в Москве и МО по конкурентной цене от производителя, с полным пакетом документации и гарантией качества. Организуем доставку на строительную площадку и предоставим профессиональные консультации по выбору оптимальных решений для вашего проекта. Чтобы купить надежные ЖБИ с оперативной поставкой — обращайтесь к нашим специалистам для расчета стоимости заказа!

ПЛ 19-18-32 (1.189.1-9)
Плиты перекрытия шахт лифтов Серия 1.189.1-9
  • Длина 1930 мм.
  • Ширина 1780 мм.
  • Высота 200 мм.
  • Вес 1600 кг.
  • Объем бетона 0,64 м3
  • Геометрический объем 0,6871 м3
Цена: 24832 руб.
Подробнее
ПЛ 19-18-40 (1.189.1-9)
Плиты перекрытия шахт лифтов Серия 1.189.1-9
  • Длина 1930 мм.
  • Ширина 1780 мм.
  • Высота 200 мм.
  • Вес 1600 кг.
  • Объем бетона 0,64 м3
  • Геометрический объем 0,6871 м3
Цена: 24832 руб.
Подробнее
ПЛ 20-18-40 (1.189.1-9)
Плиты перекрытия шахт лифтов Серия 1.189.1-9
  • Длина 1780 мм.
  • Ширина 1980 мм.
  • Высота 200 мм.
  • Вес 1600 кг.
  • Объем бетона 0,66 м3
  • Геометрический объем 0,7049 м3
Цена: 25608 руб.
Подробнее
ПЛ 21-28 (1.189.1-9)
Плиты перекрытия шахт лифтов Серия 1.189.1-9
  • Длина 2080 мм.
  • Ширина 2780 мм.
  • Высота 200 мм.
  • Вес 2700 кг.
  • Объем бетона 1,08 м3
  • Геометрический объем 1,1565 м3
Цена: 41904 руб.
Подробнее
ПЛ 29-19 (1.189.1-9)
Плиты перекрытия шахт лифтов Серия 1.189.1-9
  • Длина 1930 мм.
  • Ширина 2880 мм.
  • Высота 200 мм.
  • Вес 2650 кг.
  • Объем бетона 1,06 м3
  • Геометрический объем 1,1117 м3
Цена: 41128 руб.
Подробнее

Как правильно выбрать - Плиты перекрытия шахт лифтов Серия 1.189.1-9

Плиты перекрытия шахт лифтов Серия 1.189.1-9 предназначены для устройства перекрытий над шахтами пассажирских и грузовых лифтов в жилых, общественных и промышленных зданиях. Их ключевая функция – обеспечение безопасной эксплуатации лифтового оборудования, защита шахты от атмосферных осадков и несанкционированного доступа. Долговечность и надежность всей лифтовой системы в значительной степени определяются точным соответствием выбранных плит проектным расчетам и условиям эксплуатации.

Критерии выбора

  • Соответствие серии и нормам: Изделие должно строго соответствовать рабочим чертежам серии 1.189.1-9 и требованиям ГОСТ 25912-2015 на плиты покрытий и перекрытий.
  • Марка бетона и прочностные характеристики: Обязательно уточняйте проектную марку бетона (обычно не ниже В25) и класс по прочности на сжатие. Морозостойкость (F150-F200) и водонепроницаемость (W4-W6) критичны для наружного применения.
  • Типоразмер и конфигурация: Внимательно сверяйте габаритные размеры (длину, ширину, толщину), а также расположение и размеры технологических отверстий для пропуска канатов, противовесов и коммуникаций.
  • Наличие и тип закладных деталей: Проверьте наличие монтажных петель или иных закладных элементов для безопасного строповки, а также их соответствие чертежам.
  • Расчетная нагрузка: Убедитесь, что несущая способность плиты перекрытия шахты лифта соответствует проектным постоянным и временным нагрузкам (от оборудования, снега, ветра).

Рекомендации по подбору и монтажу

При закупке плит перекрытия шахт лифтов Серия 1.189.1-9 требуйте у производителя паспорт качества с указанием фактических прочностных характеристик бетона и результатов контроля арматурных каркасов. Особое внимание уделите комплектности поставки всех модификаций, предусмотренных проектом, так как их геометрия и отверстия строго индивидуальны.

Перед монтажом подготовьте опорные поверхности, обеспечив их горизонтальность и проектную отметку. Укладку производите с использованием такелажного оборудования, строго зацепляясь за штатные монтажные петли. После установки выполните анкеровку плит к несущим конструкциям здания согласно проекту, а стыки и технологические отверстия герметизируйте для предотвращения протечек и промерзания. Правильный монтаж плит перекрытия шахт лифтов – зазор бесперебойной работы лифтового хозяйства.

Ответы экспертов на ваши вопросы

Плиты перекрытия шахт лифтов серии 1.189.1-9 изготавливаются из тяжелого бетона класса В15 (М200) с армированием стальными сетками. Основные характеристики: толщина плиты - 160 мм, стандартные размеры в плане соответствуют типовым шахтам лифтов (например, 1960х2560 мм, 2160х2260 мм и другие), масса плиты в зависимости от размера составляет от 1,5 до 2,5 тонн. Плиты предназначены для восприятия нормативной временной нагрузки 400 кгс/м² и имеют маркировку по морозостойкости F100.

При монтаже плит перекрытия шахт лифтов серии 1.189.1-9 необходимо обеспечить опирание по контуру на несущие стены здания с минимальной глубиной опирания 120 мм. Перед укладкой требуется подготовить выровненную опорную поверхность. Монтаж осуществляется с использованием грузоподъемной техники грузоподъемностью не менее 3 тонн. Особое внимание следует уделить правильной ориентации плиты согласно проектной документации - плиты имеют рабочее армирование в определенном направлении. После укладки обязательна заделка швов цементно-песчаным раствором.

Транспортировка плит должна осуществляться в горизонтальном положении на деревянных прокладках толщиной не менее 80 мм, расположенных вертикально друг над другом. При складировании плиты укладываются штабелем высотой не более 2 метров с обязательной установкой прокладок в местах расположения монтажных петель. Запрещается сбрасывать плиты с транспортного средства и подвергать их ударным нагрузкам. При длительном хранении необходимо защищать изделия от прямого воздействия атмосферных осадков.

Каждая партия плит перекрытия шахт лифтов серии 1.189.1-9 сопровождается паспортом качества установленной формы, который включает: наименование и адрес предприятия-изготовителя, обозначение серии и марку изделия, дату изготовления, номер партии, результаты испытаний бетона на прочность, данные о качестве армирования, отметку о приемке ОТК. Дополнительно предоставляется сертификат соответствия и копия технического свидетельства на применение серии.

К браковочным признакам плит перекрытия шахт лифтов серии 1.189.1-9 относятся: трещины шириной раскрытия более 0,3 мм, отклонения толщины плиты более чем на ±5 мм от проектной, отклонения линейных размеров более чем на ±10 мм, оголение арматуры, сколы бетона в зонах опирания глубиной более 10 мм, отсутствие или повреждение монтажных петель, неправильная маркировка изделия. Также бракуются плиты с отклонениями плоскости лицевой поверхности более 5 мм на 2 метра длины.

Ранее смотрели
Балки Альбом СК Б 3 (Альбом СК)
Б 3 (Альбом СК)
Балки Альбом СК
Звенья железобетонные круглых водопропускных труб под железные и автомобильные дороги (Шифр 57-368) Блок 84 (полукольцо R-0,75)
Блок 84 (полукольцо R-0,75)
Звенья железобетонные круглых водопропускных труб под железные и автомобильные дороги (Шифр 57-368)
Обоймы усиления монолитные Серия Б3.008.1-2.08 ОУ 1 (Б3.008.1-2.08)
ОУ 1 (Б3.008.1-2.08)
Обоймы усиления монолитные Серия Б3.008.1-2.08
КЧ 11-17-16-150 т
КЧ 11-17-16-150 т
Контрфорсы Серия 1.169.1-1

Уведомление о файлах cookie

Мы используем файлы cookie для улучшения вашего опыта просмотра и анализа трафика. Нажимая "Принять все", вы соглашаетесь с нашей политикой конфиденциальности и политикой обработки файлов cookie.

Дзен Телеграм Вконтакте vk