mobile_sound +7 (930) 655-55-90

Плита приямка Серия 1.189.1-8

Поделиться:
Фильтр по характеристикам
Длина (мм.)
keyboard_arrow_down
мм.
мм.
Ширина (мм.)
keyboard_arrow_down
мм.
мм.
Высота (мм.)
keyboard_arrow_down
мм.
мм.
Вес (кг.)
keyboard_arrow_down
кг.
кг.
Поделиться:

Завод "Бетон365" производит плиты приямка серии 1.189.1-8 – специализированные железобетонные изделия для обустройства приямков у окон подвальных и цокольных этажей. Эти конструкции обеспечивают эффективный отвод воды от здания, защищая фундамент от подтопления и продлевая срок службы всей строительной системы. Изготовленные в строгом соответствии с ГОСТ из тяжелого бетона высоких марок, плиты отличаются повышенной морозостойкостью и устойчивостью к агрессивным средам.

В Москве и Московской области вы можете купить плиты приямка серии 1.189.1-8 непосредственно от производителя по оптимальной цене с гарантией качества. Мы обеспечиваем полный цикл – от консультации по выбору продукции до оперативной доставки на объект. Предлагаем заказать надежные ЖБИ для вашего строительного проекта с максимальной выгодой.

ПП 17-15-32
Плита приямка Серия 1.189.1-8
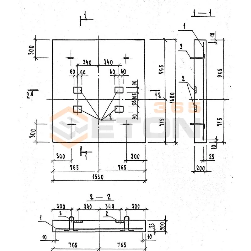
  • Длина 1680 мм.
  • Ширина 1530 мм.
  • Высота 200 мм.
  • Вес 1300 кг.
  • Объем бетона 0,52 м3
  • Геометрический объем 0,5141 м3
Цена: 17654 руб.
Подробнее
ПП 15-17-40
Плита приямка Серия 1.189.1-8
  • Длина 1540 мм.
  • Ширина 1730 мм.
  • Высота 200 мм.
  • Вес 1330 кг.
  • Объем бетона 0,532 м3
  • Геометрический объем 0,5328 м3
Цена: 18061 руб.
Подробнее

Как правильно выбрать - Плита приямка Серия 1.189.1-8

Плита приямка Серия 1.189.1-8 предназначена для устройства смотровых и канализационных приямков, камер в подземных инженерных сетях. Она выполняет ключевую функцию перекрытия, обеспечивая безопасный доступ и защиту подземных коммуникаций. Долговечность всей конструкции напрямую зависит от соответствия выбранной плиты проектным нагрузкам и специфическим условиям эксплуатации.

Критерии выбора

  • Класс бетона и марки: Изделие должно изготавливаться из тяжелого бетона класса не ниже В25, с нормируемыми показателями водонепроницаемости (W6) и морозостойкости (F200), что критично для работы в водонасыщенных грунтах.
  • Армирование: Обращайте внимание на класс арматуры (А-III) и схему армирования, которая обеспечивает восприятие нагрузок от транспорта и грунта.
  • Геометрические параметры и конфигурация: Сверяйте типоразмеры (длину, ширину, толщину) с проектом. Наличие монтажных петель и люка правильного диаметра является обязательным.
  • Расчетная нагрузка: Уточняйте, на какую временную нагрузку рассчитана плита приямка (например, от пешеходов или автотранспорта), чтобы исключить ее преждевременное разрушение.
  • Соответствие нормам: Изделие должно строго соответствовать требованиям Серии 1.189.1-8 и сопровождаться паспортом качества.

Рекомендации по подбору и монтажу

При составлении спецификации на плиты приямка Серии 1.189.1-8 обязательно указывайте не только габариты, но и марку бетона, а также тип установочного люка. Перед приемкой проверяйте паспорт изделия на соответствие заявленным характеристикам и визуально контролируйте отсутствие трещин и сколов на поверхности.

При монтаже плиты приямка необходимо обеспечить ровное и прочное основание из стеновых колец. Критически важно правильно выполнить герметизацию стыка между плитой и опорным кольцом для предотвращения протечек. Убедитесь, что монтажные петли не мешают установке люка и после подъема оборудования аккуратно загнуты или срезаны.

Ответы экспертов на ваши вопросы

Плита приямка Серия 1.189.1-8 предназначена для устройства пола в приямках (небольших углублениях) у окон подвальных и цокольных этажей зданий. Её основные функции:

  1. Создание прочного, ровного и устойчивого основания в приямке.
  2. Защита от проникновения грунтовой влаги и воды в подвальное помещение через дно приямка.
  3. Обеспечение организованного стока воды (при соответствующем уклоне) к дренажным отверстиям или каналам.
  4. Восприятие нагрузок от людей, возможной установки решеток или иных незначительных воздействий.

Плита приямка Серия 1.189.1-8 изготавливается из тяжелого бетона классов по прочности на сжатие В15-В25 (М200-М300) и армируется стальной арматурой для восприятия нагрузок. Основные характеристики:

  • Материал: Железобетон.
  • Марка бетона по морозостойкости: F50-F100 (в зависимости от климатического района строительства).
  • Марка бетона по водонепроницаемости: W4-W6, что обеспечивает надежную защиту от влаги.
  • Геометрические размеры: Стандартные размеры и конфигурация регламентированы серией. Плита может быть прямоугольной или трапециевидной в плане, с отверстиями для коммуникаций или без них.
  • Масса: Зависит от типоразмера, обычно составляет несколько десятков килограммов.

Монтаж плиты приямка Серия 1.189.1-8 осуществляется на подготовленное основание в следующей последовательности:

  1. Подготовка основания: Устраивается песчано-гравийная подушка, которая тщательно трамбуется. Основание должно быть ровным и устойчивым.
  2. Укладка плиты: Плита укладывается на основание. Для обеспечения гидроизоляции под плиту часто укладывают слой гидроизоляционного материала (например, рубероида) или наносят на основание слой цементного раствора.
  3. Выверка положения: Проверяется горизонтальность укладки и проектный уклон (если он предусмотрен для стока воды).
  4. Герметизация швов: Если приямок состоит из нескольких плит или примыкает к стенам, швы между ними заполняются цементно-песчаным раствором или герметиком для предотвращения протечек.

Плита приямка Серия 1.189.1-8 применяется в гражданском и промышленном строительстве в зданиях с подвальными и цокольными этажами:

  • Жилые многоквартирные дома.
  • Общественные здания (офисы, торговые центры).
  • Промышленные объекты.
  • Частные жилые дома с цокольными этажами или подвалами. Она является стандартным элементом для устройства световых приямков, обеспечивающих естественное освещение и вентиляцию подвальных помещений.

Использование типовой серии 1.189.1-8 имеет ряд существенных преимуществ:

  1. Стандартизация: Гарантирует соответствие изделий всем необходимым строительным нормам и правилам (СНиП, СП).
  2. Взаимозаменяемость: Плиты разных производителей, но одной серии, имеют одинаковые геометрические параметры и характеристики.
  3. Сокращение сроков проекта: Не требуется разработка индивидуальной проектной документации на данный элемент.
  4. Надежность: Конструкция проверена многолетней практикой применения в различных условиях.
  5. Экономическая эффективность: Массовое производство по типовой документации снижает стоимость изделия по сравнению с изготовлением по индивидуальному заказу.
Ранее смотрели
Стойки железобетонные серия 3.407.1-136; серия 3.407.1-143 СВ 95-2 а
СВ 95-2 а
Стойки железобетонные серия 3.407.1-136; серия 3.407.1-143
Диафрагмы жесткости ДП (ИИ-04Н-5К) ДП 2-28-42
ДП 2-28-42
Диафрагмы жесткости ДП (ИИ-04Н-5К)
Рабочие камеры Альбом РК 2201-82 ВС 10
ВС 10
Рабочие камеры Альбом РК 2201-82
СВ 105-3,6 А (ЛЭП 00.10)
СВ 105-3,6 А (ЛЭП 00.10)
Стойки Арх ЛЭП 00.10
Межколонные плиты (МП) Серия 1.420.1-25 МП 2-5
МП 2-5
Межколонные плиты (МП) Серия 1.420.1-25
Звенья железобетонные круглых водопропускных труб для автомобильных дорог Серия 3.501-59 и 3.501.1-144, шифр 1484 БЛ 13 А
БЛ 13 А
Звенья железобетонные круглых водопропускных труб для автомобильных дорог Серия 3.501-59 и 3.501.1-144, шифр 1484
Камни для кладки стен ТУ 5741-004-18576628-99 СКЦ 6 д
СКЦ 6 д
Камни для кладки стен ТУ 5741-004-18576628-99
Лежни Серия 3.503-41 Л 1 АII (3.503-41)
Л 1 АII (3.503-41)
Лежни Серия 3.503-41

Уведомление о файлах cookie

Мы используем файлы cookie для улучшения вашего опыта просмотра и анализа трафика. Нажимая "Принять все", вы соглашаетесь с нашей политикой конфиденциальности и политикой обработки файлов cookie.

Дзен Телеграм Вконтакте vk