mobile_sound +7 (930) 655-55-90

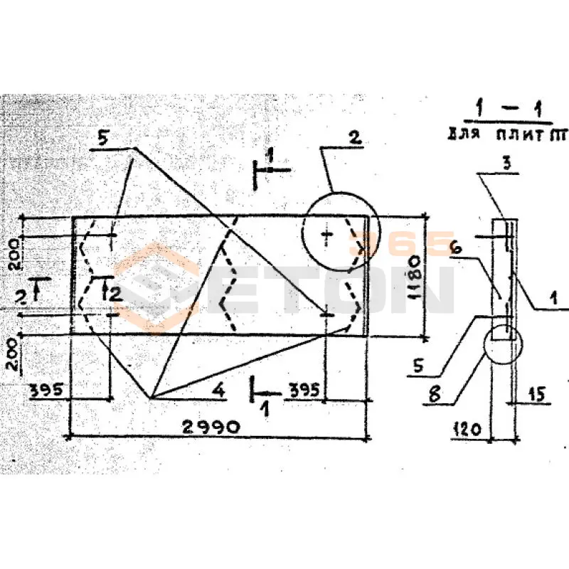
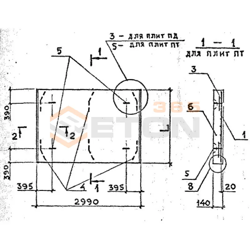
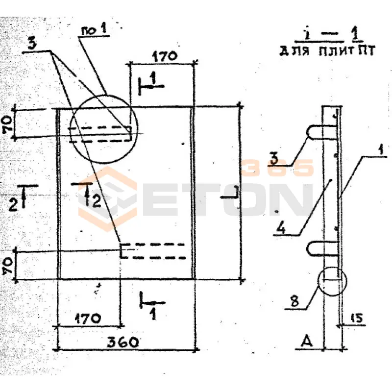
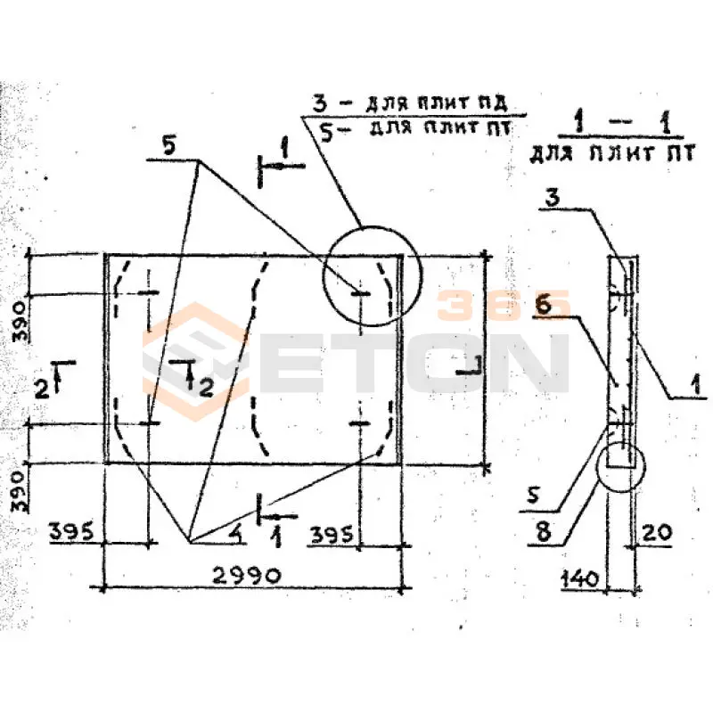
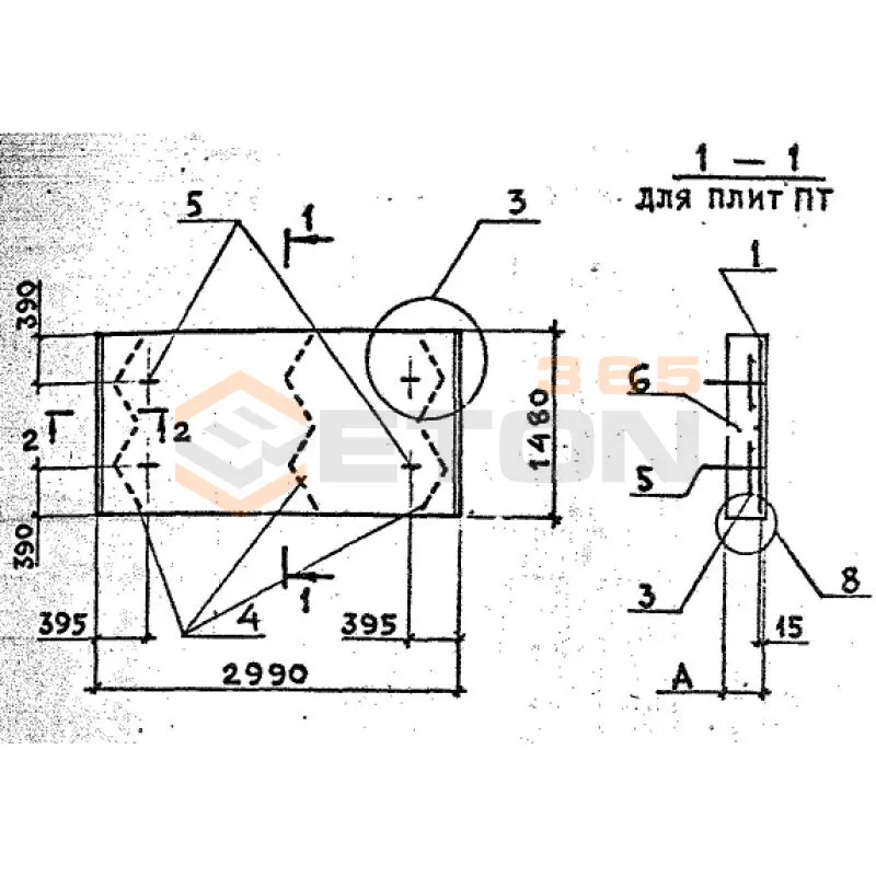
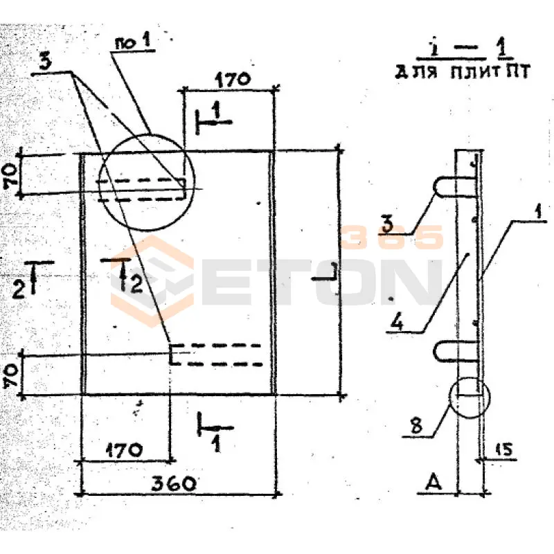
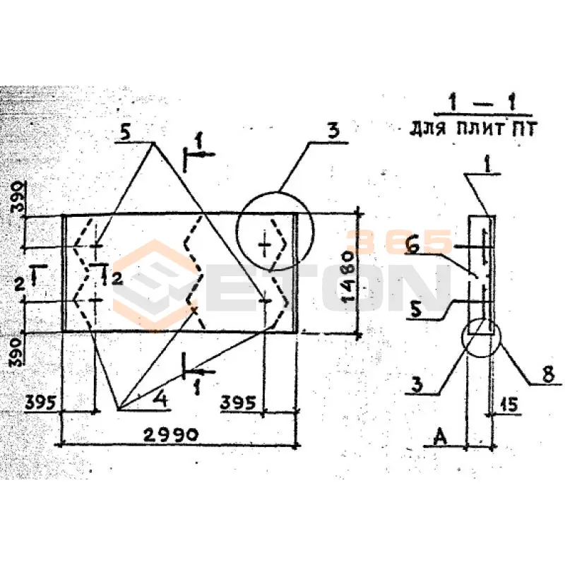
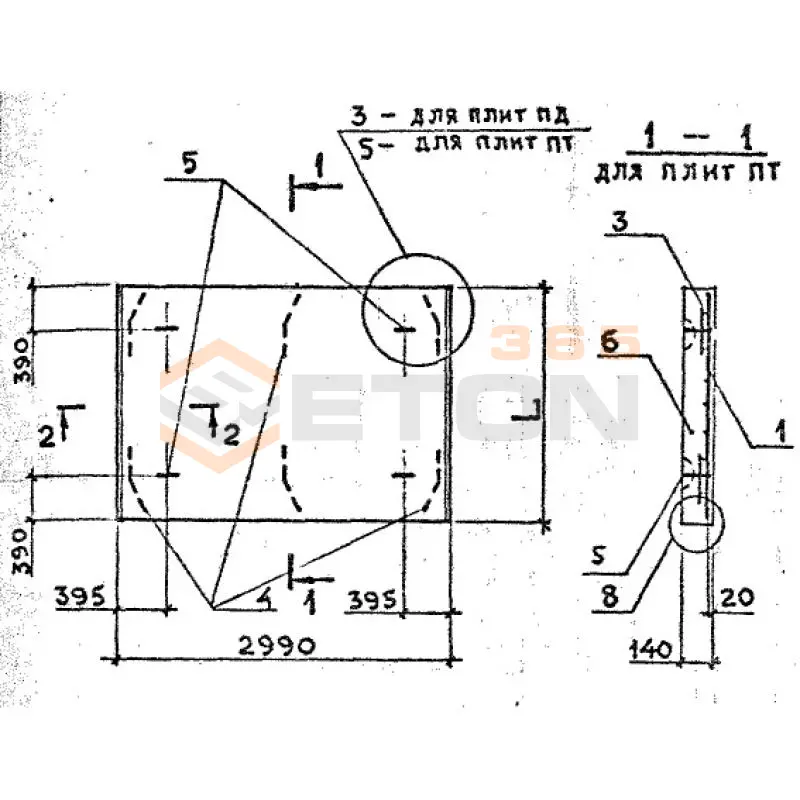
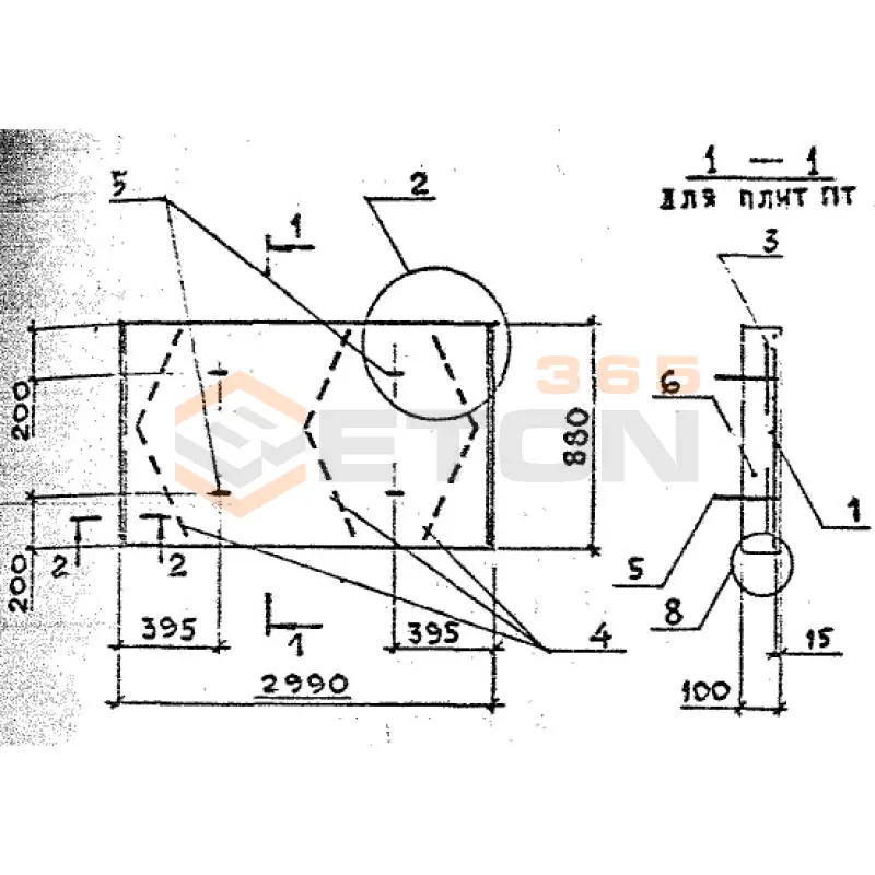
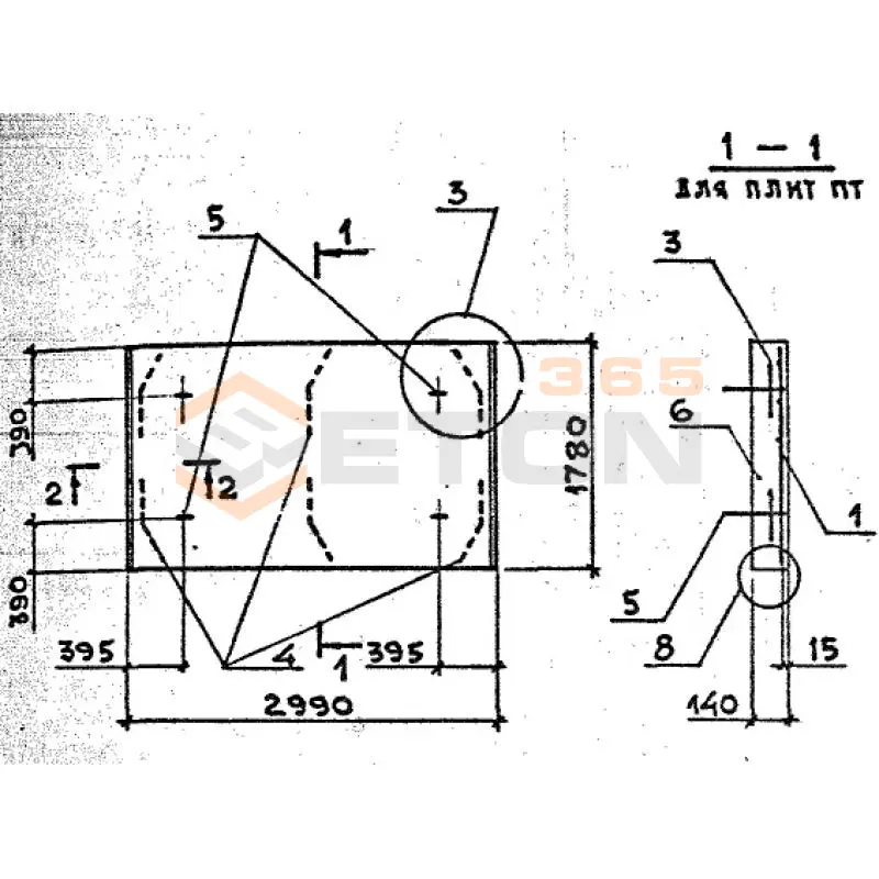
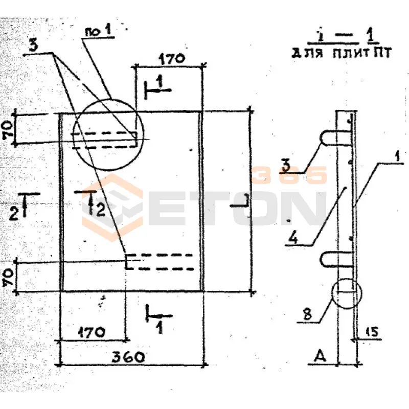
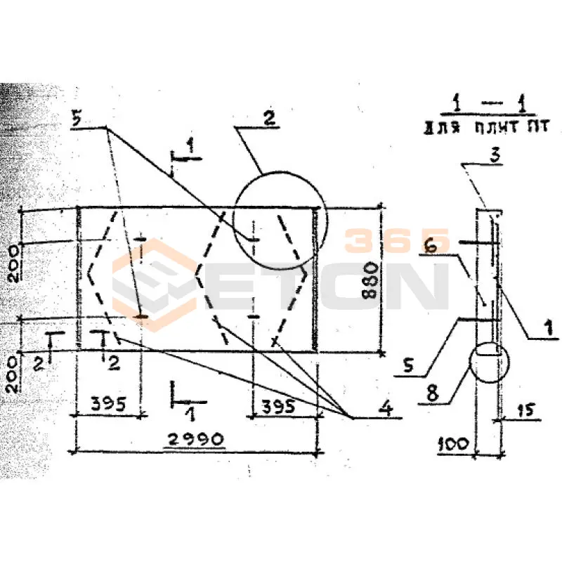
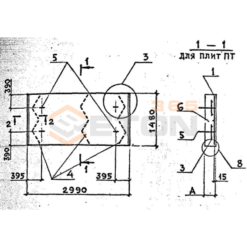
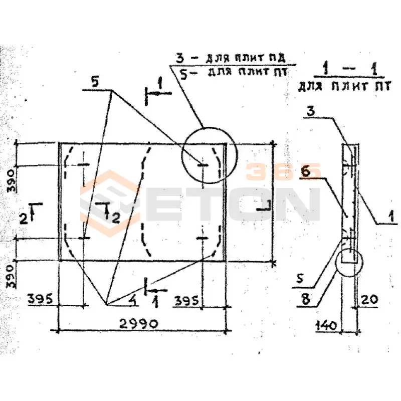
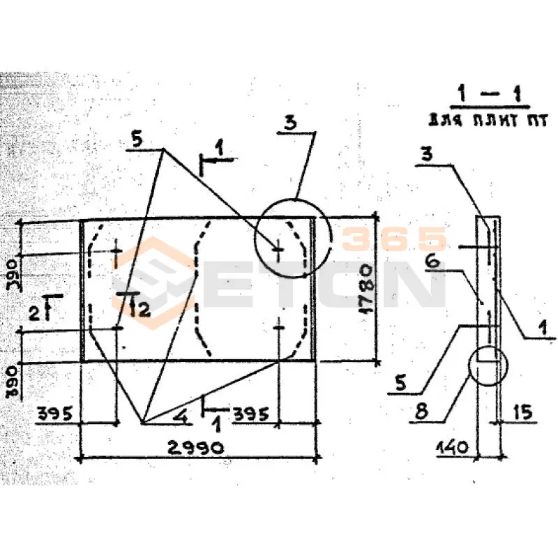
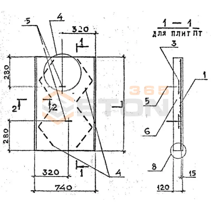
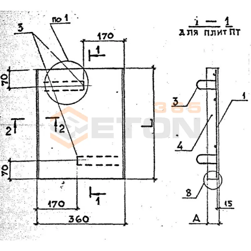
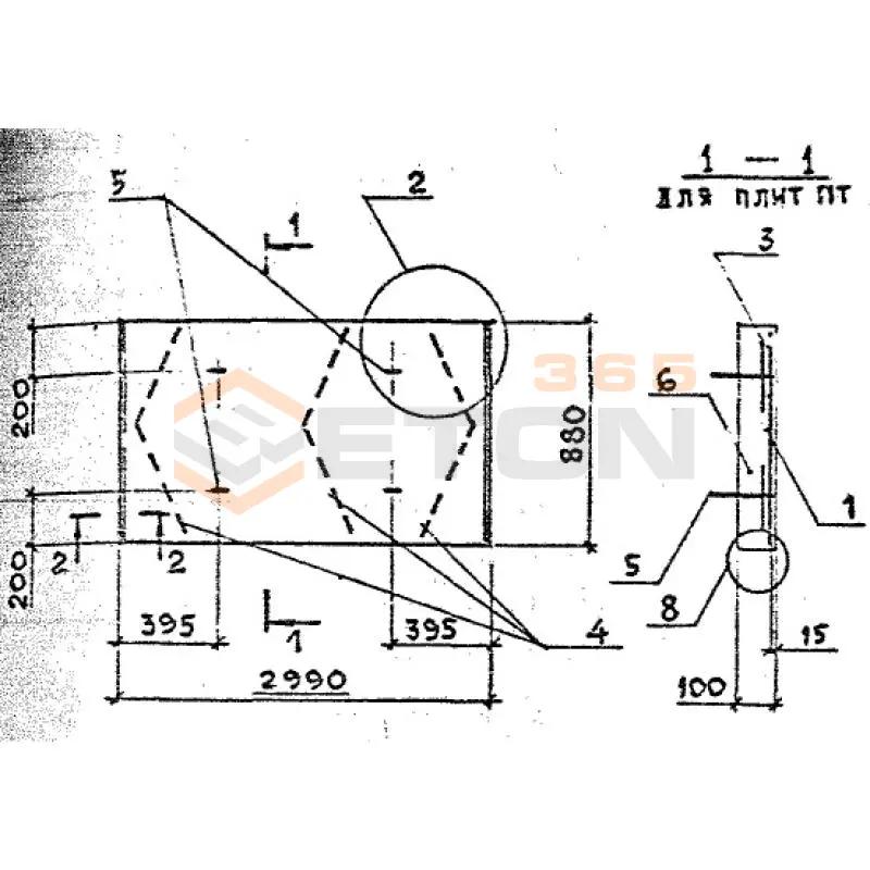
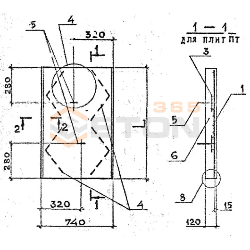
Плиты каналов ПТ серия 3.006.1-8

Поделиться:
Фильтр по характеристикам
Длина (мм.)
keyboard_arrow_down
мм.
мм.
Ширина (мм.)
keyboard_arrow_down
мм.
мм.
Высота (мм.)
keyboard_arrow_down
мм.
мм.
Вес (кг.)
keyboard_arrow_down
кг.
кг.
Объем бетона (м3)
keyboard_arrow_down
м3
м3
Поделиться:

Завод "Бетон365" производит плиты каналов ПТ серия 3.006.1-8 – специализированные железобетонные изделия для создания вентиляционных и инженерных каналов в строительных конструкциях. Эти плиты обеспечивают равномерное распределение нагрузок и формируют технологические полости для прокладки коммуникаций, что значительно упрощает монтаж и повышает надежность всего здания. Изготовленные в строгом соответствии с ГОСТ, они отличаются повышенной прочностью и долговечностью, что делает их идеальным решением для многоэтажного строительства и промышленных объектов.

Мы реализуем плиты каналов ПТ серия 3.006.1-8 в Москве и Московской области по конкурентной цене от производителя, что гарантирует отсутствие посреднических наценок. Предлагаем оперативную доставку на объект и профессиональные консультации по выбору оптимальных решений для вашего проекта. Чтобы купить качественные железобетонные изделия с гарантией, обращайтесь к нашим специалистам для расчета стоимости и оформления заказа.

ПТ 100-180-14-6
Плиты каналов ПТ серия 3.006.1-8
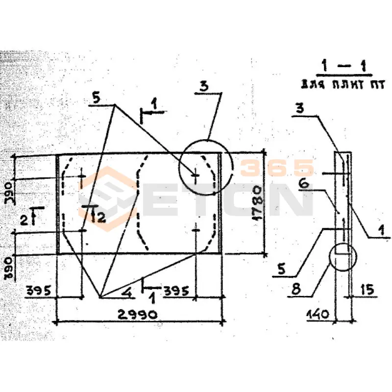
  • Длина 1000 мм.
  • Ширина 1780 мм.
  • Высота 140 мм.
  • Вес 625 кг.
  • Объем бетона 0,25 м3
  • Геометрический объем 0,2492 м3
Цена: 4365 руб.
Подробнее
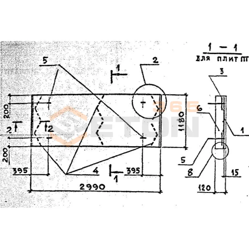
ПТ 300-120-12-1,5
Плиты каналов ПТ серия 3.006.1-8
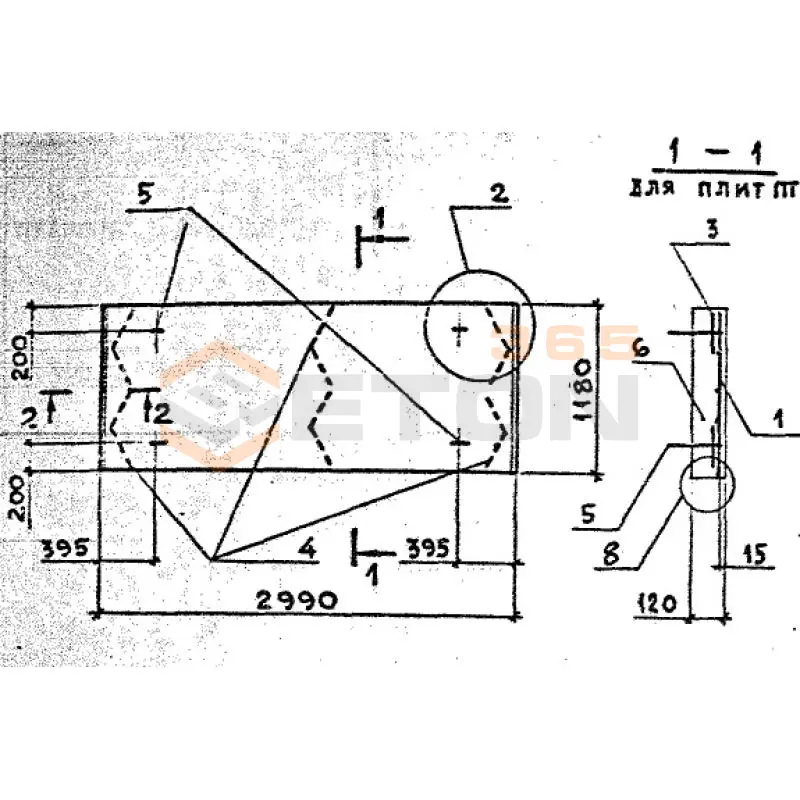
  • Длина 2990 мм.
  • Ширина 1180 мм.
  • Высота 120 мм.
  • Вес 1050 кг.
  • Объем бетона 0,42 м3
  • Геометрический объем 0,4234 м3
Цена: 7333 руб.
Подробнее
ПТ 300-120-12-12
Плиты каналов ПТ серия 3.006.1-8
  • Длина 2990 мм.
  • Ширина 1180 мм.
  • Высота 120 мм.
  • Вес 1050 кг.
  • Объем бетона 0,42 м3
  • Геометрический объем 0,4234 м3
Цена: 7333 руб.
Подробнее
ПТ 300-120-12-15
Плиты каналов ПТ серия 3.006.1-8
  • Длина 2990 мм.
  • Ширина 1180 мм.
  • Высота 120 мм.
  • Вес 1050 кг.
  • Объем бетона 0,42 м3
  • Геометрический объем 0,4234 м3
Цена: 7333 руб.
Подробнее
ПТ 300-120-12-6
Плиты каналов ПТ серия 3.006.1-8
  • Длина 2990 мм.
  • Ширина 1180 мм.
  • Высота 120 мм.
  • Вес 1050 кг.
  • Объем бетона 0,42 м3
  • Геометрический объем 0,4234 м3
Цена: 7333 руб.
Подробнее
ПТ 300-120-12-3
Плиты каналов ПТ серия 3.006.1-8
  • Длина 2990 мм.
  • Ширина 1180 мм.
  • Высота 120 мм.
  • Вес 1050 кг.
  • Объем бетона 0,42 м3
  • Геометрический объем 0,4234 м3
Цена: 7333 руб.
Подробнее
ПТ 300-120-12-9
Плиты каналов ПТ серия 3.006.1-8
  • Длина 2990 мм.
  • Ширина 1180 мм.
  • Высота 120 мм.
  • Вес 1050 кг.
  • Объем бетона 0,42 м3
  • Геометрический объем 0,4234 м3
Цена: 7333 руб.
Подробнее
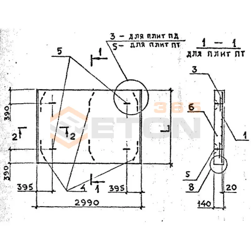
ПТ 300-150-12-3
Плиты каналов ПТ серия 3.006.1-8
  • Длина 2990 мм.
  • Ширина 1480 мм.
  • Высота 120 мм.
  • Вес 1330 кг.
  • Объем бетона 0,53 м3
  • Геометрический объем 0,531 м3
Цена: 9254 руб.
Подробнее
ПТ 300-150-12-1,5
Плиты каналов ПТ серия 3.006.1-8
  • Длина 2990 мм.
  • Ширина 1480 мм.
  • Высота 120 мм.
  • Вес 1330 кг.
  • Объем бетона 0,53 м3
  • Геометрический объем 0,531 м3
Цена: 9254 руб.
Подробнее
ПТ 300-150-12-6
Плиты каналов ПТ серия 3.006.1-8
  • Длина 2990 мм.
  • Ширина 1480 мм.
  • Высота 120 мм.
  • Вес 1330 кг.
  • Объем бетона 0,53 м3
  • Геометрический объем 0,531 м3
Цена: 9254 руб.
Подробнее
ПТ 300-150-14-15
Плиты каналов ПТ серия 3.006.1-8
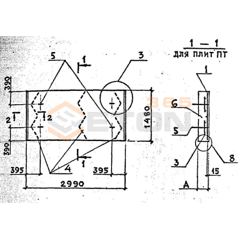
  • Длина 2990 мм.
  • Ширина 1480 мм.
  • Высота 140 мм.
  • Вес 1550 кг.
  • Объем бетона 0,62 м3
  • Геометрический объем 0,6195 м3
Цена: 10825 руб.
Подробнее
ПТ 300-150-14-12
Плиты каналов ПТ серия 3.006.1-8
  • Длина 2990 мм.
  • Ширина 1480 мм.
  • Высота 140 мм.
  • Вес 1550 кг.
  • Объем бетона 0,62 м3
  • Геометрический объем 0,6195 м3
Цена: 10825 руб.
Подробнее
ПТ 300-150-14-9
Плиты каналов ПТ серия 3.006.1-8
  • Длина 2990 мм.
  • Ширина 1480 мм.
  • Высота 140 мм.
  • Вес 1550 кг.
  • Объем бетона 0,62 м3
  • Геометрический объем 0,6195 м3
Цена: 10825 руб.
Подробнее
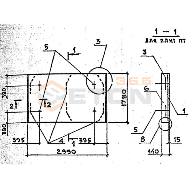
ПТ 300-180-14-3
Плиты каналов ПТ серия 3.006.1-8
  • Длина 2990 мм.
  • Ширина 1780 мм.
  • Высота 140 мм.
  • Вес 1880 кг.
  • Объем бетона 0,75 м3
  • Геометрический объем 0,7451 м3
Цена: 13095 руб.
Подробнее
ПТ 300-180-14-1,5
Плиты каналов ПТ серия 3.006.1-8
  • Длина 2990 мм.
  • Ширина 1780 мм.
  • Высота 140 мм.
  • Вес 1880 кг.
  • Объем бетона 0,75 м3
  • Геометрический объем 0,7451 м3
Цена: 13095 руб.
Подробнее
ПТ 300-180-14-6
Плиты каналов ПТ серия 3.006.1-8
  • Длина 2990 мм.
  • Ширина 1780 мм.
  • Высота 140 мм.
  • Вес 1880 кг.
  • Объем бетона 0,75 м3
  • Геометрический объем 0,7451 м3
Цена: 13095 руб.
Подробнее
ПТ 300-180-14-9
Плиты каналов ПТ серия 3.006.1-8
  • Длина 2990 мм.
  • Ширина 1780 мм.
  • Высота 140 мм.
  • Вес 1880 кг.
  • Объем бетона 0,75 м3
  • Геометрический объем 0,7451 м3
Цена: 13095 руб.
Подробнее
ПТ 300-180-16-12
Плиты каналов ПТ серия 3.006.1-8
  • Длина 2990 мм.
  • Ширина 1780 мм.
  • Высота 160 мм.
  • Вес 2130 кг.
  • Объем бетона 0,85 м3
  • Геометрический объем 0,8516 м3
Цена: 14841 руб.
Подробнее
ПТ 300-180-20-15
Плиты каналов ПТ серия 3.006.1-8
  • Длина 2990 мм.
  • Ширина 1780 мм.
  • Высота 200 мм.
  • Вес 2660 кг.
  • Объем бетона 1,06 м3
  • Геометрический объем 1,0644 м3
Цена: 18508 руб.
Подробнее
ПТ 300-210-14-1,5
Плиты каналов ПТ серия 3.006.1-8
  • Длина 2990 мм.
  • Ширина 2080 мм.
  • Высота 140 мм.
  • Вес 2180 кг.
  • Объем бетона 0,87 м3
  • Геометрический объем 0,8707 м3
Цена: 15190 руб.
Подробнее
ПТ 300-210-14-3
Плиты каналов ПТ серия 3.006.1-8
  • Длина 2990 мм.
  • Ширина 2080 мм.
  • Высота 140 мм.
  • Вес 2180 кг.
  • Объем бетона 0,87 м3
  • Геометрический объем 0,8707 м3
Цена: 15190 руб.
Подробнее
ПТ 300-210-14-6
Плиты каналов ПТ серия 3.006.1-8
  • Длина 2990 мм.
  • Ширина 2080 мм.
  • Высота 140 мм.
  • Вес 2180 кг.
  • Объем бетона 0,87 м3
  • Геометрический объем 0,8707 м3
Цена: 15190 руб.
Подробнее
ПТ 300-210-16-9
Плиты каналов ПТ серия 3.006.1-8
  • Длина 2990 мм.
  • Ширина 2080 мм.
  • Высота 160 мм.
  • Вес 2500 кг.
  • Объем бетона 1 м3
  • Геометрический объем 0,9951 м3
Цена: 17460 руб.
Подробнее
ПТ 300-210-20-12
Плиты каналов ПТ серия 3.006.1-8
  • Длина 2990 мм.
  • Ширина 2080 мм.
  • Высота 200 мм.
  • Вес 3100 кг.
  • Объем бетона 1,24 м3
  • Геометрический объем 1,2438 м3
Цена: 21650 руб.
Подробнее
ПТ 300-240-14-1,5
Плиты каналов ПТ серия 3.006.1-8
  • Длина 2990 мм.
  • Ширина 2380 мм.
  • Высота 140 мм.
  • Вес 2500 кг.
  • Объем бетона 1 м3
  • Геометрический объем 0,9963 м3
Цена: 17460 руб.
Подробнее
ПТ 300-210-20-15
Плиты каналов ПТ серия 3.006.1-8
  • Длина 2990 мм.
  • Ширина 2080 мм.
  • Высота 200 мм.
  • Вес 3100 кг.
  • Объем бетона 1,24 м3
  • Геометрический объем 1,2438 м3
Цена: 21650 руб.
Подробнее
ПТ 300-240-14-3
Плиты каналов ПТ серия 3.006.1-8
  • Длина 2990 мм.
  • Ширина 2380 мм.
  • Высота 140 мм.
  • Вес 2500 кг.
  • Объем бетона 1 м3
  • Геометрический объем 0,9963 м3
Цена: 17460 руб.
Подробнее
ПТ 300-240-14-6
Плиты каналов ПТ серия 3.006.1-8
  • Длина 2990 мм.
  • Ширина 2380 мм.
  • Высота 140 мм.
  • Вес 2500 кг.
  • Объем бетона 1 м3
  • Геометрический объем 0,9963 м3
Цена: 17460 руб.
Подробнее
ПТ 300-240-20-9
Плиты каналов ПТ серия 3.006.1-8
  • Длина 2990 мм.
  • Ширина 2380 мм.
  • Высота 200 мм.
  • Вес 3550 кг.
  • Объем бетона 1,42 м3
  • Геометрический объем 1,4232 м3
Цена: 24793 руб.
Подробнее
ПТ 300-240-25
Плиты каналов ПТ серия 3.006.1-8
  • Длина 2990 мм.
  • Ширина 2380 мм.
  • Высота 250 мм.
  • Вес 4450 кг.
  • Объем бетона 1,78 м3
  • Геометрический объем 1,7791 м3
Цена: 31079 руб.
Подробнее
ПТ 300-240-25-12
Плиты каналов ПТ серия 3.006.1-8
  • Длина 2990 мм.
  • Ширина 2380 мм.
  • Высота 250 мм.
  • Вес 4450 кг.
  • Объем бетона 1,78 м3
  • Геометрический объем 1,7791 м3
Цена: 31079 руб.
Подробнее
ПТ 300-240-25-15
Плиты каналов ПТ серия 3.006.1-8
  • Длина 2990 мм.
  • Ширина 2380 мм.
  • Высота 250 мм.
  • Вес 4450 кг.
  • Объем бетона 1,78 м3
  • Геометрический объем 1,7791 м3
Цена: 31079 руб.
Подробнее
ПТ 300-270-16
Плиты каналов ПТ серия 3.006.1-8
  • Длина 2990 мм.
  • Ширина 2680 мм.
  • Высота 160 мм.
  • Вес 3200 кг.
  • Объем бетона 1,28 м3
  • Геометрический объем 1,2821 м3
Цена: 22349 руб.
Подробнее
ПТ 300-300-16-3
Плиты каналов ПТ серия 3.006.1-8
  • Длина 2990 мм.
  • Ширина 2980 мм.
  • Высота 160 мм.
  • Вес 3580 кг.
  • Объем бетона 1,43 м3
  • Геометрический объем 1,4256 м3
Цена: 24968 руб.
Подробнее
ПТ 300-300-16-1,5
Плиты каналов ПТ серия 3.006.1-8
  • Длина 2990 мм.
  • Ширина 2980 мм.
  • Высота 160 мм.
  • Вес 3580 кг.
  • Объем бетона 1,43 м3
  • Геометрический объем 1,4256 м3
Цена: 24968 руб.
Подробнее
ПТ 300-300-20-6
Плиты каналов ПТ серия 3.006.1-8
  • Длина 2990 мм.
  • Ширина 2980 мм.
  • Высота 200 мм.
  • Вес 4450 кг.
  • Объем бетона 1,78 м3
  • Геометрический объем 1,782 м3
Цена: 31079 руб.
Подробнее
ПТ 300-300-25-12
Плиты каналов ПТ серия 3.006.1-8
  • Длина 2990 мм.
  • Ширина 2980 мм.
  • Высота 250 мм.
  • Вес 5580 кг.
  • Объем бетона 2,23 м3
  • Геометрический объем 2,2275 м3
Цена: 38936 руб.
Подробнее
ПТ 300-300-25-15
Плиты каналов ПТ серия 3.006.1-8
  • Длина 2990 мм.
  • Ширина 2980 мм.
  • Высота 250 мм.
  • Вес 5580 кг.
  • Объем бетона 2,23 м3
  • Геометрический объем 2,2275 м3
Цена: 38936 руб.
Подробнее
ПТ 300-300-25-9
Плиты каналов ПТ серия 3.006.1-8
  • Длина 2990 мм.
  • Ширина 2980 мм.
  • Высота 250 мм.
  • Вес 5580 кг.
  • Объем бетона 2,23 м3
  • Геометрический объем 2,2275 м3
Цена: 38936 руб.
Подробнее
ПТ 300-90-10-1,5
Плиты каналов ПТ серия 3.006.1-8
  • Длина 2990 мм.
  • Ширина 880 мм.
  • Высота 100 мм.
  • Вес 660 кг.
  • Объем бетона 0,26 м3
  • Геометрический объем 0,2631 м3
Цена: 4540 руб.
Подробнее
ПТ 300-90-10-15
Плиты каналов ПТ серия 3.006.1-8
  • Длина 2990 мм.
  • Ширина 880 мм.
  • Высота 100 мм.
  • Вес 660 кг.
  • Объем бетона 0,26 м3
  • Геометрический объем 0,2631 м3
Цена: 4540 руб.
Подробнее
ПТ 300-80-14
Плиты каналов ПТ серия 3.006.1-8
  • Длина 2990 мм.
  • Ширина 780 мм.
  • Высота 140 мм.
  • Вес 860 кг.
  • Объем бетона 0,33 м3
  • Геометрический объем 0,3265 м3
Цена: 5762 руб.
Подробнее
ПТ 300-90-10-6
Плиты каналов ПТ серия 3.006.1-8
  • Длина 2990 мм.
  • Ширина 880 мм.
  • Высота 100 мм.
  • Вес 660 кг.
  • Объем бетона 0,26 м3
  • Геометрический объем 0,2631 м3
Цена: 4540 руб.
Подробнее
ПТ 300-90-10-9
Плиты каналов ПТ серия 3.006.1-8
  • Длина 2990 мм.
  • Ширина 880 мм.
  • Высота 100 мм.
  • Вес 660 кг.
  • Объем бетона 0,26 м3
  • Геометрический объем 0,2631 м3
Цена: 4540 руб.
Подробнее
ПТ 300-90-10-3
Плиты каналов ПТ серия 3.006.1-8
  • Длина 2990 мм.
  • Ширина 880 мм.
  • Высота 100 мм.
  • Вес 660 кг.
  • Объем бетона 0,26 м3
  • Геометрический объем 0,2631 м3
Цена: 4540 руб.
Подробнее
ПТ 36-45-6-12
Плиты каналов ПТ серия 3.006.1-8
  • Длина 360 мм.
  • Ширина 430 мм.
  • Высота 60 мм.
  • Вес 23 кг.
  • Объем бетона 0,009 м3
  • Геометрический объем 0,0093 м3
Цена: 157 руб.
Подробнее
ПТ 36-30-6-15
Плиты каналов ПТ серия 3.006.1-8
  • Длина 360 мм.
  • Ширина 280 мм.
  • Высота 60 мм.
  • Вес 15 кг.
  • Объем бетона 0,006 м3
  • Геометрический объем 0,006 м3
Цена: 105 руб.
Подробнее
ПТ 36-45-6-15
Плиты каналов ПТ серия 3.006.1-8
  • Длина 360 мм.
  • Ширина 430 мм.
  • Высота 60 мм.
  • Вес 23 кг.
  • Объем бетона 0,009 м3
  • Геометрический объем 0,0093 м3
Цена: 157 руб.
Подробнее
ПТ 36-45-6-6
Плиты каналов ПТ серия 3.006.1-8
  • Длина 360 мм.
  • Ширина 430 мм.
  • Высота 60 мм.
  • Вес 23 кг.
  • Объем бетона 0,009 м3
  • Геометрический объем 0,0093 м3
Цена: 157 руб.
Подробнее
ПТ 36-60-8-15
Плиты каналов ПТ серия 3.006.1-8
  • Длина 360 мм.
  • Ширина 580 мм.
  • Высота 80 мм.
  • Вес 43 кг.
  • Объем бетона 0,017 м3
  • Геометрический объем 0,0167 м3
Цена: 297 руб.
Подробнее
ПТ 36-60-8-12
Плиты каналов ПТ серия 3.006.1-8
  • Длина 360 мм.
  • Ширина 580 мм.
  • Высота 80 мм.
  • Вес 43 кг.
  • Объем бетона 0,017 м3
  • Геометрический объем 0,0167 м3
Цена: 297 руб.
Подробнее
ПТ 36-60-8-9
Плиты каналов ПТ серия 3.006.1-8
  • Длина 360 мм.
  • Ширина 580 мм.
  • Высота 80 мм.
  • Вес 43 кг.
  • Объем бетона 0,017 м3
  • Геометрический объем 0,0167 м3
Цена: 297 руб.
Подробнее
ПТ 75-120-12-1,5
Плиты каналов ПТ серия 3.006.1-8
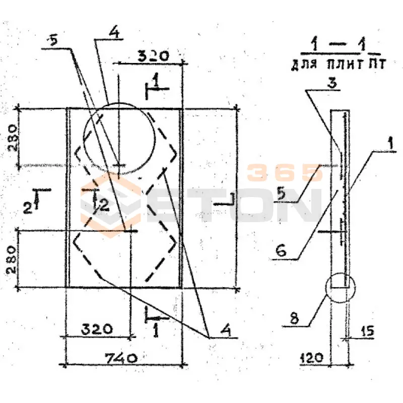
  • Длина 740 мм.
  • Ширина 1180 мм.
  • Высота 120 мм.
  • Вес 260 кг.
  • Объем бетона 0,11 м3
  • Геометрический объем 0,1048 м3
Цена: 1921 руб.
Подробнее
ПТ 36-60-8-6
Плиты каналов ПТ серия 3.006.1-8
  • Длина 360 мм.
  • Ширина 580 мм.
  • Высота 80 мм.
  • Вес 43 кг.
  • Объем бетона 0,017 м3
  • Геометрический объем 0,0167 м3
Цена: 297 руб.
Подробнее
ПТ 75-120-12-12
Плиты каналов ПТ серия 3.006.1-8
  • Длина 740 мм.
  • Ширина 1180 мм.
  • Высота 120 мм.
  • Вес 260 кг.
  • Объем бетона 0,11 м3
  • Геометрический объем 0,1048 м3
Цена: 1921 руб.
Подробнее
ПТ 75-120-12-15
Плиты каналов ПТ серия 3.006.1-8
  • Длина 740 мм.
  • Ширина 1180 мм.
  • Высота 120 мм.
  • Вес 260 кг.
  • Объем бетона 0,11 м3
  • Геометрический объем 0,1048 м3
Цена: 1921 руб.
Подробнее
ПТ 75-120-12-3
Плиты каналов ПТ серия 3.006.1-8
  • Длина 740 мм.
  • Ширина 1180 мм.
  • Высота 120 мм.
  • Вес 260 кг.
  • Объем бетона 0,11 м3
  • Геометрический объем 0,1048 м3
Цена: 1921 руб.
Подробнее
ПТ 75-120-12-9
Плиты каналов ПТ серия 3.006.1-8
  • Длина 740 мм.
  • Ширина 1180 мм.
  • Высота 120 мм.
  • Вес 260 кг.
  • Объем бетона 0,11 м3
  • Геометрический объем 0,1048 м3
Цена: 1921 руб.
Подробнее
ПТ 75-150-12-3
Плиты каналов ПТ серия 3.006.1-8
  • Длина 740 мм.
  • Ширина 1480 мм.
  • Высота 120 мм.
  • Вес 330 кг.
  • Объем бетона 0,131 м3
  • Геометрический объем 0,1314 м3
Цена: 2287 руб.
Подробнее
ПТ 75-150-12-6
Плиты каналов ПТ серия 3.006.1-8
  • Длина 740 мм.
  • Ширина 1480 мм.
  • Высота 120 мм.
  • Вес 330 кг.
  • Объем бетона 0,13 м3
  • Геометрический объем 0,1314 м3
Цена: 2270 руб.
Подробнее

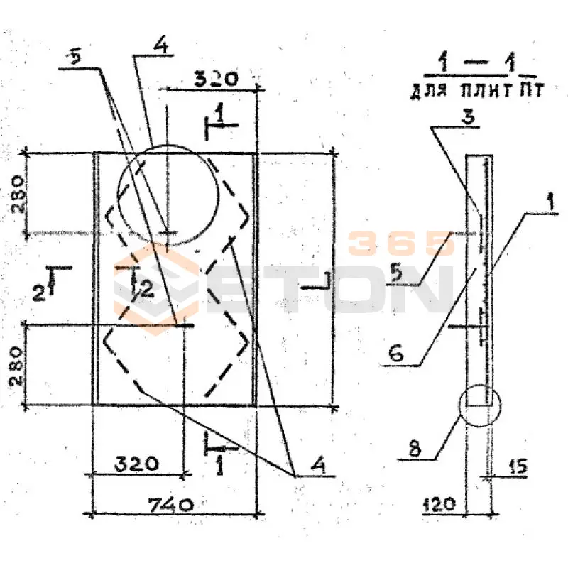
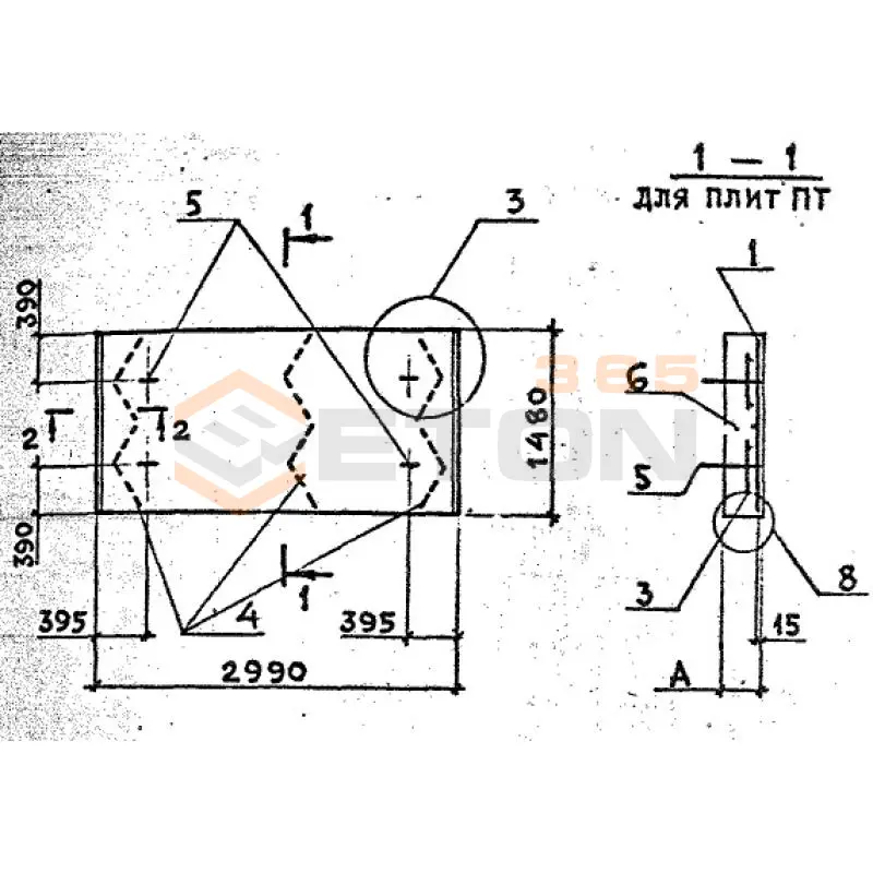
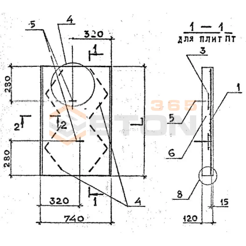
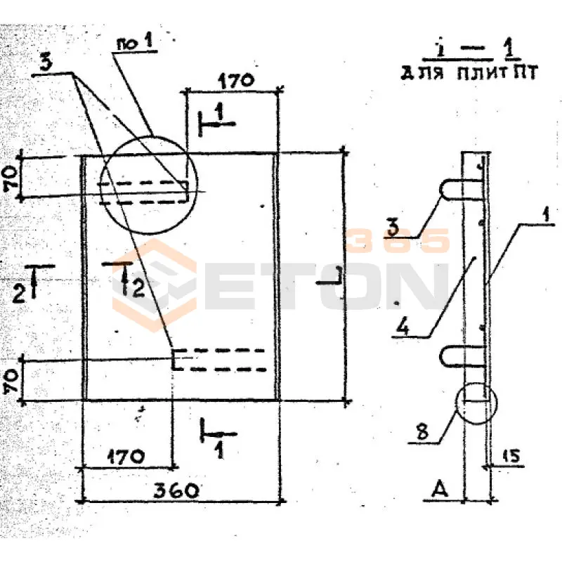
Как правильно выбрать - Плиты каналов ПТ серия 3.006.1-8

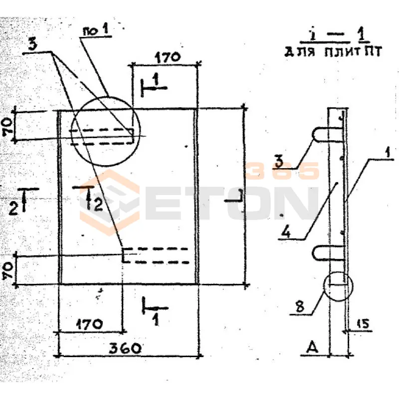
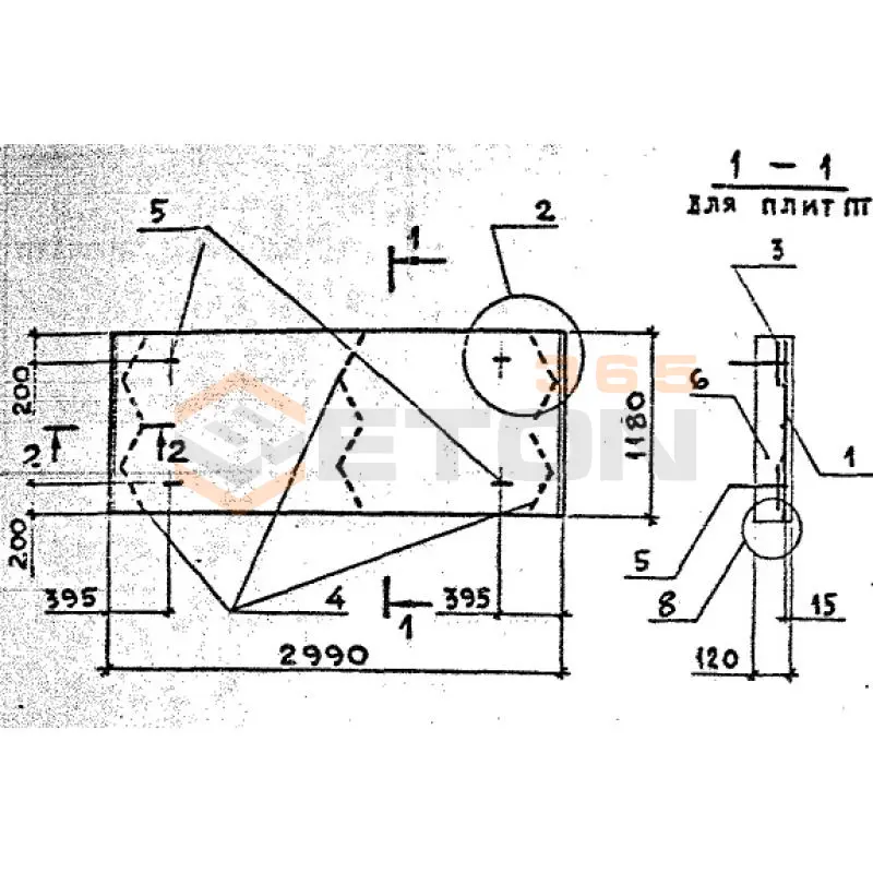
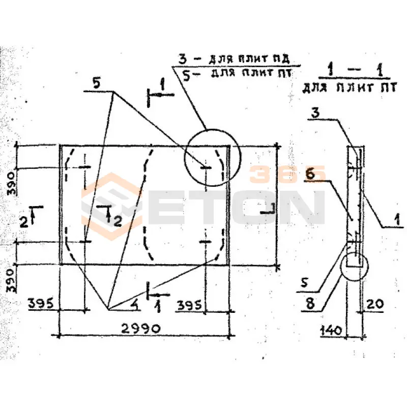
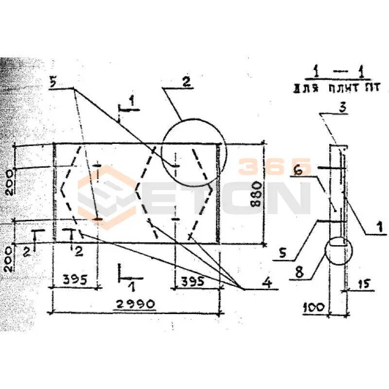
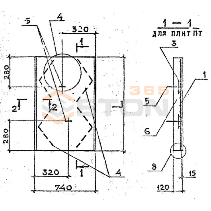
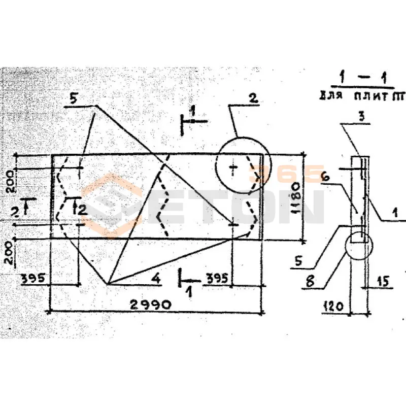
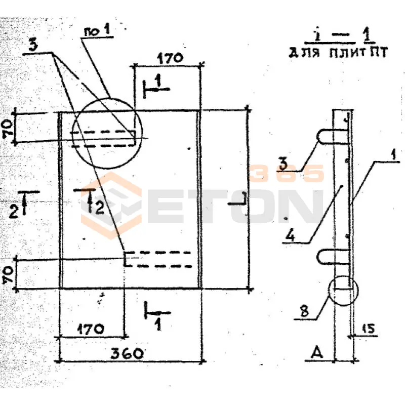
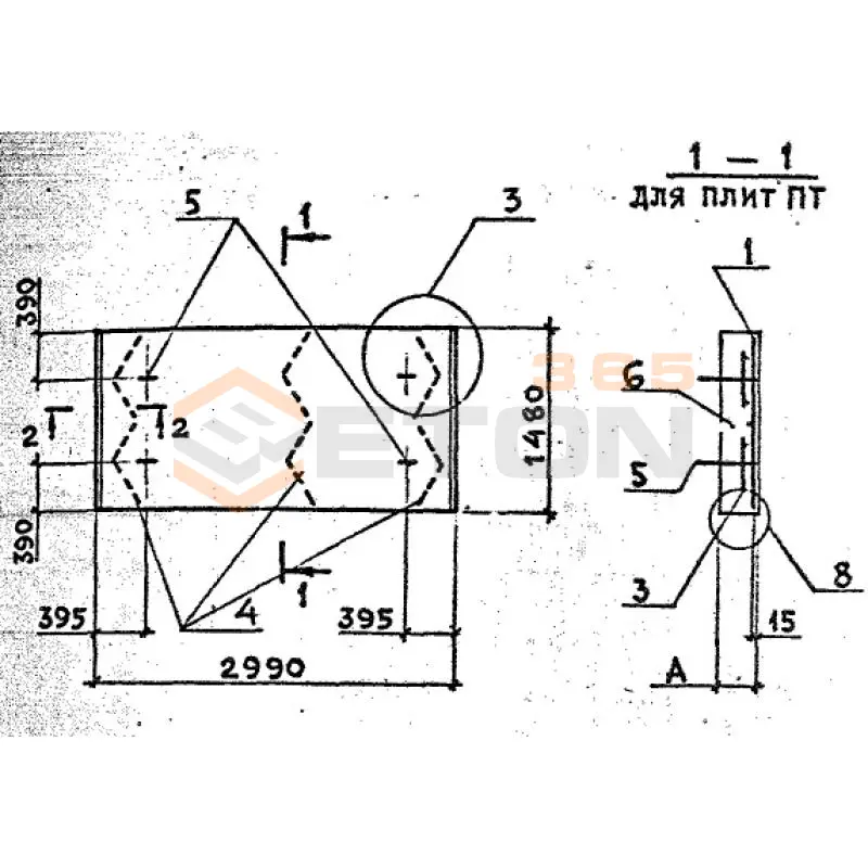
Плиты каналов ПТ серия 3.006.1-8 предназначены для перекрытия сборных железобетонных лотков, используемых при строительстве водоотводных, дренажных и ливневых канализационных систем. Они обеспечивают защиту каналов от засорения и безопасность пешеходных и транспортных зон. Долговечность и надежность всей водоотводной системы напрямую зависят от грамотного подбора плит ПТ серии 3.006.1-8 в соответствии с проектными нагрузками и условиями эксплуатации.

Критерии выбора

  • Марка бетона и эксплуатационные характеристики: Изделия изготавливаются из тяжелого бетона марки не ниже М300. Обязательно проверяйте показатели морозостойкости (F200) и водонепроницаемости (W4), особенно для наружных систем.
  • Класс арматуры: Для армирования используется сталь классов А-I и А-III, что обеспечивает необходимую прочность на изгиб и восприятие динамических нагрузок.
  • Типоразмер и конфигурация: Внимательно сверяйте габаритные размеры (длину, ширину) плиты ПТ с размерами лотка, который она должна перекрывать. Серия включает изделия для лотков различной ширины.
  • Наличие монтажных петель: Убедитесь в наличии закладных деталей или монтажных петель для безопасной и удобной строповки.
  • Расчетная нагрузка: Определите, для какой зоны предназначена плита — пешеходной или проезжей, и выбирайте изделие, соответствующее проектным нагрузкам (например, А14, А15).
  • Соответствие нормам: Все плиты каналов ПТ серия 3.006.1-8 должны строго соответствовать требованиям рабочих чертежей серии и ГОСТ на железобетонные изделия.

Рекомендации по подбору и монтажу

При составлении спецификации на плиты перекрытия каналов ПТ обязательно указывайте не только типоразмер, но и расчетную нагрузку. Затребуйте у поставщика паспорта качества, где указаны фактические марки бетона по прочности, морозостойкости и водонепроницаемости. Убедитесь, что поставка комплектная и все плиты имеют одинаковую маркировку, соответствующую проекту.

При монтаже плит ПТ серии 3.006.1-8 основанием служат стенки железобетонных лотков. Необходимо обеспечить их чистоту и ровность. Укладывайте плиты плотно, без перекосов, чтобы избежать образования щелей и последующего проседания. Для зон с интенсивным движением рекомендуется дополнительно зафиксировать плиты между собой и с лотком для предотвращения сдвига.

Ответы экспертов на ваши вопросы

Основные технические характеристики включают:

  • Типоразмеры: от ПТ1 до ПТ8 с длиной от 2980 мм до 5980 мм
  • Ширина: 1180 мм, 1380 мм, 1480 мм, 1680 мм
  • Высота: 380 мм, 480 мм, 580 мм
  • Масса: от 1.15 т до 3.45 т в зависимости от типоразмера
  • Марка бетона: не ниже В25 (М350)
  • Класс арматуры: А-III
  • Морозостойкость: F150-F200
  • Водонепроницаемость: W6

Плиты каналов ПТ применяются для:

  • Устройства сборных железобетонных лотков и каналов
  • Организации систем водоотведения и дренажа
  • Создания коллекторов и кюветов
  • Строительства мелиоративных систем
  • Устройства подземных коммуникационных каналов
  • Прокладки кабельных линий различного назначения

Основные преимущества:

  • Высокая скорость монтажа за счет заводского изготовления
  • Стабильное качество благодаря контролю на производстве
  • Снижение трудозатрат на строительной площадке
  • Возможность ведения работ в любое время года
  • Унификация размеров и стандартизация соединений
  • Долговечность и надежность конструкции
  • Сокращение сроков строительства

Монтаж выполняется в следующей последовательности:

  1. Подготовка основания с устройством песчаной подушки
  2. Укладка плит с помощью грузоподъемной техники
  3. Стыковка элементов с обеспечением герметичности соединений
  4. Проверка геометрических параметров и ровности укладки
  5. Заделка стыков специальными составами
  6. Обратная засыпка с послойным уплотнением

Требования к транспортировке и хранению:

  • Транспортировка в горизонтальном положении на деревянных прокладках
  • Запрещается сбрасывание плит с транспортных средств
  • Складирование штабелями высотой не более 2 метров
  • Укладка на ровную подготовленную площадку
  • Использование деревянных прокладок между рядами
  • Защита от механических повреждений при погрузо-разгрузочных работах
  • Исключение точечных нагрузок на поверхность изделий
Ранее смотрели
РДП 4-26-90
РДП 4-26-90
Ригели высотой 450 мм для опирания многопустотных плит перекрытия серия 1.020-1/87 ( 1.020.1-7, 1.020-1/83, ИИ 04-1, 1.020.1-3пв )
Плиты дорожно-тротуарные ТП 320-55 ДТ 2 (ТП 320-55)
ДТ 2 (ТП 320-55)
Плиты дорожно-тротуарные ТП 320-55
Блоки бассейнов и лестниц Шифр 734 П 10 (Шифр 734)
П 10 (Шифр 734)
Блоки бассейнов и лестниц Шифр 734
СБ 4-1 (ТП 905-7)
СБ 4-1 (ТП 905-7)
Блоки стеновые (кольца) ТП 905-7
Диафрагмы жесткости плоские Серия Б1.020.1-7 Д 12-31 (Б1.020.1-7)
Д 12-31 (Б1.020.1-7)
Диафрагмы жесткости плоские Серия Б1.020.1-7
ПРГ 48-1,6-5-4 т
ПРГ 48-1,6-5-4 т
Прогоны ПТ Серия 1.225-2
Прогоны железобетонные прямоугольного сечения Серия 1.225-2 ПРГ 36-1,4-4 АIII
ПРГ 36-1,4-4 АIII
Прогоны железобетонные прямоугольного сечения Серия 1.225-2
Диафрагмы жесткости плоские Серия Б1.020.1-7 Д 15-26 (Б1.020.1-7)
Д 15-26 (Б1.020.1-7)
Диафрагмы жесткости плоские Серия Б1.020.1-7

Уведомление о файлах cookie

Мы используем файлы cookie для улучшения вашего опыта просмотра и анализа трафика. Нажимая "Принять все", вы соглашаетесь с нашей политикой конфиденциальности и политикой обработки файлов cookie.

Дзен Телеграм Вконтакте vk