mobile_sound +7 (930) 655-55-90

Плиты днища каналов угловые ПДУ серия 3.006.1-8

Поделиться:
Фильтр по характеристикам
Длина (мм.)
keyboard_arrow_down
мм.
мм.
Ширина (мм.)
keyboard_arrow_down
мм.
мм.
Высота (мм.)
keyboard_arrow_down
мм.
мм.
Вес (кг.)
keyboard_arrow_down
кг.
кг.
Поделиться:

Завод "Бетон365" производит плиты днища каналов угловые ПДУ серии 3.006.1-8 – ключевые элементы для создания прочных и герметичных канализационных и дренажных систем. Эти железобетонные изделия изготавливаются из высококачественного бетона с соблюдением требований ГОСТ, что обеспечивает их устойчивость к агрессивным средам и значительным нагрузкам. Угловая конструкция плит позволяет формировать надежные стыки и равномерно распределять давление грунта, значительно повышая долговечность и безопасность подземных коммуникаций.

Мы реализуем плиты ПДУ напрямую от производителя в Москве и Московской области по конкурентным ценам. Приобретая продукцию у нас, вы получаете сертифицированные ЖБИ с гарантией качества, оперативную доставку на объект и профессиональные консультации по монтажу. Чтобы купить плиты днища каналов угловые серии 3.006.1-8 в Мск и рассчитать стоимость заказа, свяжитесь с нашими специалистами для оформления заявки.

ПДУ 110-120-12-6
Плиты днища каналов угловые ПДУ серия 3.006.1-8
  • Длина 1180 мм.
  • Ширина 1100 мм.
  • Высота 120 мм.
  • Вес 389 кг.
  • Объем бетона 0,16 м3
  • Геометрический объем 0,1558 м3
Цена: 3880 руб.
Подробнее
ПДУ 140-150-12-6
Плиты днища каналов угловые ПДУ серия 3.006.1-8
  • Длина 1480 мм.
  • Ширина 1350 мм.
  • Высота 120 мм.
  • Вес 600 кг.
  • Объем бетона 0,24 м3
  • Геометрический объем 0,2398 м3
Цена: 5820 руб.
Подробнее
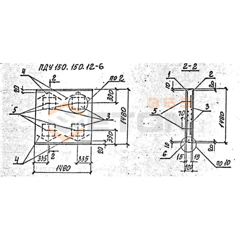
ПДУ 150-150-12-6
Плиты днища каналов угловые ПДУ серия 3.006.1-8
  • Длина 1480 мм.
  • Ширина 1480 мм.
  • Высота 120 мм.
  • Вес 657 кг.
  • Объем бетона 0,26 м3
  • Геометрический объем 0,2628 м3
Цена: 6305 руб.
Подробнее
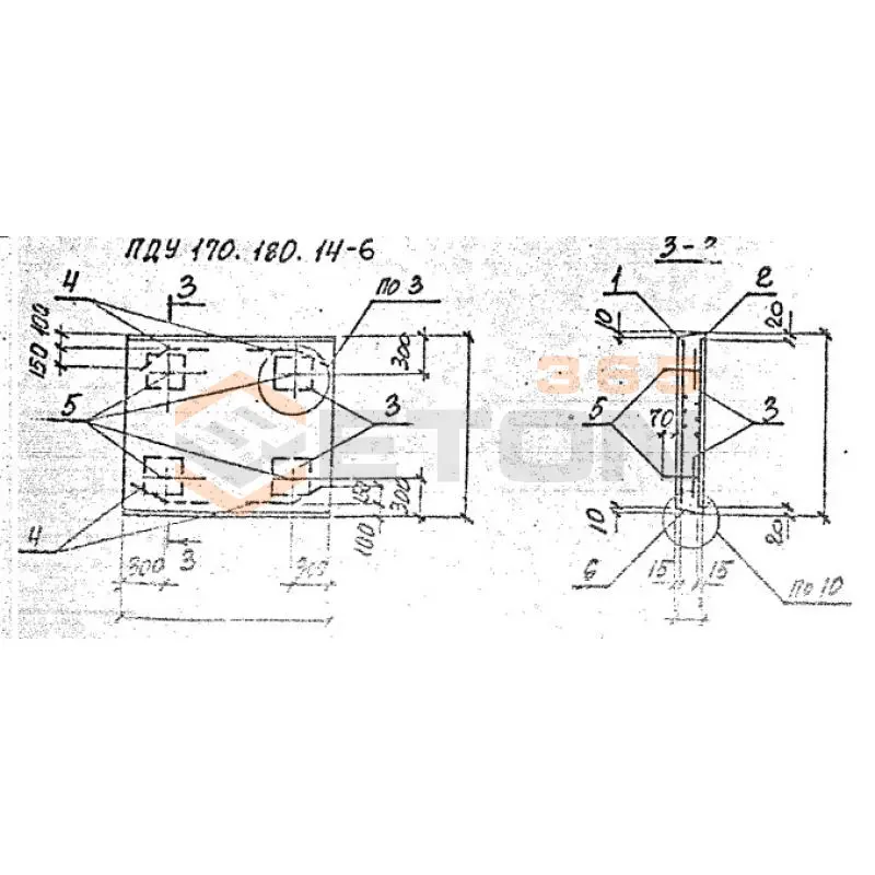
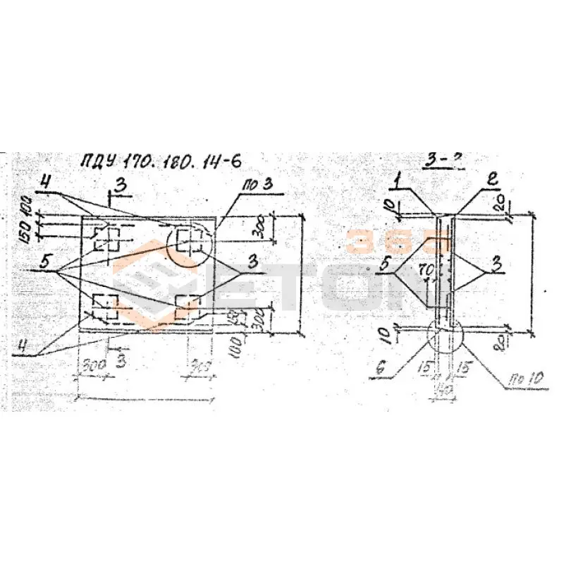
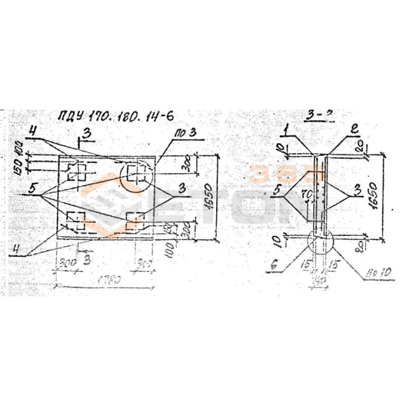
ПДУ 170-180-14-6
Плиты днища каналов угловые ПДУ серия 3.006.1-8
  • Длина 1650 мм.
  • Ширина 1780 мм.
  • Высота 140 мм.
  • Вес 1030 кг.
  • Объем бетона 0,41 м3
  • Геометрический объем 0,4112 м3
Цена: 9943 руб.
Подробнее
ПДУ 180-90-10-6
Плиты днища каналов угловые ПДУ серия 3.006.1-8
  • Длина 1780 мм.
  • Ширина 880 мм.
  • Высота 100 мм.
  • Вес 400 кг.
  • Объем бетона 0,15 м3
  • Геометрический объем 0,1566 м3
Цена: 3638 руб.
Подробнее
ПДУ 190-210-14-6
Плиты днища каналов угловые ПДУ серия 3.006.1-8
  • Длина 1870 мм.
  • Ширина 2080 мм.
  • Высота 140 мм.
  • Вес 1350 кг.
  • Объем бетона 0,54 м3
  • Геометрический объем 0,5445 м3
Цена: 13095 руб.
Подробнее
ПДУ 210-120-12-6
Плиты днища каналов угловые ПДУ серия 3.006.1-8
  • Длина 2080 мм.
  • Ширина 1180 мм.
  • Высота 120 мм.
  • Вес 700 кг.
  • Объем бетона 0,28 м3
  • Геометрический объем 0,2945 м3
Цена: 6790 руб.
Подробнее
ПДУ 220-210-14-6
Плиты днища каналов угловые ПДУ серия 3.006.1-8
  • Длина 2170 мм.
  • Ширина 2080 мм.
  • Высота 140 мм.
  • Вес 1575 кг.
  • Объем бетона 0,63 м3
  • Геометрический объем 0,6319 м3
Цена: 15278 руб.
Подробнее
ПДУ 230-240-20-6
Плиты днища каналов угловые ПДУ серия 3.006.1-8
  • Длина 2300 мм.
  • Ширина 2380 мм.
  • Высота 200 мм.
  • Вес 2730 кг.
  • Объем бетона 1,09 м3
  • Геометрический объем 1,0948 м3
Цена: 26433 руб.
Подробнее
ПДУ 230-240-20-6 а
Плиты днища каналов угловые ПДУ серия 3.006.1-8
  • Длина 2300 мм.
  • Ширина 2380 мм.
  • Высота 200 мм.
  • Вес 2750 кг.
  • Объем бетона 1,1 м3
  • Геометрический объем 1,0948 м3
Цена: 26675 руб.
Подробнее
ПДУ 250-240-20-6 а
Плиты днища каналов угловые ПДУ серия 3.006.1-8
  • Длина 2500 мм.
  • Ширина 2380 мм.
  • Высота 200 мм.
  • Вес 3000 кг.
  • Объем бетона 1,2 м3
  • Геометрический объем 1,19 м3
Цена: 29100 руб.
Подробнее
ПДУ 250-240-20-6
Плиты днища каналов угловые ПДУ серия 3.006.1-8
  • Длина 2500 мм.
  • Ширина 2380 мм.
  • Высота 200 мм.
  • Вес 3000 кг.
  • Объем бетона 1,19 м3
  • Геометрический объем 1,19 м3
Цена: 28858 руб.
Подробнее
ПДУ 300-300-20-6
Плиты днища каналов угловые ПДУ серия 3.006.1-8
  • Длина 2990 мм.
  • Ширина 2980 мм.
  • Высота 200 мм.
  • Вес 4500 кг.
  • Объем бетона 1,78 м3
  • Геометрический объем 1,782 м3
Цена: 43165 руб.
Подробнее
ПДУ 300-300-20-6 а
Плиты днища каналов угловые ПДУ серия 3.006.1-8
  • Длина 2990 мм.
  • Ширина 2980 мм.
  • Высота 200 мм.
  • Вес 4500 кг.
  • Объем бетона 1,8 м3
  • Геометрический объем 1,782 м3
Цена: 43650 руб.
Подробнее
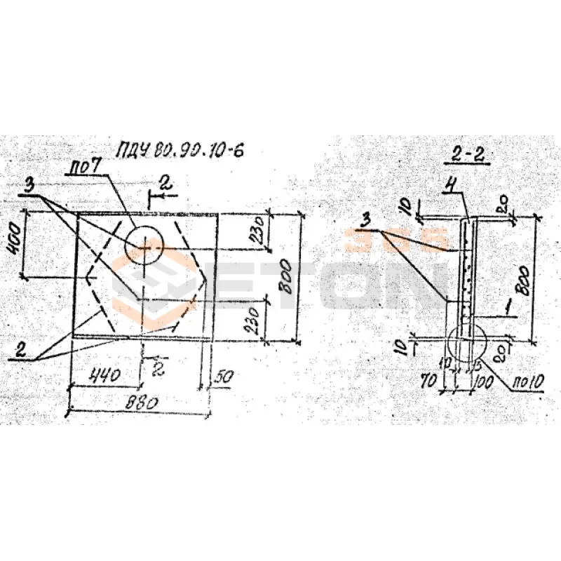
ПДУ 80-90-10-6
Плиты днища каналов угловые ПДУ серия 3.006.1-8
  • Длина 880 мм.
  • Ширина 800 мм.
  • Высота 100 мм.
  • Вес 175 кг.
  • Объем бетона 0,07 м3
  • Геометрический объем 0,0704 м3
Цена: 1698 руб.
Подробнее
ПДУ 60-60-8-6
Плиты днища каналов угловые ПДУ серия 3.006.1-8
  • Длина 580 мм.
  • Ширина 580 мм.
  • Высота 80 мм.
  • Вес 67 кг.
  • Объем бетона 0,027 м3
  • Геометрический объем 0,0269 м3
Цена: 655 руб.
Подробнее

Как правильно выбрать - Плиты днища каналов угловые ПДУ серия 3.006.1-8

Плиты днища каналов угловые ПДУ серия 3.006.1-8 предназначены для формирования угловых зон днища и сопряжений стенок в сборных железобетонных лотках и каналах систем мелиорации, водопропускных и ливневых коллекторов. Они обеспечивают герметичность и прочность конструкции в местах изменения направления. Долговечность и надежность всей канальной системы определяются точным соответствием характеристик плит ПДУ проектным расчетам и условиям эксплуатации.

Критерии выбора

  • Класс бетона и марки: Изделия изготавливаются из тяжелого бетона класса не ниже В25. Обязательно наличие требуемой морозостойкости (F150-F200) и водонепроницаемости (W6-W8) для конкретного региона и агрессивности среды.
  • Арматура: Применение предварительно напряженной или ненапрягаемой арматуры (класс Ат-IV, А-III) в соответствии с серийными чертежами для восприятия нагрузок от давления грунта и транспорта.
  • Геометрия и конфигурация: Точное соответствие типоразмера (например, ПДУ-1, ПДУ-2) проектному положению. Проверка углов и радиусов сопряжения, а также наличия и расположения монтажных петель или отверстий для строповки.
  • Совместимость с другими элементами: Убедитесь, что выбранные плиты ПДУ стыкуются с прямыми плитами днища и стеновыми элементами (блоками) по серии 3.006.1-8 без зазоров и перекосов.
  • Соответствие нормам: Обязательное наличие паспорта качества, подтверждающего изготовление по серии 3.006.1-8 и ГОСТ 13015-2012.

Рекомендации по подбору и монтажу

При составлении спецификации на угловые плиты ПДУ серия 3.006.1-8 необходимо указывать не только артикул, но и расчетную схему нагрузки (например, от колесной техники при засыпке) и тип грунтов для уточнения требуемого класса бетона. При приемке проверяйте отсутствие трещин и сколов на рабочих кромках, которые критичны для герметичности стыка.

Монтаж плит днища каналов угловых ведут на предварительно выровненное и уплотненное песчано-гравийное основание. Ключевой момент – точная геодезическая выверка положения каждой плиты ПДУ как в плане, так и по высоте для обеспечения проектного уклона. Стыки между элементами необходимо герметизировать рекомендованным производителем составом сразу после укладки, до обратной засыпки.

Ответы экспертов на ваши вопросы

Ответ: Плиты днища каналов угловые (ПДУ) серии 3.006.1-8 предназначены для устройства угловых сопряжений лотков и днищ в сборных железобетонных каналах (например, мелиоративных, дренажных, ливневых). Они формируют плавный переход от вертикальной стенки канала к горизонтальному дну, обеспечивая герметичность, прочность и правильную геометрию всего канального лотка. Применяются в составе типовых конструкций при строительстве инженерных сетей водоотведения.

Ответ: Плиты ПДУ изготавливаются из тяжелого бетона. Как правило, для них используется бетон марки не ниже М300 (класс прочности на сжатие В22,5-В25). Морозостойкость (F) обычно составляет не менее F100-150 циклов, а водонепроницаемость (W) – не ниже W6. Эти параметры обеспечивают долговечность изделия в условиях постоянного или периодического контакта с водой и перепадов температур.

Ответ: Использование типовых сборных железобетонных плит ПДУ серии 3.006.1-8 имеет несколько ключевых преимуществ:

  1. Скорость монтажа: Значительно сокращаются сроки строительства за счет применения готовых элементов.
  2. Стабильное качество: Изделия производятся в заводских условиях с строгим контролем геометрии и прочности.
  3. Снижение трудозатрат: Отпадает необходимость в устройстве и выдержке опалубки, а также в бетонировании на месте сложных угловых узлов.
  4. Типизация и надежность: Конструкция является проверенной и стандартизированной, что минимизирует риски ошибок при проектировании и монтаже.

Ответ: Монтаж плит ПДУ осуществляется на подготовленное основание (например, песчаную подушку или бетонную подготовку). Стыковка со стеновыми плитами и прямыми плитами днища выполняется внахлест или встык с формированием замковых соединений, предусмотренных конструкцией серии. Для обеспечения герметичности стыки часто уплотняются резиновыми или полимерными прокладками, а также могут заделываться цементно-песчаным раствором или герметиками. Монтаж производится с помощью грузоподъемной техники.

Ответ: Производство и применение плит ПДУ серии 3.006.1-8 регламентируется следующими основными документами:

  1. Серия 3.006.1-8 "Изделия железобетонные для лотков и каналов" – это основной рабочий чертеж и альбом технических решений, содержащий спецификации, схемы и габаритные размеры.
  2. ГОСТ 13015-2012 "Изделия бетонные и железобетонные для строительства. Общие технические требования. Правила приемки, контроля, транспортирования и хранения".
  3. СП (Своды правил) и СНиП, касающиеся проектирования и строительства мелиоративных систем, канализационных и дренажных сооружений.
Ранее смотрели
Диафрагмы жесткости плоские Серия Б1.020.1-7 Д 26-26 (Б1.020.1-7)
Д 26-26 (Б1.020.1-7)
Диафрагмы жесткости плоские Серия Б1.020.1-7
РДП 4-56-50 AIII
РДП 4-56-50 AIII
Ригели высотой 450 мм для опирания многопустотных плит перекрытия серия 1.020-1/87 ( 1.020.1-7, 1.020-1/83, ИИ 04-1, 1.020.1-3пв )
Диафрагмы жесткости плоские Серия Б1.020.1-7 Д 26-31 (Б1.020.1-7)
Д 26-31 (Б1.020.1-7)
Диафрагмы жесткости плоские Серия Б1.020.1-7
Блоки бассейнов и лестниц Шифр 734 П 3 (Шифр 734)
П 3 (Шифр 734)
Блоки бассейнов и лестниц Шифр 734
Панели многопустотные Серия 1.141.1 КР-3 БПК 46-10-6 АIVт-I
БПК 46-10-6 АIVт-I
Панели многопустотные Серия 1.141.1 КР-3
Блоки бассейнов и лестниц Шифр 734 П 12 (Шифр 734)
П 12 (Шифр 734)
Блоки бассейнов и лестниц Шифр 734
РДП 4-56
РДП 4-56
Ригели высотой 450 мм для опирания многопустотных плит перекрытия серия 1.020-1/87 ( 1.020.1-7, 1.020-1/83, ИИ 04-1, 1.020.1-3пв )
Диафрагмы жесткости плоские Серия Б1.020.1-7 Д 30-20 (Б1.020.1-7)
Д 30-20 (Б1.020.1-7)
Диафрагмы жесткости плоские Серия Б1.020.1-7

Уведомление о файлах cookie

Мы используем файлы cookie для улучшения вашего опыта просмотра и анализа трафика. Нажимая "Принять все", вы соглашаетесь с нашей политикой конфиденциальности и политикой обработки файлов cookie.

Дзен Телеграм Вконтакте vk