mobile_sound +7 (930) 655-55-90

Плиты входа Серия 1.100.1-7

Поделиться:
Фильтр по характеристикам
Длина (мм.)
keyboard_arrow_down
мм.
мм.
Ширина (мм.)
keyboard_arrow_down
мм.
мм.
Высота (мм.)
keyboard_arrow_down
мм.
мм.
Вес (кг.)
keyboard_arrow_down
кг.
кг.
Объем бетона (м3)
keyboard_arrow_down
м3
м3
Поделиться:

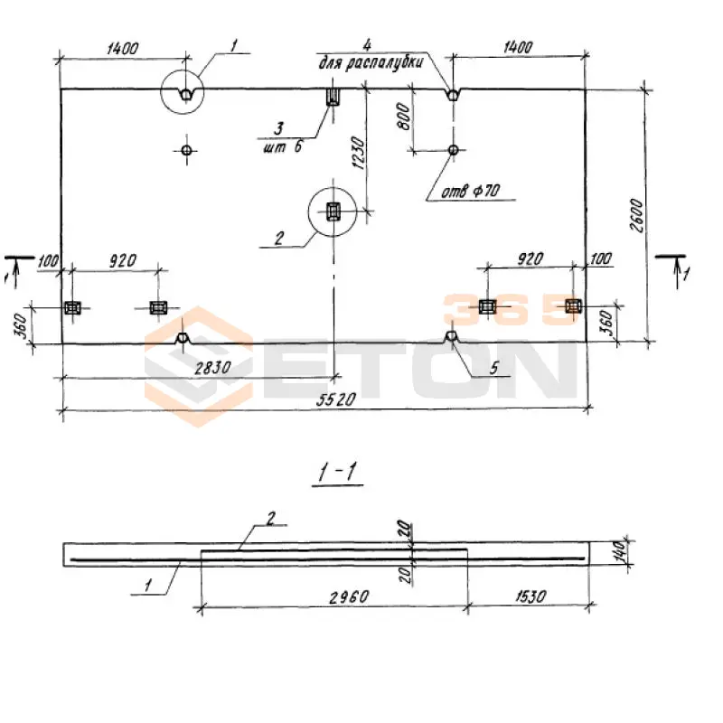
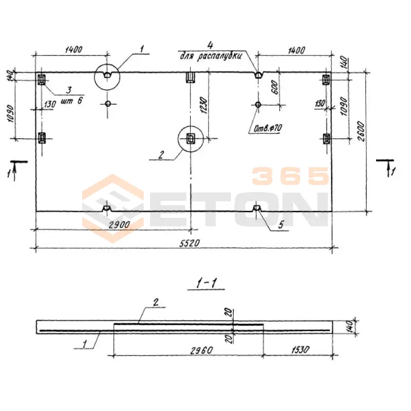
Завод "Бетон365" производит плиты входа серии 1.100.1-7 — специализированные железобетонные изделия для обустройства входных узлов подвалов и технических подпольев. Эти конструкции обеспечивают надежное перекрытие проемов, равномерно распределяя нагрузку от пешеходов и техники, а их стандартизированные размеры и монтажные петли значительно ускоряют процесс монтажа. Изготовленные в строгом соответствии с ГОСТ из тяжелого бетона, плиты демонстрируют exceptionalную стойкость к атмосферным воздействиям и механическим повреждениям, гарантируя decades бесперебойной эксплуатации.

В Москве и Московской области мы реализуем плиты входа серии 1.100.1-7 напрямую от производителя — это позволяет предложить конкурентную цену без посреднических надбавок. Все изделия сопровождаются сертификатами качества, а логистическая служба обеспечит точную доставку на ваш объект в оговоренные сроки. Для расчета стоимости и оформления заказа достаточно связаться с нашими специалистами по телефону.

ПВ 30-26-14
Плиты входа Серия 1.100.1-7
  • Длина 2980 мм.
  • Ширина 2600 мм.
  • Высота 140 мм.
  • Вес 2700 кг.
  • Объем бетона 1,08 м3
  • Геометрический объем 1,0847 м3
Цена: 47142 руб.
Подробнее
ПВ 30-26-14-2
Плиты входа Серия 1.100.1-7
  • Длина 2980 мм.
  • Ширина 2600 мм.
  • Высота 140 мм.
  • Вес 2700 кг.
  • Объем бетона 1,08 м3
  • Геометрический объем 1,0847 м3
Цена: 47142 руб.
Подробнее
ПВ 55-26-14
Плиты входа Серия 1.100.1-7
  • Длина 5520 мм.
  • Ширина 2600 мм.
  • Высота 140 мм.
  • Вес 5000 кг.
  • Объем бетона 2 м3
  • Геометрический объем 2,0093 м3
Цена: 87300 руб.
Подробнее
ПВ 16-15-14
Плиты входа Серия 1.100.1-7
  • Длина 1600 мм.
  • Ширина 1480 мм.
  • Высота 180 мм.
  • Вес 850 кг.
  • Объем бетона 0,34 м3
  • Геометрический объем 0,4262 м3
Цена: 14841 руб.
Подробнее
ПВ 55-26-14-2
Плиты входа Серия 1.100.1-7
  • Длина 5520 мм.
  • Ширина 2600 мм.
  • Высота 140 мм.
  • Вес 5000 кг.
  • Объем бетона 2 м3
  • Геометрический объем 2,0093 м3
Цена: 87300 руб.
Подробнее

Как правильно выбрать - Плиты входа Серия 1.100.1-7

Плиты входа Серия 1.100.1-7 предназначены для устройства входов в подвалы, технические подполья и цокольные этажи жилых, общественных и промышленных зданий. Эти железобетонные изделия формируют надежный переход от уровня отмостки к входному проему, обеспечивая защиту от осадков и механических повреждений. Долговечность всей входной узла и отсутствие протечек напрямую зависят от соответствия параметров плит входа проектным нагрузкам и агрессивности среды эксплуатации.

Критерии выбора

  • Марка бетона и защитные свойства: Изделия изготавливаются из тяжелого бетона марки не ниже М300. Критически важны показатели морозостойкости (F200 для большинства регионов) и водонепроницаемости (W6), обеспечивающие стойкость к циклическому замораживанию и воздействию талой воды.
  • Типоразмеры и конфигурация: Серия включает плиты различной длины (L) и ширины (B), которые подбираются под конкретный проем. Обязательно наличие монтажных петель для безопасной строповки.
  • Армирование: Каркас из стальной арматуры класса А-III (А400) обеспечивает восприятие нагрузок от пешеходов и возможных транспортных средств при обслуживании.
  • Совместимость с другими элементами: Конструкция плит входа должна быть согласована с примыкающими элементами: отмосткой, стеновыми фундаментными блоками и гидроизоляцией.
  • Соответствие нормам: Все изделия должны строго соответствовать рабочим чертежам серии 1.100.1-7 и ГОСТ на железобетонные конструкции.

Рекомендации по подбору и монтажу

При составлении спецификации на плиты входа Серии 1.100.1-7 обязательно учитывайте уклон площадки. Для участков с уклоном более 10% стандартные решения могут не подойти, потребуется проектирование индивидуального узла примыкания. При приемке проверяйте паспорт качества, где указаны фактические прочностные характеристики бетона и марка по водонепроницаемости.

Монтаж плит входа выполняйте на выровненное и уплотненное основание, желательно на цементно-песчаный раствор. Ключевой момент – обеспечение герметичности примыкания к стене здания. Для этого в конструкции предусмотрены специальные выступы, которые должны быть заведены под гидроизоляционный ковер стены. После установки шов между плитой и стеной необходимо герметизировать эластичными составами, устойчивыми к температурным деформациям.

Ответы экспертов на ваши вопросы

Плиты входа Серия 1.100.1-7 — это типовые железобетонные изделия, предназначенные для устройства входных групп (крылец) в жилых, общественных и промышленных зданиях. Они представляют собой сборные конструкции, которые формируют ступени, площадки и навесы над входом. Основное назначение — обеспечение удобного и безопасного подъема на уровень первого этажа, защита входа от атмосферных осадков, а также архитектурное оформление фасада.

Серия 1.100.1-7 включает в себя несколько типоразмеров плит. Как правило, это:

  • Материал: тяжелый бетон классов В15-В25 (марка М200-М300).
  • Армирование: сварные арматурные каркасы из стальной арматуры.
  • Морозостойкость: F50-F100 (в зависимости от климатического района).
  • Стандартная ширина: 1200 мм, 1500 мм.
  • Высота этажной площадки: обычно 150 мм или 600 мм от уровня земли (отметки планировки).
  • Количество ступеней: в зависимости от марки плиты (1, 2, 3 ступени).
  • Масса: варьируется от 0.5 до 1.5 тонн в зависимости от габаритов и конфигурации.

Использование сборных плит входа Серия 1.100.1-7 имеет ряд преимуществ:

  1. Скорость монтажа: Установка занимает часы, а не дни, так как не требуется время на набор прочности бетоном.
  2. Высокое качество: Изделия изготавливаются в заводских условиях с строгим контролем геометрии и прочности.
  3. Всесезонность: Монтаж можно производить в любое время года.
  4. Снижение трудозатрат: Отсутствуют трудоемкие процессы по установке опалубки, армированию и бетонированию на объекте.
  5. Типизация: Упрощает проектирование и расчет конструкций.

Монтаж плит входа осуществляется в следующей последовательности:

  1. Подготовка основания: Устраивается песчано-гравийная подушка с послойным трамбованием или бетонная подготовка.
  2. Устройство фундамента: Под плиту входа обычно заливается отдельный бетонный фундамент-стул или используется выпуск арматуры из основного фундамента здания.
  3. Гидроизоляция: На опорную поверхность наносится слой гидроизоляции (например, рубероид).
  4. Установка плиты: С помощью автокрана плита входа устанавливается на проектное место. Положение проверяется по уровню.
  5. Стыковка и анкеровка: Плита анкерится к фундаменту и к стене здания (если это предусмотрено проектом). Стыки заделываются цементно-песчаным раствором.

При выборе и приемке плит входа Серия 1.100.1-7 необходимо контролировать:

  1. Паспорт качества: Наличие документа, подтверждающего марку бетона, дату изготовления и соответствие ГОСТ.
  2. Внешний вид: Отсутствие сквозных трещин, больших сколов (допускаются мелкие поверхностные усадочные трещины шириной не более 0.1 мм).
  3. Геометрию: Проверить фактические габаритные размеры и прямолинейность ребер.
  4. Маркировку: Она должна четко соответствовать требуемой по проекту марке плиты.
  5. Петли (монтажные отверстия): Убедиться в их целостности для безопасного проведения такелажных работ.
Ранее смотрели
СВ 105-5 (Арх 9.0274)
СВ 105-5 (Арх 9.0274)
Стойки Арх 9.0274
СВ 105-3,6 IV (Арх 9.0274)
СВ 105-3,6 IV (Арх 9.0274)
Стойки Арх 9.0274
Фундаментные блоки пустотные ФБП серия 1.116.1-8 и ГОСТ 13579-78 ФБП 24-5-6 с
ФБП 24-5-6 с
Фундаментные блоки пустотные ФБП серия 1.116.1-8 и ГОСТ 13579-78
Панели перекрытий ребристые Серия ИИ 04-4 ПР 16-53-15 с
ПР 16-53-15 с
Панели перекрытий ребристые Серия ИИ 04-4
Камни для кладки стен ТУ 5741-004-18576628-99 СКЦ 1 плп
СКЦ 1 плп
Камни для кладки стен ТУ 5741-004-18576628-99
Фундаментные блоки пустотные ФБП серия 1.116.1-8 и ГОСТ 13579-78 ФБП 24-5-6 т
ФБП 24-5-6 т
Фундаментные блоки пустотные ФБП серия 1.116.1-8 и ГОСТ 13579-78
Балки внутренние пролетного строения с пониженной строительной высотой (плитные) Серия 3.501.1-146 БПД 165 АIII
БПД 165 АIII
Балки внутренние пролетного строения с пониженной строительной высотой (плитные) Серия 3.501.1-146
РПС 12-37,5-2 АIII
РПС 12-37,5-2 АIII
Полурамы Серия 1.822.1-6

Уведомление о файлах cookie

Мы используем файлы cookie для улучшения вашего опыта просмотра и анализа трафика. Нажимая "Принять все", вы соглашаетесь с нашей политикой конфиденциальности и политикой обработки файлов cookie.

Дзен Телеграм Вконтакте vk