mobile_sound +7 (930) 655-55-90

Плиты ТПР 320-069.86

Поделиться:
Фильтр по характеристикам
Длина (мм.)
keyboard_arrow_down
мм.
мм.
Ширина (мм.)
keyboard_arrow_down
мм.
мм.
Высота (мм.)
keyboard_arrow_down
мм.
мм.
Вес (кг.)
keyboard_arrow_down
кг.
кг.
Поделиться:

Завод "Бетон365" производит плиты ТПР 320-069.86 — специализированные железобетонные изделия для создания прочных и долговечных покрытий теплотрасс и инженерных коммуникаций. Эти плиты отличаются повышенной несущей способностью и устойчивостью к агрессивным средам, что обеспечивает надежную защиту подземных сетей и значительно ускоряет монтажные работы. Соответствие строгим требованиям ГОСТ гарантирует их эффективное применение в промышленном и гражданском строительстве Москвы и Московской области.

Мы реализуем плиты ТПР 320-069.86 напрямую от производителя, что позволяет предложить конкурентную цену без посреднических надбавок. Организуем доставку на объекты Мск и МО, предоставляя полный комплект документов и гарантию на продукцию. Для расчета стоимости и уточнения условий поставки свяжитесь с нашими специалистами — поможем подобрать оптимальное решение для вашего проекта.

П 15-15 (ТПР 320-069.86)
Плиты ТПР 320-069.86
  • Длина 1490 мм.
  • Ширина 1490 мм.
  • Высота 120 мм.
  • Вес 665 кг.
  • Объем бетона 0,27 м3
  • Геометрический объем 0,2664 м3
Цена: 11786 руб.
Подробнее
П 15-7,5 (ТПР 320-069.86)
Плиты ТПР 320-069.86
  • Длина 1490 мм.
  • Ширина 740 мм.
  • Высота 120 мм.
  • Вес 330 кг.
  • Объем бетона 0,13 м3
  • Геометрический объем 0,1323 м3
Цена: 5675 руб.
Подробнее
П 7,5-5 (ТПР 320-069.86)
Плиты ТПР 320-069.86
  • Длина 740 мм.
  • Ширина 490 мм.
  • Высота 724 мм.
  • Вес 72,5 кг.
  • Объем бетона 0,03 м3
  • Геометрический объем 0,2625 м3
Цена: 1310 руб.
Подробнее
П 5-5 (ТПР 320-069.86)
Плиты ТПР 320-069.86
  • Длина 490 мм.
  • Ширина 490 мм.
  • Высота 80 мм.
  • Вес 48 кг.
  • Объем бетона 0,019 м3
  • Геометрический объем 0,0192 м3
Цена: 829 руб.
Подробнее
П 7,5-7,5 (ТПР 320-069.86)
Плиты ТПР 320-069.86
  • Длина 740 мм.
  • Ширина 740 мм.
  • Высота 120 мм.
  • Вес 165 кг.
  • Объем бетона 0,07 м3
  • Геометрический объем 0,0657 м3
Цена: 3056 руб.
Подробнее
ПД 7,5-3,7 (ТПР 320-069.86)
Плиты ТПР 320-069.86
  • Длина 740 мм.
  • Ширина 365 мм.
  • Высота 80 мм.
  • Вес 55 кг.
  • Объем бетона 0,022 м3
  • Геометрический объем 0,0216 м3
Цена: 960 руб.
Подробнее
ПД 3,7-3,7 (ТПР 320-069.86)
Плиты ТПР 320-069.86
  • Длина 365 мм.
  • Ширина 365 мм.
  • Высота 80 мм.
  • Вес 27,5 кг.
  • Объем бетона 0,011 м3
  • Геометрический объем 0,0107 м3
Цена: 480 руб.
Подробнее
ПД 7,5-7,5 (ТПР 320-069.86)
Плиты ТПР 320-069.86
  • Длина 740 мм.
  • Ширина 740 мм.
  • Высота 80 мм.
  • Вес 110 кг.
  • Объем бетона 0,044 м3
  • Геометрический объем 0,0438 м3
Цена: 1921 руб.
Подробнее
ПД 7,5-7,5-1 (ТПР 320-069.86)
Плиты ТПР 320-069.86
  • Длина 740 мм.
  • Ширина 740 мм.
  • Высота 80 мм.
  • Вес 110 кг.
  • Объем бетона 0,044 м3
  • Геометрический объем 0,0438 м3
Цена: 1921 руб.
Подробнее
ПД 7,5-7,5-2 (ТПР 320-069.86)
Плиты ТПР 320-069.86
  • Длина 740 мм.
  • Ширина 740 мм.
  • Высота 80 мм.
  • Вес 110 кг.
  • Объем бетона 0,044 м3
  • Геометрический объем 0,0438 м3
Цена: 1921 руб.
Подробнее
ПД 7,5-7,5-3 (ТПР 320-069.86)
Плиты ТПР 320-069.86
  • Длина 740 мм.
  • Ширина 740 мм.
  • Высота 80 мм.
  • Вес 110 кг.
  • Объем бетона 0,044 м3
  • Геометрический объем 0,0438 м3
Цена: 1921 руб.
Подробнее
ПД 7,5-7,5-5 (ТПР 320-069.86)
Плиты ТПР 320-069.86
  • Длина 740 мм.
  • Ширина 740 мм.
  • Высота 80 мм.
  • Вес 110 кг.
  • Объем бетона 0,044 м3
  • Геометрический объем 0,0438 м3
Цена: 1921 руб.
Подробнее
ПД 7,5-7,5-4 (ТПР 320-069.86)
Плиты ТПР 320-069.86
  • Длина 740 мм.
  • Ширина 740 мм.
  • Высота 80 мм.
  • Вес 110 кг.
  • Объем бетона 0,044 м3
  • Геометрический объем 0,0438 м3
Цена: 1921 руб.
Подробнее
ПД 7,5-7,5-6 (ТПР 320-069.86)
Плиты ТПР 320-069.86
  • Длина 740 мм.
  • Ширина 740 мм.
  • Высота 80 мм.
  • Вес 110 кг.
  • Объем бетона 0,044 м3
  • Геометрический объем 0,0438 м3
Цена: 1921 руб.
Подробнее
ПД 7,5-7,5-7 (ТПР 320-069.86)
Плиты ТПР 320-069.86
  • Длина 740 мм.
  • Ширина 740 мм.
  • Высота 80 мм.
  • Вес 110 кг.
  • Объем бетона 0,044 м3
  • Геометрический объем 0,0438 м3
Цена: 1921 руб.
Подробнее
ПДШ 15-8,6 (ТПР 320-069.86)
Плиты ТПР 320-069.86
  • Длина 1490 мм.
  • Ширина 860 мм.
  • Высота 120 мм.
  • Вес 335 кг.
  • Объем бетона 0,134 м3
  • Геометрический объем 0,1538 м3
Цена: 5849 руб.
Подробнее
ПДШ 17,2-7,5 (ТПР 320-069.86)
Плиты ТПР 320-069.86
  • Длина 1720 мм.
  • Ширина 740 мм.
  • Высота 120 мм.
  • Вес 335 кг.
  • Объем бетона 0,134 м3
  • Геометрический объем 0,1527 м3
Цена: 5849 руб.
Подробнее
ПР 7,5-7,5-1 (ТПР 320-069.86)
Плиты ТПР 320-069.86
  • Длина 740 мм.
  • Ширина 740 мм.
  • Высота 120 мм.
  • Вес 106 кг.
  • Объем бетона 0,04 м3
  • Геометрический объем 0,0657 м3
Цена: 1746 руб.
Подробнее
ПР 7,5-7,5-2 (ТПР 320-069.86)
Плиты ТПР 320-069.86
  • Длина 740 мм.
  • Ширина 740 мм.
  • Высота 120 мм.
  • Вес 130 кг.
  • Объем бетона 0,046 м3
  • Геометрический объем 0,0657 м3
Цена: 2008 руб.
Подробнее
ПШ 15-17,2 (ТПР 320-069.86)
Плиты ТПР 320-069.86
  • Длина 1490 мм.
  • Ширина 1720 мм.
  • Высота 120 мм.
  • Вес 672,5 кг.
  • Объем бетона 0,27 м3
  • Геометрический объем 0,3075 м3
Цена: 11786 руб.
Подробнее

Как правильно выбрать - Плиты ТПР 320-069.86

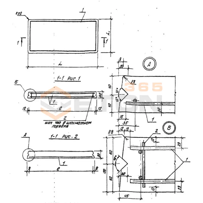
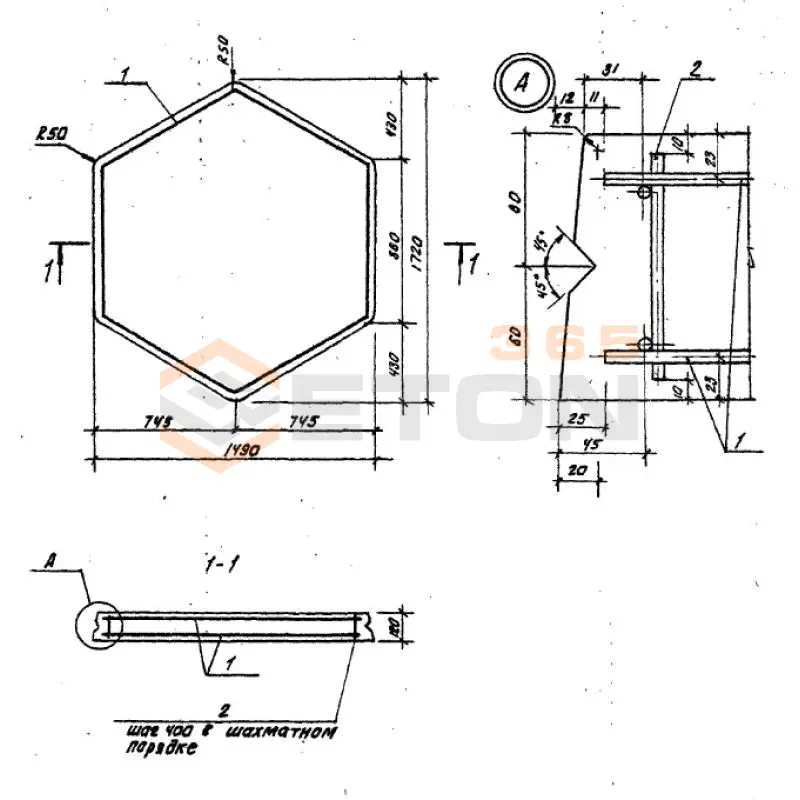
Плиты ТПР 320-069.86 представляют собой ребристые плиты покрытия, предназначенные для перекрытия пролетов промышленных и гражданских зданий. Они применяются в конструкциях, где требуется обеспечить высокую несущую способность и устойчивость к значительным нагрузкам, часто в сочетании с подстропильными конструкциями. Долговечность и безопасность всей строительной системы в значительной степени определяются грамотным подбором параметров этих плит ТПР в соответствии с проектными расчетами.

Критерии выбора

  • Марка и класс бетона: Изделие изготавливается из тяжелого бетона марки не ниже М300 (класс В22,5) с обязательным указанием в паспорте качества.
  • Морозостойкость и водонепроницаемость: Для большинства регионов РФ критически важны показатели морозостойкости F150-F200 и водонепроницаемости W4-W6, особенно для неотапливаемых зданий.
  • Арматурный каркас: Обращайте внимание на класс напрягаемой и ненапрягаемой арматуры (Ат-IV, А-III), а также на соответствие чертежам серии, так как от этого зависит восприятие растягивающих усилий.
  • Геометрические параметры: Строго контролируйте длину (~5.98 м), ширину (~1.49 м) и высоту плиты, а также расположение и размеры закладных деталей для последующего крепления к подстропильным фермам.
  • Соответствие нормам: Убедитесь, что плиты ТПР 320-069.86 произведены в соответствии с рабочей документацией (серия 1.423.1-4/88 или актуальной) и имеют сертификаты соответствия.

Рекомендации по подбору и монтажу

При составлении спецификации на плиты ТПР 320-069.86 обязательно укажите не только типоразмер, но и требуемые показатели бетона (F, W), а также схему армирования. Запросите у производителя паспорт на партию, где указаны фактические прочностные характеристики и дата изготовления. Перед монтажом проверьте геометрию и наличие всех проектных закладных элементов.

Монтаж плит ТПР 320-069.86 требует особой точности. Их укладывают строго на проектные опоры (подстропильные конструкции, колонны) с проверкой отметок. Критически важно обеспечить надежное анкерное крепление закладных деталей плиты к несущим элементам каркаса здания, как того требует проект. Несоблюдение этого правила может привести к потере пространственной жесткости конструкции.

Ответы экспертов на ваши вопросы

Ответ: Плита ТПР 320-069.86 — это железобетонное ребристое изделие для перекрытий. Ее основные технические характеристики:

  • Типоразмер: 3ТР.
  • Номинальная длина: 6.9 метра.
  • Номинальная ширина: 3.18 метра.
  • Высота (толщина): 320 мм.
  • Расчетная нагрузка: Как правило, 400 кгс/м² (4 кПа), но точное значение необходимо уточнять в проектной документации и паспорте на изделие, так как оно может варьироваться.
  • Масса: Ориентировочно 4.5 - 5 тонн (точный вес указывается в паспорте завода-изготовителя).

Ответ: Плита ТПР 320-069.86 предназначена для устройства междуэтажных перекрытий в зданиях с крупными пролетами и высокими нагрузками. Ее основная сфера применения:

  • Промышленные здания (цеха, склады, заводы).
  • Гражданские объекты с большой нагрузкой (торговые центры, спортивные комплексы, многоэтажные парковки).
  • Общественные здания (вокзалы, аэропорты).
  • Сельскохозяйственные объекты (фермы, хранилища).

Ответ: Плиты перекрытия ребристые (ТПР) обладают рядом ключевых преимуществ:

  1. Высокая несущая способность: Ребристая конструкция обеспечивает повышенную жесткость и устойчивость к значительным нагрузкам.
  2. Экономия материалов: За счет пустот в ребрах снижается собственный вес плиты без потери прочности, что позволяет экономить бетон и снижать нагрузку на фундамент и несущие конструкции.
  3. Ускорение монтажа: Готовые заводские плиты монтируются быстро, сокращая сроки строительства.
  4. Удобство прокладки коммуникаций: Внутренние пустоты (в ребрах) часто используются для прокладки инженерных сетей (электропроводки, слаботочных систем).

Ответ: При монтаже и эксплуатации плит ТПР 320-069.86 необходимо строго соблюдать следующие требования:

  • Монтаж: Должен производиться на подготовленное и выверенное основание (несущие стены, ригели, балки). Обязательна опора плиты по всему контуру на проектную глубину (обычно не менее 120-150 мм). Подъем и укладка осуществляются с помощью крана с использованием строповочных устройств (траверс) для равномерного распределения нагрузки.
  • Сварка закладных деталей: После укладки необходимо произвести анкеровку плит между собой и с несущими конструкциями путем сварки закладных деталей согласно проекту.
  • Бетонирование швов: Швы между плитами должны быть замоноличены бетоном на мелком заполнителе.
  • Эксплуатация: Запрещается превышать расчетные нагрузки, указанные в проекте. Не допускается несанкционированная вырезка отверстий в плите без соответствующего усиления конструкции.

Ответ: Маркировка "ТПР 320-069.86" расшифровывается следующим образом:

  • ТПР — Тип изделия: "Плита Тепличная Ребристая" (исторически сложившееся название, сегодня применяется для различных зданий) или "Плита Тамбурная Ребристая". В современном контексте — это тип ребристой плиты перекрытия.
  • 320 — Высота (толщина) плиты в миллиметрах.
  • 069 — Округленная длина плиты в дециметрах (69 дм = 6.9 м).
  • 86 — Ширина плиты в дециметрах (86 дм = 8.6 м? Здесь возможна ошибка в исходных данных, так как стандартная ширина для такого типоразмера — 3.18 м). Вероятно, в маркировке имеется в виду индекс, указывающий на конкретную модификацию, несущую способность или другие параметры по рабочей документации серии. Стандартная маркировка по серии 1.465.1-3/80, например, выглядит как 3ТР-1.
Ранее смотрели
Перемычки балочные ГОСТ 948-76 3ПР 32-38-25-44 (ГОСТ 948-76)
3ПР 32-38-25-44 (ГОСТ 948-76)
Перемычки балочные ГОСТ 948-76
Капители ГОСТ 27108-86 КП 1-4-1 (ГОСТ 27108-86)
КП 1-4-1 (ГОСТ 27108-86)
Капители ГОСТ 27108-86
Капители ГОСТ 27108-86 КП 1-5-1 (ГОСТ 27108-86)
КП 1-5-1 (ГОСТ 27108-86)
Капители ГОСТ 27108-86
Капители ГОСТ 27108-86 КПК 1-1 (ГОСТ 27108-86)
КПК 1-1 (ГОСТ 27108-86)
Капители ГОСТ 27108-86
Капители ГОСТ 27108-86 КП 1-6-3 (ГОСТ 27108-86)
КП 1-6-3 (ГОСТ 27108-86)
Капители ГОСТ 27108-86
Перемычки балочные ГОСТ 948-76 3ПР 41-15-38-29 (ГОСТ 948-76)
3ПР 41-15-38-29 (ГОСТ 948-76)
Перемычки балочные ГОСТ 948-76
Лестничные марши без фризовых ступеней ГОСТ 9818-85 ЛМ 27-12-14-4 (ГОСТ 9818-85)
ЛМ 27-12-14-4 (ГОСТ 9818-85)
Лестничные марши без фризовых ступеней ГОСТ 9818-85
Лестничные площадки и полуплощадки ребристые ЛПП ГОСТ 9818-85 ЛПП 16-16в-5 (ГОСТ 9818-85)
ЛПП 16-16в-5 (ГОСТ 9818-85)
Лестничные площадки и полуплощадки ребристые ЛПП ГОСТ 9818-85

Уведомление о файлах cookie

Мы используем файлы cookie для улучшения вашего опыта просмотра и анализа трафика. Нажимая "Принять все", вы соглашаетесь с нашей политикой конфиденциальности и политикой обработки файлов cookie.

MAX Дзен Телеграм Вконтакте vk