mobile_sound +7 (930) 655-55-90

Плиты Серия 3.012-3

Поделиться:
Фильтр по характеристикам
Длина (мм.)
keyboard_arrow_down
мм.
мм.
Ширина (мм.)
keyboard_arrow_down
мм.
мм.
Высота (мм.)
keyboard_arrow_down
мм.
мм.
Вес (кг.)
keyboard_arrow_down
кг.
кг.
Поделиться:

Завод "Бетон365" производит плиты перекрытия Серия 3.012-3 – ключевые элементы для создания надежных междуэтажных конструкций в жилых и промышленных зданиях. Эти железобетонные изделия изготавливаются в строгом соответствии с ГОСТ, что гарантирует их несущую способность, устойчивость к деформациям и длительный срок службы. Применение готовых плит оптимизирует строительный процесс, обеспечивая равномерное распределение нагрузок и создавая жесткую основу для последующих отделочных работ.

Мы реализуем плиты перекрытия Серия 3.012-3 напрямую от производителя в Москве и МО по конкурентной цене, что позволяет заказчикам экономить без потери качества. Предлагаем полный комплекс услуг – от помощи в выборе подходящих марок бетона до оперативной доставки на объект. Для расчета стоимости и оформления заказа на долговечные ЖБИ свяжитесь с нашими специалистами!

2П 15-30 (3.012-3)
Плиты Серия 3.012-3
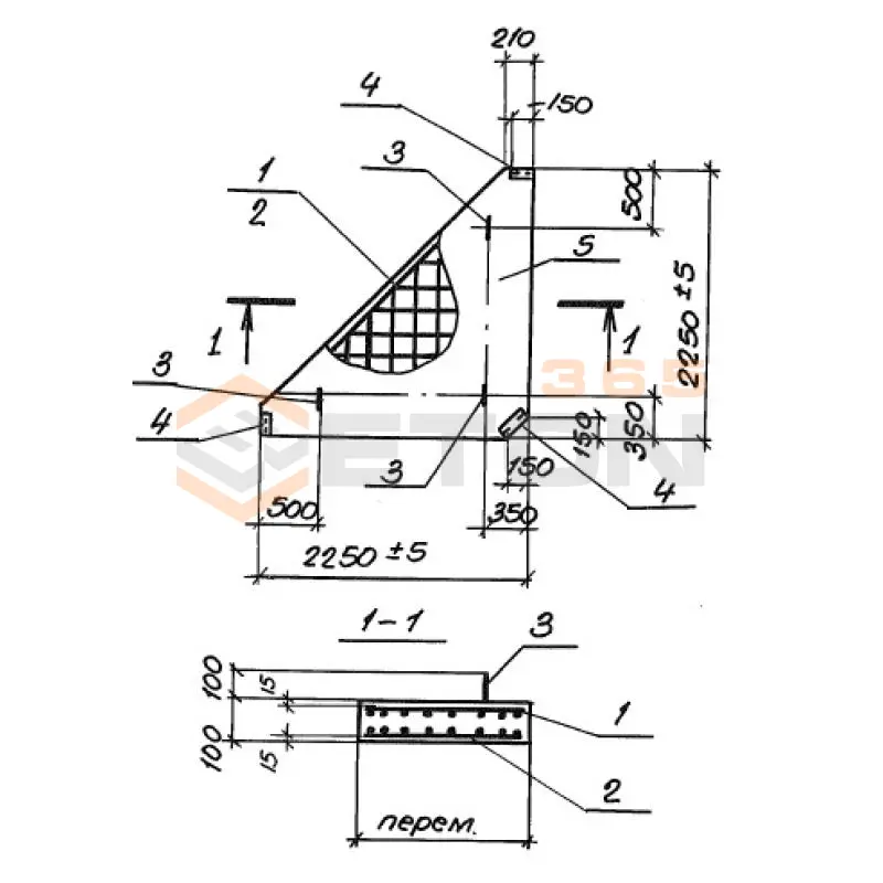
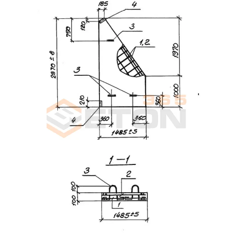
  • Длина 1485 мм.
  • Ширина 2970 мм.
  • Высота 100 мм.
  • Вес 700 кг.
  • Объем бетона 0,31 м3
  • Геометрический объем 0,441 м3
Цена: 13532 руб.
Подробнее
1П 15-30 (3.012-3)
Плиты Серия 3.012-3
  • Длина 1485 мм.
  • Ширина 2970 мм.
  • Высота 100 мм.
  • Вес 700 кг.
  • Объем бетона 0,31 м3
  • Геометрический объем 0,441 м3
Цена: 13532 руб.
Подробнее
П 30-30 (3.012-3)
Плиты Серия 3.012-3
  • Длина 2970 мм.
  • Ширина 2970 мм.
  • Высота 100 мм.
  • Вес 2200 кг.
  • Объем бетона 0,88 м3
  • Геометрический объем 0,8821 м3
Цена: 38412 руб.
Подробнее
П 22,5-22,5 (3.012-3)
Плиты Серия 3.012-3
  • Длина 2250 мм.
  • Ширина 2250 мм.
  • Высота 100 мм.
  • Вес 750 кг.
  • Объем бетона 0,3 м3
  • Геометрический объем 0,5062 м3
Цена: 13095 руб.
Подробнее

Как правильно выбрать - Плиты Серия 3.012-3

Плиты Серия 3.012-3 представляют собой сборные железобетонные изделия, предназначенные для устройства перекрытий в жилых, общественных и промышленных зданиях. Они работают как несущие и ограждающие конструкции, воспринимая постоянные и временные нагрузки от вышележащих этажей, оборудования и мебели. Долговечность и безопасность всей строительной системы в значительной степени определяются грамотным подбором параметров плит Серия 3.012-3 в соответствии с проектными расчетами и реальными условиями строительства.

Критерии выбора

  • Марка бетона и класс прочности: Для плит Серия 3.012-3, как правило, применяется тяжелый бетон класса не ниже В15 (М200) с показателями морозостойкости F100-F150 и водонепроницаемости W4-W6, что обеспечивает необходимую несущую способность и долговечность в отапливаемых зданиях.
  • Армирование: Обязательно уточняйте класс и схему армирования. Чаще всего используется предварительно напряженная арматура классов Ат-IV, Ат-V или стержневая арматура А-III, что гарантирует сопротивление трещинообразованию и прогибам.
  • Типоразмеры и конфигурация: Плиты данной серии выпускаются различной длины и ширины (например, 1.2м, 1.5м, 6.0м). Критически важно проверить соответствие габаритов монтажному чертежу, наличие и расположение монтажных петель или отверстий для строповки.
  • Расчетная нагрузка: Определите проектную равномерно распределенную нагрузку, которую должна выдерживать плита (например, 400 кгс/м², 600 кгс/м², 800 кгс/м²). Несоответствие этого параметра – одна из самых частых и грубых ошибок.
  • Соответствие нормативам: Убедитесь, что изделие изготовлено в соответствии с требованиями ГОСТ 26434-2015 или актуальными серийными чертежами 3.012-3, и имеет паспорт качества.

Рекомендации по подбору и монтажу

При составлении спецификации на плиты Серия 3.012-3 обращайте внимание не только на габариты, но и на индекс в маркировке, который указывает на расчетную нагрузку и особенности конструкции (например, наличие отверстий для инженерных систем). Перед приемкой партии сверяйте фактические размеры и геометрию с паспортными данными, проверяйте отсутствие сквозных трещин и сколов торцов, критичных для опирания.

Монтаж плит перекрытия Серия 3.012-3 должен производиться на спланированное и подготовленное основание (армопояс, несущие стены) с минимальной глубиной опирания, указанной в проекте (обычно не менее 120 мм для кирпичных стен). Обязательно обеспечьте равномерность опирания по всей плоскости торца. Сразу после укладки проведите анкеровку плит между собой и со стенами, как того требуют рабочие чертежи, для создания единой пространственной конструкции.

Ответы экспертов на ваши вопросы

Плиты перекрытия серии 3.012-3 – это железобетонные многопустотные изделия, предназначенные для устройства междуэтажных перекрытий в жилых, общественных и промышленных зданиях. Основные характеристики:

  • Тип: ПК (с круглыми пустотами)
  • Материал: Тяжелый бетон классов В15-В25.
  • Армирование: Преднапряженная арматура (для большинства марок), что повышает несущую способность.
  • Стандартные длины: От 2,4 м до 7,2 м с градацией через 0,3 м.
  • Стандартная ширина: 1,0 м, 1,2 м, 1,5 м.
  • Стандартная толщина: 220 мм.
  • Расчетная нагрузка: Чаще всего 400 кгс/м², 600 кгс/м², 800 кгс/м² (указывается в маркировке).
  • Область применения: Устройство перекрытий в кирпичных, панельных и монолитных зданиях, где требуется надежная и проверенная конструкция.

Маркировка плит серии 3.012-3 строится по следующему принципу:

  1. ПК – тип плиты (Плита с Круглыми пустотами).
  2. 60 – длина в дециметрах (60 дм = 6,0 м).
  3. 15 – ширина в дециметрах (15 дм = 1,5 м).
  4. 8 – расчетная нагрузка в сотнях килограмм-сил на квадратный метр (8 = 800 кгс/м²).
  5. АтV – вид и класс напрягаемой арматуры (в данном примере – арматура термомеханически упрочненная класса Ат-V).

Таким образом, плита ПК 60.15-8АтV – это плита длиной 6 м, шириной 1,5 м, рассчитанная на нагрузку 800 кг/м², армированная высокопрочной арматурой.

Преимущества:

  • Высокая несущая способность: Благодаря предварительному напряжению арматуры плиты выдерживают значительные нагрузки.
  • Проверенная надежность: Серия является одной из самых распространенных и изученных, с многолетним опытом применения.
  • Скорость монтажа: Готовые заводские изделия позволяют быстро возводить перекрытия.
  • Хорошие звуко- и теплоизоляционные свойства: Наличие пустот способствует снижению передачи шума и тепла.
  • Унификация: Стандартные размеры упрощают проектирование и подбор элементов.

Недостатки:

  • Большой вес: Требуют применения грузоподъемной техники для монтажа.
  • Жесткая геометрия: Не позволяют создавать сложные криволинейные формы, требуют точной подгонки под размеры здания.
  • Ограниченная длина: Максимальная длина (обычно 7,2 м) может быть недостаточной для больших пролетов без дополнительных опор.
  • Сложность прокладки коммуникаций: Хотя пустоты можно использовать для проводки, прорезание отверстий для крупных инженерных систем требует специальных расчетов и усиления.

При монтаже и эксплуатации плит серии 3.012-3 необходимо строго соблюдать следующие правила:

  • Опора: Минимальная глубина опирания на несущие стены должна составлять не менее 90-120 мм (точная величина указывается в проекте).
  • Выравнивание: Опорные поверхности должны быть выровнены по горизонтали. Перепады высот компенсируются цементно-песчаным раствором.
  • Анкеровка: Смежные плиты должны быть соединены между собой анкерами (сваркой монтажных петель или арматурными стержнями), а также приварены к стенам.
  • Заделка швов: Швы между плитами заделываются цементным раствором.
  • Цементирование торцов: Пустоты на опорных концах плит должны быть заполнены тяжелым бетоном или готовыми бетонными пробками на глубину не менее 120 мм. Это предотвращает смятие бетона под нагрузкой.
  • Запрещено: Запрещается опирать плиты на три стены (по контуру), только на две противоположные несущие стены. Категорически запрещается производить несанкционированную вырезку отверстий или штробление без соответствующего проектного решения и усиления.

Основное отличие между сериями ПК (3.012-3) и ПБ заключается в технологии изготовления:

  • Плиты ПК (серия 3.012-3): Изготавливаются стендовым (кассетным) способом. Бетонная смесь укладывается в стационарные металлические формы. Это накладывает ограничение на длину изделий (обычно до 7,2 м) и жестко фиксирует их геометрию и расположение пустот.
  • Плиты ПБ (Плиты Безопалубочного формования): Изготавливаются на конвейерных линиях методом непрерывного безопалубочного формования. Бетонная лента формуется и уплотняется, а затем режется на плиты требуемой длины. Это позволяет получать плиты практически любой длины (кратной 10 см) из стандартной заготовки, что дает большую гибкость в проектировании.

Сравнение:

  • Гибкость: ПБ более гибкие в плане нестандартных длин.
  • Качество поверхности: Нижняя поверхность ПБ часто более ровная и не требует штукатурки.
  • Прочность: Несущая способность обеих серий нормируется и может быть одинаково высокой.
  • Распространенность: Серия 3.012-3 (ПК) исторически более распространена в старом фонде, а ПБ чаще используются в современном строительстве.
Ранее смотрели
2ПР 3 АIIIв п (ГОСТ 26992-86)
2ПР 3 АIIIв п (ГОСТ 26992-86)
Прогоны железобетонные ГОСТ 26992-86
Лестничные площадки плоские 1ЛП ГОСТ 9818-2015 1ЛП 22-13-4 ЛШ (ГОСТ 9818-2015)
1ЛП 22-13-4 ЛШ (ГОСТ 9818-2015)
Лестничные площадки плоские 1ЛП ГОСТ 9818-2015
Лестничные площадки и полуплощадки ребристые ЛПП ГОСТ 9818-85 ЛПП 15-15в-5 (ГОСТ 9818-85)
ЛПП 15-15в-5 (ГОСТ 9818-85)
Лестничные площадки и полуплощадки ребристые ЛПП ГОСТ 9818-85
Оболочки цилиндрические Серия 3.407.1-139 Ц 56-5,7 м-3 (3.407.1-139)
Ц 56-5,7 м-3 (3.407.1-139)
Оболочки цилиндрические Серия 3.407.1-139
Плиты переходные косые ПК Серия 3.503.1-96 ПК 400-124-25 тАIII-50
ПК 400-124-25 тАIII-50
Плиты переходные косые ПК Серия 3.503.1-96
Перемычки балочные ГОСТ 948-76 3ПР 19-35-51-29 (ГОСТ 948-76)
3ПР 19-35-51-29 (ГОСТ 948-76)
Перемычки балочные ГОСТ 948-76
Капители Серия 1.420.1-14 КПК 1лев-3-1 (1.420.1-14)
КПК 1лев-3-1 (1.420.1-14)
Капители Серия 1.420.1-14
2ПР 1 АIIIв п (ГОСТ 26992-86)
2ПР 1 АIIIв п (ГОСТ 26992-86)
Прогоны железобетонные ГОСТ 26992-86

Уведомление о файлах cookie

Мы используем файлы cookie для улучшения вашего опыта просмотра и анализа трафика. Нажимая "Принять все", вы соглашаетесь с нашей политикой конфиденциальности и политикой обработки файлов cookie.

MAX Дзен Телеграм Вконтакте vk