mobile_sound +7 (930) 655-55-90

Плиты разгрузочные Серия 3.006.1-3/83

Поделиться:
Фильтр по характеристикам
Длина (мм.)
keyboard_arrow_down
мм.
мм.
Ширина (мм.)
keyboard_arrow_down
мм.
мм.
Высота (мм.)
keyboard_arrow_down
мм.
мм.
Вес (кг.)
keyboard_arrow_down
кг.
кг.
Поделиться:

Завод "Бетон365" производит разгрузочные плиты серии 3.006.1-3/83 – специализированные железобетонные изделия, обеспечивающие равномерное распределение нагрузок в конструкциях зданий различного назначения. Эти плиты создают дополнительную жесткость в узлах сопряжения несущих элементов, предотвращая деформации и повышая общую устойчивость сооружения. Изготовленные в строгом соответствии с ГОСТ из тяжелого бетона высоких марок, они гарантируют долговечность и надежность строительных объектов на протяжении десятилетий.

Реализуем разгрузочные плиты серии 3.006.1-3/83 напрямую от производителя в Москве и Московской области – это оптимальное сочетание качества и доступной цены без посреднических надбавок. Предлагаем оперативную доставку на объект и профессиональные консультации по монтажу. Чтобы уточнить стоимость и оформить заказ на партию железобетонных изделий, достаточно связаться с нашими специалистами по телефону.

ПТ 12
Плиты разгрузочные Серия 3.006.1-3/83
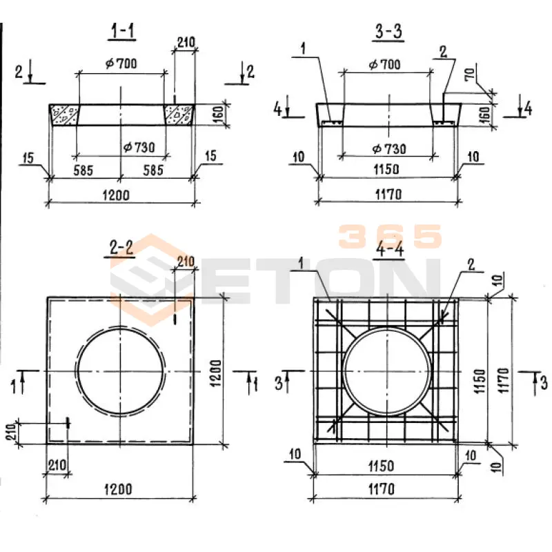
  • Длина 1200 мм.
  • Ширина 1200 мм.
  • Высота 160 мм.
  • Вес 400 кг.
  • Объем бетона 0,16 м3
  • Геометрический объем 0,2304 м3
Цена: 2638 руб.
Подробнее

Как правильно выбрать - Плиты разгрузочные Серия 3.006.1-3/83

Плиты разгрузочные Серия 3.006.1-3/83 предназначены для устройства разгрузочных площадок и технологических зон на промышленных объектах, складах и в портах. Они воспринимают значительные динамические и статические нагрузки от складируемых материалов и работающей техники, обеспечивая устойчивость и долговечность конструкции. Качество и безопасность всей площадки определяются точным соответствием выбранных плит разгрузочных Серии 3.006.1-3/83 проектным расчетам и реальным условиям эксплуатации.

Критерии выбора

  • Марка и класс бетона: Изделия изготавливаются из тяжелого бетона марки не ниже М300 (класс В22.5), что обеспечивает высокую прочность на сжатие.
  • Морозостойкость и водонепроницаемость: Для эксплуатации на открытом воздухе критически важны показатели морозостойкости (F200) и водонепроницаемости (W4-W6).
  • Армирование: Каркас выполняется из стальной арматуры классов А-III (А400) и А-I (А240). Проверяйте паспорт на соответствие проектной схеме армирования.
  • Геометрические параметры: Строго сверяйте типоразмеры (длину, ширину, высоту) и массу плиты с данными в проекте. Наличие и расположение монтажных петель обязательно.
  • Нагрузочная способность: Уточняйте расчетную нагрузку, на которую рассчитаны плиты разгрузочные данной серии, с учетом коэффициента динамичности для складской техники.
  • Нормативная база: Убедитесь, что изделие соответствует требованиям серии 3.006.1-3/83 и всем указанным в ней ГОСТ (на бетон, арматуру, изделия).

Рекомендации по подбору и монтажу

При закупке плит разгрузочных Серии 3.006.1-3/83 требуйте полный комплект технической документации, включая паспорт качества с указанием фактической прочности бетона и результатов контроля арматурных каркасов. Особое внимание уделите однородности поставки – все плиты должны быть из одной партии бетона для обеспечения одинаковых физико-механических характеристик.

Монтаж ведите на тщательно уплотненное и выровненное песчано-щебеночное основание. Обязательно контролируйте плотность прилегания плит друг к другу и горизонтальность уложенной поверхности. Для тяжелонагруженных зон рекомендуется выполнить анкеровку смежных плит между собой, что предотвратит их смещение под воздействием вибрационных и боковых нагрузок от техники.

Ответы экспертов на ваши вопросы

Плиты разгрузочные серии 3.006.1-3/83 предназначены для устройства разгрузочных площадок и распределения нагрузок от складируемых материалов (сыпучих, штучных) на грунтовое основание. Они предотвращают локальные просадки грунта и обеспечивают устойчивость складируемых грузов, выполняя роль жесткого основания на слабых грунтах или при высоких нагрузках.

Плиты изготавливаются из тяжелого бетона класса по прочности на сжатие не ниже В25 (М350) и армируются пространственными каркасами из стальной арматурной стали класса А-III (А400). Стандартные размеры плит по серии: длина 2980 мм, ширина 990 мм, толщина 160 мм. Масса одной плиты составляет примерно 1.1 тонны.

Расчетная нагрузка на плиты составляет 25 кПа (≈2.5 т/м²). Их типично применяют на складах сыпучих материалов (песок, щебень, уголь), на площадках для хранения строительных материалов и конструкций, на территориях промышленных предприятий для организации временных или постоянных мест складирования, а также в портах и на базах снабжения.

Монтаж осуществляется укладкой плит вплотную друг к другу на предварительно спланированное и уплотненное песчаное или песчано-гравийное основание. Швы между плитами, как правило, не заполняются. Для обеспечения устойчивости и равномерного распределения нагрузок важно строго соблюдать горизонтальность основания. Специальных креплений между плитами не предусмотрено.

Основные преимущества: высокая прочность и долговечность, обусловленные качеством бетона и армирования; стандартизация размеров, что упрощает проектирование и поставку; универсальность применения для различных типов грузов; относительно простая технология монтажа, не требующая специальной техники (кроме крана); возможность многократного использования при перепланировке складских территорий.

Ранее смотрели
Блок 2Д-20
Блок 2Д-20
Мотки Альбом 819
Рабочие камеры ГОСТ 8020-2016 КВГ 20-20 (ГОСТ 8020-2016)
КВГ 20-20 (ГОСТ 8020-2016)
Рабочие камеры ГОСТ 8020-2016
Плиты тротуарные Серия 3.501.1-175.93 П 16 м
П 16 м
Плиты тротуарные Серия 3.501.1-175.93
МФ 1,3-1
МФ 1,3-1
Малозаглубленные фундаменты Серия 3.407.1-159
Панели перекрытий ребристые Серия ИИ 04-4 ПР 12,5-28-15 с
ПР 12,5-28-15 с
Панели перекрытий ребристые Серия ИИ 04-4
Колонны высотой 4,8; 6,0-4,8 м Серия 1.420.1-20с К 1-16 с
К 1-16 с
Колонны высотой 4,8; 6,0-4,8 м Серия 1.420.1-20с
Колонны высотой 4,8; 6,0-4,8 м Серия 1.420.1-20с К 1-19 с
К 1-19 с
Колонны высотой 4,8; 6,0-4,8 м Серия 1.420.1-20с
Плиты тротуарные Серия 3.501.1-175.93 П 7
П 7
Плиты тротуарные Серия 3.501.1-175.93

Уведомление о файлах cookie

Мы используем файлы cookie для улучшения вашего опыта просмотра и анализа трафика. Нажимая "Принять все", вы соглашаетесь с нашей политикой конфиденциальности и политикой обработки файлов cookie.

Дзен Телеграм Вконтакте vk