mobile_sound +7 (930) 655-55-90

Плиты перекрытия Серия 1.189.1-10

Поделиться:
Фильтр по характеристикам
Длина (мм.)
keyboard_arrow_down
мм.
мм.
Ширина (мм.)
keyboard_arrow_down
мм.
мм.
Высота (мм.)
keyboard_arrow_down
мм.
мм.
Вес (кг.)
keyboard_arrow_down
кг.
кг.
Поделиться:

Завод "Бетон365" производит плиты перекрытия Серия 1.189.1-10 – ключевые элементы для создания прочных междуэтажных перекрытий в жилых и промышленных зданиях. Эти железобетонные конструкции обеспечивают равномерное распределение нагрузок, повышают жесткость сооружения и соответствуют строгим требованиям ГОСТ. Использование готовых плит значительно сокращает сроки строительства, гарантируя при этом долговечность и безопасность эксплуатации объекта.

В Москве и МО мы реализуем плиты перекрытия напрямую от производителя по конкурентной цене, что позволяет клиентам экономить без потери качества. Предлагаем оперативную доставку на объект и профессиональные консультации по монтажу. Чтобы купить надежные ЖБИ с гарантией и рассчитать стоимость, обратитесь к нашим специалистам для оформления заказа.

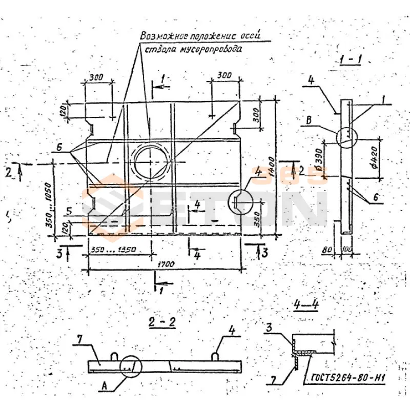
П 1 (1.189.1-10)
Плиты перекрытия Серия 1.189.1-10
  • Длина 1700 мм.
  • Ширина 1400 мм.
  • Высота 100 мм.
  • Вес 450 кг.
  • Объем бетона 0,19 м3
  • Геометрический объем 0,238 м3
Цена: 6451 руб.
Подробнее

Как правильно выбрать - Плиты перекрытия Серия 1.189.1-10

Плиты перекрытия Серия 1.189.1-10 предназначены для устройства междуэтажных перекрытий в жилых, общественных и промышленных зданиях. Они выполняют ключевую несущую функцию, воспринимая и распределяя постоянные и временные нагрузки от людей, оборудования и мебели. Долговечность и безопасность всей строительной конструкции в значительной степени определяются грамотным подбором плит перекрытия данной серии в соответствии с проектными расчетами.

Критерии выбора

  • Марка бетона и класс прочности: Изделия изготавливаются из тяжелого бетона марки не ниже М300 (класс прочности на сжатие В22,5). Обязательно уточняйте параметры морозостойкости (F200) и водонепроницаемости (W4), особенно для помещений с повышенной влажностью.
  • Типоразмеры и несущая способность: Внимательно сверяйте длину и ширину плиты с проектом. Номинальная нагрузка для плит перекрытия Серия 1.189.1-10 составляет 800 кгс/м², но фактическая может варьироваться в зависимости от марки бетона и схемы армирования.
  • Арматурный каркас: Используется предварительно напряженная арматура классов Ат-IV, Ат-V и Ат-VI. Проверяйте паспорт изделия на соответствие класса арматуры проектным требованиям.
  • Наличие монтажных петель: Убедитесь, что плиты оснащены закладными деталями (петлями) для безопасного и корректного монтажа. Их расположение и марка стали должны соответствовать ГОСТ.
  • Соответствие нормам: Все плиты перекрытия Серии 1.189.1-10 должны изготавливаться строго в соответствии с требованиями серии и сопровождаться паспортом качества.

Рекомендации по подбору и монтажу

При составлении спецификации на плиты перекрытия Серия 1.189.1-10 обязательно учитывайте монтажные отверстия и вырезы, предусмотренные проектом для прокладки инженерных коммуникаций. Их расположение должно быть указано на чертежах до начала производства плит. Приемку партии проводите с выборочной проверкой геометрических размеров и визуальным осмотром на отсутствие трещин и сколов торцов.

Монтаж ведите на выровненное и подготовленное основание (стены, ригели). Минимальная глубина опирания должна составлять не менее 120 мм. Перед укладкой растворной смеси убедитесь в чистоте опорных поверхностей. После монтажа обязательно произведите анкеровку плит между собой и с несущими стенами, как того требует проект производства работ. Это обеспечит пространственную жесткость перекрытия и предотвратит смещение элементов при эксплуатации.

Ответы экспертов на ваши вопросы

Серия 1.189.1-10 включает несколько основных типов плит перекрытия:

  • ПК - плиты перекрытия многопустотные высотой 220 мм для пролетов до 7,2 м
  • ПБ - плиты перекрытия многопустотные высотой 220 мм, изготавливаемые безопалубочным способом
  • ПТ - плиты перекрытия толщиной 120/160 мм для устройства перекрытий в санузлах и других помещениях с малыми пролетами
  • ПНО - плиты перекрытия облегченные высотой 160 мм Основное назначение - устройство междуэтажных перекрытий в жилых, общественных и промышленных зданиях.

Плиты перекрытия серии 1.189.1-10 рассчитаны на следующие нагрузки:

  • Нормативная полезная нагрузка: 150 кгс/м² (1,5 кПа)
  • Расчетная полезная нагрузка: 195 кгс/м² (1,95 кПа)
  • Собственный вес плиты: от 220 до 300 кг/м² в зависимости от типа и размеров
  • Полная расчетная нагрузка: до 800 кгс/м² с учетом всех коэффициентов надежности

Основные требования к монтажу и опиранию:

  • Минимальная глубина опирания на несущие стены: 90 мм для кирпичных стен, 120 мм для панельных стен
  • Выравнивание опорных поверхностей цементно-песчаным раствором марки не ниже М100
  • Анкеровка плит между собой и со стенами с помощью сварки закладных деталей
  • Замоноличивание швов между плитами бетоном класса В15
  • Запрещается опирание плит на непроверенные основания или временные опоры

Армирование плит перекрытия серии 1.189.1-10 имеет следующие особенности:

  • Преднапряженная арматура класса Ат-IV, Ат-V, Ат-VI для основных рабочих стержней
  • Ненапрягаемая арматура класса А-I, А-III для конструктивного армирования
  • Защитный слой бетона до арматуры: не менее 20 мм
  • Наличие монтажных петель из арматуры класса А-I
  • Диаметр пустот: 159 мм для обеспечения оптимального распределения напряжений

Для плит перекрытия серии 1.189.1-10 применяются:

  • Бетон тяжелый класса по прочности на сжатие В15, В20, В25
  • Марка бетона по морозостойкости: F50-F100
  • Марка бетона по водонепроницаемости: W4-W6
  • Средняя плотность бетона: 2200-2500 кг/м³
  • Прочность бетона на сжатие в проектном возрасте: не менее 70% от проектной прочности к моменту распалубки
Ранее смотрели
2ПР 1 АIIIв (ГОСТ 26992-86)
2ПР 1 АIIIв (ГОСТ 26992-86)
Прогоны железобетонные ГОСТ 26992-86
Межколонные плиты (МП) Серия 1.420.1-25 МП 1-2
МП 1-2
Межколонные плиты (МП) Серия 1.420.1-25
Лежни Серия 3.503-41 Л 3 АII (3.503-41)
Л 3 АII (3.503-41)
Лежни Серия 3.503-41
Анкера цилиндрические Серия 3.407.9-158 АЦ 0,56-2,9
АЦ 0,56-2,9
Анкера цилиндрические Серия 3.407.9-158
РПС 18-6 с
РПС 18-6 с
Полурамы Серия 1.822.1-2/82
1ПР 4 п (ГОСТ 26992-86)
1ПР 4 п (ГОСТ 26992-86)
Прогоны железобетонные ГОСТ 26992-86
РПС 12-36-2 АтIVс
РПС 12-36-2 АтIVс
Полурамы Серия 1.822.1-6
Бетонные вкладыши Серия 1.100.1-7 ПМ 28-3-8
ПМ 28-3-8
Бетонные вкладыши Серия 1.100.1-7

Уведомление о файлах cookie

Мы используем файлы cookie для улучшения вашего опыта просмотра и анализа трафика. Нажимая "Принять все", вы соглашаетесь с нашей политикой конфиденциальности и политикой обработки файлов cookie.

Дзен Телеграм Вконтакте vk