mobile_sound +7 (930) 655-55-90

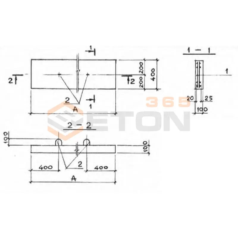
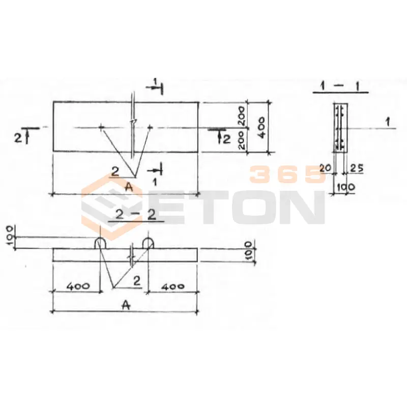
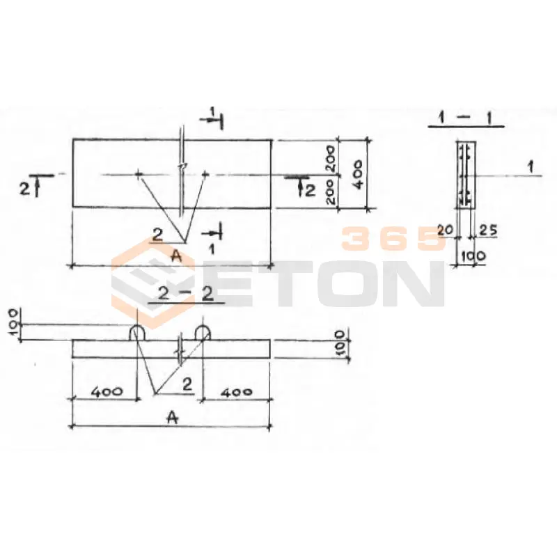
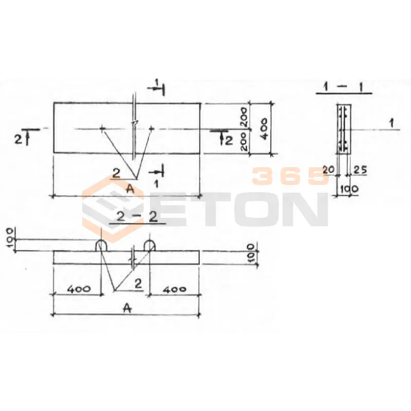
Плиты перекрытия лотков ПП (плоская подкладка) Серия 3.006-2

Поделиться:
Фильтр по характеристикам
Длина (мм.)
keyboard_arrow_down
мм.
мм.
Ширина (мм.)
keyboard_arrow_down
мм.
мм.
Высота (мм.)
keyboard_arrow_down
мм.
мм.
Вес (кг.)
keyboard_arrow_down
кг.
кг.
Поделиться:

Завод "Бетон365" производит плиты перекрытия лотков ПП серии 3.006-2 — специализированные железобетонные изделия, обеспечивающие надежное перекрытие канализационных, дренажных и инженерных лотков. Эти плоские подкладки создают равномерное распределение нагрузок, предотвращая деформацию коммуникационных систем и значительно ускоряя монтажные работы. Изготовленные в строгом соответствии с ГОСТ, они отличаются повышенной прочностью, морозостойкостью и длительным сроком эксплуатации даже в условиях интенсивной эксплуатации.

Мы реализуем плиты перекрытия лотков ПП серии 3.006-2 напрямую от производителя в Москве и Московской области по конкурентным ценам. В каталоге представлены изделия с оптимальным соотношением стоимости и качества, доступные для заказа с доставкой на объект. Гарантируем соответствие техническим требованиям и оперативное исполнение заказов любой сложности — обращайтесь для консультации и расчета вашего проекта.

ПП 1 (3.006-2)
Плиты перекрытия лотков ПП (плоская подкладка) Серия 3.006-2
  • Длина 640 мм.
  • Ширина 400 мм.
  • Высота 100 мм.
  • Вес 50 кг.
  • Объем бетона 0,2 м3
  • Геометрический объем 0,0256 м3
Цена: 4268 руб.
Подробнее
ПП 10 (3.006-2)
Плиты перекрытия лотков ПП (плоская подкладка) Серия 3.006-2
  • Длина 3600 мм.
  • Ширина 400 мм.
  • Высота 100 мм.
  • Вес 350 кг.
  • Объем бетона 0,14 м3
  • Геометрический объем 0,144 м3
Цена: 2988 руб.
Подробнее
ПП 2 (3.006-2)
Плиты перекрытия лотков ПП (плоская подкладка) Серия 3.006-2
  • Длина 790 мм.
  • Ширина 400 мм.
  • Высота 100 мм.
  • Вес 80 кг.
  • Объем бетона 0,03 м3
  • Геометрический объем 0,0316 м3
Цена: 640 руб.
Подробнее
ПП 3 (3.006-2)
Плиты перекрытия лотков ПП (плоская подкладка) Серия 3.006-2
  • Длина 1000 мм.
  • Ширина 400 мм.
  • Высота 100 мм.
  • Вес 100 кг.
  • Объем бетона 0,04 м3
  • Геометрический объем 0,04 м3
Цена: 854 руб.
Подробнее
ПП 5 (3.006-2)
Плиты перекрытия лотков ПП (плоская подкладка) Серия 3.006-2
  • Длина 1700 мм.
  • Ширина 400 мм.
  • Высота 100 мм.
  • Вес 180 кг.
  • Объем бетона 0,07 м3
  • Геометрический объем 0,068 м3
Цена: 1494 руб.
Подробнее
ПП 7 (3.006-2)
Плиты перекрытия лотков ПП (плоская подкладка) Серия 3.006-2
  • Длина 2380 мм.
  • Ширина 400 мм.
  • Высота 100 мм.
  • Вес 250 кг.
  • Объем бетона 0,1 м3
  • Геометрический объем 0,0952 м3
Цена: 2134 руб.
Подробнее
ПП 6 (3.006-2)
Плиты перекрытия лотков ПП (плоская подкладка) Серия 3.006-2
  • Длина 2060 мм.
  • Ширина 400 мм.
  • Высота 100 мм.
  • Вес 200 кг.
  • Объем бетона 0,08 м3
  • Геометрический объем 0,0824 м3
Цена: 1707 руб.
Подробнее
ПП 4 (3.006-2)
Плиты перекрытия лотков ПП (плоская подкладка) Серия 3.006-2
  • Длина 1380 мм.
  • Ширина 400 мм.
  • Высота 100 мм.
  • Вес 150 кг.
  • Объем бетона 0,06 м3
  • Геометрический объем 0,0552 м3
Цена: 1280 руб.
Подробнее
ПП 8 (3.006-2)
Плиты перекрытия лотков ПП (плоская подкладка) Серия 3.006-2
  • Длина 2680 мм.
  • Ширина 400 мм.
  • Высота 100 мм.
  • Вес 270 кг.
  • Объем бетона 0,11 м3
  • Геометрический объем 0,1072 м3
Цена: 2347 руб.
Подробнее
ПП 9 (3.006-2)
Плиты перекрытия лотков ПП (плоская подкладка) Серия 3.006-2
  • Длина 3000 мм.
  • Ширина 400 мм.
  • Высота 100 мм.
  • Вес 300 кг.
  • Объем бетона 0,12 м3
  • Геометрический объем 0,12 м3
Цена: 2561 руб.
Подробнее

Как правильно выбрать - Плиты перекрытия лотков ПП (плоская подкладка) Серия 3.006-2

Плиты перекрытия лотков ПП (плоская подкладка) Серия 3.006-2 предназначены для перекрытия сборных железобетонных лотков теплотрасс, каналов и других подземных инженерных коммуникаций. Они обеспечивают защиту от внешних воздействий, воспринимают нагрузки от грунта и транспорта, а также служат основой для устройства дорожных покрытий или пешеходных зон. Долговечность и безопасность всей конструкции напрямую определяются грамотным подбором плит перекрытия лотков ПП в соответствии с проектными решениями и реальными условиями на объекте.

Критерии выбора

  • Марка и класс бетона: Изделия изготавливаются из тяжелого бетона марки не ниже М300 (класс В22,5), что обеспечивает необходимую прочность на сжатие.
  • Морозостойкость и водонепроницаемость: Для эксплуатации в насыщенных влагой грунтах критически важны показатели морозостойкости (F200) и водонепроницаемости (W6).
  • Типоразмеры и конфигурация: Строгое соответствие габаритным размерам (длина, ширина, толщина) и схеме расположения монтажных петель или отверстий, указанных в серии 3.006-2.
  • Армирование: Проверьте класс применяемой арматуры (как правило, А-III) и соответствие чертежам армирования для восприятия расчетных нагрузок.
  • Нагрузочная способность: Уточните расчетную нагрузку, на которую рассчитаны плиты перекрытия лотков, исходя из глубины заложения и категории движения над ними.
  • Нормативная база: Обязательное соответствие ГОСТ 13015-2012 и требованиям рабочей документации серии 3.006-2.

Рекомендации по подбору и монтажу

При составлении спецификации на плиты перекрытия лотков ПП Серия 3.006-2 обращайте внимание на комплектность поставки, включая все типоразмеры, требуемые для конкретного участка трассы. В паспорте качества должны быть четко указаны фактические прочностные характеристики бетона и маркировка, соответствующая рабочим чертежам. Перед монтажом необходимо подготовить опорные поверхности лотков – они должны быть очищены и выровнены. Укладку плит ПП (плоская подкладка) следует производить с помощью строповки за предусмотренные петли, обеспечивая плотное прилегание по всей плоскости. Для исключения смещений в горизонтальной плоскости рекомендуется выполнить анкеровку смежных плит между собой согласно проекту. Герметизация стыков между плитами и лотками является обязательным этапом для предотвращения протечек и заиливания канала.

Ответы экспертов на ваши вопросы

Ответ: Основное назначение плит перекрытия лотков ПП (плоская подкладка) по Серии 3.006-2 — это перекрытие сборных железобетонных лотков для прокладки подземных инженерных коммуникаций (кабели, трубопроводы). Они служат защитным и несущим элементом, обеспечивая безопасную эксплуатацию каналов, распределяя нагрузку от грунта и транспорта на поверхности, а также предотвращая несанкционированный доступ и защищая коммуникации от механических повреждений.

Ответ: Основные технические характеристики плит перекрытия лотков ПП по Серии 3.006-2:

  • Материал: Тяжелый бетон классов по прочности на сжатие (например, В25, В30) с предварительно напряженной или ненапряженной арматурой.
  • Размеры: Стандартная длина, как правило, соответствует ширине лотков (например, 490 мм, 590 мм, 790 мм и т.д.), ширина обычно составляет 990 мм или 1190 мм, толщина — 80 мм или 100 мм. Конкретные габариты указываются в маркировке.
  • Маркировка: Маркировка выполняется по типу "ПП X-X", где первые цифры обозначают длину в дециметрах, а вторые — ширину в дециметрах (например, ПП 49-99 — плита длиной 490 мм и шириной 990 мм).
  • Нагрузка: Плиты рассчитываются на восприятие нагрузки от транспорта и грунта. Стандартная нагрузка соответствует нормативной нагрузке от автомобильного транспента (например, Н-10, А-14) в зависимости от глубины заложения и условий эксплуатации, что регламентируется проектом.

Ответ: Правильный монтаж плит перекрытия ПП осуществляется в следующем порядке:

  1. Подготовка основания: Лотки должны быть установлены на проектной отметке на выровненное и уплотненное песчаное основание.
  2. Укладка плит: Плиты укладываются вплотную друг к другу на опорные поверхности стенок лотков. Стыки между плитами должны быть минимальными.
  3. Выверка положения: Необходимо контролировать горизонтальность уложенных плит.
  4. Обратная засыпка: После укладки всех плит производится послойная засыпка грунтом с тщательным уплотнением каждого слоя по бокам и сверху перекрытия. Толщина слоя засыпки над плитой должна соответствовать проекту (обычно не менее 0,5 м до верха дорожного покрытия).
  5. Меры безопасности: Монтаж производится с применением грузоподъемной техники, строго соблюдая правила безопасности.

Ответ: Ключевые преимущества плит перекрытия лотков ПП по Серии 3.006-2:

  • Стандартизация: Изготовление по единой серии обеспечивает точность геометрических параметров, взаимозаменяемость и простоту монтажа.
  • Прочность и долговечность: Железобетонная конструкция обладает высокой прочностью на сжатие и изгиб, устойчивостью к воздействию агрессивных грунтовых вод и перепадам температур.
  • Надежная защита коммуникаций: Обеспечивает механическую защиту кабелей и трубопроводов от внешних нагрузок и повреждений.
  • Универсальность: Могут применяться для перекрытия лотков различного назначения (кабельные, тепловые, водосточные) в гражданском и промышленном строительстве.
  • Огнестойкость: Бетон является негорючим материалом, что повышает пожарную безопасность объекта.

Ответ: При приемке и складировании плит перекрытия ПП важно обращать внимание на следующее:

  • Соответствие маркировки: Проверить, соответствует ли маркировка на плите проектной спецификации (типоразмер, серия).
  • Качество бетонной поверхности: Отсутствие трещин, сколов, раковин и других серьезных дефектов, которые могут повлиять на несущую способность.
  • Геометрические параметры: Проверить длину, ширину, толщину и прямолинейность ребер.
  • Наличие монтажных петель: Убедиться в их целостности и правильном расположении.
  • Правила складирования: Плиты должны складироваться на ровной, подготовленной площадке в горизонтальном положении. Между плитами необходимо прокладывать деревянные прокладки толщиной не менее 30 мм, располагать их строго друг под другом по вертикали. Высота штабеля не должна превышать допустимую норму (обычно не более 1.5-2 метров) во избежание поломки нижних плит.
Ранее смотрели
Ступени верхние фризовые ГОСТ 8717-2016 ЛСВ 11 лш (ГОСТ 8717-2016)
ЛСВ 11 лш (ГОСТ 8717-2016)
Ступени верхние фризовые ГОСТ 8717-2016
1СД 100-48-30-4 (1.411.1-10.93)
1СД 100-48-30-4 (1.411.1-10.93)
Сваи-колонны Серия 1.411.1-10.93
Панели наружных стен Серия 1.090.1-7с 2ПСО 32-33-3-2 пс (1.090.1-7с)
2ПСО 32-33-3-2 пс (1.090.1-7с)
Панели наружных стен Серия 1.090.1-7с
П 1-15 б (3.006-2)
П 1-15 б (3.006-2)
Плиты перекрытия лотков П Серия 3.006-2
С 10-102-12 К5
С 10-102-12 К5
Стойки центрифугированные кольцевого сечения ГОСТ 23444-79
Площадочные вкладыши ГОСТ 8717-2016 ЛСП 9-17 л (ГОСТ 8717-2016)
ЛСП 9-17 л (ГОСТ 8717-2016)
Площадочные вкладыши ГОСТ 8717-2016
Панели перекрытий и покрытий Серия Б1.043.1-2.08 2ПП 36-4-2,5-4 я (Б1.043.1-2.08)
2ПП 36-4-2,5-4 я (Б1.043.1-2.08)
Панели перекрытий и покрытий Серия Б1.043.1-2.08
Колонны для зданий высотой 9,0; 10,2; 11,44 12,6; 13,8 м Серия 1.427.1-3 2КФ 91-2
2КФ 91-2
Колонны для зданий высотой 9,0; 10,2; 11,44 12,6; 13,8 м Серия 1.427.1-3

Уведомление о файлах cookie

Мы используем файлы cookie для улучшения вашего опыта просмотра и анализа трафика. Нажимая "Принять все", вы соглашаетесь с нашей политикой конфиденциальности и политикой обработки файлов cookie.

Дзен Телеграм Вконтакте vk