mobile_sound +7 (930) 655-55-90

Плиты надсилосные Серия 3.702-1/79

Поделиться:
Фильтр по характеристикам
Длина (мм.)
keyboard_arrow_down
мм.
мм.
Ширина (мм.)
keyboard_arrow_down
мм.
мм.
Высота (мм.)
keyboard_arrow_down
мм.
мм.
Вес (кг.)
keyboard_arrow_down
кг.
кг.
Поделиться:

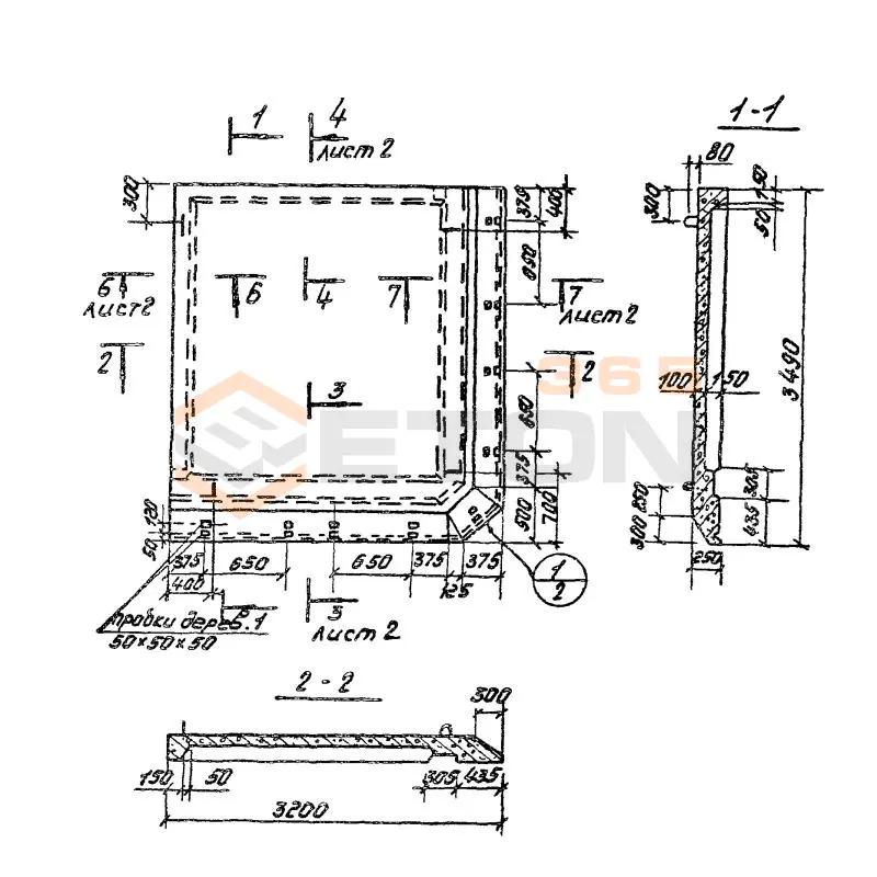
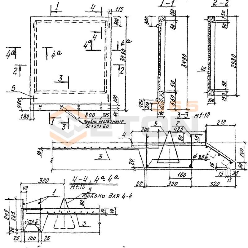
Завод "Бетон365" производит плиты надсилосные серии 3.702-1/79 – специализированные железобетонные конструкции для оборудования силосных хранилищ и промышленных емкостей. Эти изделия обеспечивают надежное перекрытие технологических резервуаров, равномерно распределяя эксплуатационные нагрузки и создавая жесткую основу для последующего монтажа оборудования. Производство ведется в строгом соответствии с ГОСТами, что гарантирует долговечность и устойчивость конструкций в условиях интенсивной промышленной эксплуатации.

Мы реализуем плиты надсилосные серии 3.702-1/79 напрямую от производителя в Москве и Московской области по конкурентным ценам. В каталоге представлены изделия с различными характеристиками для решения конкретных технических задач. Предлагаем оперативную доставку на объект и профессиональные консультации по выбору оптимальных решений для вашего проекта. Обращайтесь для расчета стоимости и оформления заказа!

ПН 1
Плиты надсилосные Серия 3.702-1/79
  • Длина 2980 мм.
  • Ширина 2980 мм.
  • Высота 250 мм.
  • Вес 2800 кг.
  • Объем бетона 1,1 м3
  • Геометрический объем 2,2201 м3
Цена: 37345 руб.
Подробнее
ПНм 1
Плиты надсилосные Серия 3.702-1/79
  • Длина 2980 мм.
  • Ширина 2980 мм.
  • Высота 190 мм.
  • Вес 160 кг.
  • Объем бетона 0,65 м3
  • Геометрический объем 1,6873 м3
Цена: 22068 руб.
Подробнее
ПН 2
Плиты надсилосные Серия 3.702-1/79
  • Длина 3490 мм.
  • Ширина 2980 мм.
  • Высота 250 мм.
  • Вес 3800 кг.
  • Объем бетона 1,5 м3
  • Геометрический объем 2,6 м3
Цена: 50925 руб.
Подробнее
ПНм 2
Плиты надсилосные Серия 3.702-1/79
  • Длина 3490 мм.
  • Ширина 2980 мм.
  • Высота 190 мм.
  • Вес 2200 кг.
  • Объем бетона 0,89 м3
  • Геометрический объем 1,976 м3
Цена: 30216 руб.
Подробнее
ПНту 2
Плиты надсилосные Серия 3.702-1/79
  • Длина 3490 мм.
  • Ширина 3200 мм.
  • Высота 250 мм.
  • Вес 4300 кг.
  • Объем бетона 1,7 м3
  • Геометрический объем 2,792 м3
Цена: 57715 руб.
Подробнее
ПНт 2
Плиты надсилосные Серия 3.702-1/79
  • Длина 3490 мм.
  • Ширина 2980 мм.
  • Высота 250 мм.
  • Вес 3500 кг.
  • Объем бетона 1,4 м3
  • Геометрический объем 2,6 м3
Цена: 47530 руб.
Подробнее

Как правильно выбрать - Плиты надсилосные Серия 3.702-1/79

Плиты надсилосные Серия 3.702-1/79 предназначены для перекрытия силосов и бункеров на элеваторах, комбикормовых и других промышленных предприятиях. Они формируют технологические площадки для размещения оборудования и обеспечивают безопасность эксплуатации. Долговечность и надежность всей конструкции напрямую определяются грамотным подбором плит надсилосных в строгом соответствии с проектными расчетами и агрессивностью среды эксплуатации.

Критерии выбора

  • Класс бетона и защитные свойства: Изделия изготавливаются из тяжелого бетона класса не ниже В30. Критически важны показатели морозостойкости (F200) и водонепроницаемости (W6-W8), учитывая возможное воздействие влаги и перепадов температур.
  • Армирование: Применяется предварительно напряженная арматура классов Ат-IV, Ат-V. Необходимо проверять паспорт на соответствие проектным нагрузкам на изгиб и сжатие.
  • Типоразмеры и конфигурация: Серия включает плиты различной длины и ширины. Ключевой параметр – наличие и расположение технологических отверстий для загрузочных и разгрузочных устройств, которые должны точно совпадать с проектными схемами.
  • Закладные детали и монтажные петли: Обязательна проверка наличия и корректного расположения закладных деталей (для крепления ограждений, оборудования) и петель для строповки, регламентированных серией.
  • Соответствие нормам: Все плиты надсилосные Серия 3.702-1/79 должны изготавливаться в строгом соответствии с требованиями серии и ГОСТ 25912-2015 на плиты покрытий.

Рекомендации по подбору и монтажу

При составлении спецификации на плиты надсилосные Серия 3.702-1/79 необходимо прилагать рабочие чертежи с указанием точных координатов всех отверстий и закладных элементов. Это исключит поставку некондиции. Требуйте от производителя паспорта качества с протоколами испытаний бетона на прочность и водонепроницаемость.

Монтаж ведется на подготовленное опорное кольцо силоса. Перед укладкой проверьте горизонтальность опорной поверхности и целостность плит. Стыки между плитами надсилосными должны быть герметично заделаны цементно-песчаным раствором, чтобы предотвратить просыпание продукта и попадание влаги внутрь конструкции, что особенно важно для сохранения армирования.

Ответы экспертов на ваши вопросы

Ответ: Плиты надсилосные серии 3.702-1/79 предназначены для устройства перекрытий над силосами (емкостями для хранения сыпучих материалов) на элеваторах, комбикормовых заводах, мукомольных предприятиях и других объектах агропромышленного комплекса. Они служат для создания технологических площадок, обеспечения доступа к загрузочным и разгрузочным устройствам, а также для размещения оборудования.

Ответ: Основные особенности включают:

  • Изготовление из тяжелого бетона классов В25-В30
  • Армирование предварительно напряженной арматурой для повышения трещиностойкости
  • Наличие монтажных петель для удобства установки
  • Специальную поверхность, обеспечивающую безопасное перемещение персонала
  • Стандартизированные размеры, позволяющие типовое проектирование Преимущества: высокая прочность, долговечность, устойчивость к агрессивным средам, возможность быстрого монтажа.

Ответ: Плиты серии 3.702-1/79 рассчитаны на:

  • Равномерно распределенную нагрузку от 500 до 800 кг/м² (в зависимости от модификации)
  • Сосредоточенную нагрузку от технологического оборудования
  • Нагрузки от перемещения обслуживающего персонала
  • Температурные воздействия
  • Ветровые нагрузки Точные значения нагрузок указываются в рабочих чертежах и паспортах изделий.

Ответ: Основные требования:

  • Монтаж должен производиться квалифицированным персоналом с применением грузоподъемной техники
  • Обязательная проверка целостности плит перед установкой
  • Точное соблюдение проектных отметок и схем раскладки
  • Обеспечение надежного опирания на несущие конструкции
  • Регулярный визуальный контроль состояния в процессе эксплуатации
  • Своевременная очистка от загрязнений и предотвращение обледенения

Ответ: При поставке предоставляются:

  • Паспорт качества на каждую партию изделий
  • Сертификат соответствия
  • Рабочие чертежи серии
  • Инструкция по монтажу и эксплуатации
  • Результаты заводских испытаний контрольных образцов Все документы должны соответствовать требованиям ГОСТ и технических условий на изготовление.
Ранее смотрели
Стойки Серия 3.503.1-100 С 5-50 тАII-2
С 5-50 тАII-2
Стойки Серия 3.503.1-100
Панели стеновые толщиной 300 мм Серия 1.030.1-1/88 2ПС 57-18-3,0 я-1
2ПС 57-18-3,0 я-1
Панели стеновые толщиной 300 мм Серия 1.030.1-1/88
Лотки Л Серия 3.501.1-179.94 Л 1-403 м
Л 1-403 м
Мотки Л Серия 3.501.1-179.94
Лотки теплотрасс Л Серия 3.006.1-2/82 Л 11-11 (3.006.1-2/82)
Л 11-11 (3.006.1-2/82)
Мотки теплотрасс Л Серия 3.006.1-2/82
Панели стеновые толщиной 300 мм Серия 1.030.1-1/88 ПС 72-12-3,0 я
ПС 72-12-3,0 я
Панели стеновые толщиной 300 мм Серия 1.030.1-1/88
1ФБС 18-1 к7
1ФБС 18-1 к7
Фермы Серия 1.463.1-3/87
Колонны высотой 7,2 м Серия 1.420.1-20с К 39-2 с
К 39-2 с
Колонны высотой 7,2 м Серия 1.420.1-20с
Плиты покрытий Серия 1.165.1-18 ПБТ 62-30-43-15 тул (1.165.1-18)
ПБТ 62-30-43-15 тул (1.165.1-18)
Плиты покрытий Серия 1.165.1-18

Уведомление о файлах cookie

Мы используем файлы cookie для улучшения вашего опыта просмотра и анализа трафика. Нажимая "Принять все", вы соглашаетесь с нашей политикой конфиденциальности и политикой обработки файлов cookie.

Дзен Телеграм Вконтакте vk